Fórum témák

» Több friss téma
Fórum » Fluoreszcens kijelzők (VFD) használata
 
Témaindító: eSDi, idő: Márc 23, 2006
Témakörök:
Lapozás: OK   12 / 52
(#) gtk válasza rockersrac hozzászólására (») Jún 29, 2009 /
 
Egy labortappal a fentiek alapjan lehet kezdeni. A legkritikusabb az egeszben a futes, 0.6-0.8V fole elsore semmikepp ne menjen, kuolonben pillanatok alatt leeghet az emmisszios reteg rola es lehet dobni ki.
(#) rockersrac válasza gtk hozzászólására (») Jún 29, 2009 /
 
Ezen nincs anód rács,csak anód + katód!(katód maga a fűtőszálacska)
(#) gtk válasza rockersrac hozzászólására (») Jún 29, 2009 /
 
Az Anodra gondoltam.
(#) kiskacsa2009 hozzászólása Aug 31, 2009 /
 
Sziasztok!
Ez mind szép és jó, de még mindig nem tudom hogy, hogy kell beüzemelni, legalább, hogy világítson. Legyete szívesek és segítsetek...
(#) eSDi válasza kiskacsa2009 hozzászólására (») Aug 31, 2009 / 1
 
Pedig ennél többet már igazán nem tudunk segíteni...

A fűtést ki tudod mérni, pár Ohm. A rácsot, meg ha jól megnézed, akkor látod hogy kb. hova van kötve. fűtést úgy kell beállítani, hogy sötétben csak éppen hogy izzon a szál. A rácsra is és az Anódra is + feszültséget kell kapcsolni és akkor már világít is. Mivel a fűtés lesz az Katód. De ezeket már leírtuk, az biztos.
(#) _JANI_ válasza kiskacsa2009 hozzászólására (») Aug 31, 2009 /
 
Szia!
Kövesd (#504247) eSDi leírását
s életre tudod kelteni a kijelzőt.
Egyedül a fűtőfeszültség a kritikus pont! ...
(#) belganarancs hozzászólása Okt 9, 2009 /
 
Sziasztok!

Vettem 2db VFD kijelzőt,szeretnék majd egyikőjükből egy órát csinálni.Sajnos nem tanultam oroszt,így az adatlapból elég nehéz kisilabizálni az infókat.Mellékelek 3 oldalt,ha valaki tud oroszul,és van kedve segíteni,az kérem írjon.Csak a biztonság kedvéért kérek segítséget,biztos ami biztos.

Íme az adatlap:

IVL2-7_5.rar
    
(#) Mate78 hozzászólása Nov 10, 2009 /
 
Sziasztok,

szerintetek a csatolt VFD kijelzőt milyen PIC-kel lehetne meghajtani?Ez egy 160X64-es grafikus típus.

köszi előre is a javaslatokat.

üdv
(#) beni58 hozzászólása Nov 23, 2009 /
 
Sziasztok!
van egy vfd-m
annyit tudok róla hogy:
7 karakter
multiplex-es
15 szegmenses
kék
működik
az a gondom vele hogy nem találok meghajtó áramkört
valaki nem tud ilyen multiplex vezérlőnek a típus számát
mondani

előre is megköszöném
(#) _JANI_ válasza beni58 hozzászólására (») Nov 23, 2009 /
 
Kis szerencsével hátha lesz egy spec driver IC.
De talán addig is érdemes elgondolkozni az egyedi vezérlés lehetőségén. Erre ad egy kis elméleti segítséget EZ AZ MAGYAR OLDA...
(#) TechManiac hozzászólása Nov 28, 2009 /
 
Összefoglalom amit nem értek vagy nem tudok:

1. Amikor kigyújtod az összes szegmensét, egyszerre, mennyi kell, hogy így tovább világítson?

2. Váltóárammal, vagy egyenárammal működik?

3. Vannak ezekben integrált, áramköri elemek? (dióda, IC, ...)

4. A szélső lábakon kapja a feszültséget?

5. Minden szegmenshez külön pár láb tartozik, vagy van egy GND (minusz) és a sok kis lábra mind plusz megy?

------------------------------------------------------------------

Nekem is van egy VFD-m, pénztárgép-roncsból van, tipikus számkijelzős, FUTABA, a típusát nem találtam, a két oldalán két pár láb van, köztük sok másik láb.

DSC00153.JPG
    
(#) rockersrac válasza TechManiac hozzászólására (») Nov 28, 2009 /
 
A Két pár láb az a fűtés/katód/
(#) gtk válasza TechManiac hozzászólására (») Nov 28, 2009 /
 
Olvasd el az elektroncso.hu -n a VFDvel kapcsolatos alapokat. Minden vilagos lesz.
(#) zombee hozzászólása Dec 14, 2009 /
 
Sziasztok!

Végre végigolvastam az egész fórumot. A tanulság az, hogy nagyon sok hobbista egy csomó fajta kijelzőt kibányászott mindenféle készülékekből, de nem tudják rendesen meghajtani, kijeleztetni vele. Az alapvető probléma nemcsak a fizikai ismeretek hiányából fakad, hanem az alkalmas vezérlő-meghajtó áramkörök kiválasztása, beszerzése, összeépítése körüli bonyolult és fáradságos munkából, ami egy félrevezérelt katódfűtés miatt szó szerint köddé válik.

Rengeteg DVD, HiFi, videó, autórádió, pénztárgép kijelzője válik használhatatlanná onnantól kezdve hogy az eredeti befogadó készüléket kivonták a forgalomból. Szerintem kár értük, mert szépen világít és esztétikusan mutat mármilyen eszközön, legyen az óra, hőmérő, kilóméteróra, mérőműszer, stb.

Épp ezért határoztam el, hogy építek egy olyan panelt, amibe a hobbista beépítheti a kikukázott, ajándékba, születésnapra kapott csupasz VFD kijelzőjét, összeforraszja a végpontokat, ráköti valamilyen SZABVÁNYOS és ELTERJEDT portra(pl. RS-232, SPI, I2C, HD44780), PC-re, PIC-re, Atmel-re, amiről egyszerű utasításokkal életre keltheti kijelzőjét. Legyen az pontmátrixos, 7+ szegmenses szám/betűkijelzős, grafikus! Legyen az 12 vagy 50 lábas! Legyen 3 centis vagy fél méteres!

Fontosnak tartom, hogy viszonylag egyszerű, olcsó, könnyen beszerezhető alkatrészekből felépülő modul legyen, és nem utolsósorban mérésekkel alátámasztott teszteken is átmenjen, ne csak "ránézésre".

Az általam elgondolt modul az intelligens vezérlőmodulokhoz hasonló lenne annyi különbséggel, hogy a VFD kijelzőt a felhasználó adja, a meghajtást, multiplexálást, a piszkos munkát elvégzi saját maga.

A fórum olvasása közben sok olyan dolgot találtam ki, amelyek alkalmazása egyszerű és olcsó módon küszöbölné ki a felmerült problémákat.

Egyik ilyen probléma a kijelzők sokféleségéből adódó különböző rács+anódszegmens összetétel. Egy hobbista általában úgy indul neki a dolognak hogy van 12 rács(karakter) és 16 szegmens. Okés. Egy másik kijelzőben meg van 24 karakter és 8 szegmens, elméletileg teljesen más meghajtás kell a kettőnek. Holott mindkettőnek 28 lába van (anód+rács), amiket azonos módon hajthatunk meg, de a multiplexálás különbözik. Az én megoldásomban egy egyszerű paranccsal lehetne meghatározni hogy melyik vezérlő lábakat használjuk rács, melyeket szegmens vezérlésre. Ezáltal a két példa-kijelző meghajtása azonos vasra épülhet.

Egy másik nagy problémakört vet fel a katódfűtés. A "transzformátoros-középpontmegcsapolásos" módszer elvileg a legkorrektebb, azonban a legdrágább, legmacerásabb megoldásnak számít. Olvastam a "sötét-impulzusos" módszert, melynek lényege az egyes karakterek közti szünetben egy nagyáramú impulzussal tartja fenn a katód melegét, amely a következő impulzusig meleg marad. Ez szoftveresen könnyen megvalósítható, olcsó, de ehhez nagy kondi és teljesítménytranzisztor is kell, ráadásul szerintem nem korrekt mert a katód élettartamát lerövidíti.
Mindjárt két módszert is kitaláltam. Az egyik a "karakteridő-korrekciós" módszer, melynek lényege a katód pozitív oldala felé eső karakterek arányosan hosszabb ideig történő megvilágítása. Ha valamiért nem válna be, akkor a "katódfeszültség-kiegyenlítéses" módszerem a célravezető. Ez alapján amikor a katód pozitívabb oldala felé eső karaktereket jelenítem meg, arányosam csökkentem a katód fűtőfeszültségét, így a katód és a rács+anód feszültségkülönbsége az összes karakternél azonos lesz. A katód hőtehetetlensége miatt a hőmérséklet végig azonos marad.

Következő problémakör a meghajtás. Még keresem a megfelelő áramköröket. Sajnos a direkt VFD-meghajtónak készült IC-k botrányosan drágák, legalábbis tudásukat tekintve mindenképp azok. Láttam néhány olcsó megoldást, melyek shiftregiszterre, inverterre vagy integrált tranzisztortömbre épülnek, és fajlagos költségük lábanként(szegmens+rács) kb. 10-20Ft. A VFD-meghajtók (pl:UDN6118) költsége kb. 270Ft/láb. Összehasonlításképpen egy 40 karakteres, 35-ös pontmátrixos kijelző meghajtása(vezérlés nélkül!) több mint húszezer forintba kerülne egy UDN6118-al, miközben lehet hogy 1500Ft-ból is kijönne ugyanez.

Jogos kérdés a kijelzők sokféleségéből adódó karakterkészlet kiosztása. A karakterkészlet bevitelét is a felhasználóra hagynám a szabványos buszon úgy, hogy csak egyszer kell bevinni, azt a vezérlő letárolja az EEPROM-jában.

A szükséges anód+rácsfeszültség előállítását feszültségnövelő kapcsolóüzemű minitáppal oldom meg, melyet egy potival szabályozva beállítható a kívánt feszültség. Potival vagy szoftverből(EEPROM-ba letárolva) kívánom a katódfűtésen eső feszültségből adódó "karakter-balansz" beállítását megoldani, melyet ugyancsak a felhasználó állíthat be egyszerű módon, a saját kijelzőjéhez igazodva. Lehetőséget adok még a fényesség szabályozására(pl. PWM), akár karakterenként vagy akár karakteren belül is. Ennek a grafikus kijelzőknél rengeteg előnye lehet hiszen egy karakter egy oszlopnak/sornak felel meg, ezen belül egy szegmens egy képpontnak!

A vezérlés:
Atmel mikrokontrollert kívánok alkalmazni, mely egy szabványos buszon(RS232, SPI, I2C, HD44780, stb) bármivel kommunikálhat, akár PIC-el vagy PC-vel is. Ez esetben a VFD végfok meghajtásánál a shiftregiszteres megoldások külön előnyt élvezhetnek, mivel kevesebb lábszámú és olcsó vezérlő is használható(pl. ATMEGA8, ATTINY2313). Az viszont tény, hogy az ATTINY2313 128 bájtos EEPROM-ja főként 7+ szegmenses számkijelzőknél életképes, pontmátrixos(pl. 35 pixel/karakter) már komolyabb eszköz kell.

Mivel elég szűz a téma, szívesen nekilátok amint lesz rá egy kevés időm, megépítem a prototípust egy viszonylag kevés lábú kijelzőre(pl. videóból bányászott 20 lábas számkijelző), megosztom tapasztlataimat, cikket és kapcsolást is közzétehetek.

Illetve vállalom a kezdő hobbisták számára a komplett meghajtó-vezérlő modul leszállítását, vagy KIT formájában való értékesítését.
(#) Kaz0 hozzászólása Dec 30, 2009 /
 
Sziasztok! Nem tudom hogy van e itt valaki még, de a kérdésem a következő: lehet ilyen VFD kijelzőket helyettesíteni LED-mátrixra? Hogyan?
Ugyanis órát szeretnék épiteni, megvan minden hozza, csak a kijelző hiányzik belőle. LED-kilelzőm viszont van. Meg lehet oldani valahogy ezt a cserét?

A képeken ugyanaz az óra van, csak másképp megrajzolva. Gondoltam felrakom mindet, segítségként.
Üdv: Kazinczy Zoltán
(#) eSDi válasza Kaz0 hozzászólására (») Dec 30, 2009 /
 
Üdv!

Elvileg meg lehet, de kicsit át kellene nézni az adatlapját. Meg kell nézni, hogy milyen feszültségekről üzemel minimum az IC. Ha nem muszáj akkor ne kelljen 27V-ot használni, mert a LED-eknek nagyobb áram kell mint a VFD-nek.
(#) zombee válasza Kaz0 hozzászólására (») Dec 30, 2009 /
 
Üdv.

A probléma ott gyökeredzik, hogy a VFD nagy(20-50V) feszültséget, és kis(0.6-10mA) áramot vesz fel.
Ez a pici áram nem minden esetben tudna meghajtani egy LED-sort.

Csak ajánlani tudom a VFD kijelzőt, mégha bontott akkor is. Sokkal szebb a színe, fényvisszaadása, kontrasztja mint a LED-nek.
Régebbi videókban pont olyan kijelzőt találhatsz amire szükséged van, nemrég kettő ilyet bontottam ki, és azokat használom fel a pilot-projekthez, órát építek belőle.
(#) Kaz0 válasza eSDi hozzászólására (») Dec 31, 2009 /
 
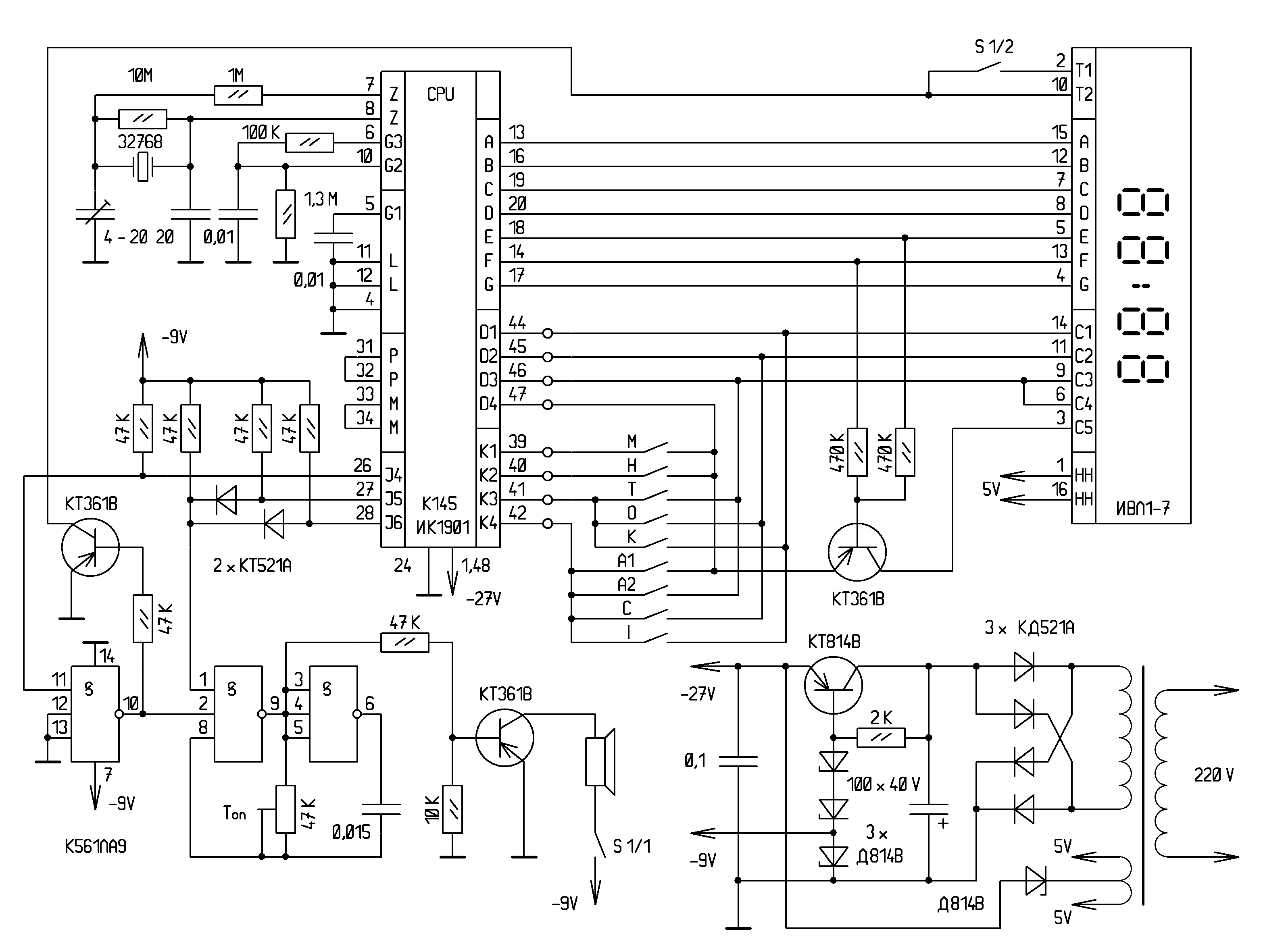
A kijelzorol talaltam adatokat:

ИВЛ1-7/5 (futes 5V, 120мА; anod, szetka -27В, 12мА).
.1 - katod (futes)
.2 - anod felso pont
.3 - szetka 5-dik resz
.4 - anod G
.5 - anod E
.6 - szetka 4-dik resz
.7 - anod С
.8 - anod D
.9 - szetka 3-dik resz
10 - anod also pont
11 - szetka 2-dik resz
12 - anod B
13 - anod F
14 - szetka 1-dik resz
15 - anod A
16 - katod (futes).

De az IC-ről nem. A képen látható, hogy képzeltem el. Mit gondoltok, érdemes így belekezdeni, jó az elképzelés?

CLOCK.jpg
    
(#) zombee hozzászólása Jan 6, 2010 /
 
Üdv mindenkinek!

Nagyban keresem a megfelelő VFD végfok IC-ket, és találtam egy gyöngyszemet: UCN5818

Ez az IC 32 bites shift regiszter, kaszkádolható(azaz egymás után többet is lehet kötni), és nem utolsó sorban viszonylag olcsó is, persze ha nagy tételben veszek, kb. 2.90$ körül.
Egy ilyen IC a legtöbb VFD kijelző számára elég, a pontmátrixosokhoz is csak kettő darab kell...

Ugyanezen gyártó, az Allegro Microsystems honlapján már nem szerepel az UCN5818, helyette az A681X család szerepel 10,20,32 bites változatban. A 10 bites változat "emberi" tokozású változatban is kapható.

Sajnos egyetlen hazai kereskedőnél sem találok ilyet, pedig ez lenne az egyik legjobb megoldás.

Célom hogy az utánépítéshez Magyarországon könnyen beszerezhető és olcsó alkatrész álljon rendelkezésre. Ha ez nem oldható meg, akkor 8 vagy 16 bites shift regiszterek + PNP tranzisztorok lesznek a befutók, lehet h. kókány, de a forrasztósoknak is meg kell élni valamiből...
(#) gery20 hozzászólása Márc 7, 2010 /
 
Üdv mindenkinek.

Szeretnék segítséget kérni a kijelzőm-höz.

Mivel van elektronika az lenne a kérdés ,hogy tudna ez így ahogy van pc vel LPT porton keresztül vezérelni.

mert szerintem ez így működne de fogalmam sincs hogy kötöm a pc-hez.

valaki segítsen meg köszönöm neki.

Ha kel még kép vagy valmi adat akor teszek fel.
(#) zombee válasza gery20 hozzászólására (») Márc 7, 2010 /
 
Helloka!

Van egy olyan perverz érzésem hogy ezt soha nem fogod se nyomtatóportról, se mikrokontrollerrel meghajtani.

Ugyanis amit a képen látsz, az az egész berendezés(HiFi, TV, erősítő?) központi vezérlője ami egybe van integrálva a VFD vezérlővel, kijelzővel és néhány kezelőszervvel.

Ha el akarod kerülni a forrasztgatást, a vezérlőchipet kell átprogramoznod, amivel akár LPT-ről is vezérelhetővé teheted.
Lefogadom, hogy ez a vezérlő valami egzotikus típus lesz amiről RÉSZLETES adatlapot nem fogsz találni.
Ha mégis, akkor a felprogramozása egy élet munkája lesz...

Nekem készülget az univerzális VFD vezérlőm, sajna elég lassan mert SMD-s cuccok(anódmeghajtók) is kellenek...
A kijelző kiforrasztásánál ügyelj, törékeny darab. Ónszippantó(és páka) nélkül neki se állj.
(#) bodgabo válasza zombee hozzászólására (») Márc 7, 2010 /
 
Akkor én szerencsésnek mondhatom magam a méhtelepen guberált VFD-mmel? 2x40 karakteres, a HD44780-hoz hasonlóan működik (saját karaktereket nem sikerült létrehoznom, csak 8bites módban üzemel és néhány különleges karakter helyett másmilyen van ugyanolyan címen). Egy szatyor kacattal (léptetőmotorok, apró mechanikák...) együtt 1500Ftba került.Még konkrét feladatot nem találtam neki, legutóbb RS232-n küldött szöveget írattam ki egy 16F877-essel.
(#) gery20 hozzászólása Márc 7, 2010 /
 
NA igen egy kenwood autó rádió volt egykor.

Van mindenem ami forrasztáshoz kell sőt még gyakorlat is.

A képen van egy kisebb IC ahogy néztem az van közvetlenül kapcsolva a kijelzőhöz.

A hoz viszonyítva a fűtő szálon kívül van 12 láb kijelzőn
a kis IC 16 lába gondolom hogy az a meghajtó.

De azt mondják hogy van olyan program ami tudná a VFD kezelni csak ezen a téren nincs tapasztalatom.

Mert hogy grafikát megjelenés már belese gondolok csak egy pár karakter. Egyel lőre pont elég lenne.

Egzotikus a IC az már biztos mert adatlapot nem találtam talán egy másik vezérlőt kötni rá vagy nem is vezérel semmit



miét kel ennek ilyen bonyolultnak lennie
(#) _JANI_ válasza bodgabo hozzászólására (») Márc 9, 2010 /
 
[OFF] ( PICKit-3 elegáns áttetsző csomagolásban! Nagyon ott van! )
(#) _JANI_ válasza gery20 hozzászólására (») Márc 9, 2010 /
 
A kijelzőről kellene először adatlapot leszedni. Utána a vezérlését más sokkal könnyebb lesz összehozni. (Kimásolni... Felhasználni...) A központi uC-ről meg szinte lehetetlen használható infót találni...
[off] Másik járható út, ha a vezérlő és tápfeszültség lábakat ( bemeneteket) beazonosítod és elkezded a uC-be küldeni az adatokat. Így vagy megtalálod a megfelelő vezérlési módot vagy nem! Ha működik és tudod "programozni", akkor jó. Ha nem éled fel, akkor marad a kijelző cső kitermelése és egy saját meghajtó készítése.
(#) bodgabo válasza _JANI_ hozzászólására (») Márc 9, 2010 /
 
Még nem volt vele problémám, de lehet hogy elég lett volna egy PK2. Csak ugye úgy voltam vele hogy újabb, tovább tart. Az ICD-vel is megszívtam (az első verzió), mire megépítettem az ICD klónt, kijött az újabb mplab, ami már nem támogatta...
(#) zombee válasza bodgabo hozzászólására (») Márc 9, 2010 /
 
Ezért kell AVR-ezni
(#) rockersrac hozzászólása Ápr 12, 2010 /
 
Nekem közelmúltban sikerült egy igen érdekes VFD kijelzőhöz hozzájutni, sok félét láttam már, de ilyet még nem! Ezt szeretném valami mód meghajtani ha lehet! a kijelző típusa Futaba FV385, a meghajtó ic-n meg a következő felirat olvasható: sharp 894 imx itt van két kép a kijelzőről. Mindezt ingyen ,, vettem" vakerán! Jó lenne valamit csinálni belőle!
(#) Frankye válasza rockersrac hozzászólására (») Ápr 12, 2010 /
 
Hát, ezekből a képekből se sokat hámoztunk ki...
(#) zombee válasza Frankye hozzászólására (») Ápr 12, 2010 /
 
Gondolta, majd hívjuk a CTU-t, letisztítja az nekünk 1280x720 - ra...
Következő: »»   12 / 52
Bejelentkezés

Belépés

Hirdetés
XDT.hu
Az oldalon sütiket használunk a helyes működéshez. Bővebb információt az adatvédelmi szabályzatban olvashatsz. Megértettem