Fórum témák
» Több friss téma |
Fórum » PC táp átalakítás
[OFF]Semmi gond nincs, a rendszer, normálisan, a tőle elvártakat teljesíti.
Ahogy a hozzászólást módosítani bírod, úgy törölni is. Ha az illető rájött, hogy jobb lett volna, ha hallgatni, akkor törlődik a hozzászólása. De ha már valaki elkezdett rá válaszolni, akkor Vendégként kezeli. Ez fordul elő akkor is, ha valamit a modik kénytelenek kigyomlálni. Remélem, most már érthetőbb az oldal háttérműködése.
Sziasztok!
kaptam egy nagyáramú +5v,+/-12v os kapcsolómüzemű modul tápegységet. Nagyon preciz, nagyon jó, szeretém is egy fiksz feszültségű labortápnak felhasználni, csak az a problémám vele, hogy az áramhatárolást nem lehet megoldani (áttekinthetetlenül bonyolult..) Az tűnik megoldásnak ha a kemenetekre tennék egy szabályozható áramgenerátort, amin kevés fesz esne, és lehetne az áramot, kis értéktől szabályozni. Van valakinek ötlete erre? üdv..
Hello!
Ötletem lenne, de konkrét megvalósításon még nem gondolkodtam. Az elv.: A kimeneti hurok a terhelésen és egy igencsak kis értékű ellenálláson (pl. 0,1Ohm) záródna. Így az ellenálláson eső feszültség arányos lenne a kimenő árammal. A lényeg: Egy (külön tápról üzemelő ) műv.erősítő kapná meg ezt a jelet, aminek a kimenetét vissza lehetne kötni a PWM verzérlő IC megfelelő kivezetéséhez. (avagy a kimenetről vett feszültségosztó "közös pontjára" kötni) Az áramhatár pedig úgy lenne állítható, hogy a műveleti erősítő visszacsatolását állíthatnád egy potenciométerrel.
Hello!
A helyzet az hogy nem akarok beleavatkozni a táp belső dolgaiba. Ahhoz túl jó... Csak a kimenetek után akarok valamit rakni. Az áram figyelés rendben azt mindenképpen egy műveleti erősítő, és ennek kmenete egy komparátor után egy "áteresztő" P-MOSFET-et zárna le, ami az egész tápot átengedi. Mintegy "elektronikus biztosíték". Akár egy flip-fop kapcsolná, és egyben ez lenne a ki-be kapcsolás is. A be-gomb bekapcsolja, túláram komparátor, vagy ki-gomb kikapcsolja.
Sziasztok!
Szükségem lenne egy nagyonegyszerü kapcsolásra amivel az áram eröséget tudom szabályozni a Pc tápba 1-5 A között. Elöre is köszi
Szerintem pusztán komparátorral nem fog menni a dolog, mert az ki-be kapcsolgatná a kimenetet. AZt viszont meg tudnád vele oldani, hogy lekapcsolja a tápot a beállított érték fölött (de ekkor áramgenerátorról szó sincs, csak kvázi biztosítékként működne, amit lekapcsolás után ki tudnál "nullázni").
[Szerintem pusztán komparátorral nem fog menni a dolog, mert az ki-be kapcsolgatná a kimenetet. ]
igen, én is úgyérzem le kell mondanom az áramgenerátorrol.. ennyi viszont minden képpen kell a füst elkerülésére. Az az igazság, nem vagyok jártas az MOSFET- áramkörök méretezésében, de úgy sejtem itt van a megoldás elásva, ha áramgenerátor jellegű védelmetszeretnék a táp kimenetére. Üdv, és köszönöm a hozzászólásokat..
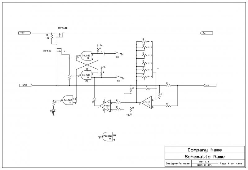
Ha valóban lemondasz az áramgenerátorról (pontosabban áramkorlátról), akkor tudok javasolni egy kapcsolástechnikát.
A képen nincsenek értékek, csak az elvi működést szemlélteti. A kép jobb felső sarkában egy nyomógomb látható, amivel meg lehet szakítani a relé öntartó állapotát.
A relét lomhának gondolom. Ezt gondoltam ki...
A nyomógombbal be-ki kapcsolható, a beállítható túláram értknél kikapcsol. Legalább is ezt gondolom...
Lehet, hogy lomhák, de sokkal egyszerűbb velük a kapcsolás. Nem tudom, hogy mit akarsz a táppal éleszteni, de néhány 10ms alatt szerintem nem sok dolog hal bele a túláramba. Az általam lerajzolt -gyanítom, hogy egyszerűbb- kapcsolásba is tehetsz FET-etet a relé helyett. Egy P és egy N csatornás MOSFET -vel ki lehetne váltani a morze relét.
Sziasztok,
építgettem az "AT-s PC táp átalakítása szimmetrikus feszültségű labortápnak" cikk alapján a labortápot. -a 4-es lábat GND-re kötöttem -átkötöttem a feszültségfigyelést 5V-ból 12V-ba (1-es láb) -az egyes láb fesz oszt. alsó tagjaival párhuzamosan kötöttem a trimmert -kimeneti kondikat kicseréltem Bekapcsoltam, tekergetem a trimmert és mit ad Isten mit nem, működik. A ventillátor is szépen változtatta a feszültséget. Oké, gondoltam kössük át a ventillátort először egy másik ágba. Olvasom a "tippeket trükkök" oldalt (lapot), és ott ír is róla cikk írója. Kimértem a 12-es(VCC) lábát a 494es IC-nek. Stabil 25V-ot mértem (trimmertekergetés mellett). A 12-es lábra rákötöttem egy 7812 in lábát, a ventillátort pedig a 7812 out lábára. A GND-t meg a GND-re. Bekapcsoltam, a ventillátor forog. Megnéztem a 7812-t elég hamar elérte a 60°C-ot. Ahogy változtattam a trimmer értékén a segédtekercs megolvasztotta a szigetelőt és kilehet egy kis füstöt. Levetem a 7812-est (meg a ventillátort), bekapcsoltam, hogy hátha... De az egyik tranyó látványos tűzijátékkal nyugdíjba vonult, mellette megégeteve egy ellenállás társát is. Kezemben az "új" AT-s tápegység. Itt is -12V-os ágra van kötve a FAN. Honnan szerezzek neki tápot? Próbálkozzak ugyaninnen? Vagy valamit félreértettem? Vagy éppen kevés volt a terhelhetősége? (honnan tudhatom meddig terhelhetem?) Segédtápot nem szeretnék bele szerkeszteni. PLS segítsetek
Helló!!!
Valaki meg tudja mondani hogy egy 300W-os Pc táp mekkora áramerősséget képes leadni, hány ampert?
Ilyen az enyém is csak az a kérdés hogy le tudja adni azt a bizonyos 16A-t?
Egy 300W-os erősítőhöz akarom kipróbálni hogy ad-e akkora teljesítményt, hogy jól szóljon
Ödv!
Pedig oda a segédtáp lenne a legjobb... Ha semmi képen sem, akkor pedig szerezz be egy AC230V-os ventillátort, és kösd be azt. Ha nem áll módodban, és elég bátor vagy, akkor (és ezért a többiek fujjozni fognak, meg hát tényleg VESZÉLYES egy kicsit) :felkialtas: : vegyél 3db 3,6kOhm -os ellenállást, egyenként 5W-osat, és kösd őket párhuzamosan. Aztán kösd ezekkel sorba a ventillátort. Az így megmaradó 2 kábelvég kerüljön az egyik nagyfeszültségű puffere)
Köszönöm a választ.
Elgondolkodtam rajta. Ugye ennek a tápegységnek az az alapelve hogy olcsó. Amit szereztem komplett tápegységet az is talán 100Ft volt. E szempont alapján átnéztem a válaszlehetőségeket. A 220V-os motor eszembe nem jutott. Hogy létezhet akkora 220-as... Rákerestem és valóban van. 5cm átmérőjű 1cm vastag. Méretileg kicsit problémás de meglehet oldani. (a régi venti 8cm*2cm kb). ~800Ft. Segédtáp. Gondoltam erre is rákersek. Találtam egy 12V-os 0.2A transzformátort, nem kéne már csak kondi meg dióda. ez is olyan 800Ft körül. 3db 3,6kOhmos ellenállás. Ez a legjobb. ~100Ft. Helyileg beletudnám tenni a táp eredeti nyáklapjába... Miért ellenzi a népség? Milyen gondok léphetnek fel? Valamire figyelnem kell? Ami még eszembejutott, hogy ugye már 2 AT-s tápom van. A másikban is megvan a elsődleges tekercs sértetlen állapotban, a kapcsoló tranzisztorok is... Nem lehetne azzal előállítani a 12V-ot?
De igen, elő lehet azzal is állítani. De most azért beüzemelnél még 1 tápot...? Szerintem fölösleges.
A segédtápot mégolcsóbban ki lehetne hozni szerintem. Kiberhelsz valami régi magnódeckből, videomagnóból, vagy bármi más hulladékból egy transzformátort, és pénzt se kell adni érte. Diódákat úgyszint. De akár komplett táprészt is kiszedhetsz valami kidobott berendezésből. A PC táp ventilátora már 5V-ról is megy, és nálam még a 17V-ot is simán bírja. Ha ragaszkodsz a 12V-hoz, akkor javaslom, hogy egy elromlott DVD lejátszóból szedj ki kapcsolóüzemű tápot, azzal is lehet még bűvészkedni. És hogy mi a gond a 3db 3,6KOhm -os ellenállással...? Az,hogy picit melegedni fognak az ellenállások, ezen kívül érintésvédelmi szempontokból sem túl biztonságos. DE ha betartod a játékszabályokat (Csak földelt konnektorba dugod, és a dobozt is LEFÖLDELED!, nem turkálsz a szétszedett tápba, mikor feszültség alatt van), akkor nem jelent semmilyen veszélyt. Ha ez utóbbi mellett döntesz, akkor ne a nyákra szereld az ellenállásokat, inkább rögzítsd a dobozhoz, így jobban tud majd hűlni. (pl. ragaszd fel) Itt is nagyon vigyázz, hogy galvanikus kapcsolat még véletlenül se jöjjön létre a leföldelt tápdoboz, és az ellenálláslábak között, mert akkor pukkan a diódahíd!
Alkalomadtán kukolj bele.
Minimum 2 trafót találsz bennük. Miért kellenne 20kHz felett 10kg-os trafo ?
Szia
Ugye észrevetted a dátumot?? Idézet: Egy lassan öt évvel ezelőtti hozzászólásra reagáltál. Így nagyon megkevered témát. Kérlek figyelj oda, hogy mikori témára reagálsz! „Nov 13, 2005”
Elnézést, eszembe se jutott a dátum.
A jövőben majd figyelem
Sziasztok,
kinek van ötlete, miért lényegesen kisebb a PFC vasmagja mint a trafóé? Ugyanazt a teljesitményt viszi át mindkettő. (Pedig a PFCre egyenáramú előmágnesezés is jut, tehát már eleve nagyobbra kell méretezni.... és mégis! )
Nem lehet hogy a PFC tekercse csak egy fojtótekercs, ami a felvett áramot simítja ? És a teljesítményt pedig itt a réz viszi, nem a vas.
Tudtommal a PFC egy áteresztő szűrő, ami fázisszöget javít, és a felharmónikusokat nyomja el.
Szevasztok
Szereztem egy atx-es pc tápot. 150W-os, és méretileg kisebb mint egy normál táp, mintha ketté vágtak volna. A 12v-os ágat szeretném terhelni, ez kb. 5 ampert tud. Zöld vezeték feketével összeköt, az egyik táp csatira rákötöttem egy merevlemezt, de sajnos kb. 1-2 másodpercig megy, aztán lekapcsol. rátettem egy kisebb terhelést (merevlemez elektronikát, lapot) működik, bírja. Eközben az egyik kis trafóból sistergés hallatszik. Mikor üzemelt a komplett merevlemez, akkor még erősebb volt ez a hang. Mértem a feszeket 12,2V és 5,2V. Próbáltam külön terhelni az 5 voltos ágat de egyből lekapcsolt, a 12-es szintén. KA7500, és LM339 ic van benne. Mi lehet a gond? A merevlemez nem akkora terhelés szerintem, bírnia kéne.
Helló mindenki!
Lenne egy olyan kérdésem, hogy hogyan lehet átalakítani egy pc táp-ot saját használatra? Egy erősítőt szeretnék vele meghajtani. Tudna valaki segíteni ebben???
Szia!
Igen, tudunk segíteni. Konkrét kérdésre adhatunk választ, de először -ahoz, hogy tudjunk segíteni- némi ismeretre kell szert tenned a témával kapcsolatban! Javaslom, hogy olvasd el a PC táp átalakításáról szóló cikket, ami itt van fent a HE oldalon a "cikkek" menüben.
Üdv!
Szerintem győződj meg róla, hogy nem akar-e túl nagy áramot felvenni a merevlemez. Én azt csinálnám, hogy leterhelném csak az 5V-os kimenetet, pl egy hangszórót tennék rá. (ha így teszel, akkor figyelj arra, hogy a hsz nem lehet rajta sokáig) Ha így sem működik a dolog, akkor mérd végig schottky diódákat, és ellenőrizd puffereket. |
Bejelentkezés
Hirdetés |











