Fórum témák
» Több friss téma |
Fórum » Kutya macska (vad) riasztó
Én sem zárom ki annak a lehetőségét, hogy igaza van. De honnan tudhatnám? El kéne kezdenem kísérletezni, de ehhez idő is kéne, amiből mindig kevés van.
Így van.
De tulajdonképpen jó,amit mike írt,és működik is, csak túl lett lihegve ez a fet/tranzisztor dolog. A lényeg,hogy kell az 555 után az a tranzisztor, hogy igazi meghajtást kapjon a vége. Szerintem tök mindegy hogy mi van utána,mert mindkettő ki van vezérelve. Valamivel talán jobb a fet-es, de a tranzisztoros sem melegszik,én nem teszek rá semmi hűtést. Azt ugye mindenki tudja hogy egy hangfrekis végfok esetében is a mélyhangok szívják meg a tápot nagyon. Egy bumm pl. érzehető tápfesz esést okoz egy graetz hídon a tápban. De itt 22-25kHz-ről van szó. Ha nem gerjed a cucc,akkor folyik mondjuk 200mA, az meg nem sok. Kár erre fet-eket pazarolni. Szóval azzal a megoldással,amit írtam működik a dolog, lesz egy ultrahangos hanggenerátorod. De a dazer az más technika. Ott egy mesterséges gerjedést hoz létre, és a kutya nem a sinusz hangra lesz érzékeny,hanem egy ingadozó frekis,gerjedő hangra. A dazer berezgéséhez a visszacsatoló ág határozza meg a gerjedés frekijét (de nevezhetjük oszcillátor frekinek is), szóval R-C-R tag van (T tag), 2,7k-2,7nF-2,7k. Egy frekit szűr ki a keletkezett frekiből, és azon fogja tartani az oszcillátor frekijét. Ahhoz,hogy a visszacsatolásban megjelenjen egy 20-25kHz közötti jel,ahhoz a piezzo-kistrafó résznek kell rezonenciában lennie. Okés a dolog?
A célom az lenne, hogy minél hatékonyabb kutyariasztót tudjak készíteni. Ennek az egyik összetevője a hangerő, a másik pedig a hullámforma. Ha Dazzer hullámformáját hangosabb kivitelben is el tudnám készíten, akkor az lenne a legjobb, de a trafó beszerzési nehézségek miatt ezt problémásnak tartom. A hangerő növelésével a hatótávolságot lehetne növelni. A Dazzert kifejlesztő cég is biztos kipróbált több variációt, tehát a Dazzert nem tartom rossznak. De a teljesítménye csupán 2-3 W. Én ennek 20-szorosát szeretném előállítani, amire van is elvi lehetőség. Ha a hullámalakot is sikerülne jól meghatározni (és legalább megközelíti Dazzer hatását), akkor összeségében egy jobb riasztót kaphatnék. Ennek valóban egy jelentéktelen pontja ez a FET-s rész, hiszen ha igazam is van, akkor is csak max 20%-t nyerhetek vele. Ennél jelentősebb azonban a fórum címében is feltett kérdés, hogy milyen hangszórót alkalmazzunk. Amit eddig kipróbáltam, azok közül a piezóra ragasztott papírtölcsér vált a legjobban. Ennek mérete azért elriaszt, de talán megvalósítható. De pl. a ha a hangszórónál csak 6 decibel nyereséget sikerül elérni, az teljesítményben 2-szeres (vagy négyszeres?).
Abból a szempontból sincs jelentősége a FET vs. tranzisztor kérdésnek, hogy legfeljebb az 1000mAh-s akku-t nem 4, hanem 5A-rel is meg lehet hajtani. De mindenképp ebben az áramerősségben gondolkodom, a 200mA-t kevésnek tartom.
Még a Dazzerhez annyit, hogy nekem is van egy, csak tönkrement. Azonban az alkatrészeiből kis átalakítással egy fix frekvenciájú áramkört építettem bele, és hagyomány piezót tettem bele (mert a piezó ment tönkre). A fogyasztás kb. 4-5W-ra növekedett. Hatásfoka kb. pont ugyanaz, mint előtte a Dazzer- volt. De az is lehet, hogy a Dazzer nem volt tökéletes, de azt hogyan lehet ellenőrizni? A kutyák reagáltak, csak nem eléggé. Jelenleg is a kis és középtestűekre tökéletesen hat. De a nagytestű kutyákra soha. Ezért próbálkozom új és jobb megoldással. A korábban már jelzett Youtube link szerint
http://www.youtube.com/watch?v=_lKTdHw-Q0M&NR=1, létezik nagyon jó hatásfokú eszköz is, az enyém messze nem ilyen jó. Azért foglalkozom a dologgal, mert olyan negatív személyes élményem volt a kutyákkal, ami nem volt kellemes. Én a kutyákat nem szeretém bántani, hisz általában minden kutyának van gazdája, aki lelkileg kötődik hozzá. Ezért tartanám jónak az ultrahangos megoldást, mert ez egyáltalán nem ártalmas a kutyára, és talán mégis sikerül megvédenem magam, ha kell.
És íme egy másik link, ami nem a Dazzer, és 555-össel működik, és úgy látom, hogy fix frekvenciával. A képet mellékeltem.
http://electroschematics.com/37/electronic-dog-repellent-dog-chaser...matic/ Ha jól látom, akkor a piezó 108V-os 30kHz-es színuszos feszültséggel van meghajtva. Mivel az 555-ös kimenetém max 200mA jöhet ki 50%kitöltöttséggel ez max 100mA, és a táp felirata szerint is csak 100mA a fogyasztása, tehát kisebb, mint 1 W. A trafó nélküli hídkapcsolással csak 24V lenne elérhető, tehát ez azt igazolja, hogy a trafóra szükség lesz.
Ezt most mindenkitől kérdezném. Hol lehetne ilyen ultrahangú hagszórókból válogatni? Egyáltalán lehet ilyet kapni Magyarosrszágon valahol?
http://www.farnell.com/datasheets/81154.pdf
Nézd csak:
ez egy gyári dolog. 20-25KHz között dolgozik, 135dB-es (állítólag). 9V-os elemről működik,tehát nagy amperekben nem kell gondolkodni. Bővebben: Link Nem kell maga után húzni egy autó akkut. ...és nézd meg a hangsugárzóját,nem is nagy darab.
Hiába szeretnél, nem tudsz lebeszélni a nagy amperekről. Ettől függetlenül, aki nem akar nagyot és drágát építeni, az megépítheti kicsiben is azt, amit leírtam, persze csak akkor, ha majd működni is fog.
Közben találtam egy linket, ahol magyarul lehet ultrahangú hangszórót rendelni. Fogalmam sincs, hogy mi ez a cég, de minden hangszóró technikai adatait is közlik pdf-ben. Érdemes csemegézni. Átmérő, hatásfok, stb. Sajnos a maximális teljesítményt, vagy feszültséget nem közlik, de azért nem rossz. http://hu.farnell.com/jsp/search/browse.jsp?N=1004318+215843+486708...gId%3D
Aha! Néztem. Az ST az adó, SR a vevő.
Találtam itthon egy ultrahangos kütyüt,mindjárt szédszedem hogy mi van benne. Amúgy vannak ötleteim,hogy miben használtak még ilyet tucatszámra és azóta ezek mennek a kukába + a szeméttelepre.
Előbb tévesen írtam, hogy nincs max fesz. A mellékelt példában ez 20Vrms. De a max teljesítmény tényleg nincs megadva.
Gondolom ultrahangos mozgásérzékelőkben használják ezeket. Miben még? Ha nem kéne nekem akkora nagy teljesítmény, akkor a hatásfokuk miatt ideálisnak tűnnek. Bár csak 25kHz-n teljesít jól, de 20kHz alatt drasztikusan esik a hatásfoka. De ez nem feltétlenül baj. 25 kHz is lehet jó, ha elég hangos.
A 25KHz szerintem nem jó. Ki van hangolva arra a frekire,nézd meg az impedancia görbéjét.
A teljesítmény meg van adva minden típushoz, csak dB-ben. 112dB, az elég jó ám. Ha kettőt teszel párhuzamosan,akkor még több teljesítményed lehet (ha nagyobb a meghajtó kraft is).
Igen, az gyakorlatilag csak fix frekvenciás alkalmazásra jó.
A Dazzer-ben TP-89-t alkalmaznak. De neten nincs nyoma, így a paramétereit sem lehet tudni. Lehet, hogy belső felesztés, kereskedelmi forgalomba csak a kész termék került. http://www.bsselektronika.hu/index.php?id=82
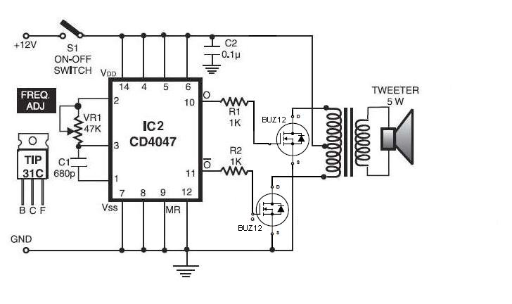
Találtam egy kb. 5W-os kapcsolást. A transzisztorokat itt is FET-re cserélném. A freki fix, de potival változtatható. A trafót itt is nehézkes beszerezni, el kell készíteni. Nem fogom, inkább csak az elv a lényeg. Viszont nem kell a FET rövidzárlatától tartani. Ez a megoldás ezért tetszetős. A 4047-es IC-t viszont nem ismerem, de a az 555-nél is kevesebb alkatrészt igényel. Hátha lehetne ebből is ultrahangú szirénát építeni.
http://electroschematics.com/2570/ultrasonic-pest-repeller-circuit/
Íme egy 100W-os ultrahang generátor 70$-ért (sajnos kapcsolási rajz nincs).
10kHz és 50kHz között változtatható. http://www.ecrater.com/product.php?pid=5640802 És itt van hozzá hangszóró is 4db szintén 70$-ért: http://www.ecrater.com/product.php?pid=2073800 Vagy már 39$-ért is van http://www.ecrater.com/product.php?pid=2073706
Igen, ez a technika nálam ismert.Amikor még nem jöttek be külföldről az autós végfokok,akkor én gyártottam trafós végfokokat.Itt az áramerősítés a lényeg. A trafón nagy áramot hajtasz át. Kijött nálam 50W lazán BD249-250 párral a végén. Melegedett,de szólt rendesen.Ha így gondokodsz,akkor adhatok neked elé egy pofon egyszerű ultrahang generátor rajzot.Tehát a dolog működik,de combos végfokot kell tenni utána.
Bár elméletileg a trafó szűkíti ám az átviteli sávot. Tehát méréssel én nem tudnám alátámasztani,hogy a trafós végfokok átviszik az ultrahangot a gyakorlatban. Akkor inkább lehetne keresni olyan kis végfok ic-t,ami még 25KHz-ig dolgozik. Pl. TA8225-re tippelnék,hogy talán....Mérni kellene. Generátorból jelet neki és mérni hogy mi jön ki. Ha nagyobb teljesítményben gondolkodsz,akkor a piezzonak is el kellene viselnie.Ez a készülék összméretét nézve nem lesz akkora,mint a dazer.
Nam akarok nagy méretű készüléket tervezni és építeni. Ám aki otthon a szomszéd ugató kutyái ellen akar ilyet építeni, annak ideális lehet a linkelt erősítő.
Szerintem egy kézi kutyariasztóba is elfér 50 W. Az aksi 4 db mobil aksi. Az IC-s ultrahangú sziréna nyilván elfér. A végfog is eltér, mert két hűtés nélküli FET elég. Ellentétben az erősítőkkel, ahol félig nyitott állapotok is vannak, és jelentős teljesítményt disszipál a FET, én négyszög jellel számolnék, ahol vagy nyit, vagy zár. De egyik esetben sem melegszik, mivel csupán 28mOhm a FET ellenállása. Tehát nem kell hűteni. Továbbá nem kell figyelni a linearitásra sem, tehát kevés alkatrész is elég. A trafót ki lehetne nyerni talán kapcsolóüzemű számítógép tápegységből. Ezek a trafók gyárilag több kHz-es működésre vannak tervezve, és nem melegednek. Talán 20kHz körül is jó tulajdonságai vannak. Én a legnagyobb problémát a hangszóróban látom, amiről a fórum címe is szól. Szerintem egy átlag piezó ezen afrekvencián 10W-ot kibír. Tehát 5 piezó elég, ami azért még szintén elhelyezhető. Azonban ha már ragasztok rá papírtölcsért, amivel a hangerő növelhető, akkor már elég nehezen férek el.
Ez figyelemre méltó IC. Talán ezzel is csökkenthető a helyigény és az építési munkaidő.
Egy kicsit visszatérnék az egyik régebbi válaszodra. Ebben is arra, hogy a 4013-tól kattogott az áramkör. Ugyanis ha mégis meg tudnánk oldani a kattogásmentes működést, akkor visszahoznám az áramkörbe a 4013-as IC-t, mert a szimmetrikus trafóhoz újra szükség lesz fázisfordításra, azaz a negáltra. És ekkor egy számítókép táp trafóját használhatnám. Mutatok egy másik inverteres példát, ami a RT ék-ben jelent meg valamikor régen. Ebben is pont így használják, ahogy szeretném. Tehát biztos, hogy a 4013-tól kattogott az áramköröd? Más oka nem lehetett?
Azért biztos, ami biztos, megterveztem 4013-sal. Mert ez lenne a legegyszerűbb. Az eredményt mellékeltem. Ebben egy PC kiszerelt táp trafóját alkalmaznék. Ezt viszonylag könnyű beszerezni. Legfeljebb veszek egy régi tápot. Nem lehet több 500 Ft-nál. Kiforrasztani már egyszer sikerült hőlégfúvóval, tehát ez megoldható.
Ez 50Hz-re van és nem hangszóró kimenetre.Ha kattog,akkor itt nem lényeges. Nekem 4017 volt előtte,azzal változtattam a frekit. Azt most nem tudom neked 100%-osan megmondani,hogy a 4017 miatt vagy a 4013 miatt kattogott,de úgy rémlik hogy meghajtottam simán 17 nélkül,és kattogott.
Hát,próba szerencse. Többit pü.
Pü-ben válaszoltam.
Szeretnék még a bemérésről is szólni. Bármilyen kutyariasztónk is legyen, a kimeneti feszültséget ellenőrizni kell. Normál piezó esetén kb. 100V-ra szükség van. Ehhez egy kis kapcsolási rajzot mellékeltem. Ezt a hangszóró helyére kell bekötni, és egyenfeszültséget kell mérni. Ha hangszóróval együtt akarjuk mérni, akkor a 10k helyére 100k, vagy nagyobb ellenállást tehetünk, mert akkor már csak a kondi kisütésére szolgál, álterhelésnek nem. A már említett érzékeny transceder-ek esetén 20V a max, de ezek csak egy nagyon szűk freki tartományban működnek. Ezt követően még a hangszoró mikrofonos bemérés is szükséges lesz. Talán elég a számítógép hangkártyája is, és nem kell oszcilloszkóp.
Mielőtt a teljes áramkört megépítenénk, érdemes a végfokot és a hanszórót a mellékelt egyszerűsített áramkörrel tesztelni, ami egyébként véglegesen is funkciónál kutyariasztóként. Van egy frekvenciaállító gomb. A FET-k miatt a kimeneti teljesítmény akár 100W is lehetne. A transzformátor kb. 1:10 arányú kb. 20kHz-re tervezett legyen. Régi ATX-s számítógép tápjai kb. ilyenek, és akár 200W-ot is átvisznek, de egyelőre nincs benne tapasztalatom. Én ilyennel szeretnék próbálkozni, de aki nem ilyen megalomániás, mint én, és kisebb hangerővel is beéri, az használhatja a korábban már említett megoldásokat.
Ha ez már működik, akkor a haggenerátort ki lehet cserélni ultrahangú szirénára, amit írtam, vagy akár más hangforrásra is.
A trafót bontásból talán kevesebb munkával is elő lehet állítani.
ATX-es tápból, vagy egy kis szirénából. Az első nagyobb teljesítményre képes, de nagyobb méretű is, a második viszont kis helyen elfér, tehát bárhová beépíthertő. Lásd a mellékelt képeket.
Tisztelt EBRIASZTÓ-t épitők!
Segitségüket kérem olyan kereskedelmi forrás megjelölésében,ahol kb 30négyzetcentiméter sugárzó felületü, 10-20Hz infrahang /0,1W/négyzetcentiméter/ lesugárzására képes infrahangsugárzó piezoelektromos kerámia lenne beszerezhető! Ha létezik ilyen??? Nagyon fáj a lába egy nyugdijas villamosmérnöknek és a 3 millió forintos fizikoterápiás készüléket nem tudja megvenni a minimálnyugdijjából,de csinálni tud ilyet,ha volna alkatrész. Minden tanácsot előre is köszön!
Ami neked kellene, az nem ultrahang tartományú hangszóró.Nem piezzo.Létezik ilyen hangszóró,nem is annyira drága.Az erősítő is megoldható.Kérdés,hogy ténylegesen milyen frekvencia szükségeltetik és milyen impulzus sűrűséggel, valamint milyen jelformával?
Nem levegőbe,hanem emberi testbe/folyadék/ vazelin csatolással kell 10-20 Hz infrahang tartományú hangnyomást juttatni,viszonylag kis energiasürüséggel,0,1W/cm2
A jelalak közömbös. A villamos jelforrás meglévő függvénygenerátor.Változtatható,frekvencia: 0,01Hz-től ,amplitudó,jelalak.Modulálható. A testbe jutó hanghullám a vérkeringést javitja /sonoterápia/ Gyárilag létezik ilyen piezoelektromos jelátalakitó,de a fejet nem árulják külön. A Készülék 3 millió forint. Gondolkozom magnetostrikciós átalakitóról is, de ilyen alacsony frekvencián óriási méretek adódnak /nikkel lemez.ferroscube kerámia,stb/ Piezoelektromos kerámia természetesen nem ultrahang tartományba való kell,éppen ez a probléma. A gyári fejet is elkészitették valahogy valamiből,de az óriási ár és üzlet miatt titokban tartják. Ha tudsz valami hozzáférhetőséget,irodalmat,nagyon megköszönném.
Szerintem az nem piezzo lehet. Inkább dinamikus elven működő holmi. Inkább privátban a többi.
Annak kellene utánajárni,hogy milyen jelalak jöhet ki a gyáriból.
Ma láttam a FEJET ! Kb 80 mm átmérőjü hengeres tok aluminium lappal lezárva,ezt kenik be vazelin csatoló géllel és szoritják rá a beteg talpára. Magassága kb 60 mm. Három darab ! piezoelektromos kerámia van benne. A magasságból itélve,- vastagságrezgő nem lehet 10Hz-en!
A jelalakot oszcilloszkópon még nem sikerült megnézni,de rajta vagyok! Állitólag változó növekvő frekvenciasorozat sweepeve. Éles frekvenciakarakterisztikájú kerámia hogy tud változó frekvenciáju jelsorozatot átvinni ilyen alacsony frekvenciatartományban azt nem tudom. Lehet,hogy valaki tudja!? Lehet hogy a kerámiák annyira csillapitva vannak,hogy laposabb lesz a karakterisztikájuk és egymást követik frekvenciában ,igy adva ki egy lapos,szélesebb sávot,ahogy a TV Kf-et hangoljuk? Ulrahangos tisztitóban a folyadék kád aljára hasonló kerámia van felragasztva,de az is 20kHz körül müködik. Várom az ötleteket,de kizárólag piezokerámiára,mert ez a rendszer biológiailag orvosilag bizonyitottan müködik.Több száz beteg úszta meg a lábamputációt segitségével! |
Bejelentkezés
Hirdetés |














