Fórum témák
» Több friss téma |
Fórum » Labortápegység készítése
Szia. A kapcsolási rajz és méretezési példák a alkatrész adatlapjában megtalálhatók...
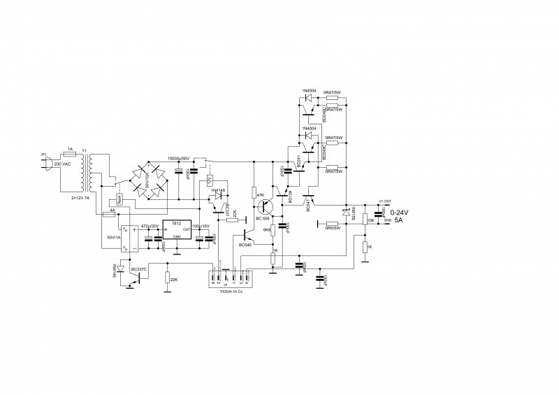
De vegyük csak szépen sorba a feltételeket: 1: Kell egy 22V (24V) KB: 40VA-s transzformátor. 2: 1.5-2A graetz-híd. S 2000-4700µF-os kondenzátor (ami legalább 50V os legyen!) + 100nK-os kondenzátor a nagyfrekvenciás szűrés miatt. Így már készen is lesz a NYERS tápegység - 30V DC (33V DC) tápfeszültség. Az LM317 bemenő feszültsége legalább 3V-al legyen nagyobb a (MAX) kimenő feszültségnél! Ez a jelen esetben bőven teljesül. 3: Az LM317-es adatlapot alapul véve meg kell határozni a szükséges alkatrészeket (R1; R2), kondik és védődiódák... Valamint az elvi kapcsolást. PL: a 10. oldalon a Idézet: „FIGURE3.” S Az ott található képletet alapul véve kiszámolod az R1 = 240ohm (+100ohm TRIMMER); R2 = 4.7K lineáris potm. értékeket. Ha ezekkel az értékekkel elkészíted a tápegységet akkor nem hiszem hogy gondod lesz. Ja Az LM317-est feltétlen tedd hűtőbordára! Sok sikert a projekthez!
Kicsit megkésve de... :peace: Opsz, az adatlap lemadradt...
Sziasztok!
Ma délután meg építettem ezt a kapcsolást de nem működik. A bemeneten 35V a kimeneten akár hogyan szabályzom 27V van. Szerintetek mi lehet a hiba? Működőképes ez a kapcsolás szerintetek? Kérnék ebben segítséget. Köszönöm előre is!Bővebben: Link
Szia, ez működő képes kapcsolás, igaz nem profi, de szabályozni szabályoz. Én megmérném a potit rendesen szabályoz e, illetve a felső diódát is jó e, és rendesen van e bekötve, ha ezek jók, és biztos jól vannak bekötve, akkor megvizsgálnám az LM- ic-t, simán graezt-pufferre kötve a bemenetet, a föld lábat simán a földre és megmérném a kimenetet. Ha minden alkatrésze jó, akkor valamit elkötöttél.
Üdv.
Köszönöm a segítséget így fogok eljárni az ügyben.
Hello!
Annyit még hozzátennék, hogy az ábrával szemben ennek a kimenő feszültsége ezekkel az alkatrészekkel számolva nem 33V, csak 1,2V..25V körüli értéket fog felvenni. üdv! proli007
Hát . Proli mester, tudod, egy élő TINA-hoz én kevés vagyok, maximum irány elveket tudok mutatni
Azért 37 erőműben, az 37 év.
Sebaj!
Csak addig kellene el jutni, hogy szabályozzon.Majd holnap meg teszem amit ajánlottál. Köszönöm!
Üdv. Mindenkinek! Meg építettem az Attila86 féle labortápot! Aztán pár nappal ezelőtt közölt hibát megoldatom! Most már működik táp
képeket teszek fel de még nincs készen mivel még egy lesz belőle! Volna egy olyan kérdésem hogy mi a szerepe annak két színű LED-nek! Hogy ha bekapcsolom kimeneti kapcsolót akkor zölden ha kikapcsolom akkor pirosan világít??? Mert nekem minden megy a tápon csak éppen a az LED nem világít amúgy meg minden okés vele! Segítséget előre is köszönöm!
szia
Csak annyi szerepe van a két színű lednek, hogy jelzi hogy a kimenet éppen be van -e kapcsolva vagy sem. Tehát a "ki" nevezetú sorkapcson megjelenik-e a fesz. vagy sem! Egyébként jó dolog hogy külön kapcsolót rakott rá Attila mert így legalább ha molyolsz a kapcsolással, vagy épp feszültséget álíítasz be és már csatlakoztattad rá a kapcsolásodat, nem kell mindíg lehúzni a tápról, csak egyszerűen lekapcsolod a kapcsolót.
Kétszínű ledből létezik közös Anódos, meg közös Katódos.
Erre odafigyeltél?
Köszi! ezt megnézzem amúgy nagyon jó kis táp épp most van nyuzzó padon 3
órás üzemekkel adott feszültségen meg áram erősségen különböző variálásokkal! Eddig nagyon jól helyt ált. most tartok utolsó kísérletnél "ami csövön kifér 24v-os izzókkal terhelve Szerintem sikerrel jár mivel már két órája így is megy van még egy órája! Az állítási lehetőségek finomak! Szóval minden elismerésem tied Attila86! Grat nekem elnyerte tetszésem! Ez a táp
Ezzel maximálisan egyetértek, tényleg remek kis táp! Igaz, a kijelző része nálam az első perctől kezdve nem működött (sajnos), de építettem hozzá egy feszültség- és áramerősség mérő digitális kijelzőt, (a fesz zöld, az áram piros), és így kiválóan működik. Gyakorlatilag elnyűhetetlen!
(Volt, hogy egy fél napra - véletlenül! - rövidzárban volt a kimenete, és olyan is, hogy keményen induktív terhelésekkel járattam, de mindenben remekül helytállt!) Mindenkinek csak ajánlani tudom, szinte "kötelezővé" tenném a megépítését azoknak, akik komolyabban foglalkozni akarnak az elektronikával. Attila: Nagyon köszönjük!
Attila86 a nyákot, és a komplett kijelzőrészt tervezte hozzá az eredeti rajzhoz. A jóságot illetően nincs kétségem, de mivel egyetlen áteresztő elem van benne, ezért egyáltalán nem elnyűhetetlen. 30V/2A a maximális kimeneti határ. ha mondjuk feltételezzük, hogy kb. 35V-ról megy az egész (mert kell némi tartalék), akkor rövidrezárva a kimenetet 35*2=70W-nyi teljesítményt kell hővé alakítani. Ez már túl van azon a határon, amit kényelmesen el tudna diszipálni az a végtranyó. Hangsúlyozom, ez nem hiba, csak egyfajta tervezési koncepció, de azért tudni, kell, hogy hűtés ide, vagy oda, komoly melegre kell számítani. (az eredeti urbános ráadásul 3A-t mond ugyanerre a kapcsolásra).
Erősen gyanakszom, hogy Frenkye, kicsit túloz, mikor félnapos rövidzár elviseléséről ír, kivéve persze ha az áramkorlát jó le volt véve, mert akkor ugye egészen más a helyzet. De ez semmit nem von le a kapcsolás értékéből, ugyanis nem az ilyen szélsőségekre kell használni.
Sziasztok!
Készítettem egy tápegység végfok részt, de kellene egy hozzá értő aki elmondaná, hogy ez működhet-e így?
Köszönöm, ez azért jól esik.
De az a táp Urbán érdeme, én csak nyákot terveztem hozzá. Az nem annyira igaz sajnos hogy elnyűhetetlen... 30V 2A-ig megfelelő méretű bordával és légáramlással igen, de az felett nem!A labortáp II, na az már elég stabil, megbízható és morcos lesz.
Nekem kijelző része is tökéletesen működik! esetleg még gondolkodok rajta hogy egy kicsit meghúzatom tudjon 3A és 40V-ig trafóm bírni fogja az biztos! De én ebből még egyet akarok csinálni és egy dobozba bele tenni és akkor úgy meg van kettős tápom!
Viszont most leltem először örömöm hogy van pákámhoz tűhegyes páka hegy is pontosan a icl7107-es foglalatánál a nyák felőli oldalon na ott pont jól jött ez a hegy
Ha nem is ampert de feszt 40V ig fel akarom tornászni és hogy tudja stabilan a 2A is vele! Amúgy gondolkoztam hogy azért biztonság kedvéért teszek mindkét táp hűtőborjára egy ventilátort amit a te hűtőborda védelmed fog vezérelni azért gondoltam hogy rá teszem mert így ventilátor nem fog mindig zümmögni csak ha egy adott hőfokot elér borda! Ilyen megoldást már láttam Hameg -es tápokba nem tudom hogy azt ki ismeri! nekünk olyanok vannak suliba! Hűtőbordát egy nagy Lenze freki váltó hűtő bordája volt ilyen nagy A4-es borda és annak lesz fele! majd holnap küldök képet róla csak lemerült aksi gépbe!
Alkotó! én egy 24V 40w -os izzóval és mellé még egy két 3w -os párhuzamba hogy két amperig fel vigyem teljesítményt mondom én úgy 3 órát húzattam és jó volt! Hozzá teszem szerintem ennyi elég is volt neki mivel azért nézzük gyakorlati részét! Labortáp általában még ideglenesen üzembe helyezett úgy mond próbákra használják mielőtt még rá lesz kötve trafóra vagy áramkörökkel való kísérletezéshez és ilyesmik! Szóval nem egy non-stop üzemre kész cucc ezt azért érdemes figyelembe venni! De tényleg sok minden múlik egy jó kis trafón meg egy hűtőbordán! Hozzá teszem arra trafóra amire én kötöttem azon nem is melegszik két amper-nál se! Ilyen guberált trafó lehet több szekunderrel régi lemezjátszós hifibe volt vagy mi! De ahogy nézzem egész olyan 200w körüli lehet talán!
Nekem az a véleményem a bordákkal kapcsolatba, hogy ha valaki következetes, akkor lehet csökkenteni a méretet, csak egy példa, az én tápom, 2* 50v 4A , 64v ról jár, azaz 537W fűtés teljes terhelésen, jókora borda kellene, a gyakorlatban ez úgy néz ki, hogy kb 20*10 es bordán van a két panel, és eddig még nem sikerült megsütnöm. Jó persze meglehetne, ez tény, ha rövidzárba hagynám, talán 20 perc alatt megsülne, de eddig még ez nem fordult elő, mivel ha használom a tápot akkor látom mi történik, azt a pár pillanatot amig rövidzárba van, úgyis kibirja, persze lehet hozni példát, hogy "és ha órákig fogok járatni egy nagyobb végfokot" - hát nem fogok, én labortáppal éleszteni szoktam, ami kb 10 perc, majd kap saját tápot, szóval ezért nem fogok hatszor ekkora bordát tenni csakhogy kibirja a 3 napos rövidzárat. Persze nem mondom, hogy mindenki kövesse az én elvemet, sőt, inkább lebeszélek óla mindenkit, csak azt mondom, hogy kis ésszerűséggel, és tudatos használattal lehet spórolni a méreteken.
Persze jönni fog aki majd azt mondja, hogy ez igy butaság, meg inkább a túlméret, az az ő véleménye, ez meg az enyém, az eddigi használat alatt nekem bebizonyította, hogy sosem fogok kivenni a tápomból 2*1V 4A-t két órán keresztül
Nos itt van hűtő borda ezt akarom rá tenni! egyik képen ahol egy piros vonal van ott függőlegesen le lesz vágva és nagyobbik része lesz benne tápba továbbá két ventilátor még hűti bordát! Szerintetek elég lesz két tápegységnek így?
Még egy észre vétel! A Kbu 606 -os grace-re kell hűtő borda mert én azt vettem észre hogy az nagyon melegszik! Mit ajánlotok?
Ma ciheltem épp a labortápomat, mit mondjak azért a 20 kg megfoghatatlan nehéz dobozt nem volt jó cipelni. Kell majd egy másik táp ide de azt egy átalakított számítógép tápból csinálom. Finom zavarmentes munkákra ott a labortáp, ahol meg nem számít arra ez is megteszi majd. Én tennék bele hővédelmet.
Sziasztok!
Segítséget szeretnék kérni abban, hogy meglévő 2x0-25V/0-5A szabályozható labortáppa szeretnék építeni egy túláram védelmet valami egyszerűt és rövidzár védelmet mert sajnos nincs benne. A segítségeket előre is köszönöm! Kapcsolási rajzot szeretnék kérni.
A 0-5A állíthatóság akkor micsoda? Nem az áramkorlát? Ha az, akkor már eleve megvan amit akarsz, ha viszont nem, akkor csak egy max5A-es szabályozatlan áramú tápod van.
Mekkora terhelésnél melegszik?
Mellesleg észrevétel és Graetz!
A táp 0-5A-ig szabályozható. Akkor lehet én írtam rosszul de olyan kellene ami rövidzárnál lekapcsol és az áteresztő tranyó nem megy tönkre, és ha sokáig van terhelve akkor ne süljön meg a tranyó. Ilyet szeretnék mert semmi védelem nincs a labortápban sajnos.
Köszönöm!
Amit már én melegnek érzek és mer enyhén süti kezem az 1A felett van! De ahogy néztem van közepébe lyuk fúrva ennek Graetz-nek! Akkor lehet fel kéne csavarozni bordára de viszont menyire adná át hőt azt nem tudom mivel műanyagaz egész!
Bizony az a furat a hűtőbordára rögzitést szolgálja. Természetesen hővezető pasztával kell bekenni, és igy rögziteni. Amiatt ne aggódj, hogy nem elégséges a hőátadás, csak a hűtőborda felülete legyen elég nagy. A gyártó biztosan méretezte hőátadásra is a tokot, ezzel nem kell foglalkoznod.
|
Bejelentkezés
Hirdetés |




Azért 37 erőműben, az 37 év.

De az a táp Urbán érdeme, én csak nyákot terveztem hozzá. Az nem annyira igaz sajnos hogy elnyűhetetlen... 






