Fórum témák
» Több friss téma |
Fórum » Visszafütyülős kulcstartó
Témaindító: Rendszer, idő: Márc 9, 2006
Megcsináltam még egyszer hátha valamit errontottam....de megint ugyan az az eredmény a kimeneten ami most az r7 r8 csomóponton van stabilan 2.620V -ot mérek...lehet hogy referencia feszülcségnek is jó lenne....van valakinek ötlete vagy esetleg más megvalósítás????
régebben én is próbáltam csak a két első inverteres részt megépíteni, de nekem sem ment...
Üdvözlet minden lelkes kütyüépítőnek.
A www.otto.hu lapon lehet kapni ilyen fütyülő mütyürt egy ezresért. http://www.otto.hu/detail.php?idp=21267
én a multkor vettem valahol 2-300 forintért és még led lámpa is van benne....
amúgy több elemet tettem bele(nem két hanem három gomelemet) belefér az elemtartóba és akkor már nagyon nagyon érzékeny, talán kicsit túlzottan is....
Hát ez az, hogy mindenki valahol vesz, de ha megkérdezem, hol, nem emlékszik rá
Hejhó!
Nekem van egy ilyenem működik is elvileg. elküldöm levélben mert belefér utánvétel csak cím kell. ha kell msn: zamar01@freemail.hu
Esetlek valaki nem nézne bele, hogy mi van benne..????? és ha egy rajzot is tudna csinálni!!!!! Azt az embert mindenki nagyon szeretné!!!!!!! Én adnék neki 50 pontot! Sőt!
egyszerű belenézni, mert átlátszik
egy kicsi panel 1 db ellenállás a hátoldalon és egy cseppentett ic.....made in cina.....ja és a piezzó amúgy én emlékszem, hogy hol vettem: nyári kirándulás alkalmával a sátoraljaújhelyi vonatállomáson...
Ha meg tudom szerezni zamarét, a fiammal kielemeztetem.
![]() A másik nagy kedvencem a szúnyogriasztó, senki nem hallotta a családból a vinnyogását, csak én. Nem tudom milyen frekvencián ment, de megőrültem tőle.
Idézet: „senki nem hallotta a családból a vinnyogását, csak én.” Ugyanez a szitu van itthon is, csak én a TV alapjárati tekercsétől vagyok megőrülve! (Mikor csak készenlétben megy a TV...) Úgyhogy nálam az a mindennapi program, hogy a főkapcsolóval vagyok kénytelen kikapcsolni a TV-t, hogy egyáltalán el tudjak aludni
Az a készenléti üzemmódtól van? Tudtam hogy van ilyen a tv-men, de sosem foglalkoztam vele. Mitől van az hogyha távirányítóval kapcsolom ki akkor néha készenléti üzemben marad? De ha mégegyszer bekapcsolom majd ki, akkor akkor viszont megszünik.
Szerintem a készúléked fészenléti tápegysége gyengélkedik. Eddig minden TV-met a távirányítóval csak kécszenléti helyzetbe lehetett "KI"-kapcsolni. Áramtalanítani meg a készüléken... /Milyentipusú a készülék?/ De ez már egy másik téma lenne....
LG Flatron. De rohadtúl idegesít hogy kikapcsolás után néha úgy zümmög mint egy szúnyog.
Üdv!
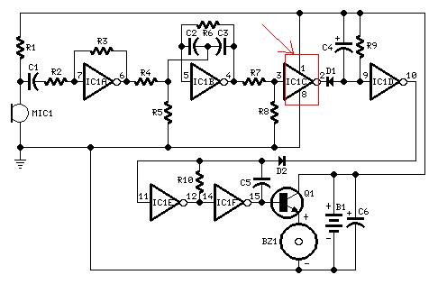
Megcsináltam én is a redcircuits oldalán lévő kapcsolást és eddig nekem se működik.. valaki esetleg jutott vele előbbre?? A kapcsoláson feltünt egy részlet ami nem tudom miért van úgy feltüntetve ahogy.. nemértem hogy az 1-8-as lábak miért vannak jelezve (a 4049 -esben nincs bekötve) és össze vannak -e kötve vagy csak R1 és R8 van összekötve?? Valamint az IC1A és IC1C lábai fel vannak cserélve vagy lehet ez is elírás? Az EAGLE -ben pont fordítva van jelezve, ahol 1-es és 8-as láb szintén nincs jelölve. Kérem valaki aki kicsit jobban ért hozzá segítsen! Köszi Norbi.
Az 1-es láb a vcc a 8-as pedig a vss (táp, föld). Az eagle-ben azért nincs jelölve mert autómatikusan beköti (package-től függően) a vcc és vss hez.
Szerintem nincsenek felcserélve az ic1A és b lábai. Legalábbis a datasheet szerinte. Én is megépítettem a kapcsolást és nekem sem ment.. Aztán vettem kászen egy ilyen kulcstartót.. ![]() Egy kalappal az építgetéshez!
Köszi a gyors választ.
..de mégiscsak némértem , amit csatoltam kép az IC datasheetjéből van és ott az "A" jelölésnél 2-es és 3-as láb van, a "C" nél meg 6-7, a kapcsoláson meg pont fordítva.Ettől függetlenül jelenleg nemjó a panelrajzom, de azért megpróbálom működővé tenni.
Semmi jelentősége nincs, hogy ki melyik kaput hivja A-nak vagy B-nek vagy akárminek.
Egy a lényeg, hogy az adott kapu be és kimeneteit ne cserélgessük el mással mert akkor nem fog mükődni.
Á értem már mit mondasz!!! Először nem esett le. Az teljesen mindegy hogy milyen betűvel van jelöve. Ez csak az inverterek jelölésére szolgál, és minden inverter egyforma. A lényeg hogy a bekötés helyes legyen mármint ami a rajzon ponált bemenet az az inverteren is az legyen.
Egy kérdés: -hogy is köti össze az EAGLE, mert most van egy VCC és egy GND az sch-n de a panelon egy unrouted sincs??
..bocsi közben rájöttem, hogy a library -ben megtudom nézni és kivillant a Vdd nem Vss ..hát van még mit tanulni
Valaki! Aki ért ehhez, Légyszives nézze már át! Nemhiszem, hogy egy ilyen egyszerűnek tünő kapcsolásban olyan nagy hiba lehet!
Légyszives mondja meg valaki hogy működhet -e a rajz alapján egyáltalán? http://www.redcircuits.com//Page29.htm Köszi Norbi.
Upppp!
Nemhiszem el, hogy itt senki nem végzett iskolát Tudom sokan vagyunk amatőrök, de valaki csak megtudná nézni, hogy működne -e! Köszike.
Oda van irva a rajz alá.
"Circuit operation: This device beeps intermittently for about two seconds when a person in a range of around 10 meters emits a whistle. The first two inverters contained in IC1 are used as audio amplifiers. IC1A amplifies consistently the signal picked-up by the small electret-microphone and IC1B acts as a band-pass filter, its frequency being centered at about 1.8KHz. The filter is required in order to select a specific frequency, the whistle's one, stopping other frequencies that would cause undesired beeper operation. IC1C is wired as a Schmitt trigger, squaring the incoming audio signal. IC1D is a 2 second-delay monostable driving the astable formed by IC1E & IC1F. This oscillator generates a 3 to 5Hz square wave feeding Q1 and BZ1, thus providing intermittent beeper operation." ICA - audió erősítőnek használja ICB - 1.8Khz-s szürő ICC - Ha a bemenő fesz elé egy szintet akkor átkapcsol. (Schmitt trigger) ICD - 2 sec késleletetés (2 second-delay monostable driving ) IC1E,F - valami oscillátor féleség. Tehát a bejövő jelet az A rész erősíti a B rész megnézi, hogy megfelelő e a frekvencia. A C rész pedig azt figyeli, hogy nem e valami "zaj" került a bemenetre. Ha zaj akkor vagy nem esik bele az 1.8Khz-s törépontba vagy túl kicsi, és így a schmitt trigger nem tud átbilleni. A végén van még egy késleltetés a visszafütyülés miatt és valami fütty szggató. Rőviden ennyi. Szerintem ezt bárki, még te is kitalálhattad volna. :yes:
Ha valakit még érdekel a téma, akkor ajánlom az alábbi linket:
http://www.electronics-lab.com/projects/misc/002/index.html Talán az oldalon található pcb is használható. Én magam még nem próbáltam, de ha lesz rá alkalmam megépítem.(Hasonlít a red page-en megtaláható kapcsoláshoz, de mégsem ua. Ha valaki megépíti, jelezze h műxik-e?
Megépítettem a redcircuit-es változatot.
A kapcsolás elve a következő: A mikrofon jelét felerősíti, majd egy szűrővel kiszűri a kívánt frekit, de ez a rész hibás !!!, mert minden frekit átenged, ezért a schmitt trigger átbillen, és mindig logikai 1-es szinten van. Ennek következtében az oszcillátor rész szabadon fut, mert az csak akkor állna le, ha a schmitt trigger kimenete logikai 0-át kapcsolna rá a D2-es diódán keresztül.Valakinek van ötlete a szűrőrész kijavítására?
Hello mindenki!
Arra gondoltam hogy én is építenék egy ilyen kulcstartót. Nos két kérdésem lenne: 1.Sikerült valakinek A fenti kapcsolást megépíteni?(végigolvastam a topicot és abból az jött le h nem jó a kapcsolás) 2.Az jutott eszembe hogy azt meg lehetne e vajon oldani hogy pl olyan IC-vel megoldani mint a hanglejátszós ajtócsengőben van megoldani hogy afütyszóra elkezdi lejátszani ami a tárolón van? Ha igen akkor hogyan?
1. : én megoldottam, hogy meg tudtam oldani építeni, de számomra sem volt megoldható, hogy működjön... (
)2: megoldható, hogy meg lehessen oldani a megoldandó dolgot! hogy hogyan? a hanglejátszó ic-t kell beínditani a füttyszóérzékelő áramkörrel.
Szia!
Még nekem se működik, de kaptam egy lehetséges megoldást egy jóbarátomtól, viszont még nem volt időm kipróbálni. Viszont a munkahelyemen vagyok és nem tudom beküldeni a rajzot hogy hol lehet a hiba.. Azért megpróbálom a neten visszakeresni a rajzot hátha fejből is megy. Üdv. Norbi.
Nos talán itt a hiba.. de mint az előbb irtam nem próbáltam még ki.
A kijelölt részen van gáz.. ha jól emléxem a c2-c3 lekötést nem R5 -n keresztül kell földre kötni. |
Bejelentkezés
Hirdetés |








..hát van még mit tanulni
!!!, mert minden frekit átenged, ezért a schmitt trigger átbillen, és mindig logikai 1-es szinten van. Ennek következtében az oszcillátor rész szabadon fut, mert az csak akkor állna le, ha a schmitt trigger kimenete logikai 0-át kapcsolna rá a D2-es diódán keresztül.
