Fórum témák
» Több friss téma |
Fórum » Motorgyújtás
Sziasztok , egy mikrokontrolleres gyújtás építgetek és egy kicsit el akadtam. A tirisztort szeretném vezérelni optocsatolón keresztül de nem tudom eldönteni hogy melyik megoldást válasszam. Az lenne a lényeg hogy a tirisztort minél hamarabb bekapcsoljon és ne függjön a bekapcsolás időtartama a négyszög jel hosszától (amúgy az 1 milliszekundum).Érveket várnék a lefutó vagy felfutó él vezérélés mellet , melyik az elterjedtebb különféle gyári elektronikákba. Linkelem az eltervezett kapcsolásomat de ha van a problémára jobb áramkörötök arra is vevő lennék. Válaszotokat előre is köszönöm .Üdv nyemi.
A felfutó élre vezérlés gyorsabb, mert nem ellenálláson keresztül töltődik a kondi. Kisülni meg van ideje.
Köszi akkor felfutó éllel vezérlésnél maradok és még kérdezném hogy ne fejeljem meg egy tranzisztorral még az optocsatoló tranzisztorát valahogy így.
Ok akkor nem erőltetem. Még egyszer köszönöm. Üdv nyemi.
Sziasztok.Én egy minsk enduro gyújtást tettem egy 250 mz re.Az lenne a gondom h nem tudom bekötni és nem találok rolla egy francos rajzot sem.Esetleg ha tudna valaki minsk vagy riga delta kapcsolási rajzot azt megköszönném mert már csak ez kel hozzá és megy.
A riga delta gyújtás ugyan az mint a minsk - é csak kissebb.Előre is köszi.Sziasztok.(akksi nélküli)
Jó reggelt kedves fórumozók!
Az lenne a kérdésem hogy Simson S51 be hogy lehet a legegyszerűbben átalakítani a megszakítós gyújtást elektronikusra. A motorban nincs se akku se semmilyen elektronika (fesszab, egyenirányító..) Meg lehet-e úgy oldani hogy maga a megszakító legyen a jeladó VAGY inkább intézzek HALL jeladós alaplapot?? Második kérdésem az lenne hogy miért van az hogy az elektronikus gyújtású kapcs rajzokon a trafó 1-es lába megy testre a megszakítósokon meg a 15-ös??? Válaszok jöhetnek ide vagy privátba is ![]() Válaszotokat előre is köszönöm. Üdv
Szia minszk , küldök egy linket itt biztos megtalálod a kapcsolásodat. Kicsit sok anyag(nézd át az egészet, balra vannak a témák) de megpróbáltam a link-kel a áramkörödre mutatni.Orosz motoros képtárÜdv nyemi.
SziasztoK! Üdvözlet minden barkácsolónak!
A következő ügyben szeretnék segítséget kérni: Volna egy Trabantom Hall-IC-s tranzisztoros gyújtással. Igazából semmi bajom nincs vele, de szeretnék fejleszteni rajta (mi lenne a fejlődéssel, ha nem akarnánk túltenni őseinken, még mindig a fán élnénk). Szóba került nagyteljesítményű trafó, CPI trafó, csak az a baj, hogy ezeket nem lehet a Trabi gyújtásával alkalmazni, mert kinyírja a vezérlőrészt. Olyan megoldást szeretnék: 1. CPI trafó hozzáillő vezérléssel 2. nagyteljesítményű trafő szintén hozzá passzoló vezérléssel 3. A gyári trafó egy házilagos nagyobb teljesítményű vezérlőrésszel. A cél az eredetinél jóval nagyobb szikraenergia. Sajnos a legnagyobb problémám, hogy nem vagyok villanyos szakértő, az alapoknál bonyolultabb kérdésekhez nem értek. Persze a gyújtórendszerekkel tisztában vagyok nagyjából. Segítségeteket előre is köszönöm.
Köszi, ismerem ezt a leírást, sőt innen kaptam az ihletet, csak az a baj, hogy ez egytrafós elosztós gyújtáshoz való, nekem meg egy kéttrafós elosztó nélküli megoldás kell. Tehát ezen az illesztő-elektronikán kellene változtatni, vagy kettőt csinálni belőle és megosztani a Hall jelét stb. No ez a bibim.
Hello nyemi. Te zseni vagy
Köszi szépen, megmentettél. Én már kezdtem feladni a reményt h valaha is találok hozzá rajzot. örök hála.
Hello mindenki!
Az érdekelne, hogy egy Babetta tirisztoros gyújtása milyen feszültséget/jelalakot vár a gyújtótekercs felől? (szkóppal 30Vpp felett nem tudtam mérni a tekercs által generált feszültséget, nagyobbat pedig nem merek ráereszteni mert félek megsütöm az elektronikát) Ha valaki tudna segíteni előre köszi a választ!
Helló!
A gyújtótekercs jelalakja szinusz hullámformájú, feszültsége rúgáskor 50-100V közötti, üzem közben 2-300V. A gyújtóelektronikában egyutas egyenirányítás után egy 400-630V-os 1-2µF-os kondenzátort tölt, nincsen semmi más feladata. Egyébként mi célból kérdezed ezt?
Először is köszi a gyors választ!
Mikrokontrolleres üzemóra/fordulatszám/stb funkciókkal ellátott műszert építek, aminek alapjele a gyújtáskábelre feltekert vmilyen vezeték lenne .. Igazából kész is van, de még lenne mit hangolnom rajta, és hogy tesztelés miatt ne kelljen mindig motorhoz rohangálni a cuccal megpróbálom vmi tápegységre kötni a gyújtórészt, hogy "offline" is fejleszthessek Nem tudom mennyire voltam érthető de a lényeg, hogy motor nélkül legyen szikra.. Hi, Szerintem a hall jelét oszd le. A hall vezérlésnél kell úgy alakítani a harangot hogy csak a 1-3;2-4 hengernél zárjon/nyisson. Azt nem tudom hogy lehetne megcsinálni hogy egyszer 1. máskor meg 2. primer tekercset zárja. Hátha lesz itten valakinek valamilyen okos megoldása rá. Szerintem 2db gyújtás modul és egy kéttrafós gyújtótekerccsel hamarabb megvagy.
A Trabi Hall-ja más, mint a négyhengeres négyüteműeké. Nincs szegmentált harang, hanem egy nyitott mágnesgyűrű forog, és a déli póluson nyit, az északin zár. Ezt a jelet osztja a vezérlőrész.
hello!
Aprilia tuareg 125 motoron levő TM 14-05 típusú gyújtóelektronika kapcsolási rajzára lenne szükségem! Nagyon megköszönném ha segítene valaki!
Helló!
Adott (lesz) egy ilyen gyújtáselektronika: Bővebben: Link, és egy talán Yamaha 400 Ohm-os jeladótekercs. Vajon miként lehetne az elektronikához hozzáilleszteni a jeladót? Úgy gondoltam, mint ahogyan ezen a képen is látható, egyszerű ellenállásosztóval: Bővebben: Link, vagy ami Babetta jeladónál bevált: Bővebben: Link. Mi a véleményetek erről, esetleg tudtok más lehetséges megoldást? Krisz
Ha a pozitiv irányú impulzust hasznositod a jeladónál, akkor elég az ellenállásosztó.
Igen, elviekben csak azt kellene hasznosítani. Gyakorlatban pedig majd kiderül, hogy működőképes-e. Az ellenállás értékek maradhatnak? Most nézem, hogy amit én Simsonhoz használtam ellenállást és potit, az ezen a rajzon van feltüntetve: Bővebben: Link, de végülis az eredő ellenállás ugyanaz.
Köszi szépen!
Eszedbe ne jusson megépíteni
![]() Nemrégen volt valamelyik topikba belinkelve egy gyújtás UC38xx IC vel (szerintem te is láttad), na azt lehente használni, már majdnem hibátlan.
Szerintem legyártott néhányat már ebből a verzióból, és fel akarja használni.....
Különben tényleg nem egy csúcs áramkör.
Ahogy Mex írja, készítettem már belőle párat (néhány alkatrész kicsit más értékű), saját motoromon is szolgált 1-1.5 évig, egy másik motoromban is ilyen üzemel, tapasztaltam vele jót is, rosszat is, mégis elégedett vagyok vele.
Próbálkoztam már UC3845-tel, de a trafót nem tudtam jól eltalálni, és emiatt túl nagy áramot vett fel. Szóval maradtam a "bonyolult", rossz hatásfokú (azért üresjárásban 2-300mA áramfelvétellel így is megvan a 300V), ámde megbízhatóan működő változatnál.
Utólag nekem is megfordult a fejemben, hogy Krisz03 már összedobott ilyen verziójú gyújtást.
De hogy édemben is hozzászóljak így csinálnám: (C1 helyére ellenállást is lehetne méretezni (akkor R1 nemkell)) (CDI 6.2-őmhöz, ami flyback rendszerű DC/DC vel van szereve, énis hetekig elmélkedtem a trafón, mire kitaláltam az optimális utat, már csak a tesztre vár.)
Az a helyzet, hogy gond van. Az ellenállásosztóval illesztettem a jeladót az elektronikához, és a 400 Ohm-os jeladóval a potméter semelyik helyzetében sincs szikra. Egy másik, 240 Ohm-os jeladóval is ugyanez a helyzet. A jeladók kétkivezetésesek, egyik testre kötve, másik az elektronikára, majd csere, de nem jó.
A legrosszabb az egészben, hogy ezt nekem távsegítséggel kellene megoldanom, mert nem saját felhasználásra készült az áramkör. Tesztelni sem tudtam még hasonló jeladóval sem, csak Simsonéval, amivel kifogástalanul üzemelt.
Ellenőriztétek csúcsegyenirányítóval, hogy a jeladó kiad-e annyi feszt, ami elég a tirisztor begyújtásához.
A gyújtást leellenőriztétek kézi indítással, egyátalán működik-e?
A gyújtáselektronika jó, mint írtam is, Simson jeladóval (20 Ohm körüli) minden gond nélkül üzemel. A másik jeladónak is jónak kell lennie, bár nem tudom, hogy milyen jellegű gyújtást vezérelt eredetileg (azt hiszem valami kéthengeres kétüteműn volt).
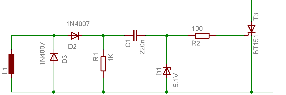
A babetta verziót próbáltad? Alakitsd át, a 22µF-al köss párhuzamosan ~3.3-5.6k ellenállást, a kondi tirisztorra menő kivezetése és a test közé csatlakozó 1k helyett rakj nagyobb értéket (ez is lehet3.3-10k közt), és a kondi pozitiv és a test közé kötött 1k pedig hagyd el.
Nem, azt még nem. Viszont ezzel a módosítással ki fogom. Köszi!
|
Bejelentkezés
Hirdetés |






A riga delta gyújtás ugyan az mint a minsk - é csak kissebb.Előre is köszi.Sziasztok.(akksi nélküli) 






