Fórum témák
» Több friss téma |
Gratulalok Pivi!
Sajnalom hogy nem jott ossze az autoradio, de igy a hifi nagyobb orom lehet. Egesz nap a lokal oszcival buheraltam. Kivettem a lepke reszet a forgokondinak, igy a hullamzas megszunt, de keves volt a jel az egy hurkos kicsatolasnal, szoval most modosithatom az oszcit. Nagyon megszivatott, hogy az oszto tap oldalrol osszeszedett valamit, elemrol jarva stabilan mer de erre tobb ora kellett amig rajottem...Levettem az elejerol a valto muvet, igy nagyon jol forog 10 fordulat a sav. Ket pici forgo kondival lehet beallitani a nyujtast es a sav aljat. A Kf meg nem halt meg a sok kiserletezestol, az elso kevero helyen kiprobalok egy AD981-et a javasolt mosfetes bemenettel. Udv Joe
Szia Gerenk es Mindenki!
Nemi mosolyas okan csatolom a linkeket:Bővebben: LinkBővebben: Link sajat kepeim csusznak egy napot, elnezest erte. Udv: Joe
Ugye! A konzervdoboz, meg egyebek. Milyen jól néz ki!
Köszönök minden árnyékolással kapcsolatos infót! Én egyenlőre megtudtam annyit (és még többet is
mint) amennyire jelenleg szükségem van. Üdv: Rascal
Rádiótechnika 1978-08-359: 0,75 W-os 'szardínia' -adó Pierce-oszcillátorral. Azért szardínia, mert szardíniás dobozba készült
Üdv mindenkinek!
Köszönöm neked is szendi001! Most sikerült elkapnom Noaa17-et,Franciaország fölött húzott át.A kép elég rossz állapotú,de majd dolgozok még rajta.Ha felettünk ment volna el,még tűrhető is lehetett volna.
Udv Mindenkinek,
Egy baratomnak levasaltam egy GDO es egy francia projekt nyakot. Remelem hamarabb szolal meg az enyem ![]() Elolvastam az arnyekolas konyvet. Erdekes a melyseget is veszi, az eredmeny roviden: - 0.3-0.8 onozott lemez mindenre jo, -a rezfolia nyakon URH-ra tokeletes, alacsonyabb frekin romlik a tulajdonsaga. -magneses arnyekolasnal az erovonalakat kell elteriteni jellemzoen alakkal. Itt van nehany kevesbe szokvanyos radio konstrukcio, a muterheles kepe a hibas winyon van sajnos: -AM /CW SSB vevo -CW ado, kulso DDS el (kulso doboza meg nincs) -91 EK Dr. Hetenyi fele wobbler, tap reszevel szivtam, ezert most pihen Udv Joe
Tedd ele a preszelektort, tuti segit valamennyit rajta, aztan ha azzal szuper, akkor tennek tav erositot az antenna tovebe. Lehet h. megsporolsz nehany kort igy.
A srac TDA7000 jevel csodat tett az az egy fet...Udv Joe
Igen, kell az előerősítő. Én gyakorlatból tudom, hogy rengeteget lendít az ügyön. A hangfrekvenciás földhurokra (brumm) viszont ügyelni kell, mert csúnyán megmodulálja a hangfrekis jelet.
Látván a képeket nem is rossz,ez amolyan látvány szerelés szemléltető eszkőznek is jó.Azért azt tudni kell hogy a sörös üditős doboz alu-ból készül nen forrasztható. Vékony ónozott +vas lemezt 0,5mm.töl lehet kapni ferropontnál,kisebb nagyobb városokban egyaránt.Az ára 1-2ez.ft tábla mérete és eladható min.mennyiségtöl függően.
Udv Mindenkinek!
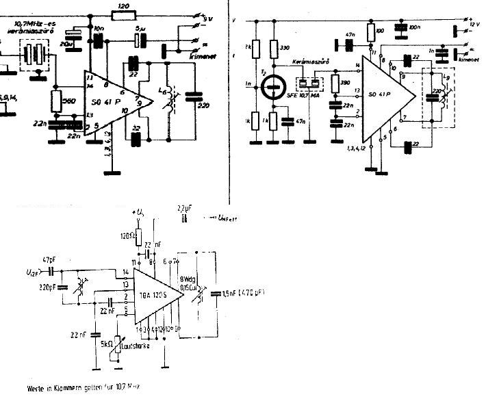
Segitsegeteket szeretnem kerni TBA120 kf ugyben, lasd kep. Mivel a BA icevel felepitett kf-em sokkal jobb, es a csak a nyak tobbszori modositasaval tudtam eletet lehelni a TBA120 verzioba, gondolokdtam hatha hibas a rajz. A rajzon jobb oldalt a bemeneten sorban vannak a kondik a katalogusban sehol, lasd bal abrak. A kimeneten 8. lab az 1 nano itt foldra mig katalogusban es mas helyeken tapra van kotve. a 22 pf et kiveve az erosites csokken (beteve neha gerjed)..., gondolom hasonlo szerepe van, de gyari alkalmazasnal sehol nem lattam. Lehet allitani egy potival a "hangerot" nehany katalogus rajz szerint: ez az alap zajt jelenti vagy a hangot? A bemenetnel levo ellenallast a szuro lezarasanak ertem, 300 ohmtol 1 k ig rajztol fuggon. Lett 3 db tba icm szoval szeretnek vele kiserletezni, tudnatok adni egy referencia rajzot egy fekete-feher tv bol, hogy milyen beallitasokat hasznaltak mondjuk a videotonnal? Sajnos nem ferek hozza. Az tuti nincs elrajzolva a szerkeszto altal... A mostani felallas szerint a vegleges blokkvazlat igy alakul: Dual gate mosfet-so42p ket fetes kulso lokal oszcillatorral, kf trafo, bf199, keramia szuro, tba120 kf tekercsel, hangero, lm386. Lokal oszcinal az egy tranzisztoros oszcik nem valtak be szint miatt, a GDO alapjan epulo hurokkal kicsatolt oszcival probalkozom, megnyujtva a savot. Ezzel szol mint atom. Ugyanezen a vonalon kaphat PLL vagy DDS jelet is. Koszonom elore is! Udv joe
Sziasztok!
Valaki leírhatná hogy mikor kell kiálni a vevővel pontosan Mo-felett.próbára Nooa 16 rossz.?
Szia Atesz!
Nezd meg a par oldallal korabban becsatolt (#593144) tracker programot, tok jol lerajzolja a teljes palyat, meg azt is jelzi, hogy tavcsovel lehet-e latni nappal. Nekem nagyon tetszett, az asszony kovette a muholdakat Gronlandon Tekergess korbe, Kadarist szerint szinte mindig jon egy jel valahol. Udv Joe
Szia!
A NOAA16-os üzemen kívül van. Előrejelzés:Bővebben: Link
Szia!
Először is egy Vidi rajz:Bővebben: Link Itt TBA120U típusú IC van. Ennél az IC változatnál a bemeneti sávszűrő kerámia-rezonátoros. A T-végződésűnél a referencia-rezgőkör is kerámiás. A Sima változat (S) viszont LC rezgőköröket igényel a bemeneten is, és a ref. körben is. Viszont a tapasztalataim szerint a "U"-nál alkalmazott kerámiaszűrős megoldás működik "S"-el is. Valóban van fullextrás feszültségvezérelt (VCA) hangerőszabályzás-funkció az IC-ben. Ezzel a földhurok kialakulását zárjuk ki. A HF-jel így nem megy a hangerőszabályozóra.
Koszonom az infokat!
A T verzioju ic-im vannak valszinu azert halkabb a maplinos radio is. Lsz valamikor U- verzio is, tehat legalabb visszafelekompatibilis lesz. A kepen bekarikaztam egy kicsit furcsa reszt, valoszinu tobb potty van a kelletenel. A bemenete tiszta, a hangeroszabalyozast meg fel kell dolgoznom Udv Joe
Letoltottem a T verzio rajzat. Sajnos ket fele szuro kell hozza, gondolom el van tolva a freki. Nem valoszinu h fogom alkalmazni a T verziot, de a hangero szabalyozas leesett: Referencia taprol ellenallas osztoval lehet a hangerot allitani, tenyleg jo megoldas.
Egyebkent miert nem kis "a" verzonak hivtak U meg T helyett bosszanto kulonbseg szinte ket kulonbozo IC rol van szo...Hamarabb kellett volna kerdeznem. Koszi megegyszer, Joe
A Siemens névadóit kellene megkérdezni, az S, U, T ügyében. Olyan, mint az R,S,T fázis.
Szia Istvan!
Korabban irtad, hogy valahogy lehet hasznalni ezt az ic-t Kf erositesre fm demodulalas nelkul. Egyelore ugy tunik a mostani keszulekben nincs szukseg extra erositesre, de nem lehet ezeket az felesleges T s ic-ket hasznalni AM vagy SSB vevoben egy aranylag egyszeru kf fokozatkent, ha igen hogyan? Kb igy gondolom: Savszur,fet,Ne612, tba120 KF, proukt detektor/AM demod/HF amp, vagy tisztan szint emelesre pl kvarcoszci utan? Igazabol az MC1350 funkciot lehetne kivaltani valahogy. Udv Joe
Köszönöm a kérdést!
Lineáris erősítést ne várj el ettől az IC-től, legalábbis nagyobb jelszintek esetén. Ez egy kifejezetten limiter-típusú erősítő, a jó AM-jel elnyomás miatt. Egy jó FM-demodulátor egyik legfőbb ismérve a nagy AM- elnyomás. A Hálózati zavarok, villámlás kommutátoros motorok nagyrészt amplitúdómodulált zavarokat keltenek. Az FM üzemmód többek között a relatíve nagy zavarérzéketlensége miatt is jó modulációs rendszer. FM kf erősítőnek nagyon jó a "T". A ref. kör egyik ágáról leveheted a felerősített jelet. Viszont a rádióamatőröknek semmi nem akadály:Bővebben: Link
Koszonom Uraim!
A ket link elolvasasa utan ertem miert nem mukodik megfeleloen. Par napom rament a kiserletekre, de igy utolag volt ertelme : Mindig nezd meg az adatlapot Joe!A T verzioban levo ellenallas lerontja az LC rezgokort es vege az egesznek. Tenyleg mukodik, de nagyon halk, es erzeketlen lett. Az volt a fura, hogy valami szolt de rosszul, es bosszanto jelenseg. A belso kompenzacios kapacitasok meg segitenek is, ezert gerjedt kulsovel. A lelemenyesseg tenyleg hatartalan az AM demodulatort nezve, azt hiszem megmaradok a diodanal Erdekessegkent szeretnem megkerdezni, hogy volt e esetleg dolgotok aranydetektoros fm demod- al. Igerem nem iden allok neki, de egyszer kiprobalnam hogy milyen egy vevo kf csak BF199-el. Nehany csoves cuccnal anno lattam, de nem tudtam, hogy mi az. Szep estet: Joe
Ezt az oldalt érdemes megnézni, ha érdekel önálló tranzisztorokból egy komplett FM vevő: Bővebben: Link. Nekem személy szerint ez a kép a kedvencem: Bővebben: Link
Koszi a tippet Szilva!
Egyszer mintha lattam volna, de nem fogtam fel igy mar ertheto. Buta viccen kivul az AM verzioval erdemes lehet foglalkozni, epitettem reflex vevot, de sosem epitettem AM szupert... nem tunik tul bonyolultnak, kf tekercseim is vannak.Ma nagy csodalkozasal talaltam egy nyakot a hitvesi agy alatt levo doboz aljan, ASDA gazdasagos AM FM radio volt. Anno a forgo kondi miatt vettem ami olcsobb volt radioba epitve ![]() Van benne kinai ta2003 smd, az osszes szurojevel egyutt pont az osszessel ami a francia radiobol hetek ota hianyzik. Az ironia, hogy a TBA120T hez is jo a ketfele 10,7 es szuro.Elore latom a hetvegi nagy kiserletezest. A heti gyermeki felismeres tukreben kiprobalom a TBA120T-t is. Agyaltam azon, hogyan tudnam minositen a KF-eket, meg a komplett 137 Megas radiot azon kivul, hogy jol szol... Ossze tudok szerintetek allittani itthon egy olyan merest amivel minositheto lenne a vevo, vagy legalabb a KF? Wobblerem itt nincs.. van helyette szignal, meg hangolo oszci. Az elokort137 re huzom GDO-val, de nem vagyok benne biztos mennyire lapos a gorbeje. Jelzem , magam sem vagyok benne biztos erdemes a merni, ha amugy jol szol. Megneztem a videot az oldalon. Hat oszinten, le a kalappal a koma elott, olyan szelektiv mint allat, ahhoz kepest ami van benne es ahogy ossze van rakva. Bővebben: Link Udv Joe
Az aránydetektor az FM-AM konverziót alkalmazza demodulálásra. Az AM-et aztán már könnyű demodulálni. Eközben hatásos AM-elnyomást is biztosít.
Hasonló felépítésű, de más elvű a fázisdiszkriminátor. Egy kimerítő doksi a témában:Bővebben: Link És egy gyakorlati cikk a születésem évéből, az egyik Ezermesterből:Bővebben: Link
Csak fülre szabad mindig hangolni!
Nekem semmilyen nagyfrekis műszerem nincs, és csináltam már pár rádiót. Persze nem ez a követendő példa, félreértés ne essék. A kedvenceim a szupreg vevők. Két tranzisztor, egy rezgőkör, meg e teljesítményerősítő.
Koszonom Istvan, ki fogom probalni az olvasas utan a kapcsolast. Szerintem elotte utana minden maradhat ahogy volt, szoval elmeletileg 4 derot, aztan majd meglatjuk
![]() Sikerult a lokal oszci, hetvegen teszek fel kepeket az eredmenyekrol. Ma megerkezett a 6.25 Megas kvarc, Igy beta verzios frekimerom szazzal is tud osztani, ami eleg nagy elony lesz. Koszonom Mindekinem a gyors valaszokat! Tenyleg segitett
További sikeres építkezést Józsi! Napról napra mindig várom az újabb fejleményeket, olyan, mint egy jó kis szappanopera
.Ugye nem volt túl erős...
Nem akarok beleszólni,de minek a forgókondi a vevőbe?Csak 137,5MHz et kell fognia a műhold jelét.Behangolod fixre trimmer kondival és kész.Egyébként varicapdiódával 12V-ról akár 80MHz is lehet hangolni,az egyik fetes bemenetű tuneremben ez van. A lokáloszci Bf199 tranyóval megy.
Nem követtem elég figyelmesen a topicot, ezért megkérdezném, hogy a műholdvevőbe nem keskenysávú FM-et kellene építeni? Ezek a KF-FM demodulátor kapcsolások a képen nem keskenysávra lettek kitalálva, bár lehet, hogy a diszkriminátorkör elég nagy "meredekségűvé" méretezésével alkalmasak lehetnek a célra.
A TBA120-at én is nézegettem a múltkor (igaz, én nem műholdvevőt akarok építeni, hanem azt vettem a fejembe, hogy egy szintézeres, "klasszikus" FM vevőt rakok össze), és bizony elég nagy idióta volt az, aki a különböző változatait ugyanazon típusszám, csak más betűjelöléssel hozta ki anno. Ha jól láttam, én TBA120S-et tudok venni, elvileg van róla adatlapom, de gyakorlatban még nem próbáltam. Amit viszont próbáltam, az a uA3089, LA1231, LA1150, AN7224, és van még otthon valamilyen BA (talán 4220?) IC-m is, de az még nem kapott NYÁK-ot. Most az egyszerűség kedvéért az AN7224-gyel megépített KF panelkét használom, mivel ez megy 5V-ról, a szintézert meg PIC-kel oldom meg, tehát az 5V adott. Mivel az FM detektor sarkalatos pontja a diszkriminátortekercs, így azt nem is kívántam magam megcsinálni, kerestem valami gyárit. A következőket találtam és használom: SUMIDA ZMT 2359 ( Bővebben: Link), illetve Goldstar 647-011F (Bővebben: Link). LA1150-nel próbáltam mindkettőt, teljesen jók voltak, azóta a Sumidát tettem minden megépített, kísérleti FM demodulátorba, gond nélkül. A diszkriminátor-rezgőkörrel párhuzamosan kapcsolt ellenállással lehet játszani még. Egyébként itt ragadnám meg az alkalmat, hogy megkérdezzem: NBFM vételt lehet-e megfelelő minőségben elérni úgy, hogy a 10.7MHz-es KF-et használja az ember, csak keskenysávú kerámiaszűrőt tesz a bemenetére, vagy az igazán korrekt megoldás mindenképpen a kétszer kevert, és 455kHz-es második KF-fel dolgozó vevő lenne? Egyáltalán létezik-e megfelelően keskeny sávszélességű kerámiaszűrő 10.7MHz-re? |
Bejelentkezés
Hirdetés |




mint) amennyire jelenleg szükségem van.






: Mindig nezd meg az adatlapot Joe!

pont az osszessel ami a francia radiobol hetek ota hianyzik. Az ironia, hogy a TBA120T hez is jo a ketfele 10,7 es szuro.




