Fórum témák
» Több friss téma |
Ok, értem
És ha pl. tényleg beadja a kulcsot, és úgy döntök hogy "ki a kocsiból", akkor tudnom kell, hogy hogy rakták be annakidején, mit szakítottak meg az indításgátlás érdekében, mit hová kössek vissza az eredeti helyre, vagy az esetleges új távvezérlő és riasztó csatlakozóira. Ebben tudsz segíteni? Köszi : Csabi
köszi ez jó ötlet erre nem is gondoltam
Működik a riasztóm
Érintkezési hiba volt a panelen. Javítottam, most jó. Inhouse ,vovozs , mindent köszönök
A Spal AS80 azért is jó használt autónál, mert megmondja, hogy hány távirnya van ráprogramozva, ha 2 és mindkettő nálad van, más nem tudja elvinni...
Üdv Inhouse
Üdv mindenkinek!
Szeretnék kérni picuri segítséget. Pár napja beleraktam apósom Suzuki Ignis-ébe egy Thunder CCL23-as központi zárat, ami nagyon szuperül működik, csak azt szeretném még megoldani hogy villanjon az index amikor bezár vagy kinyit. Ezzel a tipussal meg lehet oldani? Ha igen akkor hogyan? A táp és a motor vezérlő vezetékeken kívül még 2 drót van rajta ami a riasztót vezérelné ha lenne benne. A segítséget előre is köszönöm!
Nem a riasztó vezérelné a kp zárat azon a 2 vezetéken?
Kell egy relé, és 2 dióda. A relét párhuzamosan kötöd a motorokkal, és plusszt kapcsolsz vele 2 diódán keresztül az index izzókra. Ki és bekapcsolásnál is csak 1-et fog villanni... Üdv Inhouse
Biztosan úgy van ahogy mondod, mert én nem nagyon vágom a riasztós részét. Ráraktam a 12V-ra meg beraktam a motorokat, és itt meg is állt a tudásom. Esetleg a kapcsolást le tudnád rajzolni nekem ha megkérlek, meg hogy milyen relé és dióda kell hozzá?
Azt gondoltam hogy csak egyet fog villanni, de ez nem baj, az a lényeg hogy villanjon. Köszi!
De igen, a riasztó vezérléshez kell.
Használd egészséggel a zárat, amíg még működik.
ÓÓÓÓ....
Nagyon szépen köszönöm a segítséget és a rajzot is! Bocsi hogy ilyen kis értetlen vagyok, de jobb szeretem ha egyértelműen kapom meg az infót mert nem szeretném az após suzukiját elbarmolni. Természetesen ha elkészült a projekt, beszámolok róla. Mostmár csak az index vezetékeit kell elővadásznom... meg a helyet ahol rákötök.... Bonyolultabb ez az ignis mint gondoltam
Keresd konkrétan az index vezetékét, pl. az oldalvillogót...
Üdv Inhouse
Bocsi, hogy beleszólok. De nem lenne egyszerűbb a vészvillogó reléjére rákötni? Kevesebb lenne a munka.
A vészvillogonak nincs reléje, ne vezessük már félre.
Én az indexkapcsolora kötném, könnyen szerelhetö az Ignisen (ugyanaz, mint az Opel)
Elöl megkerestem, tudom is hogy milyen színű, csak még belül nem találtam meg a vezetékeket.... rengeteg drót megy ott...
de ez azért remélem csak idő kérdése lesz.
Szia! A kormányról szedjem le a burkolatot?
Vagy máshol keressem? Bár már megvettem a relét meg a többi cuccot, de vissza tudom vinni, ha nem kell.
Rosszul fogalmaztam az előbb...
Az idex kapcsolóra kössem ami a kormányoszlopon van, vagy máshová?
Igen, oda. A burkolatot kell levenni, pár csavar.
Azt tudod, hogy is működik a legtöbb autóban a vészvillogó?
Egy villogóautomata van az autóban, egy kimenettel...a kormánykapcsoló kapcsolja vagy ide, vagy oda, a vészvillogó kapcsoló meg mindegyikre...hogy is kötöd rá? Üdv Inhouse
A kormányoszlop alatt is jó, csak ott keresni kell. Beleszúrsz egy tesztert, vagy a csatlakozási pontoknál rádugod és amikor indexelsz, akkor felváltva 12V/0V lesz. Lehet, hogy több ilyen pont is lesz. Ha adsz az autóról pontos adatokat, küldök rajzot a vezetékelésről.
Vagy kiviszed a motortérbe a relé kapcsolt pontját (egy db vezeték) és ott a 2 diódán keresztül rákötöd a két oldali indexre... Üdv Inhouse
sziasztok
ma tetettem a vasba egy spal as90es riasztót az automatikus ujraélesedést be tudtam állitani de az hogy a kpzárat is visszazárja azt nem a spal as80as programozási lapot követtem lehet ez a baj? a gép vw golf4 gyári immo -s ha vki tudja mi a megoldás megköszönném
Nekem is zavaros az AS80/AS90, szerintem ugyanaz, megnézem mit találok hozzá...
Én nem szeretem az automatikus részeket bekapcsolni... Üdv Inhouse
Üdv mindenkinek!
Nemrég vettem egy bicskakulcsos riasztó+kp. zár szettet és gond nélkül elsőre sikerült beszerelnem, minden tökéletesen működik. Nem is kellett kérdeznem mert itt a fórumban megtaláltam minden infót. Köszönöm.
szia
köszi közbe utána érdeklödtem a vw konszern autói belsö világitása felkapcsolodik ha ki riasztasz az utólagosan beszerelt riasztó és azt hiszi kinyitottál 1ajtót ezért nem zár vissza a kp zár ezen nem lehet változtatni?
galaxy g-610 egy kis trükkel (amit tud) lazán lekezeli a késleltetett belsővilágítást. ajtószálat a belsővilágításra menübe beállítani a lámpa idejét és voalá müködik... sajna ezt más risztó nem kezeli... csak ha canbuson komonikál a kocsival.... 10-ért vannak can illesztők az is eleég volna neked és arról vennéd le az összes ajtót akkort müködik a visszaélesedés.
Helló!
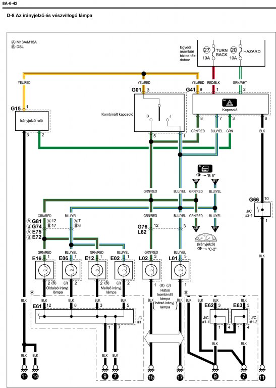
Tegnap este beszereltem a "villantó elektronikát" a kocsiba. Nagyon szépen köszönöm a rajzot,és az instrukciókat. Írtad hogy tudsz rajzot a vezetékezésről, gondoltam gyorsabb lesz ha megkeresem, és meg is találtam a komplett szervízkönyvet, ebből mellékeltem az ide vonatkozó oldalt, ha valakit érdekelne. Leszedtem a kormányborítást, kiszedtem az indexkapcsolót, megtaláltam a vezetékeket, megnéztem az említett rajzot és ekkor láttam meg rajta a kulcsos ajtót meg a két kivezetést. Bebújtam alulra és meg is találtam a csatlakozót amiben ott volt a többi között a két index vezeték is. Tehát nem kellett megbontani a vezetékeket sehol. Ezt azért írtam le, ha esetleg valaki más is Suzuki ignis indexre szeretne csatlakozni akkor könnyebb dolga legyen. Mégegyszer köszönöm a segítséget! De még egy kérdésem lenne: Meg lehet valahogyan hosszabbítani azt az időtartamot amíg áramot kapnak az index lámpák? Pár tized másodperc elég lenne......
Szívesen.
Sejtettem, hogy kevés lesz az idő... ![]() Csak skicc, nem számoltam, de úgyis próbálgatnod kell, mert függ az idő a tranyó bétájától, a relé behúzótekercsének ellenállásától, a relé elengedési feszültségétől. A kondival és a bázisellenállással játssz, lehet, hogy jobb lenne darlington. A kondi ne legyen több ezer mikro, a bázisellenállás ne legyen kisebb ennél... Üdv Inhouse
A saját kocsimnál úgy csináltam meg, hogy a motor jelét loptam meg, az ment a relé kapcsoló száljára. Amikor a motor kapott jelet zárt a relé is.
Lehet, hogy így nem lehet megcsinálni. De nekem ezt senki sem mondta úgyhogy megcsináltam. A lényeg, hogy működik.
Motor van a vészvillogóban?
Vagy miről beszélsz? Inhouse
Na, megnéztem, alapból ki van kapcsolva a visszaélesedéskori ajtózárás, 1.oldal 6.pont, a jobb gommbal lehet bekapcsolni.
Küldök róla 2 oldalt, ami nekem van, ebben a táblázat egy marhaság, gondolom az AS80 szerinti értékek vannak alapra állítva... Üdv Inhouse |
Bejelentkezés
Hirdetés |





de ez azért remélem csak idő kérdése lesz.










