Fórum témák
» Több friss téma |
Nem, a kp zár motorja.
Megint nem néztél szét, ez lett neki elsőre javasolva, csak az a 0.75-1s kevés...
Üdv Inhouse
Igen... picit kevesellem, holnap elmegyek beszerezni az alkatrészeket. Köszi a segítséget, és az újabb rajzot. Még az a jó hogy itt van helyben egy bolt amiben szinte bármilyen elektronikai kütyüt be tudok szerezni.
helló!
Tudna valaki segíteni hogy a központi zárhoz milyen távírányító modult vásároljak ?
Sziasztok!
Ismét előfordul, hogy a Thunder kp-i zár csoda a hátsó (nem vezérlő) ajtókat néha nem nyitja ki teljesen. Talán túl kicsi az impulzus, vagy túl kicsi áramot ad neki? Lehetne ezen egy kondival segíteni? Gábor
djgabi_8 : teljesen mindegy mind kinai, ha márkásat drágábbat veszel ahoz lesz 2 év múlva pót távirányitó és ház is.
gabor83 : valoszínű gyengék hátul a motorok, ha növeled az impulzus hosszát azzal az első motorok élettartamát rövidíted.... többet fog az impulzus végén állni a többi motor és beéggnek majd... vagy külön lerellézed a hátsó motorokat? egy pindurit javíthat nem lesz akkora feszültségesés,meg vastagabb kábel,combos betáp,mind csak próbálkozás kínlódás .... léteznek úgynevezett 30Newtonos motorok pl autron is gyárt(ott) de a két motor annyi lesz mint a 4ajtós thunder szett. itt is előjön hogy különbség van a 20eFt-os és a 6eFT-os központizár közt.
Ha utólagos beszerelés, akkor nem lehet, hogy nem lett igazán jó a beépítés? Valahol szorulhat? Hozzáér a kárpithoz? Túl hosszú pálca, nem párhuzamos pálcák, esetleg lelazult pálcák?
Jártam úgy kp motorral, hogy üresen jó volt, de normál terhelés alatt nem akart jól működni. Sokat kínlódtam vele, mire átraktam egy új motort és azonnal jó lett. Itt ami gyanús, hogy mindkét hátsó egyszerre csinálja, ezért gondoltam a szimmetrikus nem szerencsés beszerelésre... Üdv Inhouse
de beszélhetnénk a kocsi tipusáról is mert vannak olyanok amibe tényleg nem lehet jól beépíteni.
Lehet, hogy igazad lesz.
Elfelejtettem, hogy ennél az ajtónál a pálcát rögzítő csavaros fém elem egyik csavarját nem tudtam becsavarni, mert a menet egy ki-beszerelés után szétment, így a zár pálcájánál is csak 1 csavar tartja. Lehet valahol ilyet külön venni? A probléma egyébként korábban (amikor még nem volt gond a rögzítéssel) is előjött, teljesen véletlenszerűen. Valószínűleg a motor is gyenge, a rögzítés sem tökéletes és talán a vezérléssel is vannak gondok.
Akkor talán ne csodálkozzunk...
Keress egy ilyen céget, aki beszereléssel foglalkozik és ha rendeset fogsz ki, akkor a lomos dobozból akár adhat is neked ilyet... Üdv Inhouse
Sziasztok!
Remélem jó helyre írok. Egy olyan problémával fordulnék hozzátok, hogy van nekem egy Wheels HC 777D típusú riasztóm és ne, veszi a távirányító jelét. Már cseréltem benne 2x elemet és átnéztem, hogy nem-e tápellátási probléma. Ajánlották nekem, hogy húzzam testre a RESET lábat, de ez sem segített. Teszek fel egy pár képet, hátha az többet segít. A válaszokat előre is köszönöm
Még képek
Utolsó 4 kép
Hello!
Köszi a gyors választ. Kipróbáltam és a kulcs csomómon lévő nem reagál, nem futnak a csíkok. Kipróbáltam a tartalék távirányítót, azzal viszont vesz a jeleket. Most el kell mennem, ki is próbálom és megírom az eredményt. Addig is köszönöm a segítséget. üdv. peterkrisz
Hello!
Megoldódott a probléma. Most már működik a tartalék távirányítóval. Azzal annyi volt a probléma, hogy régen az volt használatban és nem volt jó a gombja és ezért nem adta mindig a jelet, de a rosszból átraktam és így már működik.Köszönöm a segítséget. üdv. peterkrisz
Szívesen!
Üdv Inhouse
Szisztok!
Nekem is lenne néhány kérdésem a jelenlévő szakikhoz! Én nem vágom az elektronikát de nagyon tud érdekelni. Szóval a probléma: Racing Type R YH-8502 távirányítós központi zár kb 3 évig teljesített szolgálatot makulátlanul , majd jött a gond: először csak minden második gombnyomásra reagált aztán egyre ritkábban. Elemcsere után az első két kapcsolás azonnal ,aztán másnap már csak a huszadik gombnyomásra kapcsolt (de a sikeres kapcsolat után nyitott-zárt hibátlanul). Eltelt még pár nap és már egyáltalán nem működik. Manuálisan akkor még ment de azóta már az sem. Gondoltam majd ÉN! hát nem. először a kondikat cseréltem ki- semmi, aztán találtam meg ezt a fórumot (Nagyszerű és gratula) itt ismerkedtem meg az alap alkatrészekkel, új lendületet kaptam és cseréltem a tranzisztorokat és a diódákat- hátha, hát nem. Elfogyott az ötlet, hogyan keressem a hibát? - Az számít hogy 1N 4007 GW dióda volt a gyári és 1N 4005 ME volt helyette? TV-s módszer megvolt és a távirányító ok. - Azt hogyan tudom meg ,hogy veszi-e a távirányító jelet a vezérlő vagy nem? Kicsivel korábban volt ez téma de nem értem teljesen vagyis inkább egyáltalán nem. - Hogy működik ez a relé 5-pólus ahogy én látom. Ja és a vezérlő motor az megfőtt de szerintem az már az én barkácsolásom eredménye lehetett, de azt már cseréltem. - Egy tranzisztort nem kaptam az maradt a gyári- lehet az a ludas? (WS 78LOS) biztos lesz még kérdésem de most ennyi jutott eszembe Előre is köszi és üdv: tatyi
Nekem is lenne egy kisebb problémám. Csatolom a képeket is, hogy remélhetőleg mennyen hamar a megoldás. A képen látható centrálzárat akarom csatlakoztatni a vezérlő motorhoz és ott akadtam el. Valami ötlet rá? Csatlakoztattam a "Pozitiv and negativ trigger" szerint csak úgy viszont nem müködik kulcssal az egész cakmak. És persze csak a kétszálas motrokat csatlakoztattam. A vezérlő motorhoz való csatlakozást (5 szálas ) hogyan kell?Üdv
Negativ trigger szerint kösd,és persze a vezérlös motorhoz, vagy az elektronikájához.
Szia!
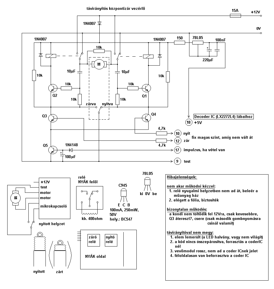
Nem bíztad a véletlenre a kérdést.. Nem fog soha kulccsal kapcsolni. Ez csak azt tudja, hogy van 2 reléje 2 morze érintkezővel. Ahogy bekötöd úgy fog kapcsolni az egyik vagy a másik relé. Nézd meg a képet, kicsit átrajzoltam. Ja, az első rajzon elcsúszott a felirat, mármint az övék, feljebb húztam a helyére. A középsőn meg csak most vettem észre, hogy otthagytak egy test jelzést, az hiba, ott a felirat szerint +12V kell legyen. Javítottam azt is. Bár ez neked nem valószínű, hogy kell... Kell egy rendes kp zár vezérlő, ami a motorok állása szerint kapcsol és ezzel a mostanival azt kell kapcsolnod, így fog menni kulccsal, az ajtón levő gombbal, és a távirányítóval is. Raktam fel régebben egy nagyon egyszerű rajzot, az Uno-mból... Üdv Inhouse
Szia!
Itt a rajza, visszarajzoltam egyet, szerintem a tied is ilyen. A vevőből érkező jelet is meg tudod nézni, hogy érkezik-e? Valamint nézd meg, hogy kondikon meg van-e a feszültség, anélkül nem fog, vagy csak 2-3-dikra kapcsolni. Üdv Inhouse
Nagyon szepen köszönöm a gyors válaszokat. Ez a forum csodákat művel az emberekkel mivelhogy miután leirtam ide az után jöttem ra hogy nekem nincs kp zár vezérlőm.... Elektronikában jártas vagyok szerencsére csak ebben a kp-zár vagyok uj és azt hitttem, hogy ezek az ugyes kicsi kinaiak minden bele pakoltak egy fekete dobozba
. Noh de ket tr-bol, 2 kondiból, egy néhány ellenállásból meg reléből összedobtam regge korán egyet es akkor tényleg a negativ triggerüként müködik az egész dolog. Még egy röpke kérdes Az indexeknek a diodák benne szoktak lenni altalában centrálzár dobozkájában vagy az már extra? :
Szia!
Szívesen. A távirányítósakban van, hogy van rá egy relé, de diódáznod neked kell, mivel egy zárója van. Hát, tulajdonképpen vezérlő a tied is, csak kihagyták belőle azt a részt, ami az 5 vezetékes motorok (ezáltal a zárak) helyzete alapján is vezérel. Melyik kapcsolást építetted meg? Üdv Inhouse
Szia!
Most látom pár kérdés felett elsiklottam... Idézet: „Az számít hogy 1N 4007 GW dióda volt a gyári és 1N 4005 ME volt helyette?” Szerintem ez így jó, de minek cserélted, rossz volt? Idézet: „Hogy működik ez a relé 5-pólus ahogy én látom.” Ezt nem értem... Idézet: „Egy tranzisztort nem kaptam az maradt a gyári- lehet az a ludas? (WS 78LOS)” Az 78L05, és nem tranzisztor, hanem stabilizátor IC. 5V-ot csinál, mérd meg mennyi van a kimenetén! Üdv Inhouse
Na már muszály volt szétszedjem.....annak ellenére hogy igy a garancia elment
. Van belül egy 4-6 A dioda kb (kinézetre) ami az indexek elé vannak kötve szoval én csak simán nyomom rá azokat a jobb meg bal indexre s kalap . A kapcsolást elkészitem Eaglebe s felteszem csak ejsze delütánra marad mert lesz kis dolgom....
Szia!
Ja, bocs, összekevertelek benneteket, kettőtöknek is válaszoltam egyszerre. Igen a te rajzodban látszik, hogy 2 kivezetés megy az indexeknek. Ha 2 van, akkor el vannak választva. Az, hogy külön érintkező, vagy dióda mindegy. Üdv Inhouse |
Bejelentkezés
Hirdetés |
















Azzal annyi volt a probléma, hogy régen az volt használatban és nem volt jó a gombja és ezért nem adta mindig a jelet, de a rosszból átraktam és így már működik.






. Noh de ket tr-bol, 2 kondiból, egy néhány ellenállásból meg reléből összedobtam regge korán egyet es akkor tényleg a negativ triggerüként müködik az egész dolog. Még egy röpke kérdes




