Fórum témák
» Több friss téma |
Fórum » Csöves erősítő készítése
Ne feledd betartani a fórum viselkedési szabályait, és a topik megmaradásának feltételeit. [link]
A téma átmenetileg fagyasztva lett, hozzászólni nem tudsz!
Sose mond, hogy soha!
Én is így gondoltam! Aztán erre a fórumra kerültem és vitt magával az ár!/nem dollár!/ Már én is csodálkozom magamon, hogy miket mívelek!
Sok csöves!
Termelitek ám az oldalakat rendesen! Csak így tovább!
Nagyon jó lett! Olyan mintha gyári lenne.
Az van, hogy a Börzén egy bácsi gyártogat táppanelokat, kimenőket, hálózatikat, , de elég rapszodikusan, éppen olyat, amilyen trafóanyaga van. Múltkor vettem tőle két EL84-hez méretezett kimenőt, Janitól meg kaptam két VT rádióba való trafót. Ebből lett egy duálmonó kialakítású SE, míg most másik két kimenőt vettem, és egy 75VA-es hálózatit. Erre készült a képen is látható panel, ami magában foglalja a tápot, és a két csatornát. De teljesen eltérően szólaltak meg, és ez mérésekre sarkallt. Itt kiderült, hogy nem azonos a két trafó, de ezt előzetesen nem vizsgáltam. Lehetséges, hogy menetzárlatos, mert sokkal kisebb az Rdc-je, az AC az anódon is sokkal kisebb. Persze, a szekunderen is.
Ezért - hogy mégis működjön - kénytelen voltam a maradék TV-trafóimat bevetni. Azzal már minden rendben volt, de sajnos sokkal kisebb a kivehető teljesítmény.
Háát, ez elképesztően szép lett
A dobozt készitője
Köszi a linket, öröm volt végignézni a képeket. Profi munka!
Jó, hogy vannak segítőkész emberek....mert nélkülük...nem jöhetett volna létre.Köszönöm mindenkinek!
Én nem szoktam mondani, hogy soha de igy elnézve ezt a rengeteg munkát, az elkövetkező 400 évben nem lesz Hiragám. Sajnos. De ha nagy hiányérzetem támad meghivatom magamat hozzád. Gratulálok a kitartó, szép,igényes munkáért.
Gratulálok, szép és alapos munka. Látom megadtad, ami jár neki.
A rajzon szereplő feszültségértékeket mennyire pontosan tartottad, a rajzhoz képest kellett-e módosítani valamilyen alkatrészértéket (pl. a korrekciós tagban), vagy pontosan megegyezik a rajzzal minden tekintetben (azért kérdezem, mert pár hete itt heverészik a rajz előttem, és már egészen beleszerelmesedtem, főleg hogy mindenem meg lenne hozzá nagyon jó minőségben, és aktív korrektort csak IC-set meg tranyósat csináltam).
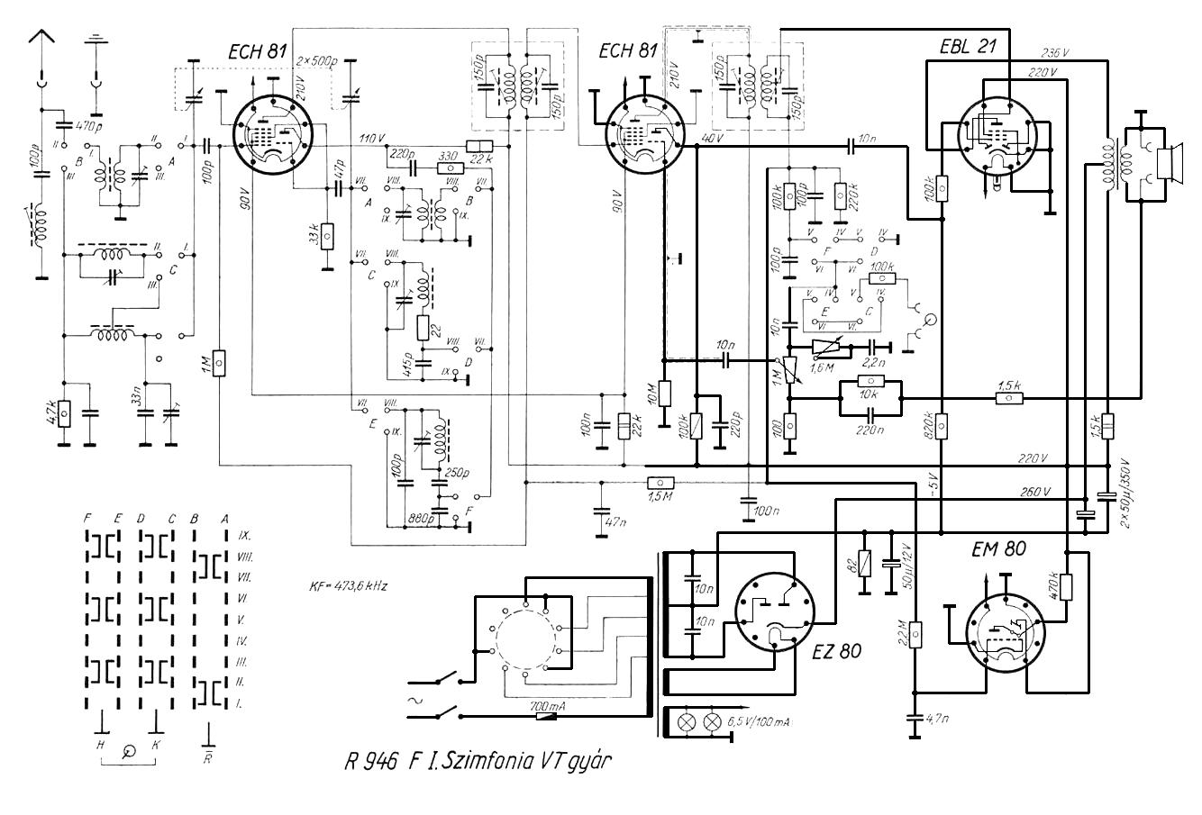
Üdv! Megvan a rádió tipusa ő lenne az! Bár pár dolog eltér gondolok itt kinézetre meg a hangszóró nem ilyen benne, de egyébként egyezik! Lehet, hogy csak felujjítás miatt! Segítene valaki a kapcsolásból kiszedni azt a részt amire nekem szükségem van, vagyis a H.F részét! Van még melette pár darab ecc82 csövem ezekt tudnám használni valamire ehez a kapcsoláshoz? Előerősítés vagy valami!? Nem mai gyártmányok de bontatlanok, ezekből meg is válnék néhánytól!
Jó hogy segíthettem, de ezt ne is emlegessük többet, mert még azt hiszik hogy tényleges segítséget nyújtottam, pedig ez nem igaz.
Köszi! Mindent úgy csináltam, ahogy a rajzon van.
A hálózati fesz nálunk elég labilis. Most olyan 460volt van a 470 helyett az anódon. Próbáltam 350 voltal is de kegyetlen rossz hangja volt. A korrekciója annyira el van találva, hogy behelyettesítettem több olyan kapcsolásba is ami egyébként nem tettszett és csodát művelt vele.
Köszi az infót, még annyit kérdeznék végezetül, hogy a (220-1K)-nak mit raktál az 560 pF-al sorosan, és hogy milyen márkájú ECC83-akat használtál (ha emlékszel rá, azért szét ne szedd ez miatt) ?
Először egy 1K-s potit tettem sorosan 220ohm-al és működés közben állítgattam de nem hallottam semmi különbséget így 510ohm lett.
Tungsram ECC83-HM Az 560pF már kényesebb volt, mert csak kerámiát kaptam. Igaz kijártam egy 2000V-os/AC-t belőle. De nem jobb volna ide valami MKP vagy Stilrol?
Vagy csillám. Mindhárom jó, innentől ízlésfüggő. csak ne kerámia.
Igazán köszönöm!
Nagyon ügyes
(Most már biztos, hogy az enyém sem maradhat a régi dobozában...)
Műszeresen lehet csak rendesen beállítani ezt az ellenállást, a korrekciós görbe magas részét befolyásolja...
De nem jobb volna ide valami MKP vagy Stilrol?-Hát azt csak próbával lehetne eldönteni . Ilyen értékben szerintem egy stabil kivitelű kerámiakondi is jó választás lehet ide.
Az ellenállás nálam 1K-s, az 560pF-os kondi egy 200pF és egy 360 pF stiroflex párhuzamosan, az 1,9nF egy 1,8nF stiro és egy 100pF orosz csillám szintén párhuzamosan, viszont a csöveim nekem is a "HM raktárából" valók
Nem vagyok meggyőződve, hogy illik különböző értékű kondikból kikeverni az eredőt ilyen helyen.
Én a kihúzott részt tuti nem dobnám ki… Csak a "lógó" részeket kell összeapplikálni
Lehet, hogy igazad van, de csak így sikerült megfelelő értékeket találnom. Megmérni az átvitelt akkoriban nem tudtam, azóta meg nem is próbáltam. Tetszett a hangja, hát hallgattam... Hamarosan amúgy is átépítem.
Ma már lényegesen könnyebb megfelelő minőségű kondikat beszerezni. Amikor készült Szombathelyen még a 3Mohm-os ellenállásból sem volt 1%-os tűrésű, a netről meg még nem lehetett rendelni...
Javíts ki, ha tévedek, de az itt található rajzok alapján nekem úgy tűnik az Audio Research is előszeretettel rakja össze a phonóiban párhuzamosan kötött kondikból a szükséges értékeket (a ferkvencia meghatározó tagoknál is).
Távol álljon tőlem, hogy ezekhez hasonlítsam a kreálmányomat, meg mint írtam csak a szügség vitt rá, de úgy tűnik nem teljesen ördögtől való a gondolat ...
Biztosan van oka, de pl az AN inkább kerek értékű kondikat alkalmaz, és az ellenálásokkal variál.
Miért? Mindenki ködösít, de szerintem azért, mert egyszerűen EGYSZERŰBB!!
Ez jó ötlet, már meg is feledkezdtem arról hogy ilyen létezik
Be is szerzek néhány métert jó az máshoz is. De most jutott eszembe, lehet hogy vaslemezből is össze tudnám állítani a keretet, igaz kicsit macerásabb.
Egészen véletlenül én is a börzés bácsitól vettem a trafókat, az egyiknek volt kerete a másiknak nem. Az egyikkel már kipróbáltam a kapcsolást, remélem a másikkal nem lesz baj. Mindenesetre jó olcsó volt a trafó. Te PP trafót vettél vagy SE-hez valót?
|
Bejelentkezés
Hirdetés |


Termelitek ám az oldalakat rendesen!
Csak így tovább!



