Fórum témák

» Több friss téma
Fórum » Tesla tekercs építése
 
Témaindító: finenet, idő: Júl 17, 2006
Lapozás: OK   35 / 227
(#) _BiG_ válasza Collector hozzászólására (») Jan 18, 2010 /
 
Szervusz!

Én számoltam vele a VTTC-nél és bejött. Meg is lehet figyelni, hogy a tekercs alja melegszik (árammaximum), míg a teteje hideg marad (feszültségmaximum) és ott képződik a szikra. Ha félrehangoltam, akkor a tetejénél is jelentkezett a melegedés.

Ha jól hangoltam a rendszert, akkor még ezzel a kétcsöves bővítéssel sem izzadnak a MOT-ok. Pedig volt régebben, amikor 2 perc után forrók voltak a vasak, most negyedórás járatással is elviselhetően melegek csak, annak ellenére, hogy a 3 magnetron-diódából kettőnek a fűtése is róluk megy.

Másik érdekes megfigyelés: a visszacsatoló tekerccsel párhuzamosan kapcsolt 500pF légforgót hangolva, van olyan állapot, amikor ha a szikrához teszek egy fénycsövet, akkor a csőhöz közelebbi szikraköz erőteljes csattogásba (átüt) kezd. De csak a fénycsővel, ha fémrudat, vagy a kezemet teszem a szikrába, nem. Valamit tesz a gázkisülés, hogy energia megy vissza a primerre, méghozzá nem kicsi, mert félcentis közt is átüt, ami kábé 10kV! Nem hegyes a szikraköz, tehát eléggé pontos.
Valami van, de mérni nem tudom, mert ilyen műszerem, ami ezt bírná, nincs. Tán a közelbe tett szkóp-fej. De nem biztos, hogy értékelhető, sőt szinte biztosan nem. De meglátjuk.

Üdv!
(#) Collector válasza _BiG_ hozzászólására (») Jan 18, 2010 /
 
A szekunder oldali feszültség:

Vsz=Vp * sqrt {Lsz / Lp}

Vsz=szekunder oldali feszültség
Vp= primer oldali feszültség
Lsz=szekunder induktivitás
Lp=primer induktivitás.

Igazából itt nincs hullámhossz megemlítve. Bizonyára kis mértékben függhet attól is, de döntően ez a képlet a befolyásoló.
(#) _BiG_ válasza Collector hozzászólására (») Jan 18, 2010 /
 
Mégis, Tesla ügyelt a rezonanciára és kutatásai során talált olyan megoldást is, amikor sokmillió Volt feszültséget állított elő, anélkül, hogy a menetek között átütött volna, pedig nem szigetelte, csak távközzel őket.

Nem beszélve a "hideg elektromosságról" (cold electricity), ami nem ráz, áthatol a szigetelőkön és nagy távolságra továbbítható. Szintén Tesla-megfigyelés. Igaz, nem az általunk is épített tekercs-elrendezéssel érte el.

Hm, igazad van a képlettel, én is találkoztam vele. Viszont a jó működéshez azért jó beállítani, hol legyen a feszültségmaximum. Célszerűen a tekercs tetején.

Üdv!
(#) Collector válasza _BiG_ hozzászólására (») Jan 18, 2010 /
 
De azt nem tudjuk, hogy Tesla miket épített azon kívül amiket szabadalmaztatott. Főleg azért lényeges ez, mert ő alapvetően 2 féle dologra is használta ezeket a tekercsrendszereket, az egyik az, hogy mindenféle centis szigetelések nélkül állítson elő több MV-ot, a másik pedig a rádió és egyéb adók. Na ez utóbbinál már nagyon nem mindegy a huzal hossza. Előbbi esetben sem lehet persze használni találomra értékeket, ezért szokás mindig 1000 menetre vonatkoztatni a normál tesla tekercset. A túl nagynál romlik a csatolás, vagy ha vékony a huzal, akkor átüt meg kigyullad. Ha kevés a menet akkor pedig ismételten túl nagy lesz a csatolás, és megint csak átüt, illetve a primert is eléri.
(#) _BiG_ válasza Collector hozzászólására (») Jan 18, 2010 /
 
Idézet:
„De azt nem tudjuk, hogy Tesla miket épített azon kívül amiket szabadalmaztatott.”

Azért a jegyzeteiből is mazsolázgattak.

De talán mi is variálhatunk kedvünkre, ez nem csak Tesla privilégiuma volt
(#) ekkold válasza Collector hozzászólására (») Jan 18, 2010 /
 
A képlet amit beillesztettél leginkább transzformátorra igaz. Ott az indultivitások a menetszámok négyzetével arányosak, tehát ezek négyzetgyöke a menetszámok arányát adja. A tesla tekercsnél azonban nem (nem csak) a menetszámok aránya határozza meg a szekunder feszültséget... Tehát ez a képlet szerintem sok esetben nem állja meg a helyét. Talán jobban közelíti a valóságot ha a primer oldali rezgőkörben tárolt energiát számoljuk át a szekunder oldalra. Persze némi veszteséget figyelembe véve, mert nem jut át a primerköri kondenzátor összes energiája a szekunder oldalra.
(#) Collector válasza ekkold hozzászólására (») Jan 18, 2010 /
 
Igen, de ott a veszteség és a csatolás is számít, amit csak nagy közelítéssel lehet megállapítani.
Van még egy harmadik képlet is, ami a teljesítményből adja meg a maximális elméleti szikrahosszt. Ezeket átlagolva pontos eredményt kap az ember, ha valóban jól van megépítve a tekercs.
(#) Hodinka hozzászólása Jan 18, 2010 /
 
Trafóolajba tett már valaki tesla secundert?Csak úgy elmélkedem magamban,ugyanis,ha jó minőségű az olaj,szárItásával simán elérhető a mm-enkénti 20KV-os szigetelési szilárdság,de ennek akár háromszorosát is,persze olajtól függően,a hátránya viszont az,hogy a trafóolaj eléggé gyúlékony,egy tesla esetében pedig fojtonos Ivkisülésnek lenne kitéve,de azért elgondolkodtató.
(#) Collector válasza Hodinka hozzászólására (») Jan 18, 2010 /
 
A trafóolaj nem annyira gyúlékony, nekem pl. nem sikerült meggyújtanom . Mit akarsz elérni ezzel a manőverrel? Ugyanis a csatolás, ha túl nagy, akkor már sima trafóként kezd el viselkedni.
(#) Hodinka válasza Collector hozzászólására (») Jan 18, 2010 /
 
Valószinüleg azért nem sikerült meggyujtanod,mert már nem elég „száraz” az olaj,több lett a nedvesség tartalma,az viszont nem jó,mert ezzel együtt esik a szigetelőképessége is,amúgy a célom a szekunderre való több menetszám felvitel let volna,de ez csak egy ötlet.
(#) Hodinka válasza Collector hozzászólására (») Jan 18, 2010 /
 
Ezt a csatolás dolgot meg,hogy érted? Kifejtenéd bővebben.
(#) belganarancs válasza Hodinka hozzászólására (») Jan 21, 2010 /
 
Ezt meg én nem értem egészen, vizesedik az olaj?Vagy csak káprázik a szemem.Valaki világítsa meg elmém ez ügyben.
Szerintem nem szokás tesla szekundert olajba tenni,de meg lehetne oldani úgy,hogy ne legyen kitéve ívkisülésnek az olaj..Kb úgy,mint az autó gyujtótrafó esetében,csak felnagyítva,ott sem találkozik szikra az olajjal.Egy tesla szekundert zárt csőbe tenni és olajjal felönteni kivitelezhető,szerintem ez a legkisebb probléma.Kis méretben szuperálhat,bár meg lehet oldani olaj nélkül is,szerintem szebb megoldás.Aztán egy nagy szekunder olajjal felöntve,nehézkes rögzítés,elszabadulhat és ki tudja hol áll meg s kit hogyan talál megNa,még talán azt is meg lehetne oldani,hogy a szekundert csak kívülről lepje olaj,a szekunder belsejében meg ne legyen egy csepp se,de szvsz. nincs értelme,de hátha valaki kipróbálja majd.
(#) Collector válasza Hodinka hozzászólására (») Jan 21, 2010 /
 
A víz kipárolog belőle ám hő hatására..
A csatolás a primer és szekunder közti 'hatásfok'. Pancsoltathatod olajba a szekundert, de feljebb csatolásban nem mehetsz, mert akkor már transzformátorüzemben működik.
(#) Collector válasza belganarancs hozzászólására (») Jan 21, 2010 /
 
A trafóolaj felvesz nedvességet. Elég sokat.
(#) belganarancs válasza Collector hozzászólására (») Jan 21, 2010 /
 
Hmm.Nem találkoztam még nagyobb mennyiségű trafóolajjal,de érdekesen hangzik.Véleményem szerint a felmelegedett olaj hűlés közben "párásodhat",de hogy vizet kötne meg az fura,bár kémiából nem voltam jó.Most sem vagyok az.
(#) Collector válasza belganarancs hozzászólására (») Jan 21, 2010 /
 
Ez van, ha az olaj nincs levákumozva, és elzárva az atmoszférától telítődik vízzel, és nagyon visszaeshet a szigetelőképessége.
(#) Hodinka válasza Collector hozzászólására (») Jan 21, 2010 /
 
Idézet:
„A víz kipárolog belőle ám hő hatására..”
Hő hatására csak egy bizonyos mennyisége párolog el a felvett nedvességnek,a maradék rész még bőven veszélyes lehet (ellenben meg 100 fok fölött kéne forraltatnod az egészet ahoz,hogy maximálisan kipárologjon belőle), különben meg nem véletlenül használnak minden áramszolgáltatónál szilikogéles olajszárItó berendezéseket,nálunk például volt rá eset,hogy egy 35KV-os olajmegszakItó 120 literes tartálya alján kb egy hónap leforgása alatt 4-5 l vIz is összegyült.
(#) Collector válasza Hodinka hozzászólására (») Jan 21, 2010 /
 
Idézet:
„ellenben meg 100 fok fölött kéne forraltatnod az egészet ahoz,hogy maximálisan kipárologjon belőle”

Hát, nem egészen, mert vákumozva még szobahőmérsékleten is kipárolog
(#) Hodinka válasza Collector hozzászólására (») Jan 22, 2010 /
 
Igen,csak az imént nem irtad le konkrétan,hogy vákum alatti melegItésről van szó
Idézet:
„A víz kipárolog belőle ám hő hatására..”
,amúgy is ilyen szeszfőzde előállItása sokkal kölcségesebb lenne,mint a hagyományos szilikogéles rendszer,de azt meg kell hagyni,hogy egyuttal sokkal effektIvebb megoldás is lenne.
(#) Pseudo hozzászólása Jan 24, 2010 /
 
Sziasztok, üdv mindenkinek!

Lassan nekilátok én is egy coilnak, ha minden úgy alakul..
Kezdésnek egyből adódik a kérdés, hogy milyen trafót használjak a kV-ok előállítására.
Találtam is egy (szerintem talán) megfelelőt.
Egy neontrafóra esett a választásom a következő adatokkal:
Primer: 230V 50Hz 2,43A 285W / Secunder: 5000-E-5000V 50/70mA 500VA
Jól gondolom, hogy ez jó alap lesz tekercshez?
Ez két kimenetes trafó? (5000-E-5000 jelölésből gondolom)
(#) _BiG_ válasza Pseudo hozzászólására (») Jan 24, 2010 /
 
Nagyon helyes

A trafó jó lesz. Nem lesz túl nagy teljesítményű, de kezdetnek nem rossz.
A jelölési dolog nekem se mond sokat, a cucc oldalát kell nézni, hogy hány kimeneti csatlakozó van
De gondolkodjunk.
Tekintve, hogy a leadható áram meg van adva, meg a teljesítmény is, ebből nekem az jön ki, hogy kétszer 5000 Volt sorbakötve, azaz 10000V / 50mA, ha meg 5000-5000 külön, akkor meg 70 mA / ág. De mint mondám, a cucc többet elárul, ha kérdezed

Üdv!
(#) Pseudo hozzászólása Jan 24, 2010 /
 
Köszönöm a megerősítést, még nincs nálam a cucc, de előfordulhat az, hogy 2x5kV sorban? Mert én is gondoltam ilyenre. Neontrafó 10kV-on??
Szükségem lesz még egy forgó szikraközre(sarokcsiszolóra gondoltam), egy kondira(sós vizes palack, vagy PE fólia tekercs), és a tekercsek.
A kondi kapacitását hogy tudom majd hozzálőni a szikraközhöz? Vagy a forgó sebességét igazítsam a kondihoz? Egyáltalán mennyi só kell a vízbe?
(#) _BiG_ válasza Pseudo hozzászólására (») Jan 24, 2010 /
 
Szervusz!

Miért ne lehetne 10kV-os neon? Létezik ilyen.
Ha 10kV igaz, akkor jó helyzetben vagy, lesz elég feszültség a szikraköz biztos átütéséhez.
A szikraközhöz célszerű wolfram elektróda. Vagy réz, de akkor vastagabb kell, célszerűen hűtőborda-profilra esztergálni. Meleg a szikra. Vagy cserélni kell néha.
Arra figyelj, hogy a nagyfesz ne jusson be szegény csiszolóba, mert akkor indiánul kezd beszélni - füstjelekkel

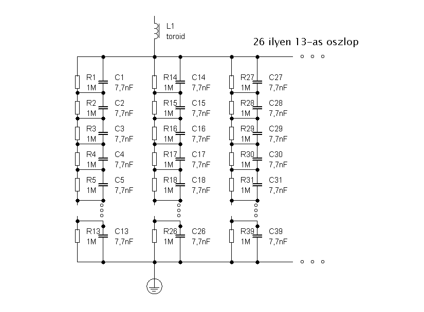
A kondi kapacitását a neontrafóhoz kell igazítani. Ha 50mA/10kV-tal nézzük, akkor az R=200kOhm a kimenő ellenállása. Ehhez passzítani illik a kondenzátor impedanciáját (R=Xc), ami 50Hz-en Xc=1/(2*Pi*f*C)-ből 15,9nF, azaz 15nF jó lesz, nem baj, hogy kisebb. A feszültségtűrése legyen legalább 20kV! Ez a kapacitás kondibankból is megépíthető, Lomexben van 7,7nF/1600V-os kerámia kondi, 200Ft 8db, nekem VTTC-ben működött, de nem tudom Collector szaktárs mit szól hozzá...
Ezekből 13 db sorbakötve ad elég fesztűrést, sajnos így 26 oszlop kell belőlük (15,4nF). 13*26 és 8 db van egy csomagban 200-ért, azaz 8450Ft... Kicsit húzós
A palackos megoldás se rossz, annyi sót tegyél bele, ami csak felvesz. Jó vezetőképesség kell. A vízzel vigyázz, áram van jelen.

Mekkora átmérőjű szekundert szeretnél?
Mivel 500W a teljesítmény, 1:5 átmérő/hossz arányú tekercs jó lesz.
Ha nagyjából megvan az elképzelés, akkor meg lehet állapítani a frekvenciát kábére, majd ebből és a primer kondiból kijön a primer tekercs - persze hangolhatóra készítve. Tetőkapacitás méretezése szintén ide játszik (a szekunder átmérőjétől is függ), a primert ezért is kell hangolhatóra készíteni, hogy a végleges rezonanciát be lehessen állítani.

Üdv!
(#) Pseudo hozzászólása Jan 24, 2010 /
 
Erről a trafóról van szó , de majd ha a kezemben lesz, többet tudok..
Szikraköz nagyjából OK, megoldom.
Engem a kondi nem hagy békén. Értem, hogy össze tudom rakni sok 7,7nF/1600V-osból, 13 sorban, és a 13 sor meg párhuzamosan 26 oszlopban, ha mindent jól értek. Ez a megoldás tökéletesen működik amúgy?
Ez így elég egzakt dolog, amit szeretek. A palackos/fóliatekercses megoldás meg vagy összejön, vagy nem?? Az olyan próba-szerencse alapján megy?
A kondival még várok, amíg meglesz a trafó.
A tekercs méretei.. 120-as PVC szekunder, 0,3-as rézdrót, 1000 menet jó lesz, ha jól informálódom.
A primer meg ehhez passzoló.
(( ))
(#) _BiG_ válasza Pseudo hozzászólására (») Jan 24, 2010 /
 
Szervusz!

Ahogy nézem, az az "e" terminál a földelési hiba-érzékelőhöz a jeladó a szekunder közepén. Azaz a trafód 10kV-os, és okos kivitel
De az e-re nem lesz szükséged.

Ja, amit nem mondtam, kéne fix, 3 elektródás (a középső földelt) szikraköz a neon trafó kimenete és a primer közé, ami biztosan és éppen nem szólal meg a 10 kV-tól, hogy védd a trafót a teslától. Ha visszarúg a primerre és az vissza a trafóra, annak reszeltek. És a neontrafó primerébe kell EMI-szűrő, hogy a többi elektromos cuccot is védd a hálózatban. Egy mikróból kitermelt szűrő jó ide.

A kondibank kinézetét azért megadom, bár jól látod.
A kondikkal párhuzamosan 1MOhm-os ellenállások vannak (legyenek 1W-osak legalább, nem az áram, hanem a feszültségtűrés miatt), részben kisütési céllal (bleeder), részben az egyenletes feszültség-eloszlást szolgálják. A toroidot egy barátom kondibankján láttam, azt mondta, hogy védi ezzel. Kis, számítógép-tápba való 2-3 centis toroid, pár menet rajta.

A palackot számolni kell, a fegyverzetek felületéből, az üveg vastagságából és az üveg dielektromos állandójából. Hátrány a nehéz méricskélés, számolgatás, a vizes közeg és az áramütés elválaszthatatlan "barátsága" és az üveg viszonylag nagy vesztesége. Azután a sós víz nem egy rézdrót ellenállásilag, az ionos vezetés meg rosszabb, mint az elektronok általi.

Előnye: olcsó. Ha sörösüveget használsz, akkor a tartalmát élvezheted, főleg nyáron jó dolog , aztán a könnyű hangolás, mert a vízszint állításával a kapacitás fokozatmentesen szabályozható. Már ha kisütötted előtte. Különben nagyot fogsz ugrani...

A szekunder-cső okés, de előbb jól szárítsd ki. Tedd rá pár napra a radiátorra. Ugyanis a PVC fel tud venni egy kevés nedvességet. Amúgy se a legjobb nagyfrekis anyag (nagy a vesztesége), ne rontsuk.
A 0,3 helyett javasolnék 0,5-öt vagy 0,6-ot. Kellemesebb tekercselni, a vastagabb drót kisebb veszteségű. Az én szekunderem 0,3-as, szegény nehezebben birkózik a két rászabadult GU81-gyel. De ez van, ilyet tudtam szerezni.


Mondjuk a 0,5-ös huzallal az 1000 menet fél méter tekercshossz. A tekercs hossz-átmérő arány 1:4,16, jó lesz. A 0,3-mal túl tömzsi lenne.
A huzalhossz 1000*0,12*Pi=377 méter, induktivitás 25583,4uH. Ez a negyedhullámú hossz, a rezonanciája: c/(377*4)=198938,99Hz, azaz olyan 199~200kHz.
Ez lenne az ideális, de a valódi nem lesz ennyire fürge, mert rajta lesz egy tetőkapacitás-toroid. Annak vastagsága is legyen 120 mm (ilyet kapni is, mint bordás szellőzőcső), a toroid külső átmérő 413mm (a belső luk 173 mm, nagyobb, mint a szekunder, így jó), ezzel a kapacitása 18,09pF.

Ehhez hozzá jön a szekunder saját kapacitása, ami olyan 8,2pF. Össz kapacitás így: Cössz=26,29pF.
Valódi szekunder rezonancia (Thomson-képlettel): 1/(2*Pi*SQRT(Lsec*Cössz))=194064,33Hz.

Akkor már csak a primer van hátra: a primer kondit ösmerjük, nemkülönben a kívánt frekvenciát, a Thomson-képlet megkutyul és ebből a primer induktivitás 43,7uH.

A primer legyen lapos spirál? Legyen. 4mm-es rézdrótod csak van, villanyszerelésnél is használnak ilyet. Menetek közt legyen 5 mm köz. A primer spirál belső átmérője legyen 160 mm, így körben marad a szekunder körül 2 centi, nehogy átüssön. Ezzel kijön 12 menetre a kívánt induktivitás (11,83), de nyugodtan tekerj fel 15-öt, a tuninghoz jól jön. A huzalhossz olyan 14 méter. Primer külső átmérő 430mm.

A szekundert először finom papírral csiszold le, majd leporolva vékonyan lakkozd le. A tekercselés után több rétegben lakkozd. A szekunder alul- felül legyen kicsit hosszabb, mint a csévélés hossza, hogy alul valami laphoz rögzíthesd, felül meg a toroidot fel tudd tenni. Javasolt a tekercs alul-felül lezárása sapkával, van is ilyen kívülről rácsúszós, csatornáknál használják. Erre szerelhetsz toroid tartó műanyag rudat, vagy ragasztva, vagy szigorúan műanyag csavarral.
Fontos, hogy a szekunderen fémcsavart, vagy egyéb fémet, mint a toroid anyaga és a tekercselés, ne használj. A drótot a szekunder belsejébe ne vezesd be! Célszerűen a csévetestre kívül ráragasztott sima réz lapokra forraszd a drótvéget és ezt körbelakkozva rögzítsd és a bekötő huzalokat ehhez forraszd, de simán, kiálló részek nélkül! Éles törést a drótokba ne tegyél, mert ott koronázni kezd, meg átüt. Lásd mellékelt gif-ek.

Már csak Collector nézze meg, mit művelek itt (ő segíthet a forgó szikraközben) és ha nem csóválja nagyon a fejét, akkor hajrá!

Üdv!
(#) Mallar hozzászólása Jan 25, 2010 /
 
BIG köszi a segítséget (még korábban) mostmár be tudtam üzemelni a motokat, már nem vágja le a kismegszakítót. hibátlanul működik. Majd 4et fgok sztem használni a teslához. De addig még egy hosszú rögös út vár rám

Tényleg az volt a hunyó, hogy a védőföldre kötöttem a nulla helyett (nyamvadt 3 eres kábel)

Intelmeiteket megelőzvén, 40 centi magas, masszív kartondobozon volt a cucc és félkézzel, bottal piszkáltam
(#) Collector válasza Pseudo hozzászólására (») Jan 25, 2010 /
 
A vizes sós elektrolitos kutyafüle kondenzátorbankokat el kell felejteni, nem teslához valók. Egyrészt jó nehéz lesz vízzel üveggel együtt, másrészt jó sok helyet foglalnak, és ezen kívül a só kicsapódik a vízből, úgy fog az egész kinézni mint egy rakás trágyadomb. A kis kondikból összerakott bank túl drága, rengeteget kell forrasztani, és semmi sem garantálja, hogy az egyik kondi meg nem adja magát, aztán keresheted a száz közül, hogy melyik halott. Vagy vékony üveglapból készíts kondit, (szendvics kialakítás), vagy feltekert PE fóliával és alufóliával.
Szekunderből minimum fél méter magas kell 500W-hoz. Különben túl nagy lesz a csatolás, valamint a feszültség is nagyon gyorsan nő a szekunder aljától, ha kicsi. Ha lehet műgyantával kend le. Az is jó, ha kiöntőgyanta van, én is azt használtam, abból 1 vödör 800 forint.
(#) Pseudo hozzászólása Jan 25, 2010 /
 
Én is csak hálálkodni tudok a rengeteg infoért, és a segítőkész hozzáállásért Big-nek
Remélem majd pár képet is feltehetek, ha ennek a történetnek vége(eredménye lesz).
Két kérdés(kövezzetek meg érte, de ez van). : EMI szűrő... MI is az? Működési elve? Esetleg mással lehet helyettesíteni? Vagy így lehet-e venni, mint EMI szűrő?
Másik, hogy mire is gondoljak a 3 elektródás szikraköznél, aminek a közepe földelt, és 10kV-on éppen nem szólal meg?
(#) Pseudo hozzászólása Jan 25, 2010 /
 
Nekem sem volt szimpatikus a sok "kis" kondis bank, megvallom őszintén. PE tekercs volt az első tippem, hogy azt kéne. De mégis mennyit tekerjek fel? Van erre valami képlet esetleg, vagy ki kell tapasztalni?
Más: a szekunder alját hova kössem?
(#) ekkold válasza Collector hozzászólására (») Jan 25, 2010 /
 
Idézet:
„Az is jó, ha kiöntőgyanta van, én is azt használtam, abból 1 vödör 800 forint.”

Mesélnél kicsit bővebben erről a gyantáról?
Mik a tulajdonságai? Hol és milyen néven kapható, hogyan keressem?
Mekkora mennyiség (tényleg vödörnyi)?
Milyen gyorsan köt meg?
Kétkomponensű?
Következő: »»   35 / 227
Bejelentkezés

Belépés

Hirdetés
XDT.hu
Az oldalon sütiket használunk a helyes működéshez. Bővebb információt az adatvédelmi szabályzatban olvashatsz. Megértettem