Fórum témák
» Több friss téma |
Nekem megoldodott,Végfok ic csere és táp kör helyrehozás.
Most mi a diagnózis,mit csinál a melegegésen kívül, mennyire melegszik?
Bekapcsolom akkor behúz egy relé, majd 2-3 mp után megint olyan hang, csak halkabb. A kijelzőn minden látható, a panel működik. hangot nem ad semelyik csatornára. Ahogy váltok sztereo és 5.1 hangzás között megint hallani reléhangot. A melegedés... kb 2-3 perc után már 40 °c a hűtőborda, 6-8 perc után meg kb 60 °c. És ezen is marad. Rámérni nem igazán mértem, mert nem tudom hogy merre mit mérjek. Sajnos nem ilyen jellegű a végzettségem.
Meg kellene keresned a védelem reléjét, majd megmérni, hogy a végfokból jövő lábakon nincs-e DC fesz. Ha van, akkor valószínüleg elszálltak a végfokok, ha nincs, akkor a kimenetet figyelő áramköri lapon lesz a hiba. A melegedés nem vészes!
Na igen, de hol találom a védelem relét? Amit felraktam abból meg tudnád mondani? A 49-70. oldalig vannak a penelek alkatrészekkel együtt rajzolva.
Ha jól gondolom ez az amit bekarikáztam. Ezen nincs DC , csak 12.96 AC.
Te a táppanelen mértél! A hangszórókimeneteknek negatívja és a jelölt pontok között kellene mérned. Ha itt DC-t találsz, akkor a végfoknál fogunk keresgélni.
Nincs rajtuk DC, semelyik ponton amit jelöltél. (AC se)
Úgy mérted, hogy a multi egyik mérőkábele a negatív kimeneti ponton volt, a másik meg az egyik piros ponton? Szkóphoz nem tudsz hozzájutni? Mérni kellene, a relék tekercsén is, ezt az 1-es, 2-es lábuk.
Igen úgy mértem. Sajna szkóp reménytelen....
A felső relénél mértem, az 1. lábon -14,97 , a 2. lábon 8.85 V. Persze továbbra is a negatívja a multiméternek a hangfalcsati negatívján. A középsőnél mindkét lábon (1,2) 15,08 V
Ha az 5db. L310. .. tekercseken mérsz , akkor kiderül , hogy a végfokok rendben vannak -e . 0V közeli DC-t kellene mérni
Ezeken 0.00-tól 0.004V-ig váltakozik... ezt nem tudom jó érték-e.
Teljesen jók , akkor rajz alapján tovább kéne lépni .
Kipróbálni egyenként a végfokokat és méregetni ..
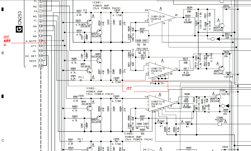
Ha lehet bejelölnéd a rajzon pontosan mit kellene mérnem?
Ha csatolod csak a végfokok rajzát akkor igen .
Itt van az előző oldalon a service manual, de újra felteszem
Sajnos most nincs annyi időm , hogy ebből megkeressem az idevágó részeket .
Az 56-57 oldal ha jól gondolom.
Nem ezek kellenének , holnap megkeresem , ha lesz időm .
Most vettem észre hogy mindkét kép az 56.oldal...
itt van összevágva...
Ahogy nézegetem a manulált láttam még egy mérési lehetőséget, amit meg is mértem. Lehet hogy ez is hasznos infó. Az 1-5.ig hidegen 21-22mV. Melegen (7 perc elteltével):1: 11.8mV, 2: 11.6mV, 3: 11.1mV, 4: 11.1mV, 5: 10.9mV.
Van még egy amit érdekesnek gondolok, a hang kimeneteken mértem -4.5mV körüli feszt viszont az "A" oldali FR-n csak -1.6mV körül. Ez gondolom nem jó érték.
Ezek jó értékek .
Végfok akkor sem szól ha a muting áramkör aktív , valamilyen meghibásodás miatt . Berajzolt helyen mérj.
Melyik oldalon van, mert kapásból nem tudom beazonosítani. Ha tudnám , talán a beültetési rajzokon könnyebben megtalálnám. Arról már az erősítőben is hamarabb megy a keresés.
Sajnos azon a service manuálba nincs ilyen rajz, amit feltettem a hozzászólásomban (#642929). Többször átlapoztam
A kigyűjtésben sincsen CN253 csatlakozás és nem találtam ilyen számú IC-t sem :help:
Akkor sajnos nem azt a rajzot találtam meg .
Csak a végfokok kapcsolása is elegendő lenne .. |
Bejelentkezés
Hirdetés |








itt van összevágva... 


A kigyűjtésben sincsen CN253 csatlakozás és nem találtam ilyen számú IC-t sem :help: 

