Fórum témák
» Több friss téma |
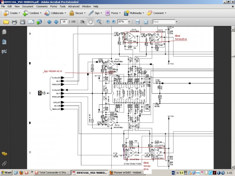
Nem ez a részlet kellene , megtaláltam a többit is , de nálam nagyon rossz a minősége .
Igen, amit .PDF-ből másolok .JPG-re annak rossz a minősége
Az eredeti RRV2166_VSX-908RDS.PDF amit feltöltöttem azon kivehető minden.
Power AMP voltage Amplifying Stage.... amire ez van írva?
Szép estét tothi89! Tudnál tanácsot adni hogyan tovább?
Szia, ha járnál miskolcon, vagy nyíregyházán, szívesen megnézném neked, de sajnos most nem nagyon van időm, így csak néha néha tudok írni, mert javarészt csak végiggörgetem a hozzászólásokat. Hétfő délután Skype-on tudnánk beszélni? Mert így elég nehézkes és hosszadalmas lesz, akkor ráérnék, Jó úgy?
Sajnos csak írni tudok,mert a német szolgáltató korlátozza P2P-t ezért se skype se msn nem tudok csak írni.
de 5 után elérhető vagyok, mert addigra érek ide. De ha úgy jó neked akkor várlak
Szia, átnyálaztam a service manualt, háát, innentől felejtős a dolog, komolyabb műszerezettség kellene és jobban belemélyedni, átnézni a némítás áramkörét, megkeresni, hogy hol veszlik el a jel. Sajnos lehetséges, hogy a hangprocesszor ment meg
, mert ha jól emlékszem, írtad, hogy feldolgozásmódokat válogattál és úgy lett hang. Ha eszembe jut valami, akkor írok, de nekem gyanús, hogy szerelőhöz kellene vinni, nem nézlek le, csak ehhez se műszered, se gyakorlatod, így lehet, hogy nagyobb kár lesz belőlle.
Igen úgy volt pontosan... áramtalanítva volt a készülék napokig, majd újra áram alá helyezve már nem szólalt meg. Igen, úgy szólalt meg ahogy mondtad.Este kikapcsoltam és másnap már semmilyen módban nem szólalt meg.
Értem, marad akkor az a verzió, hogy szerelőnél köt ki... Azért köszönöm a fáradozásodat.
Nincs mit, ha eszembe jut valami, amit ellenőrizhetnél, írok, reménykedjünk, hogy nem a proci szállt el, mert az nem lesz egyszerű. Sok sikert, Üdv István.(amúgy hol laksz, Németbe?)
Okés, én kész vagyok az ötleteket elfogadni.
(még szét van szedve) Itt németbe csak dolgozom (min.hegesztő), de Passau mellett 46 km-re Hengersberg-ben lakom ideiglenesen.
Csak nem hagytam abba.... tovább bontottam és találtam régebben javított dolgokat, két IC-t és egy 10k ellenállást. Lehet hogy ennél van a probléma megint....
Sziasztok. Nekem van egy gm4000 erősítőm.
eggyik barátomtól kaptam, mert tönkre ment. Elmondása szerint a tápkábelnél ráesett egy kulcs és kikapcsolt. nem tudom hogy mi lehet a baja. a biztosítékot kicseréltem nem tudom hogy mi szokott ilyenkor még kisülni vagy elmenni.
Sziasztok. Tudnátok nekem pontos műszaki adatokat adni a PIONEER A-331 erősítőröl? Főleg a teljesítménye érdekel. + Ha vannak személyes tapasztalatok az is jöhet! Köszi!
Már nem aktuális a dolog. Közben néztem másik erősítőt.
hello.lenne valaki aki tudna nekem egy pioneer gm1200-as autoserősitő bekötési rajzot feltenni?meg van rajta a két rca bemenet meg a hangszóró kimenetek is,de a táp bemenetnél csak a + meg a - van meg úgy látom remote nincs ami ugye a bekapcsolásához kell.vagy ez állandóan áram alatt van?ha tud valaki segitsen.előre is köszi!
Sziasztok
Volna nekem egy Pioneer GM 4000-es erősítőm. 2*100W A hiba jelenség: Az egyik csatornának olyna hibája van hogy ha halkan megy, akkor szól normálisan, viszont ha ráadom a kakaót akkor leszabályoz. A másik csatorna tökéletesen működik. Tisztán és hangosan szól, nem torzít. Mi lehet a gond? Akitől vettem pufferkondira tippel. itt a kapcsolás.. Bővebben: Link Alul: Download >> To download the file, please, click here ! << Download előre is kösz
Szerintem van benne védelem és ez szabályoz le.
Nincs egyformán beállíva a két csatornán.
Sziasztok!!! lenne egy kérdésem vettem egy pioneer a-227 erősítőt müködésképtelen állapotba. nincs valakinek véletlenül kapcsolási rajza hozza? nem találom a baját???!
Köszi a rám fordított időt de ezt az erősítőt én is megtaláltam és nem is hasonlít a felépítése.
HALI!
van egy pioneer sx-205rds erősítőm,és egy bemenetválasztó ic kellene bele. Tud valaki segíteni?Az ic :TOSHIBA TC9164AN Magyar oldalakon nem találtam. Kösssssssszzzzzzz!
Üdvözlet!
Pioneer A-445-ös erőlködőhöz keresek PA0016-os IC-t, amely a nyugalmi áram-beállítást intézi. Égen-földön nem találok és még adatlapot sem a neten. Ha valakinek van vagy van ötlete, honnan tudnék szerezni, kérem, jelezzen. Köszi.
Köszi!
Épp most láttam meg én is, hogy van náluk és épp most rendeltem + az utolsó darabot.... Ritka szemét egy holmi, hogy kimegy ez az IC is, ha elmennek a végfokok.... Amint látom, nemcsak én vagyok egyedül, aki keres PA0016-ot, úgy néz ki, elég gyakori a probléma (és elég drága is, hogy a fene enné meg azt, aki ezt így kit tudta találni........)
Sziasztok!
Egy pioneer D510 es 5 csatornás erősítővel gyűlt meg a bajom. Bekapcsolás után a hangfalvédő kapcsolás letilt, szétszedtem, és lemértem hogy a közvetlen kimeneteken megjelenik a negatív tápfeszültség. Mind az 5 csatornán Nem hinném hogy végfokhibás mivel kizártnak tartom hogy minden csatorna ugyan úgy ment volna tönkre. Kapcsi: http://elektrotanya.com/pioneer_vsx-d510.pdf/download.html Ha esetleg meg tudnátok dobni pár tippel annak nagyon örülnék!
Üdv!
2 nappal ezelőtt kaptam egy ismerőstől ajándékba egy Pioneer GM-1200-as autós erősítőt. Amikor megkaptam, akkor már mondta, hogy nem volt jó, úgyhogy szét is szedtem azonnal és elkezdtem méricskélni. A táp részénél találtam is 1 hibát ( 2SK1191 ). Mivel nekem nem volt itthon megpróbáltam helyettesíteni 2SK2354 típusú tranyóval, de meg se mukkan. Lehet, hogy nem jól kötöttem be, de lehet, hogy máshol is van hiba. Égésnyom nincs rajta, se forrasztás nyom kivéve, amit én forrasztottam Akit tud nekem segíteni, megköszönném!
Már megoldottam a táp részét, tettem bele IRF540-et és így működik, és világít a led is. A probléma: a védelemnek a reléje leold, pedig egyik végfet sem hibás. Valaki megtudná mondani, hogy a graetznél és a kondiknál mennyi kellene mérnem? Esetleg volt már valakinek ezzel az erősítővel ilyen típusú problémája? Kb. olyan 2 másodpercig megy aztán leold, vagy ennek így kellene működnie?
Sziasztok!
Nekem is egy Pioneer GM-1200 -al van egy kis gondom. Kb fél éve úgy használtam h a szivargyujtó kábeléről kapta a tápot (mivel a fejegységem nem tud ilyent vezérelni így oldottam meg h csak akkor kapjon áramot ha kell). Hónapokig ment is szépen, aztán egyszercsak elhallgatott, először a biztiknék kerestem a hibát, és kiderült, hogy a szivargyujtó biztosítékát (15A) verte le. Kiderült, hogy zárlatos lett az erősítő (egyik pillanatról a másikra), ennek mi lehet az oka? Szétszedtem, égésnyom nincs, púpos alktrészek nincsenek. Előre is köszi a segítséget Üdv! Andris
Sziasztok!
Hozzá jutottam egy PIONEER SA-540es erősítőhöz és a jobb oldal nem működik sem az A sem a B, csak nagyon halkan (gondolom, csak ami áthallatszik a másik oldalról) Az IC-ken (SA-540 ic.JPG )mindkét csatornán egyforma feszültség értékeket mértem. Hol és mit kellene megmérnem, hogy kiderüljön a hiba oka? Előre is köszönöm! *
Sziasztok ! Én most kaptam egy pioneer GM-2000 Autóerősítőt . Nem tudna valaki egy bekötési rajzot linkelni hozzá vagy elmagyarázni hova mit kössek hogy bekapcsoljon ?
|
Bejelentkezés
Hirdetés |




Az eredeti RRV2166_VSX-908RDS.PDF amit feltöltöttem azon kivehető minden.
de 5 után elérhető vagyok, mert addigra érek ide. De ha úgy jó neked akkor várlak
(még szét van szedve) Itt németbe csak dolgozom (min.hegesztő), de Passau mellett 46 km-re Hengersberg-ben lakom ideiglenesen.









