Fórum témák
» Több friss téma |
Mielőtt kérdezel, a következő két dolgot ellenőrizd!
I. A helyes tápfeszültségek megléte.
II. A kimeneten van-e egyenfeszültség.
Élesztés.
Szia!
Ezt én is megerősítem 2.1 és 5.1 hangrendszerekkel. Vegyük pl. a Genius SW 3000-et. Nem tudom mi az a PMPO 3000 Watt de nem is érdekel. Utána olvasva a gyártó 75W össz RMS teljesítményt garantál mindenestől. Egyet gondoltam és szétkaptam és egy 70W-os trafó mosolygott velem szembe. Tovább meg ugyan az amit leírtál (vagyis hol van itt még a hőveszteség stb.).
Üdv,azt szeretném megkérdezni hogy kazettás magnóra lehet kötni valahogy Hangbemenetett?(jackdugó megvan!)Discmanhez vagy ilyesmihez
Mert a tervem az lenne hogy "Erősitőt " csinálnék belőle
hali! a tescoban lehet kapni egy adaptert, ami ugy néz ki mint egy kazetta csak kilóg belőle egy kábel aminek a végén van egy jack dugó4 max 500 forintért megkapod!
ugyan az mint ha egy aux- csati lenne rajta csak zajosabb!
Akkor már inkább szétkapnám azt a magnót és megkeresném a végfok bemenetét, amit csak ki kell vezetni egy kábellel. Persze aki bírja a Tesco sound-ot, annak jó lehet a kazetta adapter is
Velem is történt ilyen de szerencsére videón.
Na volt egy videón Sony Mhc-Gnx100 - hifi 4 hangszorós és az volt ráirva hogy 10000 WATT!ÉS még 910 WATT PMPO De legalább a subwoofer aktiv volt és azt elnéztem de a hangszorók 10 wattosnak tűntek.(kinai sony) Sony Mhc-Gnx100 - Bass i love you 1 NEKEM MOST AZ AIWA ÉS A JBL JÖN BE De volt olyan is jártam a tescoban és láttam egy hifit 2*260 watt volt ráirva,na mondom ezt nem hiszem és hátul megnéztem láttam hogy 30 Wattot vesz fel a trafó.Na ezt se fogom megvenni!
ez csak egy ócsso megoldás
én ezt a kazettás módszert használtam, csak azzal az egyszerűsítéssel hogy a mágnes fejen található kábelre rátoltam egy sima aljzatot és azzal kisérleteztem...gyakorlatilag működött is, de nem volt az az igazi hangja!
jack aljzatot
![]() recsegett egy kicsit de működött persze hosszútávon nem garantált, akkor inkább szerezz be egy házimozirendszert (2.1, vagy nagyobb)
Annyi lett volna hogy a lejátszónak a hangerejét leviszed 50%-ra és már nem recseg.
Majd kipróbálom valami kinai vackon,azok csak arra valók!
Szia!
Nem lesz jó mert a magnóban a fej után egy korrekciós erősítő van, eltorzítja a frekvenciaátvitelt. A hangerőszabályzó elé érdemes csatlakozót rakni, az általában beválik.
Egyébként bongésztem a neten és találtam egy ilyet:
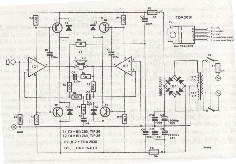
képen mellékelve a rajz...Elvileg ez egy 200W-s erősítő lenne, de tápegység adatokat nem találtam hozzá, ha valaki megtenné és ért hozzá elemezné, hogy nagyjából mekkora tekercs kellene hozzá? de a legfontosabb hogy megvalósítható e a rendszer kivezérlésjelzővel és egy hő szabályzós ventilllátorral? IC1, Ic2 TDA 2030 T1, T3 = BD 250, TIP 36 T2,T4 = BD 249, TIP 35 D1 … D4 = 1N4001
Szia!
Ez az erősítő kb. 200W-ot tud 4 ohm-ra, de ekkor már eléggé torzít, de 180W-nál még elfogadható a helyzet. Ehhez +-22V-ra van szüksége, amitől eltérni nem nagyon lehet, mert a TDA2030A max. feszültsége +-25V, kisebbről pedig csökkenni fog a kivehető teljesítmény. Egy 200-250W-os transzformátor kell hozzá, kb. 2*16V-os tekercsel.
és ezt nem lehet valahogy átalakítani úgy, hogy 8 ohmon vigye a 150wattot? (azt hiszem 8 ohmra kellene)
Kapcsolásban ez mennyire változik és a beültetendő alkatrészekből mind jó lenne hozzá?
Kezd el használni a shift billentyűt, és a válasz gombot! szamóca
Jó zaftosan tud az szólni, hiszen a magnó teljes lejátszási frekimenete rajta van.
Amit én hallottam anno, a haver kocsijában, az nagyon kókányul szólt. Ha jól rémlik, akkor az egy "Hama" nevű kaziadaptar volt. Nekem nem tetszett :no:
Tegyél egy 100uH ferritmagos tekercset sorba a pozitív táppal - stabkocka után. Ahogy a képen!
Köszönöm a segítséget már megoldottam csak lusta voltam gondolkodni
vessek magamra! A külön stabkocka jó megoldás volt csak a kimenetet meg kellett volna szűrnöm "ember a saját kárából tanul"
Üdv!
A TDA IC-k olcsóbbak, mint az LM IC-k. T A 2050-es 5A -es belső áramkorláttal, a 2052-es pedig 6A -es belső áramkorláttal rendelkezik. Mindkettő +-25V-ot bír maximum. A torzításuk elég csekély. Viszont az LM1875 és az LM675 +-30V-ot is bír.
Szia!
A TDA-K olcsóbbak, de szerintem az LM-k jobbak. pont azért javasoltam őket, mert a TDA sorozat 25V-ja a maximum, és szerintem nem nagyon érdemes határértéken járatni őket, főleg, ha nincs az emberkének kellő tapasztalata.
Üdv.
Szerintetek tönkremehet attól egy tranzisztor, hogy EBC helyett CBE lábúként kötöttem be, tehát fordítva? Itt a kapcsolás: Link Q4, Q5 lett megfordítva. Ezen kívül a 2 végtranyót sem sikerült rendeltetésszerűen. Ezek ECB-k, és itt is CBE-ként lettek befogva dolgozni. Ez már azt hiszem nagyobb baj, hisz a bázisra elég nagy feszültség került így.Én úgy gondolom, hogy az EBC->CBE csere viszont nem biztos halál. Mit gondoltok? Köszi.
Szia!
Idézet: „Én úgy gondolom, hogy az EBC->CBE csere viszont nem biztos halál.” Jelen kapcsolásban túlélhették a dolgot, de egy multival kimérheted őket.
Sajnos nekem még nincs tapasztalatom LM-vel. Hallottam arról is rosszat (pl.: a 3886-ról, állítólag hasonló halálozási arányt mutat, mint a TDA7293)
Esetleg olyant lehet tudni, hogy melyik IC-nek lehet nagyobb dinamikája...? (azok közül, amik nemrég szóba kerültek)
Szia! Köszi a választ...Akkor ezt a kapcsolást megtartom, de a bekötéssel hogy is kell elkezdeni? mivel ha jólsejtem az LM-nek több lába van mint a TDA-nak...Vagy nem jól tudom?
Javítottam...Osszekevertem egy másik fajta TDAval...Tehát akkor ugynannyi lába van és ugyanoda kell bekötnöm...És nyák-tervet honnan szerzek? MIvel a nyáklaptervezőkhöz nem igazán értek... |
Bejelentkezés
Hirdetés |




ugyan az mint ha egy aux- csati lenne rajta csak zajosabb!


vessek magamra! A külön stabkocka jó megoldás volt csak a kimenetet meg kellett volna szűrnöm
"ember a saját kárából tanul"





