Fórum témák

» Több friss téma
Fórum » Erősítő mindig és mindig
Mielőtt kérdezel, a következő két dolgot ellenőrizd! I. A helyes tápfeszültségek megléte. II. A kimeneten van-e egyenfeszültség. Élesztés.
Lapozás: OK   469 / 2576
(#) nagy_david1 válasza zoka hozzászólására (») Feb 22, 2010 /
 
Szia!
Ezt én is megerősítem 2.1 és 5.1 hangrendszerekkel. Vegyük pl. a Genius SW 3000-et. Nem tudom mi az a PMPO 3000 Watt de nem is érdekel. Utána olvasva a gyártó 75W össz RMS teljesítményt garantál mindenestől. Egyet gondoltam és szétkaptam és egy 70W-os trafó mosolygott velem szembe. Tovább meg ugyan az amit leírtál (vagyis hol van itt még a hőveszteség stb.).
(#) levi102 hozzászólása Feb 22, 2010 /
 
Üdv,azt szeretném megkérdezni hogy kazettás magnóra lehet kötni valahogy Hangbemenetett?(jackdugó megvan!)Discmanhez vagy ilyesmihez

Mert a tervem az lenne hogy "Erősitőt " csinálnék belőle
(#) GabN válasza levi102 hozzászólására (») Feb 22, 2010 /
 
hali! a tescoban lehet kapni egy adaptert, ami ugy néz ki mint egy kazetta csak kilóg belőle egy kábel aminek a végén van egy jack dugó4 max 500 forintért megkapod! ugyan az mint ha egy aux- csati lenne rajta csak zajosabb!
(#) Bassmester válasza GabN hozzászólására (») Feb 22, 2010 /
 
Akkor már inkább szétkapnám azt a magnót és megkeresném a végfok bemenetét, amit csak ki kell vezetni egy kábellel. Persze aki bírja a Tesco sound-ot, annak jó lehet a kazetta adapter is
(#) levi102 hozzászólása Feb 22, 2010 /
 
Velem is történt ilyen de szerencsére videón.
Na volt egy videón Sony Mhc-Gnx100 - hifi 4 hangszorós és az volt ráirva hogy 10000 WATT!ÉS még 910 WATT PMPO De legalább a subwoofer aktiv volt és azt elnéztem de a hangszorók 10 wattosnak tűntek.(kinai sony)

Sony Mhc-Gnx100 - Bass i love you 1

NEKEM MOST AZ AIWA ÉS A JBL JÖN BE

De volt olyan is jártam a tescoban és láttam egy hifit 2*260 watt volt ráirva,na mondom ezt nem hiszem és hátul megnéztem láttam hogy 30 Wattot vesz fel a trafó.Na ezt se fogom megvenni!
(#) GabN hozzászólása Feb 22, 2010 /
 
ez csak egy ócsso megoldás én ezt a kazettás módszert használtam, csak azzal az egyszerűsítéssel hogy a mágnes fejen található kábelre rátoltam egy sima aljzatot és azzal kisérleteztem...
gyakorlatilag működött is, de nem volt az az igazi hangja!
(#) levi102 válasza GabN hozzászólására (») Feb 22, 2010 /
 
És milyen dugót toltál rá?
(#) GabN hozzászólása Feb 22, 2010 /
 
jack aljzatot
recsegett egy kicsit de működött persze hosszútávon nem garantált, akkor inkább szerezz be egy házimozirendszert (2.1, vagy nagyobb)
(#) levi102 válasza GabN hozzászólására (») Feb 22, 2010 /
 
Annyi lett volna hogy a lejátszónak a hangerejét leviszed 50%-ra és már nem recseg.
(#) levi102 válasza GabN hozzászólására (») Feb 22, 2010 /
 
Majd kipróbálom valami kinai vackon,azok csak arra valók!
(#) lapose válasza tatabike hozzászólására (») Feb 22, 2010 /
 
Szia!

Nyugodtan rakhatod bele őket.
(#) lapose válasza levi102 hozzászólására (») Feb 22, 2010 /
 
Szia!

Nem lesz jó mert a magnóban a fej után egy korrekciós erősítő van, eltorzítja a frekvenciaátvitelt.
A hangerőszabályzó elé érdemes csatlakozót rakni, az általában beválik.
(#) levi102 válasza lapose hozzászólására (») Feb 22, 2010 /
 
Oké,KÖsz majd figyelek rá!
(#) GabN hozzászólása Feb 22, 2010 /
 
Egyébként bongésztem a neten és találtam egy ilyet:
képen mellékelve a rajz...Elvileg ez egy 200W-s erősítő lenne, de tápegység adatokat nem találtam hozzá, ha valaki megtenné és ért hozzá elemezné, hogy nagyjából mekkora tekercs kellene hozzá? de a legfontosabb hogy megvalósítható e a rendszer kivezérlésjelzővel és egy hő szabályzós ventilllátorral?

IC1, Ic2 TDA 2030
T1, T3 = BD 250, TIP 36
T2,T4 = BD 249, TIP 35
D1 … D4 = 1N4001
(#) lapose válasza GabN hozzászólására (») Feb 22, 2010 /
 
Szia!

Ez az erősítő kb. 200W-ot tud 4 ohm-ra, de ekkor már eléggé torzít, de 180W-nál még elfogadható a helyzet.
Ehhez +-22V-ra van szüksége, amitől eltérni nem nagyon lehet, mert a TDA2030A max. feszültsége +-25V, kisebbről pedig csökkenni fog a kivehető teljesítmény.
Egy 200-250W-os transzformátor kell hozzá, kb. 2*16V-os tekercsel.
(#) GabN hozzászólása Feb 22, 2010 /
 
és ezt nem lehet valahogy átalakítani úgy, hogy 8 ohmon vigye a 150wattot? (azt hiszem 8 ohmra kellene)
(#) lapose válasza GabN hozzászólására (») Feb 22, 2010 /
 
Ha a TDA2030-at kicseréled LM675-re ,vagy LM1875-re, akkor fel lehet emelni a feszültséget kb. +-26V-ra. Ekkor tudni fogja a 150W-ot 8 ohm-ra.
Ráadásul az LM-eknek jobb is a hangja.
(#) GabN hozzászólása Feb 23, 2010 /
 
Kapcsolásban ez mennyire változik és a beültetendő alkatrészekből mind jó lenne hozzá?

Kezd el használni a shift billentyűt, és a válasz gombot!
szamóca
(#) highand válasza Bassmester hozzászólására (») Feb 23, 2010 /
 
Jó zaftosan tud az szólni, hiszen a magnó teljes lejátszási frekimenete rajta van.
(#) Bassmester válasza highand hozzászólására (») Feb 23, 2010 /
 
Amit én hallottam anno, a haver kocsijában, az nagyon kókányul szólt. Ha jól rémlik, akkor az egy "Hama" nevű kaziadaptar volt. Nekem nem tetszett :no:
(#) lobbooo válasza kistehenke hozzászólására (») Feb 23, 2010 /
 
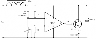
Tegyél egy 100uH ferritmagos tekercset sorba a pozitív táppal - stabkocka után. Ahogy a képen!
(#) kistehenke válasza lobbooo hozzászólására (») Feb 23, 2010 /
 
Köszönöm a segítséget már megoldottam csak lusta voltam gondolkodni vessek magamra! A külön stabkocka jó megoldás volt csak a kimenetet meg kellett volna szűrnöm "ember a saját kárából tanul"
(#) lapose válasza GabN hozzászólására (») Feb 23, 2010 /
 
Nem kell változtatni rajta semmit.
(#) szucsip válasza lapose hozzászólására (») Feb 23, 2010 /
 
Üdv!

A TDA IC-k olcsóbbak, mint az LM IC-k. T A 2050-es 5A -es belső áramkorláttal, a 2052-es pedig 6A -es belső áramkorláttal rendelkezik. Mindkettő +-25V-ot bír maximum.
A torzításuk elég csekély.

Viszont az LM1875 és az LM675 +-30V-ot is bír.
(#) lapose válasza szucsip hozzászólására (») Feb 23, 2010 /
 
Szia!

A TDA-K olcsóbbak, de szerintem az LM-k jobbak.
pont azért javasoltam őket, mert a TDA sorozat 25V-ja a maximum, és szerintem nem nagyon érdemes határértéken járatni őket, főleg, ha nincs az emberkének kellő tapasztalata.
(#) melorin hozzászólása Feb 23, 2010 /
 
Üdv.

Szerintetek tönkremehet attól egy tranzisztor, hogy EBC helyett CBE lábúként kötöttem be, tehát fordítva?
Itt a kapcsolás: Link Q4, Q5 lett megfordítva.
Ezen kívül a 2 végtranyót sem sikerült rendeltetésszerűen. Ezek ECB-k, és itt is CBE-ként lettek befogva dolgozni. Ez már azt hiszem nagyobb baj, hisz a bázisra elég nagy feszültség került így.
Én úgy gondolom, hogy az EBC->CBE csere viszont nem biztos halál.
Mit gondoltok?
Köszi.
(#) lapose válasza melorin hozzászólására (») Feb 23, 2010 /
 
Szia!

Idézet:
„Én úgy gondolom, hogy az EBC->CBE csere viszont nem biztos halál.”


Jelen kapcsolásban túlélhették a dolgot, de egy multival kimérheted őket.
(#) szucsip válasza lapose hozzászólására (») Feb 23, 2010 /
 
Sajnos nekem még nincs tapasztalatom LM-vel. Hallottam arról is rosszat (pl.: a 3886-ról, állítólag hasonló halálozási arányt mutat, mint a TDA7293)

Esetleg olyant lehet tudni, hogy melyik IC-nek lehet nagyobb dinamikája...? (azok közül, amik nemrég szóba kerültek)
(#) szilva válasza szucsip hozzászólására (») Feb 23, 2010 /
 
Nekem egy LM3886-osokból felépített sztereo végfokom van és egy LM1876-ból épített. Egyelőre mindkettő teszi a dolgát, a hangjukról nem tudok rosszat mondani.
(#) GabN válasza lapose hozzászólására (») Feb 23, 2010 /
 
Szia! Köszi a választ...Akkor ezt a kapcsolást megtartom, de a bekötéssel hogy is kell elkezdeni? mivel ha jólsejtem az LM-nek több lába van mint a TDA-nak...Vagy nem jól tudom?

Javítottam...Osszekevertem egy másik fajta TDAval...Tehát akkor ugynannyi lába van és ugyanoda kell bekötnöm...És nyák-tervet honnan szerzek? MIvel a nyáklaptervezőkhöz nem igazán értek...
Következő: »»   469 / 2576
Bejelentkezés

Belépés

Hirdetés
XDT.hu
Az oldalon sütiket használunk a helyes működéshez. Bővebb információt az adatvédelmi szabályzatban olvashatsz. Megértettem