Fórum témák
» Több friss téma |
Aha.Akkor a Blank Input és Blank Output lábakat is 1 KOhm - os ellenállással a Vcc - re kell kötni.
Pontosan nem tudom hogy kell bekötni, de hallottam róla. Az olyan számoknál jó ez amikor például 000,12 akar kiírni, de csak 0,12-t ír vagyis az előtte lévő nullákat nem írja ki. tudom kicsit bonyolult de nem tudom jobban leírni.
Nem, ez abszolut érthető volt. Köszönöm!
Szivesen. Ha kell holnap tudok felrakni róla rajzot is. Valahol van ilyen frekimérő rajz amiben így van bekötve. Ha kell felrakom!
Így van. RBI = Ripple Blanking Input, párja az output. Ha több digit van , akkor egy out a következő in-nel (és így tovább) összeköthető a "terjeszkedő" nullák kioltására.
Az out-tal nem kell foglalkozni - ha nem használod a funkciót - csak az in-t kell megfelelő potenciálra húzni. A "lamp test" igen hasznos funkció volt, amikor valóban izzók voltak szegmensenként használva (pl vetítős kijelzőkben), a LED-kijelzőknél nem sok értelme maradt. Az RBI-RBO használata jelentősen csökkentheti a fogyasztást - különösen hosszabb kijelzőlánc esetén.
az rbi rbo kivezetseket fefüzve több digit esetén az értéktelen nullákat tudjuk kioltani Pl a negyedik digit
bi/rbo a harmadik digit rbo és igy tovább, az első digitet nem kell igy kötni mert jó ha egy nulla megmarad, pl számlálónál, Óránál meg nem kell. kötni. Egyébként rbi 1-4,7k-val +5V-ra bi/rbo ha nincs használva nem kell bekötni mert kimenet. Lt (lamptest) is +5V-ra.
Csak szólok, hogy a TTL chipeknél a nem bekötött bemenet úgy viselkedik, mintha logikai 1 lenne rajta. Ez azért van, mert a bemenetén levő fokozat egy NPN tranzisztorból áll, aminek a bázisa fel van húzva vcc-re, és az emittere a bemenet, a kollektoráról megy a jel a chip többi részébe. Ha a bemenetet lógni hagyod, akkor a bázison levő felhúzó biztosítja a logikai 1 szintet a chip többi része számára.
Sziasztok!
A kérdésem a TTL ick időzitésére vonatkozik. Volna egy kapcsolás ami 300ns alatt kapcsol TTL alacsonyból TTL magas szintre. Sajnos ez nekem sok, 30ns-ra kellene levinnem, ez egy átlagos TTL kapcsolási sebessége. Két sorba kapcsolt normál invertert használhatok-e illesztőnek, vagy a lassan változó bemenet lassan változó kimenetet produkál? Továbbá a kimenet árama lassitja-e a kapcsolási időt?
Maga egy kapu átkapcsolási sebessége függ a bemeneti jeltől. De ha sorbakötsz két kaput, akkor már szinte négyszöges átvitelt kapsz. Pl. egy 74HC08 eleve két kaput tartalmaz sorbakötve belül, tehát ha egyik bemenetét fixen tápra teszed, akkor pufferként tudod használni, és így is elég gyors lehet az átmenet a kimeneten.
És ha Schmitt-triggeres bemenetű kaput használna? Pl. 7414? Annak mindegy, milyen lassan fut fel vagy le a jel.
A schmitt-triggerre én is gondoltam, de annak kicsi a hiszterézise véleményem szerint.
Ha már így előkerült a téma, a S-T bemenetű kapu működéséről van itt egy elég szemléletes grafikon (rögtön az első jobboldalt). De egy normál TTL bemenetű kapu kimenetén (mondjuk vegyünk egy puffert, ami "nem csinál semmit") mi jelenik meg, ha a bemenő jelszint se nem alacsony, se nem magas, hanem a kettő között van?
Van egy átmeneti tartomány, aminél a bemenettől függ a kimenet. Ilyen 0,8V bemenet alatt a kimenet is alacsony. 2,1V felett a kimenet magas. A kettő között meg úgy-ahogy lineárisan változik a kimenet a bemenettel. De ez inverterre érvényes, mivel az az alapelem, de pufferhez is elég jó közelítés.
CMOS-nál is van ilyen átviteli karakterisztika, csak ott szimmetrikusabb. Illetve az alapelem ott is az inverter, annál mondjuk 1,5V és 3,5V a két határ és közöttük S betűhez hasonló az átviteli karakterisztika. Ha két ilyen S betűt egymás után teszel, akkor már közel "Z" alakú átvitelt kapsz pufferként. Ha három invertert teszel, akkor abból megint invertert kapsz, de szinte tökéletes Z alakú átvitelt. A legtöbb CMOS kapu eleve belül pufferelt, tehát azoknál kívülről már nem tudsz javítani az átviteli karakterisztikán további kapukkal. Pl. CD4000UB az nem pufferelt, CD4000B pufferelt (UnBuffered és Buffered).
Sziasztok!
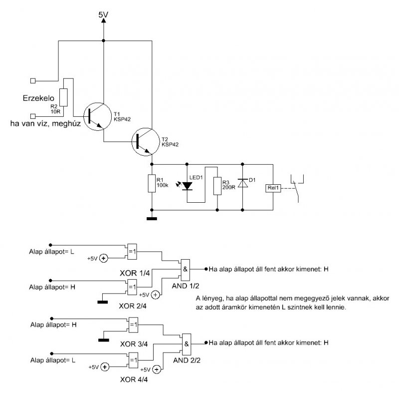
Úgy igazán soha nem foglalkoztam TTL IC-kel, mert manapság mindenre van cél IC, de most mégis kéne. Itt van egy kapcsolás. A kérdésem az lenne, hogy menyire működőképes ez igy? Azért 3 bemenetes AND kapu van, mert ha 2 L szint lenne a bemeneten akkor is kapcsolna, nekem pedig csak akkor kell ha 2 H szint van. Én 74HCT86 és 74HC11 -re gondoltam. (bocs a két képért, feltettem az elsőt, aztán a másodikat de az elsőt nem törölte automatikusan)
Szia!
A HCT és a HC logikai IC-k valójában CMOS áramkörök, csak lábkompatibilisek a TTL-sorozat tagjaival. Ezt csak a pontosítás miatt írtam.
Egy kétbemenetű XOR önmagában is teljesíti a kívánt állapotokat! ( Lásd mellék. )
Vagy, nem csak két bemenet XOR kapcsolatáról van szó?
A két xor az két különböző érzékelő jelét kapja, és az a lényege, hogyha az egyik kikapcsol (pl. 2/4 bemenetemén L szint lesz H helyett) vagy a másik bekapcsol (pl. 1/4 bemenetén H lesz L helyett) akkor a kimeneten lévő relét meg kell szakítani. Azért gondoltam így egyszerűbbnek a megoldást, mert az érzékelők kimenete 0 illetve 5V állapottól függően. Tulajdonképp az egyik képen fent látható vízszint kapcsolóról van szó, az szolgáltatná a jelet, és e szerint kellene kapcsolgatni a jeleket a vezérlőnek. Most így belegondolva 1 xor nem is jó, mert az állapot az fix. Tehát nekem csak 0-1 -re kellenek kapcsolnia, ez viszont 1-0 -ra is H szintet ad, ami nekem nem jó.
Akkor "egyszerű" a megoldás! Az egyik állapotot ki kell zárni!
( Egy XOR; egy Inverter és egy ÉS kapu kell hozzá. Vagy két XOR és egy AND kapuval Lásd mellék...)
De akkor az is működőképes amit én rajzoltam nem? Csak mert így is 3 IC-ből áll, nem nagyon van még egy hely a NOT kapuknak (1 XOR, 1 AND és 1 darlington tranzisztor mező) a rendelkezésre álló hely pedig kb. itt ki is futotta. A két XOR és egy AND kapus már jó lenne, de ezzel csak a 3 bemenetes AND kaput spóroltuk le nemde? Minden esetre itt van egy nagyon leegyszerűsített programtábla, töb dolog is hiányzik belőle (pl. időzítése..) de jól szemlélteti hogy mit kellene megoldanom ezzel a kapcsolással.
Másként megfogalmazva ( A folyamat vezérlési leírás ismeretében.):
Ha van víz a kútban ÉS a tartály nincs tele, akkor indulhat a szivattyú. Avagy, ha van víz a kútban H. A tartály szintje H. ( Azaz nincs tele a tartály. ) Vagyis H AND H akkor mehet a szivattyú. Más esetben L-H; H-L; L-L a szivattyú nem indítható! Így még XOR kapu sem kell. Hárombemenetű ÉS kapuval az alsó szintet is bele lehet venni a folyamatba. Az ne zavarjon meg, hogy a tartály szintérzékelője aktív állapotában H - magas szintet ad... ( Egy egyszerű jelinvertálást kell alkalmazni a kút érzékelőjéhez képest, pl nem a záró hanem a bontó érintkezőt kell felhasználni. Bár ekkor már le is huzalozható az ÉS kapcsolat a relé kontakt pontjaival... ).
Értem, tehát így gondolod?
Az alsó szint helyére azért került fix 5V, mert nem egyszer előfordult hogy a szint alá esett a víz (mivel az a pont ahol az érzékelő van még koránt sem a nulla vízszint), ami a természetes párolgásnak és annak, hogy néha manuálisan is történik víz kivétel volt köszönhető. (Szomszédnak van egy hasonló öntöző rendszer, csak az gyári és brutálisan drága, én meg ha tudom, akkor inkább magam csinálom, de már most töbett tud ez, mint az a vacak)
Vagyis akkor három bemenetű ÉS kel!? ( Három érzékelővel lesz megoldva? )
[OFF] Ha a szintérzékelők morze-érintkezős reléket vezérelnek, akkor tényleg lehuzalozható a relé érintkezőivel is a megfelelő "logika".
Jólvan, most jöttem rá hogy kevertem egy kicsit a XNOR kapuval
(valamiért az volt bennem, hogy két L szintre is H szintet ad, de beugrott hogy ez egy elég nagy butaság)Akkor elég a két bemenetű AND kapu is, akkor oké, meg is van a kapcsolás. Egyébként nem szeretném bevonni a reléket a dologba, mert 1 áramkörös morzék, és a hálózati feszültséget kapcsolják a szelepekre/pumpákra.
Erre az IC-re rá lehet kötni a kijelzőt közvetlenül ellenállások nélkül? Az adatlapban mintha olyat olvastam volna. És mondtak nekem olyat, hogy ezek az ellenállások helyett elég 1 darab ellenállás (vagy potenciométer, ha szabályozni is akarom a fényerősséget), amit a LT, RBI vagy BI/RBO lábra kell kötni. Hogy pontosan melyikre, azt nemtudom. Lehetséges az ilyen 1 ellenállásos megoldás? Vagy kell egyáltalán valamiféle ellenállás is?
Én is hasonló kérdéssel fordulnák hozzátok... Az érettségi munkám dokumentációjával szenvedek már 1 hete és jó volna ha a 7400,7404,74194 es IC-kel kapcsolatban megtoldanátok egy rövidke jellemzéssel, hogy mégis , hogy működik, és miket tartalmaz, meg a lábkiosztást.
Előre is köszi szépen
7400 az négy darab kétbemenetű NAND kapu. 7404 az hat darab inverter. A 74194 az már egy érdekesebb darab, kétirányú shift regiszter olyan tulajdonsággal, hogy párhuzamosan is feltölthető adattal, nem csak a soros bemenetein keresztül.
köszi szépen
még valami hozzáfűznivaló? esetleg? |
Bejelentkezés
Hirdetés |











(valamiért az volt bennem, hogy két L szintre is H szintet ad, de beugrott hogy ez egy elég nagy butaság)



