Fórum témák
» Több friss téma |
Mielőtt kérdezel, a következő két dolgot ellenőrizd!
I. A helyes tápfeszültségek megléte.
II. A kimeneten van-e egyenfeszültség.
Élesztés.
A szabályokat betartottam,minden félvezető csak ott vezet ahol kell.
AHHH:Mért var így engem az istan.Na mindegy,akkor jöhet a méregetés.
Közben szakadás mérővel rámértem a GNd és a negatív tápágra. 2 mp-ig sípol a müszer,majd elhallgat. Megfordítom a mérőzsinort megint sípol.
Ez szerintem normális dolog. Teljesen kiürültek a pufferek és azért sipolt az alatt a 2mp alatt.
Remélem nem irtam egy jó nagy hülyeséget.
Igen, normális! Ameddig töltődnek a pufferkondik a műszerből, addig sípol.
Na.A végtranyókkal kezdtem.Alapból az egyik tök zárlat.Az össze kivezetés között zárlat.De ami a furcsa nem az ahol a zárlatot csináltam hanem a másik.Lehetséges hogy csak ez volt a hiba vagy fúrjam magam mélyebbre?Mert a panelból nem szívesen szedem ki az alkatrészeket mert a vezetősávok már nem a legjobbak.:S
Sziasztok!
A mellékelt erősítővel lenne gondom. Amikor hozzám került a négy biztositék atombiztosan átpatkolva és két helyen felégve a panel. Pontositva a két 5A biztositéknál. A panelfelégést megjavitottam normális biztositékokat beszereztem, beinditani viszont még nem mertem. A gond hogy a két 3,14A biztositék végfok felöli oldalán 0,2ohmot mérek bármelyik irányban. A végfoktranzisztorok működnek. A javitásban kérnék segitséget tőletek, elég bonyorult erősítő számomra. Az erősítő doksija: www.djkanoc.extra.hu/22ah305.pdf
Pedig ez a panel újként kezdte Nálad, ha jól tévedek.....
Persze, hogy nem az a tranzisztor szállt el, amit rövidre zártál, azt ezzel megvédted. Bezzeg a párja igencsak bajba lehetett, mikor a vezérlése érzékelte, hogy a zárlattal felborítod az egyensúlyt, és teljesen kinyitotta Őt. Csak a tápegységet kellett neki rövidre zárnia, más dolga nemigen akadt. De ez éppen elég ahhoz, hogy végleg a sziliciummezőkre távozzon. Én megnézném - változatlanul - a meghajtókat, és a a nagyjelű, valamint a túláram védő tranzisztorokat.
Szerintem nem nagyon tudsz mást csinálni, mint a tranzisztorokat végigmérni egyenként. Amelyiknél rövidzárat mérsz beszerelve, azt kiszerelve is meg kell mérni. Ha jók az alkatrészek, akkor el lehet indítani, nem olyan nagyon bonyolult ez a kapcsolás.
Próba idejére érdemes a hálózati trafó primer ágával sorba tenni egy 230V-os izzót (pl. 60W-osat), ennek normál működés esetén nem szabad bekapcsolás után világítania. Ha mégis világítana, akkor viszont korlátozza az áramot és a szekunder oldalon így remélhetőleg nem sül meg semmi.
Talán ide is lehet javasolni, hogy előbb meg lehet mérni beforrasztva a tranzisztorokat. Amelyik "gyanús" (zárlatosnak tűnik beforrasztva), azt kiemelve is meg kell mérni. Így kevésbé gyilkolja az ember a fóliát.
Egyébként ilyen barkácsolásokhoz, javításokhoz nagyon hasznos egy ónszippantót beszerezni, én alkatrész kiszerelésénél már nem is dolgozom anélkül. Ja és az izzós módszer ide sem árt első induláskor, ha a vélt hibát kijavítottuk.
köszönöm a segítséget remélem sikerrel járok
Nm biztos, hogy a szakadt tranzisztor hibája egyértelműen kiderül áramkörön belül. Lehet a tranyó úgy is hibás, hogy mind az E-B, mind a C-B dióda jó (főleg kisjelűek). Ezt kiforrasztás nélkül bajosan lehet megállapítani.
évek óta használok ónszippantót. Kényelmes és hasznos. Egy műszerész ismerősöm mondta anno hogy mindent kiforrasztva mérjek, sok kellemetlenségtől 'óvom' meg magam
Eddig nem mertem előhozakodni ezzel a tranzisztormérési metodikával, de látva mennyi bizonytalanság van, illetve, hogy mások is mérnek így, ezért ugyanezt a módszert, számomra könnyebben megjegyezhető módon megmutatom én is.
1. lépés. Kell gyártani egy "mérőműszert". Erre a célra nem jó sem az univerzális LCD-s multiméter, sem annak mutatós változata. Egy sima elem kell, egy feltétlenül mutatós műszer és egy ellenállás (lásd a rajzon). Műszerből egyáltalán nem kell egy "csoda", bármi jó, aminek van mutatója és ki tud térni. Pl. akár egy nagyobb méretű magnó kivezérlésjelző, vagy bármi egyéb bontott deprez műszer. Azért kell ilyen, mert ezen már folyik valamennyi mA méréskor. Az ellenállást úgy kell beállítani, hogy kb. 90%-os legyen a kitérés. Ha az elem 9V-os (ezt javaslom), akkor ez éppen 9V-nak felel meg egy 10-es skálán. Ez a műszer, a tranzisztormérésen kívül, még számtalan dologra használható, én létezni sem tudnék a sajátom nélkül. 2. lépés. A tranzisztort két diódával szimuláljuk magunkban. Ez nem egy tökéletes leképezés, de nagyon is frappáns és találó a mérés szempontjából. A rajzon már csak a diódás helyettesítő képet használtam. 3. lépés. A bázisra adjuk a pluszt és a mínuszt a collektorra utána az emiterre. Illetve bázisra mínuszt és a pluszt a collektorra utána az emiterre. Mind a 4 kombinációhoz, és mind a két polaritáshoz felirkáltam mit kell mutatni a műszernek. (Ezen kívül még E-C mérést is végezhetünk, de ha a másik 4 mérés jó, akkor ez már szükségtelen. A műszer feletti %-ok a kitérés mértékét mutatják. Ahová 10%-ot írtam, az típus, és főleg teljesítmény függő, de az a lényeg, hogy egy kicsit megmozdul a mutató, vagy esetleg kicsit jobban, ha jó nagy a tranyó erősítése. Ha már létrehoztuk ezt a műszert, elmondok egy másik, számomra sokkal meggyőzőbb mérési lehetőséget is (valahogy próbálok csinálni róla egy videót is, ami kamera és hozzáértés híján egyelőre elég cinkes). Tehát kézbe fogjuk a tranyót úgy, hogy a lábaihoz hozzáférjünk a mérőeszközünk két zsinórjával (mondjuk egy BC182-BC212 valamelyikét) NPN: E-hez érintjük a negatív mérőzsinórt, a C-hoz pedig a pozitívet. A műszer nem mozdulhat meg. Ezután jön a csoda, megnedvesített ujjal (én nyálazom), egyszerre megérintjük a C+B –t. A műszer érintéskor kitér. Ha jobban odaszorítjuk az ujjunkat, akkor jobban, és fordítva. PNP: E-hez érintjük a pozitív mérőzsinórt, a C-hoz pedig a negatívot. A műszer nem mozdulhat meg. Ezután jön a csoda, megnedvesített ujjal (én nyálazom), egyszerre megérintjük a C+B –t. A műszer érintéskor kitér. Ha jobban odaszorítjuk az ujjunkat, akkor jobban, és fordítva. Teljesítménytranzisztoroknál is működik ez a módszer, csak ott általában jóval kisebb az erősítés-tartomány, tehát csak egészen kis kitérésre lehet számítani. Persze az ujjunk helyett egy ellenállást is használhatunk, hiszen az ujjunk is az, csak nincs neki két huzallába. (csináltam videót, de nem tudom ide rakni, mert nem fér el.)
Van ónszippantó fonat is, bár az gyorsabban használódik. Bizonyos esetekben legalább olyan jó, mint az ónszipka.
Ezt bármilyen mutatós műszerrel meg lehet csinálni, ami Ohm -mérésre alkalmas.
Szerk: 30 éve így mérem a tranzisztorokat, még a jó öreg Orivohm csővoltmérővel kezdve.
eddig szerencsére sose hagyott cserben ha egy tranyót a-zig átmértem diódaként.
Akkor jó nekünk, mert mi tudjuk miként kell, de ha jól figyelek, akkor itt elég sokaknak újdonság lesz ez a metodika.
Érdekes módszer, de inkább maradok a dióda vizsgálósnál, nekem ez elsőre kínai, persze némi túlzással, sokkal egyszerűbb megjegyeznem, amit igazából nem is kell megjegyeznem, csak logikusan átgondolni a tranzisztor képét a kapcsolási rajzon, és máris tudom, merre kell átengedjen.
Megint nem említettük szerintem elég hangsúlyosan, hogy méréskor érdemes a C-E között is mérni. Én is találkoztam már olyan tranzisztorral, ami úgy hibásodott meg, hogy a B-E és B-C diódája is jónak mérhető volt, de C-E között meg gyakorlatilag rövidzár volt.
Persze a "varázslós" módszereddel ez is kibukik, mert ott a tranzisztor valós viselkedését méred, és "csodatevés" nélkül is maximumon lenne ilyenkor a mutató. És van még egy, amit érdemes tudni: vannak olyan tranzisztorok, amikbe gyárilag bele van építve a C-E közé egy normál működéskor záróirányban lévő védődióda. Ez megtréfálhatja az embert, ha nem számít rá, vagy nem tudja, hogy benne van a tokban.
Jó, hogy részletesen is leírtad, mert a mai világban már a számkijelzésű műszerek az egyeduralkodók, azzal ezt a mutatványt nem igazán lehet véghezvinni.
Tehát: Alkotó módszere tökéletesen kiegészíti a DVM hiányosságait ebben a vonatkozásban.
Zolikám, Szilva leírta, hogy az esetek egy részében miért nem elég a Te módszered.
Na nem sikerül megcsinálni az erősítőt,aki a kapcsolást feltette a honlapra,nála is jelentkezett a hiba,és még elég sok embernél.
következő lenne a kérdésem,mivel a félvezetők nem mentek tönkre:Tud valaki ehhez a kapcsoláshoz hasonló végfokot adni? ha lehet legyen kvázikomplementer mint ez.
Újnak új volt de a 3-4 szeres tranzisztor kiszedés már kezdi megviselni.
Azért kérdezem azt hogy lehet-e az hogy csak ez volt a hiba hogyha veszek egy újat és berakom akkor ne nyírjam azt is elsőre ki.Mert elég nehézkes még egy 1 µF-s kondit is szerezni.Mikor építettem a strobit 2 hónapig jártam le míg végül megkaptam az a kb 10-15 alkatrészt.És abból összesen 1-et kellett rendelnie a manusznak.
Szia!
bonyhádi vagy látom...nem messze van onnan baja, ott mindent megkapsz egy helyen rendelés nélkül több boltban is.
Üdv! Van egy TDA 7262 ic-m azt szeretném kérdezni, hogy ezt lehet -e hídban használni? Adatlap szerint 2x20w És ha lehet akkor hogyan legyen a kapcsolás?
Előre is köszi!
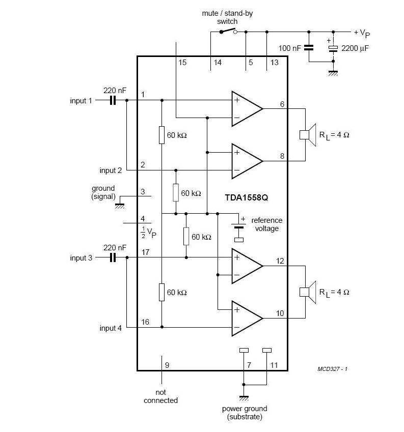
Szia! Elküldök 2 gyári adatlapból kimásolt képet. Ezeken az látszik ,hogy lábkiosztásra és felépítésre is megegyezik a 1554q és a 1558q. És a linken pedig láthatsz egy nyáktervet (az adott oldalról le is tölthető) amit én már megépítettem 1554q-val és szuper lett. Ezt a kapcsolást és nyáktervet használhatod a 1558q-hoz. Amúgy a belinkelt oldalon van előerősítő kapcsolás (ha kis jellel hajtanád a végfokot) amit szintén megépítettem és kitűnően működött.Bővebben: Link
Sziasztok! Én egy nagyon amatör kérdést tennék fel! Ha egy erösítő fogyasztása 300w ,akkor mindig enyit fogyaszt vagy csak teljes hangerőn?
Szia!
Ha B osztályú akkor a fogyasztás függ a kivezérléstől, kis hangerőn sokkal kisebb a fogyasztása, mint teljes hangerőn.
Köszönöm a gyors választ! Azt honnan tudom ,hogy B osztályú?ez az erössítőm: aiwa xa-003
|
Bejelentkezés
Hirdetés |










