Fórum témák
» Több friss téma |
Fórum » Sztereó DAC
Témaindító: meszattila, idő: Ápr 10, 2007
Témakörök:
Nekem is van itthon OPA4134-em, csak még lusta voltam hozzá szimmetrikus tápot csinálni, majd most ha már biztosan működik akkor teszek utána OPA-t
Bár jobban szeretnék valami szimpla tápfeszes megoldást találni a későbbiekben a kimenetre, mivel falidugasztápról akarnám üzemeltetni, ha be lesz dobozolva, mert nem akarnék trafót tenni bele az esetleges zavarok miatt... De lehet, hogy csak az lesz a vége... Ha valaki esetleg tudna ajánlani valami jó minőségű OPA-t a kimenetre aminek a táofesze szimpla +12V-ról megoldható, azt megköszönném. Üdv: Laci
Szia.
Minden opa megy szimpla tápról , csak az a kérdés érdemes-e arról járatni, szerintem nem. A minőségén sem érdemes sokat gondolkodni pl. én az opa134 -et használom , de megfelel tökéletesen az ne5534 is, mivel a dac hangját sokkal kisebb mértékben befolyásolja , mint minden más. Fontosabb a kimeneti LP filter , a táp ic , ill a táp megoldásai, a bemeneti fokozat elválasztása stb. Pl. én a 7805 -ös ic-t biztosan nem használnám , mert többet árt, mint egy gyengébb opa, mivel a rossz táp a Jitter növelei, az pedig hangminőség romlás minden szempontból.
Én 7805-öt vettem, akkor dobjam a kuka felé? Mondjuk jobbat nem tudok, mondjuk zener?
Szia!
Én nem tapasztaltam, a hangjában semmi kivetnivalót így sem (bár én nem vagyok megszállott audiofil ), mondjuk az is igaz, hogy nem egy mezei kínai 7805-öt használtam, hanem eredeti Texas UA7805-öt DDPAK-ban...Az OPA (pl. egy OPA134) fél táprfeszről járatásának szerinted milyen rossz hatásai vannak? Idézet: „Én 7805-öt vettem, akkor dobjam a kuka felé? Mondjuk jobbat nem tudok, mondjuk zener?” Az egyik legoptimálisabb talán az lenne, ha az IC-nek megfelelő feszültségkimenetű dupla-szekunderes, vagy középmegcsapolásos transzformátor lenne a feladathoz használva, természetesen utána egyenirányítva és szűrve kellő mértékben.
Én bizony megszállott hifis vagyok és szeretem mindenből a maximumot kihozni. Erre pedig a Burr Brown dac csipjei tökéletesen alkalmasak, mivel a világ legjobb "gépeiben " is ezt használják.
Ha a 7805 tápot használod természetesen avval is jól szól, de még jobb az lm317, lt 10xx, tl 431 , stb, szabályoz. Egyébként a hangminőség romlást csak egy a-b tesztben veszed észre, ha azonos da kapcsolást különböző képpen megépített tápról hallgatsz meg, ugyan csak ez a helyzet ,ha az opa-t " normális" vagy virtuális - gnd-s tápról járatod. Igazából nem is a da csip paramétere határozza meg a hangzást, hanem a körülötte lévő alkatrészek, ezét sok esetben sokkal jobban szól a hagyományos cd lejátszó 16/ 44.1kHz , mint a nagy felbontású dvd 24 bit / 96kHz-el.
A saját da-mban a +-12 V os tápot két teljesen független 2* 15V AC tekercsről állítom elő , 2 egyenírányító hiddal, és a végén van csak közösítve. A két csatorna 2-2 db LM317- 337 stabkockát kapott, és természetesen az analóg és digitális áramkörök független toroid traforól vannak járatva. Én erre a megoldásra szavazok. Itt megnézhetőés itt
LM317 is van itthon, szóval akkor lehet inkább a végleges verzióban azt használom majd...
A szimmetrikus táppal csak az a gondom, hogy akkor trafót kell tennem magába a DAC burkaolatán belülre, nem tudom külső DC12V-os tápról járatni, és attól tartok, hogy a trafó zavarokat, búgást okozna, szerinted még ennek ellenére is jobb ötlet lenne a szimmetrikus tápfesz használata? Más: A koax bemenetet szeretném galvanikusan leválasztani, (pl. egy pici toroid trafóval) szerinted milyen trafó lenne ide a legmegfelelőbb, használtál már valahol így leválasztást koaxiális bemeneten? Üdv: Laci
Ha toroidot használsz a tápban biztosan nem fog búgni, nekem egy szikra zaja és búgása nincs.
A galvanikus leválasztás minden profi cuccban alap követelmény , csak a spórolás miatt nem rakják be. Ha nem tudsz gyári cd-ből kioperálni ilyen trafót, ajánlanám kipróbálásra a 20PMT04B tip. trafót, amit minden eternet vezérlőn megtalálsz.
Pont van itt pár hibás ethernet kártya, utána is nézek akkor a dolognak, kösz az ötletet
Itt az adatlap: http://pdf1.alldatasheet.com/datasheet-pdf/view/168007/ETC/20PMT04B.html
Szerinted, hogy lenne érdemes próbálkozni vele, a 9-10;15-16 lábakra csatlakozva pl, vagy valamelyik középső leágazására?(A 2. oldalon az S-2 ábrán)
A 20PMT04B az a 2 sor, de 3. ábra, és e szerint én az rca felé 6-7 , a dir 9001 felé az 1-2 kötném. Biztosan beválik.
Kb. ugyanezt a feladatot látja el hasonló frekin és jelszint mellett.
Jah tényleg, elnéztem a táblázatot, bocs
Kösz a segítséget!
Én egy ilyen szabályozót gondoltam hozzá: LP2981. Az OPA-hoz meg megépítem a kapcsolásban szereplőt. Ezt ki lehet később váltani egy kettős táppal. A bemeneti trafó nagy ötlet!
tetszik! -- HOZZÁSZÓLÁS RÉSZLET TÖRÖLVE --
Én eddig csak az egyik ic-t hefteltem fel, mert csak egy panel van kész.
Jól látható, hogy tiszta göröngyös az egész, szinte mindenhol összeértek a vonalak, szeretem a HP nyomtatókat. Ha lesz időm akkor ma megcsinálom a másikat.
A bemeneti trafó mellesleg sokkal jobb minőségű megoldás , mint az optikai (Toslink), mivel a jittert kisebb mértékben emeli. A galvanikus kapcsolat pedig csak újabb problémák forrása lehet.
Akkor hogyan tervezzem meg a panelt? Ne tegyek rá trafót? A tápot azt egy külön panelra gondoltam. Akkor a trafónak ki kellene hagyni a helyet, és meg lehet próbálni a külömbséget. Esetleg lenne ötlet ami a minőség további javítását eredményezné? A fele áramkör smd. A másik fele DIP tokozású. Egy oldalas panelra készíteném el ,amit az smd-k alul lennének, a többi alkatrész pedig felül. Lenne néhány átkötés, de nem sok. Már egy piszkozatom van is papíron. Van e valami amire oda kell figyelni a tervezésnél azon kívül, hogy a ki és bemenetek jó távol legyenek. Valamint a test megfelelő kialakításán kívül? De ha valaki tud ehez egy kész panal tervet kérem jelezze!
Vajon mit lépne a cucc a 33 ohmos ellenállatok hiányára?
Elfelejtettek adni a boltban, és mire ezt észrevettem, már bezárt..
Te PCM1793-hoz tervezed?
Én összeraktam levegőbe PCM1798-al, de sajnos nem működik.. Persze könynen lehet hogy elkötöttem valamit.
Igen ahoz tervezem. Annak működnie kell! Ellenőrizd! Azon gondolkodom, hogy készítek egy SMD/DIP átalakítót ,és azt teszem fel a panelra. Egy azonban biztos. A táp rész külön panelra kerül.
Holnap összerakom az alapokról újult erővel, ma már elég fáradt voltam. Lehet hogy elnéztem valamit.
Én is külön panelra tenném a tápot, legalább két trafóval.
Az egyik trafó csak dac és a dir9001 -es digitális tápigényét szolgálná ki, a másik pedig mindkét ic analóg tápját és az lp filtert táplálná. Ez sokat segít a hangsásban, mert a fokozatok megfelelő szétválasztása a kulcsa a profi hangsásnak. A digitális körben célszerű minden alkatrésznél smd -t használni , a filterben inkább 1% fémréteg ellenállást, vagy még inkább Caddock induktivitás mentes ellenállást ajánlanék.
Köszi a jó tanácsokat.
Szeretném a lehető legjobban megépíteni. Azon gondolkodom, hogy akkor lehetne az egész smd alkatrészekkel szerelve. Sokkal hézagosabb lehetne az egész. Ami előnyös lehet a minőségnél is. Mit gondolsz?
Úgy nem lehet megoldani a dolgot, hogy egy trafó, de a szekunder tekercsek teljesen függetlenek? Szerintem így tökéletes.
Az analóg kimeneten nem célszerű az smd, mivel "elvékonyítja" a hangzást! Én pl. 0.5W-os karbonfilm ellenállásokat használok ,amit műszerrel válogattam kb. 1%-osra össze, a pontos érték miatt. A tápict és a diódákat is a célszerű kicsit túlméretezni , - minél nagyobb legyen az aktív keresztmetszet - mivel jótékonyan hat az opa-k hangjára. A kapcsolásból 100%, hogy kihagynám az aktív szűrőt, és helyette egy méretezett passzív RLC filter kerülne egy buffer ák. -rel megfejelve.
A nyáktervezésnél érdemes a digitális és analóg részeket külön csoportosítani, széthúzni egymástól, de a csoport alkatrészei egymáshoz közel elhelyezni. kb.
akkor ez magyarázza a 0.5w-os ellenállásokat.El nem tudtam képzelni miért? Hisz nem folyik akkora áram ami indokolná! Akkor érdemes 2 külön OPA-t alkalmazni, a csatornák áthallása miatt? És ezeket külön tápról ellátni? A passív szűrő kevésbé intenzív, viszont nem visz bele zajt! Ezért? Sajna ilyen kapcsolás nincs a birtokomban. És a buffer milyen legyen? Megnéztem belülről egy Audio Note DAC-ot. Hhm. Érdekes.
Ha esetleg tudnál valami jó kis szűrő, és buffer áramkört feltenni azt nagyon megköszönném!
A hifi guruk szerint az aktív filterben a különböző frekvenciájú hangok , különböző sebességgel haladnak át az opa-n , ezért a komoly berendezésekben csak passzív filtert használnak. Én is ilyet építettem és nem csalódtam benne.
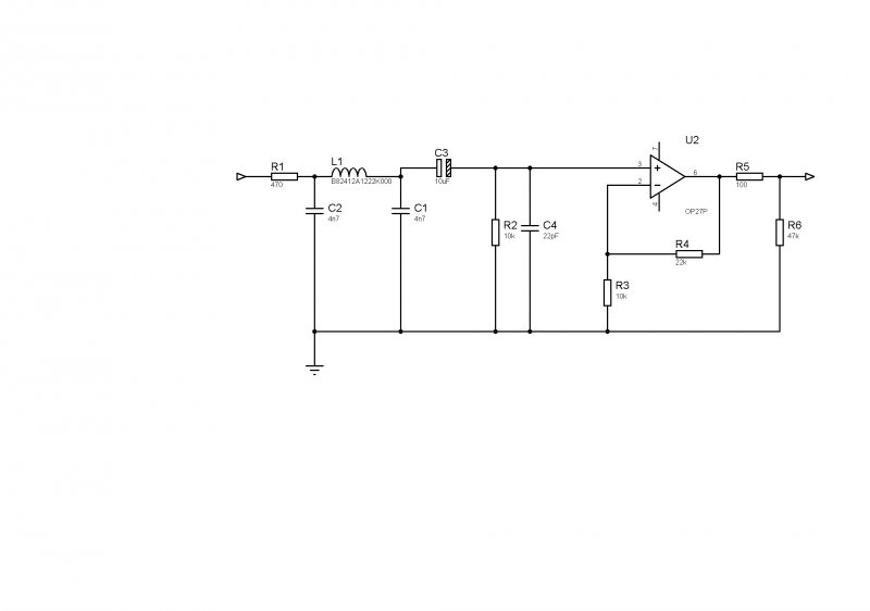
Az alább csatolt rajzon pontos értékeket nem írtam , - bár a buffer így is jó- a filtert ki kell számítani a túlmintavételezéshez mérten. Nekem Non Oversampling dac-om van , ott más értékek kellettek, mint a pcm 17xx-nél. Az opa helyett esetleg meg lehetne próbálni diszkrét alkatrészes opa-t, pl. Marantz HDAM, stb. , de ezek elég drága megoldások és a kimenete kétséges. Talán érdemes külön panelra csinálni az analóg modult, hogy lehessen vele kísérletezni. |
Bejelentkezés
Hirdetés |




Jól látható, hogy tiszta göröngyös az egész, szinte mindenhol összeértek a vonalak, szeretem a HP nyomtatókat. Ha lesz időm akkor ma megcsinálom a másikat. 






