Fórum témák
» Több friss téma |
Parancsolj, megterveztem neked a mikrofon nyáktervét. Mondjuk ezt sosem értettem... említetted, hogy amatőr szinten csinálod. Ahhoz nem tartozik hozzá, hogy egy ennyire végletesen egyszerű áramkörhöz esetleg saját kútfőből megtervezz egy panelt? Lehet megérné ráfordítani azt a maximum 15 percet, és sokkal többet tanulnál belőle, mintha valaki a szádba adja. Egy nagyobb kapcsolási rajz esetén, vagy egy összetett áramkörnél természetesen érdemes a már megtervezett panelre hagyatkozni, mert adott esetben ha elszúrsz valamit, akkor jópár ezer Ft-od, és több órás munka mehet kárba. De egy ilyen esetben, ahol az áramkör összköltsége 200 Ft körül van, szerintem igazán sokat jelentene ha vennéd a fáradságot a paneltervezéshez. Ha más csinálja meg helyetted, abban hol az élvezet? Nem sokkal nagyobb öröm saját tervekkel dolgozni? A tapasztalatszerzésről nem is beszélve.
És tényleg nem tarthat tovább 15 percnél az egész, még akkor sem ha kezdő vagy. Az eredeti nyáktervet egyébként Eagle-lel tudod megnyitni (5.4-es változattal rajzoltam).
Szia!
Nem az SMD terv alapján csináltam megterveztem magamnak papíron.Egyébként jól működik de túl sokat nem kell tőle várni.
Ez 1sima mikrofonerősitő 2db. tranzisztorral,már vagy 10en felrakták a topicba.Mit akarsz vele kezdeni?
Köszönöm a segítséget. Mivel egyánltalán nem tanultam ezt a szakmát, így mindent magamtól kell kiokoskodnom,most is ezt fogom tenni, összehasonlítom a Te elkészített nyáktervedet a kapcsolási rajzal, és sztem a következő már simán menni fog. Irigylem aki ezt a szakát nagyon vágja. De azért mindig talál az ember segítőkész szakmabeli ügyeskezűeket.
Köszönöm!
Ferzoo? Hogy-hogy nem veszed észre az oszcillátort??
Már hogyne látnám,elöerösitö +L-C oszci bc hf.tranzisztorral.Szobába játszani való.
Persze a Bf,Bfr.nagyfrekis tranzisztorokat senki nem ismeri,pedig majd az összes hazánkban gyártott rádióadóban antennaerösítöben ezt használták gyártották. No mindegy,amit ferzoo kollega felrakott,komlett adórajzot,smd panelt,és általa készitett tunert,áthangolt orion tunert az azért müködik,mai napig. Poloskának titulált 4tranzisztoros ic.mic.erösitös adóját megcsináltam,beltérihez használom stabilan megy,nem hangolódik el.
Cserélj billentyűzetet! Kontakthibás a szóköz gombod. (Tudod, az a hosszú, középen, lent.)
Sziasztok!
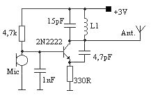
Az alábbi rajzról lenne egy kérdésem.Az L1-L2 tekercsek egymáshoz képest, hogy helyezkednek el.Egymásra tekerve vagy egymás után vagy egymás mellé.Segítséget köszönöm. Üdv:fater
Egymás mellet legyen,laza csatolással.
Sziasztok!
Köszi a segítséget mindkettőtöknek.Volna még kérdésem milyen a laza csatolás, a másik, hogy itt is az L1el állítom a frekvenciát?
Igy igaz, vagy a 33pF-dal, amit célszerű trimmerre cserélni. Kényelmesebb azzal a hangolás. Van még kényelmesebb lehetőség, az oszcillátor bázisfeszültségének változtatásával is elég szépen el lehet hangolni, nekem csaknem a teljes CCIR sávban sikerült ez. Ha erről többet akarsz tudni, a Hobbielektronika 90-08-ban teljes leírást találsz ennek a kapcsolásnak a megépítéséről.
Laza csatolás? Én rövidrezárom azzal, hogy a folyóirat cimlapján látható módon célszerű kialakítani a tekercseket. A konstruktőr vélhetőleg tudta mit csinál.
Szia!
A hangolás így már tiszta sor.A cikket azt nem tudom elolvasni mert egy darab nincs meg ebből a folyóiratból.Még 3 évvel ez előtt sem gondoltam ,hogy hobbi szinten elektronikával fogok foglalkozni. Köszi a segítséget majd eljátszok vele. Üdv:fater
Sziasztok azt szeretném meg tudni ,hogy koax kábelen szeretnék mikrofon jelet vinni amin a tv adás is megy meglehetne e oldani ,mert cimbinek meg született a gyermeke és így szeretné a gyerek szobából át vinni a hangot egy másik szobába.
Tehát a gy szoba koax kábelén lenne egy elektret mikrofon a másik szobában pedig egy mikrofon erősítő végfokkal és hangszóróval .Rádiós motyót nem akar használni azért ,mert ne szóljon a hang szomszédban is.
Megoldható. Valamelyik régi Ezermesterben volt is egy ilyen kapcsolás antenna szereléshez.
Igen. Kell két szétosztó/közösítő. Feltéve, ha nem megy parabola antennához vezérlőjel rajt.
A mikrofon kör felé egy egyenáramúan csatolt aluláteresztő szűrő, gyakorlatilag egy fojtótekercs. Az antenna/tv felé a kiegészítője, azaz egy felüláteresztő szűrő, gyakorlatilag egy kondenzátor. Valamint kell egy hangerősítő és persze hangszóró. Ez lehet aktív hangfal. A mikrofon táplálása a kábelen keresztül történik.
Hali.
Az baj hogyha kábel tv van az egész házban, ez azt jelenti ,hogy van 4 db tv és vannak elosztók ilyenek mint ez.
És ha rádiós cucc lenne de magasabb frekin és építenél hozzá valami egyszerű vevőt amit felejebb hangolsz? Lehetne egy hordozható kisrádió.
Sziasztok
Elkészítettem a mellékelt FM adót. A 12pF kondi helyett 10-est kaptam, és a 2,7pF helyett 3,3-ast. határot ez valamit az adás vételénél? Elvileg 98-106 Mhz között lehetne fogni, de eddig nem találtam ![]() Lehet ez a baj?
Köszi mindenkinek,meg oldottuk árnyékolt kábellel..
Az lehet a gond hogy nem rezeg az oszcillátor,vagy ha rezeg nem tudod milyen frekvencián.Elöbb szerezz be 1frekvenciamérőt,és készits rf.jelszint mérőt pl.deprez műszerrel.Zsebrádió nem elég,és némi rt. gyakorlat is szükséges.
Végre sikerült mindkettő tipusú fm adót működésre birni. Az egyiknél a 12pF-os kondit kicseréltem 10pF-ra. Még elég zajosak, de majd lecsiszolom a forrasztócsúcsokat. Az antennáknak hány cm-nek kell lenni? Jelent az antenna hossza valamit?
Az elkészült fm adók itt vannak: 1 2 3 4 Találtam egy másik fajta tekercses fm-adót, csak sajna nincs hozzá nyáktervem. Tudna valaki készíteni ? Megköszönném. Itt a tekercses fm-adó: tekercses KÖSZI
Szia. Én azt az fm adót nem ajánlom amit felraktál tekercses néven. Megépítettem ,működik nem zajos de egyrészt túl érzékeny az 560k-s elenálással és ha nagyobb hang éri (pl .: tüsszent valaki vagy hangosabban szól) egy időre elhalgat ,majd visszajön az adás. ha kézbeveszed vagy közelítesz az antennához elmászkál a freki. Persze lehet hogy csak nálam ilyen ez a kapcsolás. Amit építettél 3 tranyósat azt is megcsináltam csk a 12p kondi helyére trimert raktam és máris szabájozható lett a freki. Próbáld ki ,hogy az antenna végére a csupaszított vezetékre rákötsz egy csavaralátétet ,nálam jobb lett az adás tőle. nem zajos pedig smd elenálásokat raktam a forrasztási oldalra. Küldök egy képet amin látszik a trimer kondi.
Köszi a tippeket, a trimmeren én is elgondolkodtam már. mekkora trimmert raktál rá?
A tekercses fm adóval kapcsolatban, azt olvastam valahol, hogy az 560K-s ellenállás helyett 120-ast raktak bele, azzal tökéletes lett.
Sziasztok, lenne egy pár kérdésem:
Az adót tudja fogni a vevő? Az adóhoz milyen mikrofont használjak? Max. hány méter a hatótáv, hogy ne kelljen hozzá előerősítő? És hány MHz? A vevőhöz milyen hangszórót, tekercset és antennát használjak? Előre is köszi mindenkinek :worship:
Szia!
Honnan vannak a rajzok? Ott biztosan van leírás a frekvenciát és hatótávolságot illetően..
Ezekkel kár vesződnöd... Az adó kísérletezgetni még csak-csak jó lehet (csak nagyon halk lesz, és max 5-10 méter hatótávra számíts tőle egy átlagos FM vevővel). De a vevő így önmagában nem sokmindenre jó. A kimenete nagyimpedanciás, tehát a szokásos 4-8 ohmos hangszóróval semmit sem fogsz hallani ha rákötöd. Legalább egy LM386-os erősítőt kéne utána rakni.
És hát az érzékenysége sem lehet túl kiváló a vevőnek. Szerintem a kis FM mikrofon jelét már 1-2 méterről sem találnád meg vele. FM vevőnek én TDA7000 vagy TDA7021-et ajánlok, jó tapasztalataim vannak vele.
A kérdésedre válaszolva ,nemtudom milyen értékű trimmert raktam bele mert mintkét adó bontott alkatrészekből épült. A trimmert be tudtam volna mérni ennek ellenére csak "találomra" beleraktam és szerencsém lett mindkét esetben. De a gyári 12p kondival ajánlott ezért olyan trimmert érdemes beletenni amelyik 12p alá és fölé is szabájozható pl.:4-16p. Atól ,hogy az ellenálást 120k ra cseréled még az antenna a rezgőkör része lessz! Csak tanácsként írom ,hogy a régi feleslegessé vált headset-ek és mobiltelefonok mikrofonjai is kitünőek az ilyen poloskákhoz és még kissebek is a közforgalomban kaphatóktól ,valamint a régi feleslegessé vált beépített mikrofonos magnókból is érdemes kimenteni.
A rajzokat nagyon rég találtam, de nem volt róla leírás (szerintem).
|
Bejelentkezés
Hirdetés |


















