Fórum témák
» Több friss téma |
Fórum » Motorgyújtás
Hali én nekem annó mikor babetta gyuszival probálkoztam ETZ-men elősször az volt a bajom, hogy a lend kerék kijjeb ált az alaplaphoz képest mint a babettán és gyenge volt a jel ezt kiküszöböltem beálítottam 2,8 ra és már indult is rugásra. persze lefényképezem majd és rakok fel képeket.
Tegyél rá graetz hidat.és igy mérd meg ,hogy rúgásra mennyire tölti fel a pufferkondit.
oké ki probálom.
Üdv! Össze raktam az MZ-met, de sajna nem akarja az igazat!! Szerintem a lendkerék is jól van elhelyezve és már csak az elektronikára tudnék gondolni
A bajom csak annyi hogy most be van állítva a gyújtás és nagyon jól is megyen vele nem durrog meg tök jól pörög csak nem indul rúgásra és tolásra is csak nehezen. Szerintetek mi lehet? Ha egyszer beindul akkor már jól megy, de viszont alapjárat és környéke használhatatlan Lehet az elektronikát kéne kicsit átalakítani? Mit lehetne kezdeni vele? Ha meg a gyújtásom durrog meg alig akar pörögni akkor meg indul rúgásra már nem tom mit csináljak! Lehet a gerjesztőtekercs halott?? Mi a fene lehet??
a gyújtásrendszeredről rakhatnál fel valamit..már nem vok képbe hogy mit raktál össze..
miről kapja a tápot?? gerjesztőtekercs?? csá
Na ez kimaradt
A motor egy 150-es ETZ. A gyújtás egy Babetta és a régi fajta a Transimo-s. Ennek a jeladója negatív impulzusos és a töltés gerjesztőtekercses! Az elektronikát én csináltam. A lényegét tekintve a gerjesztő tekercsről egy dióda jön majd egy 3µF/250V-os kondit tölt. A jeladóra egy dióda fordítva van berakva hogy negatív impulzus nyissa a triakot ami TIC206M és még van a dióda után egy 10ohmos ellenállás és a földre lemegy egy 10n-s kondi meg egy 333ohmos ellenállás. NYEMI szerint ezt kéne 1k-sra cserélni...
Üdv szakemberek!
Az internetet bújva ráleltem valamire ami számomra igen érdekes. Léteznek 2 illetve 4 ütemű motorokhoz úgynevezett univerzális programozható gyújtások./programozható CDI/ A gond csak az hogy részletesen nem találtam semmit. Tud valaki erről többet./megépítés,programozás stb/ Az tuti hogy PIC-re épül.A hozzávaló programba pedig csak be kell írni az ütemszámot a jeladó pozícióját,hogy felfutó vagy lefutó ágra gyújtson,lehet a max megengedett fordulatot megadni. Szóval tud erről valaki valamit? Azt tudom hogy ordas sokba kerül egy ilyen /300-500 EURO/
csá
ha az a 10n és a 330 ohm párhuzamba van .. azaz, ha a 330 ohm és a 10 ohmos soros ellenállásokkal van terhele a jeladó.. az túl kicsi 340 ohm, nagyon beterheli a jeladót szal 1K szerintem is.. a másik, hogy a gerjesztőtekercsnek csak egyik félperiódusa terhelt.. a másikba nagyon megszaladhat a fesz rajta, és átütheti a tekercs szigetelését... tönkremehet.. szal és 2 utas egyenirányítást javasolnám .. vagy a másik félperiódust is megterheled egy soros dióda + ellenállással én rakok zennert is a jeladó utáni jelformáló ák.-be, mer minnél nagyobb a fordulat annál nagyobb a jeladó fesze.. csá
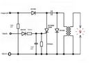
Értem mit mondasz, na itt a kapcsolásom! Ha megkérhetnélek ezt ki tudnád egészíteni ahogy nekem jó lenne a Babetta gyújtáshoz?? Előre is köszi Kurty!
Szia!
Te programozható előgyujtású CDI-t láttál. A jó hír, hogy itthon is gyártanak ilyet. A fórumot átkutatva meg is találod majd. n*10 ezer forint. Nézzd át a fórumot. Nem kell neked külföldi CDI, ha van jó magyar!
csá
én nemigen hiszek ezekben a PIC-es gyújtásokban.. egyszer a vevő honnan a jó retekből tudá, hogy mikor, hol kellene gyújtani a motornak.. csak futópadon lehet belőni.. de az sem csak fordultaszámfügőő, minél több a változó amit figyel a cucc, annál jobb levegő hőmérséklete, páratartalma, motor hőmérséklete.. meg a benya minősége, (kipuff károsanyagtartalma, ha már futópad..) :yes: tehát sztem soktízezreket nem ér meg... én is gondolkoztam egy "analóg" előgyújtásszabályozón.. ami csak a fordulatszám föüggényében állítaná az előgyuszit simsonra olyan 5 - 10 szakaszra gondoltam.. beállítása meg menet közbe potikkal és ledekkel ..remélem működni fog... csá
Hali! mézz körül a www.szocimotoros.hu oldalon énnekem eggy 250es etzn van ijen de az nem cdi hanem sima tranzisztor+ gyári etz Hall jeladó a tuning fejlesztés menübenm találsz direkt előgyujtás szabályzót is meg találsz eggy elektronikus gyujtás építési leírást és annak a végén ott van az előgyujtás szabályzó építési leírás is meg a pichez a progik is.
Én megvettem azt a kisiiparit amit ott reklámoznak és csodákat müvelt az ETZ-vel.
Köszi a tippet.Mennyi volt a kész "kisipari" gyújtás?
Hali! én 11E ért vettem de használtan.
úgy tudom hogy 13-15 körül árulják az ujjat.
Sziasztok!
Szeretnék egy elektronikus gyújtást készíteni egy gs 850-es suzukihoz. Találtam egy kapcsolást (mellékelve) de az hall jeladós. Nekem viszont megszakítós rendszerből kellene a jele vennem. Tud valaki segíteni abban, hogy a mellékelt rajzon mit kellene átalakítani? Ugye jól gondolom, hogy az X2-1 és X2-2 kapcsokra megy a gyújtó trafó? Előre is kösz.
Hali! Én ezt építettem meg ETZmre és nagyon jól müködik vele igaz hall jeladóval de szerintem megszakítóval is ugyanúgy müködik mert a hall is testet kapcsol jelnek. ez lefutó élen ad szikrát ugyhogy jónak kell lkennie megszakítóhoz is .:http://www.freeweb.hu/e-gyujtas/kapcs_1h.jpg
Az alkatrésztlistán a pirossal írt dolgok kellenek a 12 voltos rendszerhez. UI: a kondit kösd le a megszakítórol mindenképp!
Hello!
Picikét énis nézelödtem PIC-es gyújtás ügyében.. Namármost 2 üteműre teljesen felesleges.. A 2 ütemű motornak nemnagy függösége van az elögyújtástól (elég ha mindig egy pontos értéken áll) 4 ütem esetében már nem így van ... Oda feltétlenül kell az előgyújtás szabályozás. A PIC nek a müködése a következő. A mindenkori fordulatszámból tudja (melyet a jeladóról szed) hogy mennyi a fordulatszám. Ekkor a megadott fordulatszám értékhez tartozó késleltetést rakja az alap jelhez és az idő elteltével gyújt. Kis késleltetés nagy előgyújtás.. Annyit kell még átalakítani mechanikailag hogy a jeladó jóval elöbb kapjon jelet mint hagyományos üzembe (PIC is késleltet továbbá akkor pontosabban, és szélesebb spektrumba állítható) http://www.sportdevices.com/ignition/ignition.htm Itt van program is meg minden egyébb leírás.. De ha még pontosabbat szeretnénk akkor kellene egy légtömegmérő és ha sokat szív (sok benzinnek nagyobb az égésí ideje ) akkor növeli az előgyújtást.. Sajna én nem értek a PIChez pedig biztos nekiállnék mert nekem is kellene a mocimra..... És ha kiszámolod nemnagy összeg (PIC a húzos meg a tirisztor a többi filléresnek tekinthető) Idézet: „A 2 ütemű motornak nemnagy függösége van az elögyújtástól (elég ha mindig egy pontos és állandó értéken áll)” ez így nem teljesen igaz... legalább annyira kell neki az elgysusziállítás, mint a 4 üteműnek (sőtt még jobabn is .. mivel kb kétszer akkora a fordulatszámtartománya, mint a 4 ütemnek...) persze az más kérdés, hogy elmegy egy fix beállított értékkel is... DE akinek van/volt szocimotorja az nagyonjól tudja, hogy az előgyusziállítás eléggé macerás dolog.. mivel a RPM tartomány felső 2/3--3/4 szakaszában kellene jó helyen lenni, így az alsó szalkaszon a motor nem ad full nyomatékot... ha egy zweitaktra előgyusziálítő cuccot tesz valaki akkor érezni fogja ... a különbség ég-és-föld.. mert ugye alacsony fordulaton is húúúz a gép... persze 2T pöcsköszörüknél (robogó ) jó a fix előgyuszi mivel azok csak rezonancián mennek... oda kell belőni és kész...csá
Hali átalakítottam a fet-es gyuszit úgy ahogy írtad és müködik is csak marha forró a fet. babetta trafóval és6 voltos aksival kisérleteztem miért lehet ez a melegedés? ja annyi hogy a panelra nem raktam egyenirányítót mert aksirol fog menni és külön csináltam neki töltést a próba alatt csak aksit használtam töltés még nem volt rákötve. Valami ötlet a hibára?
Helló!
Az oldalra már én is rátaláltam.van még pár dolog ami nem tiszta,de ha időm lesz belevetem magam. Az alkatrész árakról ic16F84 1068 FTBT151 tirisztor 230 Ft.Szóval ez a két úgymond húzós anyag van a kapcsolásban.A többi összesen talán van még 500 Ft is. Tervezem a megépítését tesztelését. A tapasztalataimról beszámolok. Üdv
Véleményem szerint kevés a 6 volt-nem nyit ki rendesen a fet ...ezért melegszik.
Hali! akkor melegedett amikor nem kapott jelet ha adtam testet a jelre akkor levette a trafórol az áramot és ki is hült eggy kis idő után. van valami ötleted megoldás képp???
Császtok!! Kicseréltem a 333ohm-os ellenállást a gyújtáselektronikámban 1k-sra. És naon jó lett!!!
Habár rúgásra nem indult el, de egy pici tolásra indul és utánna sokkal jobb simábban megy! Köszi mindenkienk! Majd ez a PIC-es gyújtás szerintem engem is fog érdekelni!!
Igen, akkor melegszik/folyik az áram amikor éppen H szintet kap a FET (A megszakítós gyuszi működését utánozza). Szerintem is kevés az a 6V oda, és nem nyit ki eléggé a FET, Próbáld meg szerintem 12V-os akkuról (persze a megfelelő alkatrész értékekkel)
Császtok! Egyik rajzot módosítottam szerintetek ez működne?? Csak simán jeladóval meglehetne hajtani a fetet??
Ez működne.... de csak HALL IC-vel. (meg 1-2 hba kijavítása után)
Ismerős ez az SU161 meg FET párosítás .... A jeladótekercsnek itt ekkor kéne vagy 12V-ot szolgáltatnia, ráadásul utána kéne valamit kötni ne színuszjellel hajtsa meg a trafót. A trafót meg nem a stabkocka utn kell kötni mert nem bírja el. A trafó felvesz vagy 2A-t. A trafónál nem tudom mit keres az a földelés...
Hali! 12v-al megy a gyujtás. csak nekem 6v-ot tölt a moci. használtam 12v-os akuval csak pár óra alatt lemerült és megált a gép. azért kellet volna ezt 6 v-ra alakítani mert méretre is kicsi és egyszerü. na mindeggy akkor marad a tranzisztoros gyuszi.
Köszi a válaszokat mindenkinek.!!!
Üdv!Szeretnék építeni egy 12V-os gyújtótrafóhoz egy már kipróbált kapcsolást.A jeladó induktív.Ha tudna valaki segíteni megköszönném.Nézelődtem már itt a fórumon de csak hall-osat találtam.
A segítséget köszi előre is.
az attól függ, hogy milyen gyuszit akarsz..és mennyire bonyolultat, menynire vagy jártas az elektroba..
milyen tápok vannak a vason.. CDI sztájl = tirisztoros = kodenzátoros...(2Tre ajánlom) vagy hagyományos trafótekercsben tárolt energiás... sztem az induktív jeladó sokkal jobb mint a hall, nekem is induktív van le kell majd mérni a jeladón a csúcsfeszt (kb ra) meg a belső ellenállását... ---tulajdonképpen akármilyen gyuszit össze lehet hozni induktí jeladóal--- :yes: ..... csá
Üdv!
Szóval a motoron 12V-os akku van.Mivel az eredeti gyújtás hejreállítása igen költséges lenne,ezért vált szükségessé egy teljesen új gyújtás megépitése. A jeledó induktív 2-4V közötti jelet ad le.Vásároltam egy Simson trafót ami ugye 1500 Ft és ehhez kell egy kapcsolás. A szempont csak annyi hogy megbízható legyen. Ne álljon le vele szegény haverom,ha már egyszer megkért hogy segítsek neki.Az elektronikai jártasságom azt gondolom elegendő./1992 óta elektronikai műszerész technikusként dolgozgatom mindenfelé/.Ha összekapnám magam kiagyalhatnék egyet,de annyi tapasztalattal már felvérteztem magam,hogy minden újonann tervezett dolognak vannak úgymond gyermekbetegségei.Ezt szeretném kiszűrni.Legyen egyszerű,megbízható és persze olcsó is.Köszi. |
Bejelentkezés
Hirdetés |




A bajom csak annyi hogy most be van állítva a gyújtás és nagyon jól is megyen vele nem durrog meg tök jól pörög csak nem indul rúgásra és tolásra is csak nehezen. Szerintetek mi lehet? Ha egyszer beindul akkor már jól megy, de viszont alapjárat és környéke használhatatlan
Lehet az elektronikát kéne kicsit átalakítani? Mit lehetne kezdeni vele? Ha meg a gyújtásom durrog meg alig akar pörögni akkor meg indul rúgásra már nem tom mit csináljak! Lehet a gerjesztőtekercs halott?? Mi a fene lehet?? 

) jó a fix előgyuszi mivel azok csak rezonancián mennek... oda kell belőni és kész...
Habár rúgásra nem indult el, de egy pici tolásra indul és utánna sokkal jobb simábban megy! Köszi mindenkienk! Majd ez a PIC-es gyújtás szerintem engem is fog érdekelni!! 





