Fórum témák
» Több friss téma |
- Ez a felület kizárólag, az elektronikában kezdők kérdéseinek van fenntartva és nem elfelejtve, hogy hobbielektronika a fórumunk!
- Ami tehát azt jelenti, hogy a nagymama bevásárlását nem itt beszéljük meg, ill. ez nem üzenőfal! - Kerülendő az olyan kérdés, amit egy másik meglévő (több mint 17000 van), témában kellene kitárgyalni! - És végül büntetés terhe mellett kerülendő az MSN és egyéb szleng, a magyar helyesírás mellőzése, beleértve a mondateleji nagybetűket is!
Nem fog kellened cserélni mert tuti jó lesz.
Szia!
Majd kipróbálom. Figyi! van egy 0R56 2w ellenállás ez metál oxid. miben változik a sima széntől?? Mért nem jó a szénréteg ellenállás??
Azért nehogy azt gondold, hogy a billenő kapcsolóknak nincsenek hasonló paraméterei. Ha egy ilyennel oldod meg kisszintű jelek kapcsolását, meg fogsz lepődni.
Ahol ez fontos, ott pl aranyozott kontaktusokat használnak, megfelelő összeszorító stabil erővel, megfelelő szigetelőanyagok használatával, árnyékolással. Nem nagyon hiszem, hogy egy nem erre a célra tervezett billenőkapcsolónak olyan jók lennének a paraméterei. (bár még soha sem mértem, de nem tennék bele ilyet a hálózati kapcsolót kivéve) Példának okáért nézz meg egy rádióvevő hullámváltóját, legalább két típusú kapcsplót tartalmaz, mégis recseg, ropog idővel. Úgyhogy keresgélj csak olyan kapcsoló eszkörök után, amik az igényeket kielégítik beiktatási, zárási, áthallási csillapytás, torzítás, és zaj értékekre nézve.
Szia!
Te tudod mi az a "5K TRIMPOT"??? üdv
A szénréteg ellenállás zajosabb, és az időállósága is gyengébb.
Szia!
Te tudod mi az a "5K TRIMPOT"??? üdv
Hello!
Baromi munkás lesz, ha mindenkitől ezt külön-külön megkérdezed. Így én előre válaszolok inkább.. 5kohm ellenállású trimmer potenciométer.. üdv! proli007
Hello!
Nem vagy az a keresős típus, mert pld. itt! Csak a formáját és az értékét kell kiválasztanod.. üdv! proli007
Szia!
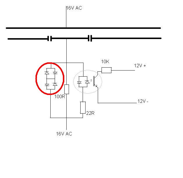
Ilyen cuccom van pár ithon,"meg is nézem. És még az érdekelne, hogy van olyan alkatrészem ,hogy 10K SIP 7 (gondolom az egy 7 lábú ellenálás híd lessz) nekem van ithon olyan cuccom ami hasonló csak az 9 lábú és még az értékét sem tudom. ha esetleg levágnák róla 2 lábat jólehet ,ha az értéke megfelelő?? (ránéznél a képre?!) Idézet: „Értem. Akkor a hidat vegyem ki, és a 22R-es ellenállást cseréljem ki 15R-es 1-5W-osra? És a 100R-eset hagyjam? ” A kapcsokásban most sincs sok haszna a graetz-hídnak. Nyugotan kivehető a kapcsolásból. A 100 ohm helyett 15 ohm 1W - 5W-os ellenállás tegyél. A 22 ohm -ost el kell távolítani ( 0 ohm. ). S ha csak nem egy másik tranzisztort vezérelsz az optocsatóval, akkor a 10K-s is átgondolásra szorul. Az lenne a legjobb ha a te igényednek megelelően méreteznéd az áramfigyelő ellenállást! Azaz mérd meg a motorjaid áramfelvételét és a legnagyobb áramhoz méretezd a söntellenállást. Igazádól az optocsatoló LED-je(-i) határozzák meg a fölső áramküszöböt. Az optocsatoló jelerősítéséből adódóan akár 2-3mA LED-áramnál is adhat még a forotranzisztor értékelhető jelet. Idézet: Hol latsz itt graetz hidat? Az ketszer antiparalel dioda a feszultsegvesztesegek behatarolasara. Ha nem erted inkabb ne irjal semmit. Csak azert van ott, hogy a 100 ohm-on eso feszultseget maximalizalja 1,2 voltban. Lehet nagy aramfelvetel a sinen es akkor a 100 ohm-on nagyobb lehet feszultseg mint ami a mozdonyra esik. Ez pedig nem jo se a LED-eknek es se a mozdonynak .„A kapcsokásban most sincs sok haszna a graetz-hídnak” Udv Vili Idézet: „Hol latsz itt graetz hidat?” Lásd mellék. Idézet: „Az ketszer antiparalel dioda a feszultsegvesztesegek behatarolasara.” Ha neked úgy jobban tetszik ám legyen... Idézet: „Ha nem erted inkabb ne irjal semmit. Csak azert van ott, hogy a 100 Ω-on eso feszultseget maximalizalja 1,2 voltban. Lehet nagy aramfelvetel a sinen es akkor a 100 Ω-on nagyobb lehet feszultseg mint ami a mozdonyra esik.” Én úgy tanultam annak idején, hogy az árammérésre ( és talán ebben az esetben a jelzésre is ) A LEHETŐ LEGKISEBB ELLENÁLLÁST KELL HASZNÁLNI! Ezzel is csökkentve a veszteségeket! Ha jól van méretezve az ellenállás akkor a védődiódák ( nevezzük így :gumicsirke: ) csak a LED elől vennék le a feszültséget, ami marad az vagy elég vagy nem. S Az áramkör megrajzolása sem mondható túl profinak. Hmm. ... Idézet: „Ez pedig nem jo se a LED-eknek es se a mozdonynak .” Vagyis teszerinted nyugodtan bárki megépítheti a szóban forgó kapcsolást? De ha esetleg kicsit visszaolvasol, akkor láthatod, hogy én a REED-csöves áramrelét javasoltam! Ott csak egy pár menetes áramtekercs kell és kész is. Nincs se védődióda, se az ellenállásból adódó sebességvesztés, ami az alacsony sebességnél igencsak számít. vilmosd! Volt villanyvasutad!? :miaz: Üdv: _JANI_
Hali
Az antiparalel dioda az nem graetz egyeniranyito hid: Graetz. A hid kapcsolasnal a ket-ket ellentetes pontokra kapcsolunk feszultseget. A 100 ohm-os ellenallas erteke meg fogja hatarozni a megszolalasi kuszobot. Ebben az esetben kb 10-12 mA ez az ertek (fugg az opto LED nyitofeszultsegetol). A diodakkal viszont behataroljuk a maximalis feszultsegesest, ami 1,2 V. De ezek vegul alapveto elektro ismeretek. A REED rele viszont nem hiszem hogy 12 mA-nel megmozdulna. Regen alkalmaztuk szgk potkocsi iranyjelzo visszajelzonek, de ott azert sokkal nagyobb aramok folytak. Szerintem a kapcsolas mukodik igy ahogy van. Udv Vili Ps: nem volt villanyvasutam, de a 70-80-as evekben mar csinaltunk az ismerosoknek PWM-es iranyito pultot.
Szia!
Pedig az egy Graetz aminek összekötötték a pozitív és a negatív kivezetését. Össze rakhatod 4 db diódából is, de sok gyári kütyüben eleve diódahidat raknak oda. Viszont az igaz, hogy nem vehető ki a kapcsolásból.
Szia!
Ha ránézel a képre talán te is észreveszed, hogy a 8. láb nincs bekötve. (én úgy látom) , de javits ki ha tévedek. A kapcsi rajzon is csak 7 lábkiosztás van. üdv
Sziasztok!
Az én kérdésem az lenne , hogy valaki ismeri-e a tda8950j típusú ic-jét . És ha igen akkor mik a tapasztalatok evvel kapcsolatban?És egy nagyon kezdőnek megéri ilyennel próbálkoznia? A válaszokat előre is köszönöm. Üdv: Dávid
Hát ezzel sajna nem lettem előrébb.
Üdv!
A TL431-et hogy lehet úgy bekötni mint egy hagyományos zenert, hogy az áramkörrel sorosan és csak a beállított feszültség érték felett engedjen át? Egyáltalán lehet? Remélem érthető a kérdésem.
Vannak olyan kábelek, amikben valamilyen fém sodort erek vannak, pl egy egyszerű 230v-os kábel mondjuk a nyomtatóba.
De vannak olyanok, amiket nehezen lehet forrasztani, na én erről kérnék egy kis információt, hogy hogyan lehetne ezeket forrasztani, ilyen van pl fülhallgatóban, és az én egeremnél, aminek elszakadt a kábele. Ezekben a kábelekbe ilyen textil? féle szálak vannak.
Egy kezdőnek semmiképp nem. A D osztályú erősítővel kezdeni, nem igazán nyerő vállalkozás.
Gondolj bele. Ha nem indul, érted a működési metódusát? Van megfelelő műszerparkod a javításhoz, és tudod majd mit, és hol mérj rajta? Az hogy egyszerűnek hat a kevés külső áramköri elemből kialakított kapcsolás, ne tévesszen meg.
Ezek az un. CuZ huzalok. Azért nem tudod forrasztani, mert erenként van szigetelve lakkozva. Ezt a lakkréteget szikével óvatosan lekapargatva, forraszthatóvá vállik.
A szövetszálak a szakadás elleni védelmet szolgálják, ezeket a végforrasztásoknál vágd le.
És ha mondjuk öngyújtóval leévetem a végét, meg ezt a szövetet, akkor úgy már forrasztható, vagy még utána kell kapargatni?
Köszönöm a választ! Ezek szerint akkor semmiféleképp se kutakodjak tovább.De viszont lehet , hogy majd egy hidalt tda 7294-es erősítővel megpróbálkozok majd.(kit formájában)
Az is járható út, azonban a szennyeződésektől akkor is fémtisztára kell majd tisztítanod a forrasztás előtt.
Fenyőgyanta használata ajánlott!
Hali. Az lenne a kérdésem hogy ezt a fúrót járathatom-e számítógép tápról?
|
Bejelentkezés
Hirdetés |












