Fórum témák

» Több friss téma
Fórum » DC motor/lámpa PWM szabályzása
 
Témaindító: redcar, idő: Márc 3, 2006
Témakörök:
Lapozás: OK   19 / 155
(#) Gergő81 válasza Massawa hozzászólására (») Jún 15, 2010 /
 
Nagyon nem vagy tisztában a dolgokkal.
Próbáld ki diódával!
A kapcsolás veled ellentétben tudja a fizikát!
Az induktivítás áramát megszakítva a benne tárolt energia valahol hővé alakul... E=Iˇ2*L/2
A plusz veszteséget okozó váltóáramot a motor induktivitásán áthajtó váltakozófeszültség nő, nőnek a veszteségek a motorban, és az elektronikában is.
Pv=(Uˇ2/R)*cos"fi" Ahol R= omega*L, ahol omega=2 pí*F, itt F a négyszögjel alapharmonikus frekvenciája.
(#) pucuka válasza (Felhasználó 15355) hozzászólására (») Jún 15, 2010 /
 
Lehet, hogy Mosfilm összekeveri a LED -es fényerő szabályzással, ahol fontos a max amplitúdó
(#) Gergő81 válasza Massawa hozzászólására (») Jún 16, 2010 /
 
Nos, ha nincs dióda, és a motorral sorosan kötött kapcsolóelemet megszakítod, miközben a motoron áram folyik, akkor a motor induktivitásának mágneses mezeje az árammal együtt megszűnni kénytelen. Ekkor a mágneses mező energiája más energiává alakul át, jellemzően hővé a kapcsolóelemen, és a motorban egyaránt.
A hirtelen csökkenő fluxus nagy feszültséget indukál, tönkreteheti a szigeteléseket, és a kapcsolóelemet, kefeszikrázáshoz vezet. A dióda pont azért kell, hogy a motor árama akkor is tovább folyhasson, és így nyomatéka is lehessen, amikor nem a tápfeszültségre van kötve, mert a kapcsoló (FET, IGBT, Bipoláris tranzisztor) kikapcsolt állapotú.Ekkor (diódával) az induktivításában tárolt energia nagy része a tengelyen megjelenhet mechanikai munkaként, kis része persze így is hővé alakul.
Én elolvastam és megértettem, hogy te mit írsz, de te úgy tűnik, magad sem érted.
Szavakkal:
A PWM vezérlés által a motorban okozott járulékos veszteségek a kapcsolási frekvenciájú négyszögfeszültség által, a motor véges jóságú iduktivításán, mint komplex ellenálláson áthajtott áram valódi (vattos) teljesítményével jól közelíthetőek.
Az induktivítás impedanciája a frekvencia növelésével nő, a váltóáramú összetevő csökken, a veszteségek addig csökkennek, ameddig a dielektromos veszteségek dominánssá nem vállnak. Erre csak nagy feszültségeken, és igen nagy frekvenciákon kell számítani. A dioda hiánya miatt feszültséglökések keletkeznek, ami a váltó komponens négyzetes középértékét növeli, így növelve a motor veszteségeit is.

A kimeneti LC szűrő a motor veszteségeit csökkenti, de nagyobb frekvencián, és kis feszültségen ezek annyira kicsik, hogy ha a zavarvédelem nem indokolja, akkor az LC szürő fölösleges, sőt , a benne termelődő veszteség meghaladhatja a motorban megtakarított energiát, ekkor kissé káros is lehet. Nagy feszültségeken már más hatások válnak dominánssá, ekkor többször lehet indokolt a szűrő.
(#) Gergő81 válasza Massawa hozzászólására (») Jún 16, 2010 /
 
A külső gerjesztésű és állandómágneses motorok, az armatúravisszahatást elhanyagolva, és állandó gerjesztés mellett az armatúraáram átlagával arányos nyomatékot adnak le. Ha az áram hullámos, az az összes veszteséget fajtánként külön-külön növeli, de a nyomatékot nem, ezért nagyon káros.
Soros motoroknál, a nyomaték (szintén a telítési jelenségeket, és az armatúravisszahatást elhanyagolva) az áram négyzetével arányos, vagyis a hullámos áram a rézveszteségeket ugyanolyan arányban növeli, mint a nyomatékot. A megjelenő vasveszteségek, és az előbb elhanyagolt hatások miatt azonban így is kissé káros.

A gyakorlatban egy univerzális motor jobban terhelhető HF-PWM-ről, vagy DC-ről, mint AC-ról, vagy TRIAC-os vezérléssel.
Ha a motor áramának hullámossága 1-5% közötti, az jó kompromisszum a motor és az elektronika együttes veszteségét illetően. Ha ez a kellemetlenül sípoló tartományba esik, akkor főleg FET-ekkel fel lehet menni 20kHz fölé is, ez gondot csak nagyobb feszültségen okozhat, és akkor jöhet az LC szűrő, vagy vissza a sípolás.
(#) Gergő81 válasza (Felhasználó 13571) hozzászólására (») Jún 16, 2010 /
 
Mosfilm jól gondolja, hogy a motor bizony látja a váltóáramú komponenst is, és ebben neki van igaza. Az más kérdés, hogy azt hiszi, hogy ez előnyös bizonyos szempontból, ez nem igaz.
Ezért kell a frekvenciát lehetőleg magasra választani, és a diódát beépíteni, így a váltóáram elhanyagolhatóan kis értékűre csökken.
Számításba jöhet az LC szűrő is, ahogy simpi javasolja, de ez csak a lassú tirisztorokkal megvalósított max néhányszáz Hz-es tartományban, többszáz voltos motorok mellett tűnik indokoltnak.
(#) Gergő81 válasza (Felhasználó 13571) hozzászólására (») Jún 16, 2010 /
 
Az áramkörök mindig mindannyiunknál jobban tudják a fizikát.
Az persze nem mellékes, hogy mennyivel

Ha az elmélet, és a gyakorlat között eltérés van, akkor az elmélet és a mérés közül legalább az egyik hibás...
Ha érdemben akarunk fórumozni, törekedni kell a pontos, egyértelmű átgondolt hozzászólásokra...mindenkinek.
(#) Gergő81 válasza Massawa hozzászólására (») Jún 16, 2010 /
 
Mert ha nem kapcsolóüzemű, de szabályozott, akkor áteresztőelemes disszipatív. Az meg részfordulat-számokon marhára melegszik!
Akkor kell hűtés is
akkor drága
akkor nagy
akkor sokat fogyaszt
ha ez mind, akkor az nem jó megoldás.
Na ezért kapcsolóüzem! Az hogy PWM ,PFM vagy a kettő keveréke már részletkérdés.
(#) Gergő81 hozzászólása Jún 16, 2010 /
 
Jó éjszakát!
(#) Moderátor hozzászólása Massawa hozzászólására (») Jún 16, 2010
 
Nono! Vegyél vissza légyszíves! A másik meg az, hogy próbálj meg helyesen írni. Köszi.
(#) pucuka válasza Massawa hozzászólására (») Jún 16, 2010 /
 
Esetleg az fel sem merült benned az amit Gergő81 írt, hogy azt a veszteséget spórolod meg a PWM szabályzással, amit a disszipatív szabályozásból adódik. Mert a lényeg a motor átlagáramának a szabályozása, és a PWM az integráló tag(ok) után pont ezt teszi. Nem az a lényeg, hogy a motor impulzusszerűen megkapja a teljes tápfeszültséget (áramot), mint a LED fényerőszabályzásnál, mert ott az "integrálást" a szemünk (tehetetlensége) végzi. A motornál, mint már említettem a motor tehetetlensége, és az esetleg alkalmazott kiegészítő integráló tag (alluláteresztő szűrő) végzi. Kis fordulatnál épp az a gáz, hogy kicsi a motor tehetetlensége, és ha a PWM frekvencia is alacsony, akkor a motor rángat.
Ha nem hiszed, egy kisértékű soros ellenálláson szkóppal nézd meg a motoráram jelformáját, kicsit hullámos egyenáramot fogsz látni, aminek a szintje a kitöltési tényezővel arányos.
(#) Gergő81 válasza pucuka hozzászólására (») Jún 17, 2010 /
 
Azért, ha megnézed a LED-ek áram- fényáram görbéit, akkor látod, hogy a LED-ek fénykihozatala (lumen/ A) az áram növekedésével romlik. Ezt növeli a nagyobb áramhoz tartozó kissé nagyobb kapocsfeszültség, ezért a hatásfok még gyorsabban romlik. Egyes piros led-ekben kifejezett, és erős telítési jelenség is fellép nagyobb áramoknál. A LED-eknek is jobb a PWM után simított egyenáram. Azt, hogy sok adatlapon miért adnak meg minimális üzemi áramot, nem értem, nem magyarázzák. Az, hogy teljesítmény-eszköz, ezért ne használja pl. 200mA alatti árammal, nekem nem magyarázat. Sokszor a megadott minimumnál kisebb árammal használok LED-et, és eddig még egyiken sem vettem észre károsodást. Százas-ezres nagyságrendű üzemóra után legalábbis még nem...
(#) Gergő81 válasza Massawa hozzászólására (») Jún 17, 2010 /
 
Szerintem így 2010- ben az egyéb megoldások mint például a Ward-Leonard , és sok más kaszkád nem versenyképesek. (Abba most ne köss bele, hogy a váltóáramú erőátviteli hálózat miatt ezen egyenáramú hajtások szinkron, vagy aszinkronmotorral indulnak, és a generátor is néha szinkron, egyenirányítva) A többkefepáros, kommutátoros, tekercs- és pólusátkapcsolásos speciális DC- motorok más lehetőséget jelentenek a szabályzásra, de azok is kezdenek elavulttá válni. Akkor is meg lennék lepve, ha ilyen itt többeknek (bárkinek) lenne.
A gerjesztés-szabályozás ma is bevett, de nem állandómágneses motoroknál. A másik a söntrendszerű szabályzás lenne, feszültséggenerátoros tápellátás mellett viszont nem használható, és ugyanúgy disszipatív rendszer.
(#) Asmara válasza pucuka hozzászólására (») Jún 17, 2010 /
 
Kedves topiklakok, már régen passziv olvasoja vagyok az itt irottaknak, de eddig nem igen akartam szolni (söt hinni a leirtaknak), ezentul sem fogok sokat.

Itt sajnos a kisebb. nagyobb tévedések sorozata áll fenn.

Az egyik fél a motorrol beszél a másik meg az elektronikárol - a kettö nem ugyanaz.

Más.
A PWM föleg nem azért van, hogy a motoron egy átlagáramot állitsunk be, azt sokkal könnyebb egy sima DC-vel, és a motor sem integrálja az áramot, az integrácio csak a mechanikai munkában jelentkezik, de nem a tekercseken.

A motor és a LED között az a lényeges különbség, hogy a LED-et azért tápláljuk rövid, de erös áramu impulzusokkal, mert ott nem tudjuk elvezetni a höt. A szemünk meg amugy is 50-70 Hz felett nem látja a villogást, igy bátran megtehetjük, hogy nagyobb frekvenciával, de nagyon rövid impulzusokkal állitsuk elö a fényeröt - idöt adva a LED chip kihülésének. Egyenárammal ezt meg sem lehet tenni, mert nem lehet megoldani a kis chip hütését.

A motort föleg azért tápláljuk PWM-mel, mert az impulzusok igy játszva leküzdig a kefeveszteséget, igy a motor alacsony fordulatú tartományban is kiváloan vezérelhetö. (Az állohelyzetböl valo indulás a legkritikusabb).
Amennyiben bármivel megszürjük az impulzusokat pl. egy külsö fojtoval, vagy párhuzamos kondenzátorral gyakorlatilag elveszitjük az impulzusvezérlés lényegét.)

Egy magasabb szintü vezérlés a kevertáramu vezérlés, amikor egy sima DC-hez (változtathato feszültségü) adunk csak nagyon keskeny Vmax impulzusokat (analog OR áramkörrel).
Igy azok a fordulatszám also 10-30%-ban átsegitik a motort a mechanikus és kefeveszteségeken, és teljesen sima vezérlést tesznek lehetövé minden mellékhatás nélkül (amit a PWM-nél tapasztalhatunk azaz a motor nem melegszik és mindíg optimális munkapontban lesz minden fordulatszámon).
A kitöltési tényezöt és a frekvenciát csak egyszer kell beállitani, hogy 0V DC mellett a motor ne mozduljon - egy lehettel keskenyebb impulzus az ideális.
Ezekután már csak a DC változtatjuk. A DC legkisebb változására a motornak simán mozdulnia kell.

Ezek az impulzusok teljesen feleslegesek lesznek, ha a motor átmegy a stabil forgásba (10-30% max ford fölé). (Így azokat akár ki is lehet kapcsolni kézzel, vagy automatikusan)

Gergö Ward-Leonard gépétöl nagyságrenddel egyszerübb egy sok leágazásu trafo egyenirányitoval (ami szintén veszteségmentes) - söt bizonyos esetekben egy toroid trafo felületén elég eltávolitani a szigetelést és egy fordulo áramszedö kontaktussal bármilyen feszültséget le lehet venni. (ilyeneket akár készen is lehet kapni).
Sajnos ezekkel a berendezésekkel nem lehet elérni azt a vezérlési minöséget amit fentebb leirtam, mert a kefeveszteség akár 5V is lehet (motortol függ), igy a 0-5 V tartományban a motor DC-vel el sem indul, majd pedig hirtelen nagyot ugrik - pl. sok olcso12 V-s motor ilyen, igy 5 V-nál már majdnem a max. fordulatszám felénél tart, amikor elindul - lassitani viszont lehet akár 1 V-ig is, de elöször el kell inditani.
Ez a lényege és értelme a PWM illetve a kevertáramu vezérlésnek, amik 0 fordulatszámrol inditanak az elöbbi kb. 50%-nál jelentös veszteséggel hajtja a motort.

Remélem sikerült elmondanom a dolgok lényegét, és nagyon örülnék, ha ezzel eloszlana minden kétely, amivel itt Mosfilmet támadtátok ill. nem értettétek meg mondokáját (a moderátorok hallgatása és egyébb elfoglaltsága mellett).

Nem kivánok résztvenni a vitában, igy nem fogok válaszolni sem.
Ezt majd helyettem megteszi Mosfilm, ha akarja.
(#) Zoltan.ms hozzászólása Jún 17, 2010 /
 
Sziasztok.
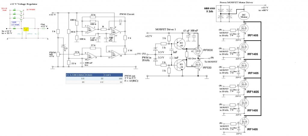
Szeretném megépíteni a 01-es számú képen szereplő PWM-et 6 db FET-tel és azt vettem észre, hogy a mosfet driver szekcióban a BD tranzisztorok teljesen máshogyan vannak berakva mint a többi mellékelt képeken látható kapcsolásban.
Ez hibás rajz lehet?, vagy valóban így kellene bekötni őket?
Mellékeltem egy "javított" rajzot is (amit én szerkesztettem át) és szeretném a véleményeteket kérni róla, hogy így jó-e a kapcsolás teljes egészében, vagy van-e amit változtatni kellene rajta (bármelyik részén)?
A motor 24V 1500Watt amit meghajtana 16 vagy 20 Khz-en.
köszönöm a segítségeket, bármilyen észrevételt szívesen fogadok.
(#) Moderátor hozzászólása Asmara hozzászólására (») Jún 17, 2010
 
Azért nem semmi mekkora pofája van egyeseknek.
Beregisztrál Mosfilm újra és megvédi saját magát ezúttal Asmara néven.

Azt a skizofrén mindenit!

Ezért repültél. Használd az eredeti felhasználóneved, nem kell itt játszani az internet névtelenségével.
(#) bankimajki válasza (») Jún 17, 2010 /
 
Már épp kérdezni akartam hogy miért lett kitiltva, de így jogos.
(#) Topi válasza bankimajki hozzászólására (») Jún 17, 2010 /
 
Elfeledkezett róla, hogy nekünk kötelességünk tárolni minden rendelkezésre álló információt a felhasználóról.

Azért egy azon gépen, egy azon unique ID-vel, egy azon IP tartományról, egy azon böngészővel két vasat is a tűzben tartani elég merész dolog.
Mert hiába cserélt IP-t újracsatlakozással. Azért mi sem ma jöttünk le a falvédőről.

Vagy nem tudja hogy minden lehetséges infót kötelezők vagyunk tárolni, vagy abba bele sem gondolt, hogy mi ezt két kattintással ellenőrizni tudjuk, hol van redundancia.
(#) Moderátor hozzászólása Jún 17, 2010
 
Kérem, hogy mostantól a megszokott szakmai precízséggel, az eredeti témánál maradjon mindenki.
Minden OFF hozzászólást, értesítés nélkül azonnal törölni fogok.
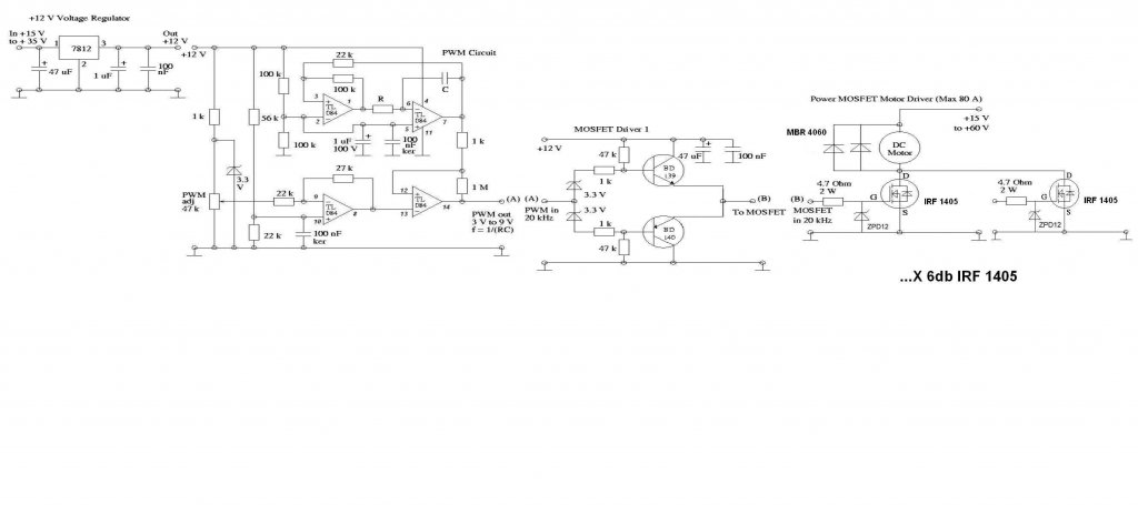
(#) proli007 válasza Zoltan.ms hozzászólására (») Jún 18, 2010 /
 
Hello!
Nagy nehezen felismertem melyik kapcsolásokról is beszélsz, mert ez alapvetően három példa. De amit "kijavítottál", az teljesen hibás..
- A feladat az, hogy a Fet "bemenő kapacitását", minél gyorsabban töltsük fel, és süssük ki, mert a jel meredeksége, és ezzel a kapcsolási sebesség nagyobb. Így javul a hatásfok, mert míg a teljesítmény kapcsolók a jelátmeneti szakaszon vannak, analóg üzemmódban dolgoznak. Tehát a kimeneti jelalaknál, ami egy ideális négyszögjelen kívül esik (lassú fel-lefutás, túllövés, tetőesés..), az mind hővé alakul. És itt rendesen van kapcsolt teljesítmény.
- A meghajtó kimeneti impedanciája, és a Fet bemenő kapacitása, egy RC integráló tagot alkot. Mivel a kapacitás adott (Fet típusa és a meghajtottak darabszáma) csak a meghajtó kimeneti impedanciájával lehet variálni. (Esetleg Fet csoportonként külön-külön meghajtó)
- Tehát a meghajtó tranyókat, keményen kell vezérelni, de ezek kikapcsolási ideje is nagyobb mint a bekapcsolási ideje.
- De mind e közben, a meghajtónak illeszteni is kell, a PWM fokozat, és a Fet Gate között.

- A 04.jpg képen, egy közös kollektoros meghajtó fokozatot látunk.
Előnye, hogy ennek sebessége nagyobb, tekintve, hogy nincsenek telítésbe vezérelve, a meghajtó tranzisztorok. Átváltáskor így kisebb az az idő, míg mind két tranyó nyitva lenne. Ezért nem is alkalmaznak ellenállásokat a kollektorkör korlátozására.
Hátránya, hogy maradék feszültségekkel rendelkezik. Gyakorlatilag, ha a bázisokat a tápra vagy a GND-re kötjük, akkor is a kimeneti jel ettől elmarad 0.6V feszültséggel. Így mindenképpen egy olyan CMOS meghajtó kell elé, ami táptól-tápig tud kapcsolni. De mivel a CMOS kapunak is van kimeneti (csatorna) ellenállása, és a BD-khez bázisáram is szükségeltetik, még ezeken is fog feszültség esni. Tehát a CMOS kimenetén elvileg fellépő 0/15V feszültség maradékos lesz, azaz kb. 2/13V lesz a jel Fet-ek Gate-jén mérve.
Még egy apró figyelembe veendő dolog, hogy a közös kollektoros kapcsolás fázist nem fordít..

- A 01.jpg kapcsolásnál, közös emitteres a meghajtó. (egyébként a kapcsolás jó)
Előnye, hogy hogy a bekapcsolt meghajtó esetén kicsi a maradék feszültség a kimeneten. Tehát a Gate jel lehet 0/12V. Továbbá, hogy a meghajtó bemenete, jobban illeszkedik a műveleti erősítő kimenetéhez. (Értendő ez alatt, hogy a műveleti erősítő maradék feszültsége 1-2V között van. Tehát a PWM fokozat kimeneti jele, eleve 2/10V között lesz csak. Az alsó meghajtó tranyó, (a bázis-emitter nyitófeszültség és a zéner zárófeszültsége miatt, viszont kb. 4V felett nyit csak ki. Ugyan így a felső oldali tranzisztor, amely csak 8V alatt fog kinyitni. Így a PWM fokozatnak nem kell táptól-tápig jelet szolgáltatnia.
Hátránya, hogy a nyitott tranzisztor telítesbe vezérelődik, így a másik tranzisztor már rég kinyit, mire a nyitott lezárna. De látható az is, hogy átmenetnél, 4..8V között, mind két tranyó nyitva van. Ilyenkor nem csak a Fet kapacitásainak töltőárama folyik, hanem a két tranyó között is, ami terheli (rángatja) a tápot. (Pont ezért, a tápszűrő 47µF és 100nF-nak minél közelebb kell elhelyezkednie a meghajtó tranyókhoz. De egyébiránt ez a többi meghajtónál is igaz.) Ezért mind két tranzisztor kollektor körében korlátozó ellenállás alkalmazása szükséges. Gyakorlatilag a Fet kapacitások töltése a felső 47ohm-on, míg kisütése az alsó 47-ohm-on megy végbe, míg az átváltáskori összenyitás árama a két soros 47ohm-on keresztül.
A PWM fokozathoz való illesztést, és az összenyitás csökkentésére van beépítve a két zéner dióda. Az átváltásnál, van egy lépcső, mert amikor a felső tranyó még nyitva van, és az alsó tranyó már nyit, a két 47ohm feszültségosztóként működik. (A Fet Gate elé, nem kell soros áramkorlátozó-gerjedésgátló ellenállás, mert ezt a szerepet betölti, a két kollektor ellenállás.)

- A "javított" változatodban, minden hátrány össze van szedve. A fokozat, közös kollektoros, így bázis-emitter maradékkal van felszerelve, ráadásul a bázisáramok feszültséget ejtenének a soros bázis ellenálláson nem beszélve, a két felesleges szinteltoló zéner diódáról. Így ha a PWM kimenete magas szinten van, a tranzisztort, csak a 47kohm húzná fel, ami nem biztosítana elég bázisáramot a tranyó kinyitásához. A kollektoráram kicsi lenne, és a Fet kapacitások igen lassan töltődnének.. (és az alsó oldalon ugyan ez, csak fordítva.

Tehát az eredeti kapcsolás, lényegesen jobb, pontosabban itt, csak az a jó.. Bár én még kiegészíteném. Először is a 47kohm-os ellenállást lecserélném, egy 1kohm-ra. Tekintve hogy a tranzisztorok lezárási sebességét ez növelné. Másik változtatás, hogy a meghajtó bemeneti pontjáról a tranzisztorok bázisába, egy-egy 1nF-os kondit tennék. Ez javítja az átváltás sebességét, megszünteti a feszültségosztók által képzett 6V-os vállat és kissé csökkenti az egybenyitást. A kapcsoló PWM jel meredekségével, egyébként is gond lehet, a műveleti erősítő korlátozott sebessége miatt. (Ezt szkópon kellene megnézni, mert ha ez lassú, hiába az erőlködés a meghajtónál.)

- A 02.jpg egy teljesen más megoldás.. A kimenet félhíd megoldású, és két N-csatornás Fet-ből áll. Hogy a felső oldali Fet ki tudjon nyitni, a tápfeszültségnél, legalább Gate küszöbfeszültségével nagyobb feszültség szükséges. Ezt a tápfeszültségnél nagyobb feszültséget állítja elő (az IC oszcillátorának és az ezt követő 3 tranyó segítségével) az IC baloldalán látható feszültségátalakító áramkör. A kapcsolás és működése, gyakorlatilag azonos, a ma oly népszerű IR Fet-meghajtó IC-kkel.
Amikor a végfok alsó Fet-je be van kapcsolva, akkor a 470ohm-on és soros diódán keresztül feltöltődik a 10µF-os kondi, aminek feszültségét a zéner 12V-ra határolja. Ez a "repülő kondi" fogja biztosítani a meghajtó fokozat tápfeszültségét. Amikor az alsó Fet lezár, a Felső oladali kinyit. De a Source magával viszi, a 10µF negatív pontját, így biztosítva a Gate nyitásához, tápfeszültségnél is magasabb nyitófeszültséget. Ilyenkor a 470ohm-diódája lezár, ezzel megakadályozva a 1µF kisütését.

Nos, szóval kb. ez a helyzet a meghajtó kapcsolások körül.. 1500W motor vezérlés, azért nem sétagalopp. Javaslom, hogy menj át a "Nagyteljesítményű DC-motor vezérlés" c. topikban, mert ebben a szakértőket és a tapasztalattal rendelkezőket, ott találod.
üdv! proli007
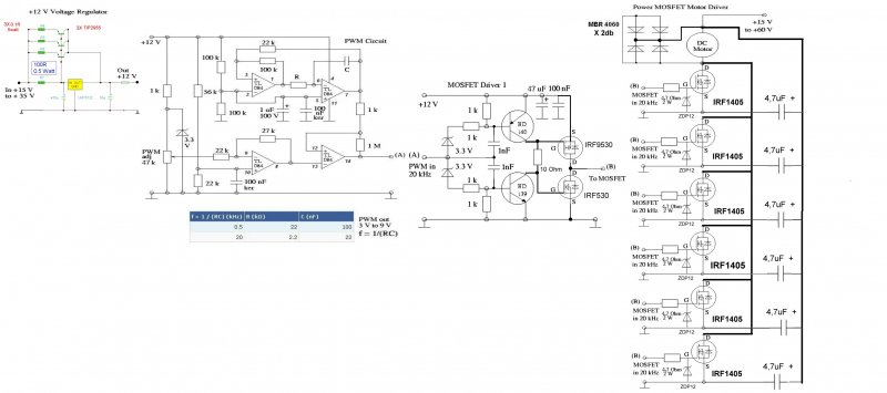
(#) Zoltan.ms válasza proli007 hozzászólására (») Jún 18, 2010 /
 
Nagyon köszönöm a részletes választ nagy segítség számomra.
Megcsináltam az általad javasolt változtatásokat alább mellékelem remélem így gondoltad és jól értelmeztem amit írtál.
Elhagytam a fet-ek gét-je előtti ellenállást (ha jól értettem erre nincs szükség mert a 2db 4,7 Ohm elég az összes fethez...?) és a 12v-os zéner diódát is elhagytam a gate és source között.
Beraktam a kondikat a BD tranyók elé és a 47K-s ellenállást 1K-ra cseréltem.
Bár nehezen látszik de a BD tranzisztorok utáni ellenállás nem 47Ohm hanem csak 4,7 Ohm.
Rendben van így?
köszönöm
(#) proli007 válasza Zoltan.ms hozzászólására (») Jún 18, 2010 /
 
Hello!
Remélhetőleg most már jól fog működni.. De kicsit soknak tűnik a kazal Fet kapacitása amit fel kell tölteni, mutasd meg a linkelt topikban Katt-nak.
üdv! proli007
(#) Gergő81 hozzászólása Jún 18, 2010 /
 
Sziasztok!
Én, ahogy azt már Zoltan.ms-nek a magán- e-mail-emben is írtam nem érek rá sokat segíteni.

Azt azonban itt is felvetem, hogy bonyolultabb elektronika, a schottky diódák mellett(helyett) aktívan vezérelt FET-ek, és gate- meghajtó cél ic-k használata(MIC, IRS) jobb lenne. Így lenne egyszerűen megoldható az áramvisszatermelő fékezés, (Akkumulátoros járműről van szó) és a diódáknál kisebb maradékfeszültség sem mindegy 24V 100A(leadott mechanikai 1,5kW) körül...(hatásfok, hatótávolság)
Egy ekkora elektronika, motor, akkumulátor rendszer megérdemli az aktív túláram-védelmet, nem vezérlés, hanem szabályzás az ami ide bonyolultságban, árban illeszkedik.
Úgy látom, hogy proli007 érti amit ír, az ő véleményére is nyugodtan adhattok. (Bár senki sem tévedhetetlen, én sem, ő sem.)
(#) rozsda válasza Zoltan.ms hozzászólására (») Jún 19, 2010 /
 
Szia.
Én is csak ajánlani tudom a fetmeghajtó cél IC-ket.
Én 20db bika nagy fetet hajtok egy TC4451-el átlagban 10khz körül.
A chipcad-nál dudsz beszerezni ilyen meghajtókat.Nálam nagyon bevált kis szerkezet,de vigyázni kell vele mert nagyon érzékenyek a statikus feltöltődésre.(persze ez minden félvezetőre igaz lehet)
De ha maradni akarsz a komplementeres megoldásnál akkor ajánlom figyelmedbe ezt a hozzászólást és kapcsolási rajzot.
Bővebben: Link
(#) Zoltan.ms válasza rozsda hozzászólására (») Jún 20, 2010 /
 
Szia, köszönöm a tippeket.
Azért nem szeretnék áttérni másra mert akkor minden kezdődhetne előlről.
A kutatás a tervezés a véleménykérés, stb...stb...stb...
Így végül ki tudja mikor épülhet meg az első prototípus és biztosan közben is lesz aki megint mást ajánl...
De ezt a FET-es komplementer meghajtót lehet, hogy alkalmazni fogom.
Mondjuk ehhez is megint teljesen át kellene alakítani a kapcsolást.
Szerintem a legjobb dodlog az lenne, ha itt a HE oldalon lenne egy bevált kapcsolások részleg ahol kipróbált többek által megépített kapcsolások lennének kategorizálva.
Biztosan mindenki tudna ilyet beküldeni.
Ahogyan Te is írtad, hogy használsz 20 fetes kapcsolást már rég óta- ezek szerint ez bevált így mások is megépíthetnék-leegyszerűsödhetne minden...
köszi mindenkinek mégegyszer
(#) labu01wx hozzászólása Jún 23, 2010 /
 
Sziasztok!

Van egy 5V 0,5A-os kefés modelmotorom.
Arra lennék kíváncsi, hogy szerintetek a 4500Hz-es, 9000Hz-es, 36000Hz-es vagy a 72000Hz-es pwm jel lenne a legideálisabb a meghajtásához?
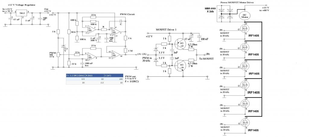
(#) Zoltan.ms hozzászólása Jún 27, 2010 /
 
Sziasztok, elkészült a pwm vezérlés kapcsolási rajzának kiegészítése és javítása.
Kapott egy nagyáramú stabil 12V tápot és egy nagyáramú Fet meghajtó részt.
A Fet meghajtóban lévő Irf 530 és 9530-as Fet szerintetek helyesen van bekötve?
Esetleg van egyéb véleményetek vagy módosítani való a kapcsoláson?
Hálás köszönet.
(#) (Felhasználó 46585) válasza Zoltan.ms hozzászólására (») Jún 27, 2010 /
 
Az 530/9530 jól van bekötve.

Minek kell bele nagyáramú 12 V? Az egész vezérlés nem fog felvenni 2...300 mA-nél többet. Ha innen akarsz járatni egyéb fogyasztókat is, akkor kell, de ha nagy az áram, pl: világításra, akkor kapcsolóüzemű tápot kell csinálni, mert így elfűtöd a "hajtóanyagot".

Ezeknek a tranyóknak a gate köréből hagyd el a 100 ohmot, csak feleslegesen lassítja az áramkört. Esetleg 10 ohmot hagyhatsz benne.

Továbbra is hiányzik a kondibank a bemeneti feszültségről. Ahogy pü-ben írtam, az MBR diódák katódja és a nagy FEt-ek source lábai közé kösd be, a lehető legközelebb.

De továbbra is azt mondom, hogy ez a szerkezet nem fog menni áramszabályozás ( áramkorlátozás ) nélkül. Miért nem jó neked az a komplett integrálós, áramszabályozós elrendezés, amit a rozsda csinál? Söntöt nagyon nehéz megcsinálni elkkora áramra, nagy a veszteség, nagy a zaj, stb. Kompletten le van írva a működése, ha nem akarsz beletenni TC4... akármilyen meghajtó ic-t, akkor jó ez a FET-es is. Ezen kívül még egyszerűbb is lesz, igaz, nem fix frekvenciájú, tehát, lesz hangja a motornak, mivel nem lesz túl nagy a frekvenciája. De alapjaiban véve tönkretehetetlen.
(#) proli007 válasza Zoltan.ms hozzászólására (») Jún 27, 2010 /
 
Hello!
Őszintén szólva, nem értem teljesen a dolgot.
- Minek ide nagyáramú tápegység? Ráadásul analóg disszipatív.. Mit fog táplálni?
- Miért jó, ez a műveleti erősítővel felépített kapcsolás, mikor mint a mellékletben is látható, hogy egy TL494 (kis engedményekkel) az egész PWM vezérlést megoldja.
- A Fet meghajtására készül gyári IC is. (kb. 400Ft)

De a rajzot, tedd közkincsé, a "Nagyteljesítményű DC motor vezérlése" topic-ban. Lesz véleményük, a hozzászólóknak hidd el..
üdv! proli007
(#) Zoltan.ms válasza (Felhasználó 46585) hozzászólására (») Jún 27, 2010 /
 
Szia, itt mellékelem a kiegészített kapcsolást a kondikkal.
4,7µF-ot írtam (ahogy mondtad metálpapír kondik és a lehető legközelebb elhelyezve a fetekhez)
A nagyáramú 12V-os rész azért kell mert erről megy a fetmeghajtó egység is és azt mondtátok, hogy az felvehet 3-6A-t is.
Proli007 sajnos a TL494-es kapcsolásban amit ide mellékeltem az előbb vannak olyan dolgok amiket nem értek és olyan alkatrészek amikhez nincs érték írva.
(#) Gergő81 válasza Zoltan.ms hozzászólására (») Jún 28, 2010 /
 
A gate meghajtók valóban felvesznek több ampert, de csak a (be)kapcsolás alatt, 50..300ns ideig. Ha pl a teljes gate töltés 1mikroC, a frekvencia 20 kHz, az áram átlaga 20mA+ az egyéb veszteségek.
Következő: »»   19 / 155
Bejelentkezés

Belépés

Hirdetés
XDT.hu
Az oldalon sütiket használunk a helyes működéshez. Bővebb információt az adatvédelmi szabályzatban olvashatsz. Megértettem