Fórum témák
» Több friss téma |
Mielőtt kérdezel, a következő két dolgot ellenőrizd!
I. A helyes tápfeszültségek megléte.
II. A kimeneten van-e egyenfeszültség.
Élesztés.
Lehet nagyfrekvenciás gerjedés is. Azt nem hallod, de ott van, és ha sokat hajtod így, akkor le is éghet. Borda mérete jó? Kellene fotó az egészről, meg a tápról is.
Szerintem mp3 játszóhoz elkellene egy előfok. Ott a teljesítmény másként alakul mint egy vonalkimenetnél ,mások a volt - amper viszonyok. Az mp3 kb 200mV -os jelet ad ki még a vonalkimenetek 0 db-nél 775 mV -ot. Ha jól következtetek 890mV bemenőfeszültséggel lehet kivezérelni optimálisan ezt az ic -t. De kérdezz meg mást is mert ebben a 890 mV -ban nem vagyok biztos. Kérdezd meg Alkotót ,mert ő már megépítette. Azért adok egy linket ahol egy jó (számomra bevált) előfok van. Pedró nevű felhsználónk terve. A jack csatlakozóddal a legegyszerűbb egy jól méretezett ellenálás lenne. Persze van bonyorultabb (relé + külön meghajtó stb...). De mindenképpen csökkenteni kell a teljesítményt mert nem élné túl a fejhalgató.Bővebben: Link Bővebben: Link
Egy ellenállás nem elég! Ez a helyes módszer: Bővebben: Link
Köszönöm szépen az előfok kapcsolást, ez nagyon jó lesz.
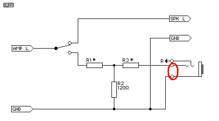
Erről annyit még, hogy a hangerőszabályzó potmétert elé illik betenni? Abból egy 100kohmos megfelelő? A jack csatlakozón meglepődtem, mert én idáig úgy képzeltem el, hogy az erősítőbe bemenő jel megy rá a jack aljzatra, és mikor bedugom a jack dugót, akkor a végfok mute funkcióba megy. Ezek szerint tévedtem. Viszont ezzel a kis kapcsolással annyi kérdésem lenne, hogy amit pirossal bekarikáztam az megy a füles egyik felére? Mert az a nyíl és R betű egy kicsit megzavart, nem tudom mire vélni.
Ahogy mondod... az R nyila azt jelzi, hogy a másik oldalra megy ugyan ilyen megoldással.
Igen! A bemeneten írva is van a rajzon ,hogy amp L tehát az R betű a másik csatornát jelenti! A 100K Ohm jó lessz , de logaritmikus ( B -s ) potit rakjál hangerőnek. Rakhatod az előfok elé. Én az előfok után raknám a potit mert az előfok esetleges zaját igy csillapítaná és nem kerülne a végfokra valamint ha nem kellően van árnyékolva a potméter kábele (csak ha nem egyből a nyákra van téve) az sem lessz olyan zajos mintha az előfok elé raknád ,rádásul letekert hangerőnél így nem zárod rövidre a meghajtót (főleg mp3 játszónál számít mert jobban merül az elem terhelt kimenet esetében).
Ahhan. Egyenlőre akkor értek mindent.
Köszönöm szépen az eddigi segítségeket.
Sziasztok, megkérdezném, hogy EBBEN nem tudna segíteni valaki? Hátha találkozott már valaki ilyennel.
Köszi.
Hallott már valaki Piret Endre erősítőjéről.
1990-ben építettem meg mai napig használom . A kivitelezés tükrözi , hogy még csak húsz éves voltam tapasztalat nélkül.
Akkor bizony jól megcsináltad.Gratula.
Piretnek vannak még ezen kívül erősítői.
Rejtély és valóság című RT cikksorozat 25W-osa. :yes:
Pontosan ez van megépítve.
Hobby elektronika közölte az előerősítőt is hozzá. A motoros poti saját ötlet A hangszínszabályzó kikapcsolható. Túlvezérlésnél a védelem oldja a bemenetválasztó relét. És még tud egy pár dolgot.
Teljes értékű integrált erősítő.
Van ám fejlesztett verziója is.
Én is megépítettem a Piret erősítőt. Legalább 10 éve szinte minden nap szól. (és elég jól)
2x39V-ról hajtom, ami elég necces az alkalmazott félvezetők miatt, de ilyen trafóm volt.
Ez a "komplementer-szimmetrikus" végfoka, ugye? Azt anno a papámmal megépítettük és évekig azt hallgatta nagy megelégedéssel. Később került egy Onkyo rádióerősítő hozzájuk, aztán ezért "nyugdíjazta" a "komplementer-szimmetrikusat", de ha minden igaz, még ma is be lehetne röffenteni. Nemrég viszont vittem neki egy LM1876-tal és átalakított PC táppal megépített egyszerű kis végfokot (ezt), azóta csak azt hallgatja. Azt mondja, egyik korábbi otthoni erősítőnek sem volt szerinte ilyen jó hangja.
Melyikjéről ? Volt Neki több is
Gyanitom ha a boltban most kapható anyagokból csinálnád ezt az erősitöt rosszabu. Kapcs rajz ?l szólna
Huh ez tetszik
A fejlesztett még jobb ?
Ezt a változatot még nem láttam.
Bár nem is keresgéltem. Van róla több doksi is? Érdekelne miért cserélte 084-re a komplamenter előerősítőt.
Nos nekem csak ez a rajz, és egy fénykép van róla. Nem is szándékozom egyenlőre megépíteni. Áll most 3 projektem is.
Szép kis munka!
Jól látom? Motoros potit készítettél?
Nos kiszedtem a (duplán) nem ide illő hozzászólásokat.
Ez egy erősítős topik, és nem hangszórós, hangsugárzós! Hangszórós-t nyomatékosan kérem, hogy az ilyen jellegű megnyilvánulásait a HE portálon kerülje! Ez itt nem személyes jellegű toborzótér, ne hozzuk ide más fórumokról sérelmeinket, és ne használjuk a témákat erre a célra!
A hangerő szabályzónak eredetileg távszabályzót is akartam építeni, de csak motoros hajtásig jutottam.
Manuálisan is működik, ha benyomom a tekerő gombot old a mechanika és már lehet is kézzel forgatni.
Sziasztok!! Segítséget szeretnék kérni egy tda7294 - es ügyében . A nagybani helyzet az hogy megépítettem működik csak nagyon halkan szol kb. mint egy tda 2030 as félig kivezérelve . És azt szeretném kérdezni hogy lehet -e az ennek az oka hogy a mute és a stby lábra a kapcsoló elé én a pozitív tápfeszültséget kötöttem ?? És ha ez az oka akkor oda mit kellene kötnöm ?? Mert ugye ha a pozitív feszültséget lekapcsolom akkor nem is szol egyáltalán . A kapcsolást az ic adatlapja alapján készítettem el és +-27 voltról járatom. Az ic szinte melegedni se melegszik. Segítségeteket előre is köszönöm .
Szia!
Van külön topikja a TDA7294-nek ott kellett volna megkérdezned. Mekkora a trafód teljesítménye?
Hello!
A másik topikban is megkérdeztem már tegnap de ott még senki se válaszolt és gondoltam itt is megkérdezem . A trafom teljesítménye 260VA . De akkor az nem lehet baja amit már fentebb is kérdeztem ?? A mute és a stby láb??
A stand-by és mute lábat én úgy szoktam bekötni, hogy +5 voltot kapjanak, és akkor szól. Minimum 3.5 volt feszültséget kell, hogy kapjanak a mute/stand-by lábak.
Sziasztok!
Az lenne a kérdésem, hogy adott egy STEREO erősítő és egy hangszóró, ami biztos nagyobb teljesítményű mint az erősítő. Hogyan kell bekötnöm hogy pl. 2*10W-os erősítő ne egy csatornán adja le a 10W-ot hanem a kettőt összekötve 20W legyen, elég egyszerűen mindkét csatorna vezetékét rákötni, vagy bonyolultabba dolog? hogy van ez?
Csak azért, mert összekötöd, nem lesz 20 watt. Elvileg egy kiegészítő kapcsolással lehet hidalni a két végfokot, de 10 wattnál nem sok értelme van. Ha elég a 20 watt, akkor elég a 10 is szerintem, nem olyan nagy a különbség a 20 watt javára, mint első ránézésre...
|
Bejelentkezés
Hirdetés |

















