Fórum témák
» Több friss téma |
Mielőtt kérdezel, a következő két dolgot ellenőrizd!
I. A helyes tápfeszültségek megléte.
II. A kimeneten van-e egyenfeszültség.
Élesztés.
Mit lát jól?
Az igaz, hogy szűrő, még ha nem is szándékos.
Elnézést a bocsánatért.
Jó kis szűrő. Jó lapos
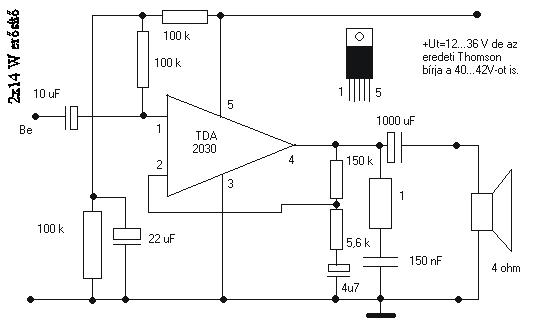
Azt, hogy a bekarikázott alkatrészcsoportoknak van felüláteresztő karakterisztikájuk. Igaz, hogy nem ez az ottlétük elsődleges célja, de van. Ezek az alkatrészek az erősítő átvitelébe egy elsőfokú felüláteresztő szűrő karakterisztikáját hozzák be, és ha jól méretezi, teheti a töréspontot 20-50Hz közé.
Megjegyzem, itt valószínűleg nem a rajzon feltüntetett R, hanem a végtranzisztor Rbe ellenállása lesz inkább a domináns a szűrő szempontjából. Ha jól tévedek, a kimeneti terhelő impedanciát az áramerősítéssel megszorozva kapjuk meg a tranzisztor Rbe értékét, ez 8 ohm-mal és 30-as áramerősítéssel számolva (végtrazisztornál talán reális) 240 ohm-ot ad a bemeneten. Ezzel elvileg párhuzamosan kapcsolódik a rajzon lévő R, de az több kohm nagyságrendű, nem lényegesen befolyásolja az Rbe kiszámolt értékét. Azaz az RC tagot inkább Rbe*C-re kellene méretezni. A gondolatmenetet továbbvíve a rajzon szereplő C=100µF és Rbe=240 ohm értékkel számolva a töréspont 6.63Hz-re adódik. 20Hz-hez C értékét kb.33µF-ra, 50Hz-hez kb. 15µF-ra kellene csökkenteni.
Hangszorót hajtani, jobb a szokványosnál, de azért itt is van visszahatás, mivel a tranyó emmiterből is vezérelhető
Szerintem a legnagyobb baja ennek a megoldásnak a munkapont beállításának és stabilizálásának teljes hiánya. A két dióda közé és a két emitterbe lehetne tenni összesen négy ellenállást, amivel a nyugalmi áramot sokkal jobban kézben lehetne tartani, mint a rajzon szereplő megoldással. Ezzel a bővítéssel a kapcsolás alapvető lényegébe sem nyúlunk bele.
Srácok!
Egy kondenzátorral, meg egy ellenállással milyen szűrőt lehet készíteni? Ezt a komplexumot (a tranzisztorokkal együtt)maximum RC-tagnak nevezném, aminek időállandója van. A szűrőnek meredeksége van, ennek meg hát nem nagyon.
Tudjuk, hogy tudod!
Ennek ellenére meghatároz egy alsó határfrekvenciát, ha nem is meredek a karakterisztikája.
Jó, hát RF technikában szűrésre ez roppant kevés, még a hangtechnikában is meredekebb tagokat szoktak használni ott, ahol fontos a szűrés, de kétségtelen, hogy egy elsőfokú felüláteresztő szűrőt megvalósít. Arra azért használható egy megfelelő méretezéssel, hogy a pár vagy pártized Hz-es rupmlit valamelyest távol tartsa a hangszórótól.
Egyébként az RF technikában is használják az ilyet, pl. gondolj csak a szélessávú (FM) KF erősítők bemenetén lévő pár nF értékű kondenzátorokra! Ott annak is van egy olyan szerepe, hogy a szükséges sávtól jóval lejjebb lévő zavarokat (pl. a hangfrekvenciát) lehetőleg jó messze tartsák az erősítőtől, ezért is nem teszünk azokra a helyekre feleslegesen nagy értékű kondikat, sőt, lehetőleg méretezzük az alsó határfrekvenciához.
Az időállandó reciproka a körfrekvencia. 2pi vel pedig a törésponti frekvencia. A meredeksége 6 dB/oktáv.
Egyébként szűrő ez a javából, és ezért gondolják sokan hogy a kondenzátornak "hangja van" hacsak cserélgetik bambán.
Még annyi jutott eszembe, hogy RF technikában azért sem elegendőek az ilyen egyszerű megoldások, mert ott az egymástól megkülönböztetendő frekvenciák nagyon közeliek. Pl. egy 100MHz körül működő FM vevőben a tükörszelektivitást biztosító szűrőnek úgy kell viselkednie, hogy 120MHz-en már lehetőleg maximálisat csillapítson. Ez pont az, mintha a hangfrekvencián olyan szűrőt használnál, ami a 100Hz-et még átengedi, a 120Hz-et meg már maximálisan blokkolja. Ha ilyenre lenne szükség hangfrekvencián, lehet, hogy ott is elő kellene venni az LC szűrőket.
A hangfrekvenciánál azért kicsit jobb a helyzet ebből a szempontból, egy 50Hz-es töréspontú, elsőfokú szűrő 5Hz-en már 20dB-t, 0.5Hz-en 40dB-t csillapít, egy ilyennel a hangszóró felesleges lengése erősen csökkenthető. Nemrég épp FM adásban hallgattam egy olyan komolyzenei koncertfevételt, aminek során a hangszóró iszonyatos módon járkált ki-be a műsorban lévő bődületes rumplitól. Úgy látszik, az egész átviteli láncon végig nem gondolt arra senki, hogy talán felesleges lemenni annyira az alsó határfrekvenciával.
Mi az a "csopotkábel"?
Igen, és még a fázistolásról nem is beszéltünk. Három négy ilyen csatolókomplexum, meg egy átfogó negatív visszacsatolás, és könnyen meglehet, hogy erősítő helyett egy teljesítmény oszcillátort építettünk, pláne, ha a csatoló kondi után nem bemeneti ellenállás, hanem bemeneti impedancia van.
Szerintem csoportkábelt szeretett volna írni.
Én csak annyit tudok, hogy kis impedanciás bemenet elé nagy kapacitású kondenzátort kell tenni, nagy impedanciáshoz meg kicsit.
Értem én, hogy mit írsz. Persze minden négypólusnak van frekvenciamenete, meg fázisforgatása, különféle frekiken más-más, meg még ezer jellemzője. De azért egy végerősítő nem aktív szűrőnek készült, ebben megegyezhetünk.
Nem gondolják, hanem tényleg van .
Gondolj bele : ha a drótnak is van, söt iránya is Tudnák mesélni a 70-es évek végén, hogy megszivtam a puffereket a 200-as illetve 300-as végfokjaimnál
Akkor mi az a csoportkábel? Telefonkábel, vagy mi?
Megcsináltam a kapcsolást. De van 1 apró bibi, mikor bekapcsolom és megy a zene úgy 5-8 mp-ig normálisan, utána meg elkezd torzítani recsegni ropogni. Mondjuk nem párban lévő tranyókat használtam hanem BD250+2sc4242-t. Mindkét bázis-kollektor ellenállás helyére tettem 4,7k-s potit, de hiába csavarom akkor is torzít, ha lejjebb veszem az ellenállást akkor kibírja úgy 10mp-ig normálisan utánna torzít. Mi lehet a baj? Esetleg tudnátok adni ilyen egyszerű erősítő kapcsolási rajzot BD911/BD912 esetleg valamilyen darlington párossal, értékekkel együtt? A tápom az csak +36V/6A +GND 2x 6800uF+100nF, 4 ohm -os hangfalakat szeretnék hajtani.
Mind a két tranzisztor közös hűtőbordán van? A diódák érintkeznek a hűtőbordával? A munkapontvándorlás miatt kezd el torzítani. Mondjuk egy elég "egyszerű" kapcsolásról van szó...
Itt van egy tökös 150 wattos darlingtonos kapcsolás.
Azt hiszem ez ugyanaz, csak más "nézetből" Bővebben: Link
Sziasztok! Volna egy erősítőm ami nagyon zúg! Lehet ezt valahogy orvosolni? Ez egy játékgép erősítője ami egy panelen van teljesen felépítve.Csak váltó 12voltra van szüksége.
Hello!
Látom nem nagyon válaszolnak Neked, szóval: a csoportkábel lényegében sok kábel egy darabba fűzve, és a végén egy dobozon a csatlakozók végeik. Egyszerűbb egy kábelt cipelni, mint mondjuk 30db-ot. Csoportkábel
Üdv.
Összeraktam a mellékletben szereplő erősítőt első próbálkozásra sistergett, pattogott, torzított. Átnéztem mit ronthattam el... semmit nem találtam csak egy kondit amiben nem voltam biztos hogy jó (4.7uF) kiforrasztottam erre elkezdett tisztán szólni. -milyen szerepe lehet a kondinak? Másik kérdés. A bemenetre rákötök egy mp3mat akkor alig szól a hangszóró de ha rákötök egy hordozható dvd lejátszót (fülhalgató kimenet) akkor teljesen jól szépen felerősíti ez mitől lehet.
Hali. A haverom megkért hogy csináljak neki egy hangrendszert a szobájába az erősítővel. Namost, énis egy szép hangrendszerre gondoltam, ezért úgy lenne hogy 2 doboz benne 2-2 hangszóró, benne magas és mélyközép sugárzó, és külön egy sub. Kell-e bele hangváltó a sub-nak vagy a magas-közép sugárzóknak? És egy hangerő szabályzóban is tudnátok esetleg segíteni?ezzel (szerk.)
Valószínűleg az mp3 lejátszód nem tud akkora jelet előállítani amivel ki tudja vezérelni teljesen a végfokot, a hordozható dvd meg tud.
Sziasztok.
Már írtam egyszer, hogy építettem egy vf2 (conduktor) végfokot. (irf 9540-540) páros, +- 42 volt a táp. Volt agy kis probléma: mpsa 92 helyett 42!--- és a tl 431 és a zéner cseréja, mert ezek kipurcantak. Írtam hogy nem vagyok megelégedve a hangjával. Na azóta kicseréltam az NE 5534-et (gondoltam az is sérult.) Tettem bele egy TL 071-et. Na most már szépen szól, talán egy picit jobban mint a Quad 405. No de sokat olvasta róla és nagyságrendekkel jobb hangzásról számoltak be a quadhoz képest. Ennek a különbségnek minden képpen érezhetőnek kell lenni? Én ezt a nagyságrendet nem érzem. Vagy a quadom lett egész jó, vagy valami még mindíg sántithat a kapcsolásban??? Vagy süket vagyok....
Hozzáteszem a nyugalmi szépen állítható, egyáltalán nem fűti szét magát, éppen melegnek mondható terhelés alatt a borda.
|
Bejelentkezés
Hirdetés |




Jó kis szűrő. Jó lapos
Ennek ellenére meghatároz egy alsó határfrekvenciát, ha nem is meredek a karakterisztikája. 




