Fórum témák
» Több friss téma |
Mielőtt kérdezel, a következő két dolgot ellenőrizd!
I. A helyes tápfeszültségek megléte.
II. A kimeneten van-e egyenfeszültség.
Élesztés.
Sziaszotk. a TDA2004 és a TDA2005 egymás helyetesítöi ? Lehet a másodikat az elsövel helyettesíteni ? üdv Krisztián
Szia. A bekötésük ugyan az, az alkatrészek is azok. Ezért gondolom hogy lehet helyettesiteni a 2004-el a 2005öt
Hello! Ezt a végfokot szeretném megépíteni, annyi különbséggel, hogy +/-56 helyett +/-50V-ot adok neki. Illetve ahogy látom a végtranyókat is fel kell cserélni. Az érdekelni igazából, hogy milyen végtranyót ajánlanátok ezek helyett, mert ezek elég drágák. 120V-50A-t bírnak, de ide bőven nem kell 50A-es. Én konkrétan az MJ15003/15004 vagy a 2SA1943/2SC5200 párra gondoltam. Szerintetek mi lenne a jó?
Sziasztok!
Tudnátok segiteni nagyon megköszönném. WEGA Modul 301V erősitő kapcsolási rajzát keresem. Eddig sehol nem találtam.
Hát lebeszélnélek, mert aki közölta annak fogalma nem volt a megbizhatóságról
Az 56V sok az IC-nek. Ez egy dolog, de az ajánlott darlington 100V-on tud 0.2 A-t ! Meg kell nézni a SOAR görbéjét A 300Wattja, 50A-ja kivánatos, de azt is meg kell nézni milyen körülmények közöt !!! Mi a francnak a darlington ekkora meghajtó áramhoz ? Tehát tök marhaság az egész.
Elöző irkám Neked is ajánlom
Mi lehet komolyab mint a trafo csere ?
Úgy emlékszem a 2005 kicsit erősebb. Adatlapot megnéz !
Jogos kérdés, így belegondolva nem tudom, még ha a tranyók mentek ki azt se nagy cucc kicserélni. Viszont megfelelő mérőműszer hiányában én nem tudom kideríteni. Tényleg csak nagyjából szerettem volna tudni mik a lehetséges okok és kb mennyibe fog ez nekem kerülni. Egyébként így néz ki a cucc.
hali!
Amúgy régen én építettem meg ezt a kapcsit, én is terveztem a 2X56V az a nyugalmi feszkó, terhelés alatt /fél hang erőn/ 54-52voltig zuhan amit simán elbír az ic. Egy 500wattos általam tekercselt toroiddal nyomattam közel 300wattos végfokra van szükség ugyan is ezt 4 ohm-ra terveztem, a BD249 / BD250 8 ohmon még elmuzsikál, de 4ohmon felrobban.
Na akkor Neked szólt a fogalmad nincs a megbizhatóságról. Ne sértödj meg, nem bántani akarlak
A SOAR görbét illik tanulmányozni
Sziasztok Kedves hobbisták
Lenne egy kérdésem hogy tudtok e nekem ehez a tranzisztor párhoz adni kapcsolást T36CésPT35C Mind a kettőből 8dbvan tehát összesen 16 db van ehez kellene nekem kapcsolás A válaszokat előre is köszönöm
Tök lutri, hogy mit birnak a kinai csodák a gyakorlatba.
Ha nem mész +, - 25V felé akkor nem ér meglapetés Eből adodóan hidkapcsolásban lehet nagyobb villanyt csinálni velük Hol lehet szerezni ?
Sziasztok!
Jómúltkor megszületett egy erősítő terve a fejembe, volt is már szó róla(ez itt) És mint kiderül, kell elé egy fázis fordító, méghozzá ez, mert hidalva akarom használni. A kérdésem, hogy ez megfelel egy előfoknak is? Tehát, ha pl sima mp3 lejátszóról hallgatom, kitudja hajtani a végfokot rendesen? Mert nem szándékozom külön hangszínszabályzót is bele építeni. Ja és a másik, hogy hangerőszabályzó potméternek milyen értékűt illik berakni?
Sziasztok!
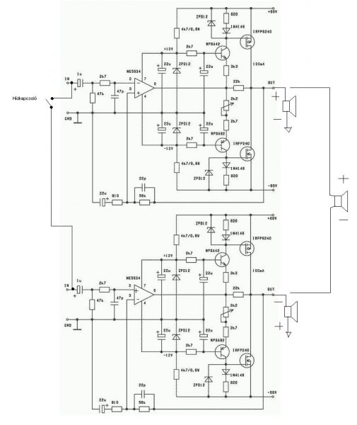
A VF2-t szeretném hídban megépíteni! Szerintetek így működne?
Na de a fázisfordítást nem végzi el véletlenül az ne5534? Természetesen az egyiken az invertáló másikon a normál bemenetre kell kötni a jelet, ahogy rajzoltam is. Itt egy másik kapcsolás is, amin ilyesféle módon lett megoldva...
Rendben. Csak mivel nekem címezte a hozzászólást, azért gondoltam... Egyébként akkor azt mondjátok, hogy jó? A hangszórók polaritása is helyes, meg az a hídkapcsoló is?
Helló mindenki !!!
Szeretnék építeni egy újabb erősítőt, és ebben kérném az ötleteiteket. Adatik egy 12V, 300W-os asszimmetrikus trafó (két kivezetéses). És ha már a trafó bírná, egy nagyobb teljesítményű végfokot építenék (eddig csak TDA2030asokat építgettem) mondjuk 100-120W körül lenne a teljesítménye.Ehhez szeretnék kérni egy működő kapcsolási rajzot. :help:
Azt kellene megnézni ,hogy mennyi lesz az NE-nek az erősítése, ugyanis nem ugyanaz a képlet fázisfordító, és normál kapcsolásra... Én inkább maradnék egy plusz IC-nél, 100Ft max... És még kapcsolóval választani is lehetne, hogy hídban menjen a végfok, csak sztereóban, plusz nem szerencse kérdése lenne, hogy a két végfok tökéletes ellenfázisban lesz-e vagy sem.
Szia, 100-120W, ahhoz kicsit kevés lesz a trafód kimenő feszültsége. teljesítményre jó lehetne (300W) de feszt illetően nem. Jó persze meglehet oldani például építeni egy DC-DC konvertert ami felnyomja 30-40V ra, de értelmetlen, vagy megépíted azt a TDA2030-as szembekapcsolt, és tranyókkal beerősített állítólag 100W os förmedvényt, vagy veszel 5000-ért egy kocsi erősítőt, de én nem javaslom, ha egy tisztességes 100W-os erősítőt szeretnél, aminél nem kell kompromisszumokat kötni. vannak tartalékai, nem fullad be, kellően mélyre tud menni az alsó frekikkel (mély hangok) akkor be kell szerezzél egy 2*24-36V os 300VA-os trafót és építeni egy épkézláb tranzisztoros erősítőt. Esetleg akadnak említésre érdemes LM-ic ,de a többsége használhatatlan.
Szerezz be egy olyan trafót, ami 2x 25-35V AC szekunder feszültségű és 300 VA-es (ahogy Doncso is mindta) Megfelelő táphoz már egyszerűbb lesz végfokot építeni.
Szerintem érdemes lenne kipróbálnod a 7294-et :yes:
Az eredeti VF2 kapcsolása eleve fázisfordítóval épült. Nekem mindenképpen a 60V-os verzió kell, a trafó miatt, de ugyanúgy be lehet tenni ezt a fázisfordítót ugye? Annyi lesz a különbség, hogy nem NE5534-et kell használni, hanem dual op-amp-ot pl, ahogy a kapcsolásban is megadták NE5532-t. És hidalásnal a jelet az egyiken a 3 bemenetre a másikon a - bemenetre kell kötni. Ugye jól mondom?
Sziasztok!
Építettem egy sztereo erősítőt TDA2040-ekből, és elakadtam a kábelezésnél. Van egy sztereo jack-RCA átalakítóm(kép1), és hozzá két RCA foglalatom. A foglalatokat ugye most rá kellene forrasztanom az erősítő bemenetére, de nem tudom, hogy az RCA-nál melyik számít a plusznak és melyik a mínusznak. Tudtok ebben segíteni? Előre is köszönöm.
Helo! A külső rész a jelföld, a belső a jel.
Néhány kapcsolás nyáktervvel szerepel az adatlapján is. Azok nem jók?
Parancsolj, én módosítottam sztereóra.
|
Bejelentkezés
Hirdetés |








Lenne egy kérdésem hogy tudtok e nekem ehez a tranzisztor párhoz adni kapcsolást
T36CésPT35C Mind a kettőből 8dbvan tehát összesen 16 db van ehez kellene nekem kapcsolás A válaszokat előre is köszönöm 











