Fórum témák

» Több friss téma
Fórum » LED-es világítás
 
Témaindító: xodak, idő: Aug 6, 2007
Témakörök:
Lapozás: OK   31 / 186
(#) poros válasza BEMcorp hozzászólására (») Máj 12, 2010 /
 
Össze dobom próba panelon , addig ne marass nyákot . Egy négy karikás múltinál dolgozom a munkarendem attól függ menyire van kedvetek új gépkocsit vásárolni . Hál Istennek most úgy látszik van .
(#) poros válasza BEMcorp hozzászólására (») Máj 15, 2010 /
 
Készen van a program holnap összedobom próbapanelon a nyákon levő kapcsolásodat. 2 másod perc alatt bekapcsolja az öt “modult”.A végleges változatot HEX el együtt felteszem ide is ha kell valakinek. Ha nincs lehetőséged beégetésre akkor kellene a microchip. A postázást beszéljük meg privátban
(#) Macsek71 hozzászólása Máj 15, 2010 /
 
Lenne egy kérésem Hozzátok !

Pár éve használok a gyerekszobában készenléti fénynek 1 szál led-et; legegyszerűbb módon 2 cerkaelem, előtétellenállás, kapcsoló társaságában. A fenti összeállítás bő fél évet elüzemel egy pár használt (fényképelőgép már kifogásolta) elemmel. Ezt szeretném "automatizálni" egy fényérzékelős megoldásra. A legegyszerűbb legolcsóbb megoldás kivitelezéséhez kérném a segítségeteket.

Előre is köszi M.
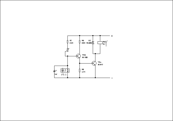
(#) poros válasza Macsek71 hozzászólására (») Máj 15, 2010 /
 
Ez 12voltrol működik relét kapcsol . Talán kiindulásnak megfelel.
(#) juppi válasza Macsek71 hozzászólására (») Máj 15, 2010 /
 
Barkácsüzletben lehet kapni fényérzékelős ledes kis lámpákat.
(#) Macsek71 válasza juppi hozzászólására (») Máj 15, 2010 /
 
Valami totál primitív megoldáson gondolkodom... Dobozban 2-3 cerkaelem valami fényérzékelő elem,valamilyen kapcsoló elem, esetleg egy potméter a finomításhoz...megy 1 darab extrafényes fehér led ...

/cerkaelem "sajnos" termelődik a fényképelőm jóvoltából.../
Az említett "prototípus" kellően bevilágítja a folyosót és a szobaajtó melletti részt ..
(#) soldy hozzászólása Máj 15, 2010 /
 
Valaki meg tudná mondani, hogy a napokban vásárolt 230 voltos normál 48 LED-es "égő" - ami egyébként alig világít bekapcsolva - miért parázslik lekapcsolt állapotban?
(#) BEMcorp válasza soldy hozzászólására (») Máj 15, 2010 /
 
A Baumaxban vetted? Csak mert tegnap én is vettem egyet (995Ft9, bár nem számoltam hány ledes, de nálam is ezt csinálja. Gondolom fázisceruza effekt. De persze nem értek hozzá...
(#) soldy válasza BEMcorp hozzászólására (») Máj 15, 2010 /
 
Nem, piacon vettem, de EU gyártású
(#) pipi válasza soldy hozzászólására (») Máj 15, 2010 /
 
a kapcsolódban van visszajelző glimmlámpa? pl azon keresztül kaphat pici villanyt
(#) tbence3 hozzászólása Máj 15, 2010 /
 
Van pár alap dolog amivel nem vagyok teljesen tisztába. Gondolkozom SMD ledes fénycsőépítésén. Erről esetleg van valami tapasztalatok? Ugyanis tudnék szerezni 25Ft-os darabáron 3528-as meleg illetve hideg fehér ledeket. Ami szerintem elég jó ár már csak a HES-hoz képest is. Mennyit és hogyan lenne érdemes összerakni, hogy egy fénycsövet kitudjak vele váltani?
Ha darabja kb 1500mcd-át tud és én egymás melléteszek 2db-ot akkor ugye összeadódik a két fényerő?! Nah ezzel a részével nem teljesen vagyok tisztába. Feltudnátok világosítani, hogy is működik ez a több ledet rakok össze és ekkora a fényereje?
Köszi előre is!
(#) sprofan válasza tbence3 hozzászólására (») Máj 15, 2010 /
 
Hasonlót már próbáltam, csak kicsit nagyobb ledekkel.
1W 90lm, ebből 3db Fogtam egy rendes fénycsövet levettem a két végét, kimostam majd egy pálcára sorba forrasztottam a ledeket kb. 10cm-enként. Az ónozott részüknél lekentem szigetelő anyaggal, aztán bele a csőbe. Egyik felét lezártam, vizet engedtem bele majd a másik felét is lezártam. Ha nincs benne buborék akkor nagyon szuper fénye volt, nem nagy, de egyenletes fénye. Szeretném majd egyszer nagyban több led-el is kipróbálni. Gondoltam megosztom furcsa kísérletemet, hátha valakit érdekel. Ja igen, azt hozzá kell tennem hogy a led-ek hűtőcsillaggal voltak ellátva, de a borda az maga a víz volt.
(#) BEMcorp válasza poros hozzászólására (») Máj 16, 2010 /
 
Kicsit átdolgoztam a panelt, ahogy javasoltad, kihagytam a vezérlőtrafó utáni tranzisztort, és közvetlenül a PIC előtti fesz.osztóra megy az egyenfesz..
(#) poros válasza BEMcorp hozzászólására (») Máj 16, 2010 /
 
Ez lenne az én végleges javaslatom .Az esetlegesen nálad hiányzó alkatrészek ne ijesszenek meg ,megvan hozzá minden.
(#) juppi válasza sprofan hozzászólására (») Máj 16, 2010 /
 
Na, és ez a víz nem korrodálja az anyagokat?
(#) BEMcorp válasza poros hozzászólására (») Máj 16, 2010 /
 
A PC 124 valamilyen optocsatoló?
Ilyen optom és greatzem nincs. Majd privátban letárgyaljuk a piszkos anyagiakat
Pöpec lesz!
(#) poros válasza BEMcorp hozzászólására (») Máj 16, 2010 /
 
Igen opto mint írtam mindenem van hozzá . Ami neked nincs meg azt küldöm , de a többit már tényleg privátban ,mert a fejünkre koppintanak. :hide:
(#) poros hozzászólása Máj 16, 2010 /
 
Ha esetleg valaki után építeni szeretné itt van hozzá a HEX 16F628 ra.

FRD~1.HEX
    
(#) sprofan válasza juppi hozzászólására (») Máj 16, 2010 /
 
Egy idő után egészen biztosan, de pont ezért szét is szedtem 2 hét után (ennyi idő alatt nem látszott semmi). Legközelebb valami ásványolaj vagy valami ilyesmi kéne bele, több led-el nagyobb csőbe, de ez még messze van sajnos.
(#) tbence3 válasza sprofan hozzászólására (») Máj 16, 2010 /
 
Síma 3528-as SMD ledel mi a gond? Abból nem lenne jó csinálni fénycsőt?
(#) sprofan válasza tbence3 hozzászólására (») Máj 16, 2010 /
 
Nekem semmi gondom nincs vele. Ha ilyen led-ekből rakjuk össze az annyival jobb hogy nem kell hűtőközeg, viszont nagyon sok led-et kell forrasztgatni A végén meg kiderül hogy 25Ft-os darabáron vett ledek helyett árban jobban megérte volna 25-30db 1W -os hűtőcsillagos led. Minden esetre én az utóbbival fogom csinálni. A led-eket egy pálcára rögzíteném, de nem egy irányba nézne minden led, hanem egymáshoz képes x° eltérés lenne hogy a sor eleje és a vége között 90° legyen.
(#) tbence3 válasza sprofan hozzászólására (») Máj 16, 2010 /
 
Ugyebár azok a Prolight Star 1W-os ledek 120°osak. Az nem elég? Ezek szerinte Te a plafont ( vagy tartót) is megszeretnéd világítani? Mert ha jól modelleztem SprintLayout-ban akkor az azért megvilágítja is a plafont.
Vagy rosszul szerkesztettem valamit?
(#) piros1 válasza tbence3 hozzászólására (») Máj 16, 2010 /
 
Ha két darabot egymás mellé teszel, tényleg összeadódik a fénye, de az emberi szem fizikája miatt 2,5 darabot kellene egymás mellé tenni, hogy kétszeres fényerőnek lásd. (2,56 a szorzó egész pontosan)
Tehát: 2 x fényerő = 3 led.
3 x= 7 led
4 x= 16 led
5 x= 40 led
6 x= 98 led stb.
Ezt vedd figyelembe a tervezéskor.
(#) tbence3 válasza piros1 hozzászólására (») Máj 16, 2010 /
 
Nah valami ilyesmi adatokra volt szükségem.
Megnéztem egy led gyártó ledes fénycsövének az adatait és ott egy 120db 3528 1500mcd-ás ledes csőre 600Lm adtak meg. Ez reális lehet? Csak mert találtam egy candella -> Lumen átalakítót és az alapján csak 4Lm/led jött ki.
Ez most akkor, hogy lehet?
(#) qvasz2 válasza tbence3 hozzászólására (») Máj 16, 2010 /
 
1600mCd -val számolva pont 600Lm lett (a pdf-en 1600 mCd van)
(#) tbence3 válasza qvasz2 hozzászólására (») Máj 16, 2010 /
 
Milyen pdf-re gondolsz?
Azért nem értettem a dolgot, mert amit nekem megadtam adatok azok 1300-1500mcd/led volt.
(#) qvasz2 válasza tbence3 hozzászólására (») Máj 16, 2010 /
 
Erre itt:
Bővebben: Link
(#) debati hozzászólása Máj 18, 2010 /
 
Sziasztok!

Annyiból kapcsolódik a kérdésem ehhez a témához, hogy LED-es világítást szereltem otthon a nappaliba. Led szalag és led szpotok vannak. A lényeg az, hogy sajnos nem csillár kapcsoló van, hanem alternatív, viszont szeretném azt, hogy külön lehessen őket kapcsolni. Láttam már olyan kompakt fénycsövet, ami az első felkapcsolásra a fénycső részét kapcsolja be, a másodikra pedig csak egy gyengécske led világít benne irányfényként. Biztos tudtok ilyenről. Ugyanígy dimmelhetőkről is hallottam... 1. kapcsolás 100%, 2. kapcsolás 50%, harmadik kapcsolás 25% fényerő.

Azt szeretném, hogy a villany első felkapcsolására az egyik relét zárja, majd mondjuk ha 3mp-en belül újra le és fel kapcsolom, akkor egy másik relét. Ti hogyan oldanátok ezt meg?
Az egyik relére minden rá lenne kötve, és teljes fényerővel menne, a másikra pedig csak a menyezetet megvilágító led szalag hangulatvilágítás képpen.

Csillárkapcsolóra átalakítani nagyon körülményes lenne, ugyanis 4 helyről kapcsolható a villany, az egész nappalit át kellene vezetékelni...

Előre is köszönöm a segítséget!
(#) pipi válasza debati hozzászólására (») Máj 18, 2010 /
 
ettől egyszerűbb, rövidnyomás, hosszú nyomás, vagy a nyomás idejének megfelelően fényerőállítás/újabb csoportok bekapcsolás.
Én mikrovezérlővel csinálnám...
(#) qvasz2 válasza pipi hozzászólására (») Máj 18, 2010 /
 
Szerintem, ha tudna mikrokontrollert programozni, nem kérdezte volna meg, hogy hogyan csinálja. Nyilván valami egyszerűbb megoldást keres. Szerintem . . .
Következő: »»   31 / 186
Bejelentkezés

Belépés

Hirdetés
XDT.hu
Az oldalon sütiket használunk a helyes működéshez. Bővebb információt az adatvédelmi szabályzatban olvashatsz. Megértettem