Fórum témák
» Több friss téma |
Fórum » Transzformátor készítés, méretezés
Ha kérdésed van, az alábbiak segítenek a hatékony választ megadni:
Mag típusa: M, EI, UU/LL esetleg I-kből összerakott, tekercselt, toroid. Lehetőség szerint képpel.
Méretek: magkeresztmetszet a*b (amit a tekercs körbeölel) ablakméret, lánc és toroidnál, belső-külső méretek.
Primer-szekunder feszültség(ek), teljesítmény igény.
kettő primer tekercs van rajta első a 2-4 között ,második a 3-6 között.A kettöt sorba kel kötni.230v ra a 3-4 es pontot összekötöd és a 2-5 pontra teszed a fázis nullát .
Ez tulajdonképpen azt (is) csinálja amit szeretnél, csak a tápból kivehető teljesítmény így feleződik. Emiatt ha megépíted, és a tápot nem csak egyvalamire akarod használni, akkor szerintem ne fixen kösd ezt be, hanem kapcsolhatóan. Akár külön dobozban, kiegészítésként.
Sziasztok. Remélem jó helyre írok.
Tehát a kérdésem a következő lenne. Szeretnék egy TDA ic-s erősítőt minden megvan hozzá csak a trafó hibádzik. Mégpedig azért mert kell az erőlködőnek +,-, GND. Nekem pedig csak sima két vezeték jön ki a cuccból. Hogyan lehetne ebből a számomra megfelelőt csinálni. Az egyik TDA-s fórumon volt egy rajz de nem tudom jó e. Ráadásul nem is találom azóta azt a rajzot! De kb. annyi volt rajta hogy, a kimenet egyik szálja volt a GND a másik pedig egyenirányítva +,-.Tudnátok esetleg segíteni?
A trafó feszültségkétszerezős egyenirányítása nem a legjobb ötlet, sőt, TDA-s erősítők esetében nem is ajánlott. Akkor inkább az egytelepes táplálás, ha az IC lehetővé teszi.
Ezt részleteznéd! Mert nem nagyon értek még ezekhez a dolgokhoz.
A TDA-k jelentős része képes egy tápfeszről is működni (Pl. TDA2030). Mivel nem írtál konkrét típust, nem tudhatjuk, alkalmas-e az IC az ilyen üzemre. Ha igen, jobban jársz ezzel a megoldással a hátrányai ellenére, mint a feszültségkétszerezővel bajmolódni. Az ilyen típusú IC-k ugyanis erősen kivezérlés függő áramigényt mutatnak, a feszültségkétszerező ezt csak komoly kompromisszumok árán képes kielégíteni.
pl.: 7294,7262. Ha emlékezetem nem csal akkor a fesz kétszerezésnél a pufferkondik méretének kétszer akkorának kell lenni mint a minimum.
Kaptam egy jó kis trafót, ami mikrohullámú sütőből lett kiszerelve. Olyan szép méretes darab. Gondoltam valamire csak jó lesz, azátn ha nem, kidobom.
Megmértem az áttételét és kicsit szomorú is lettem. A primer tekercsre a 230V helyett csak 11V-os váltófeszt kapcsoltam, így a szekunder tekercsen 106V jelentkezett. Könnyű kiszámolni, hogy akkor 230V mellett durván 2200V jönne ki belőle. Ilyen nagy feszültségre nincs szükségem. Visszafelé számolva viszont, ha a szekunderre kapcsolnám a 230V-ot, akkor olyan 24V körüli feszültség adódhat a primeren. A kérdésem, hogy vajon a kivehető teljesítmény mennyivel csökken le ebben az esetben, a vas ugyanis jóval kisebb gerjesztő áramot fog kapni? Egy 50-100W körüli teljesítmény kijöhet a trafóból? Bár arra meg elég nagy a mérete... ( sajnálnám kidobni )
Egy tartalmasabb válasznak jobban örültem volna...
A kérdésem viszont továbbra sincs megválaszolva. Ha lesz időm, talán majd kísérletezek a trafóval, de az azért jó lett volna valami gyakorlati tapasztalatot olvasni erről, mielőtt belevágok. Hegesztőtrafót nem akarok csinálni belőle, arról egy másik fórumon olvasgattam. Meg még nagyfesz kísérletezésbe se akarok kezdeni. Tehát mekkora teljesítmény adhat ki, ha fordítva használnám 24V-os trafóként?
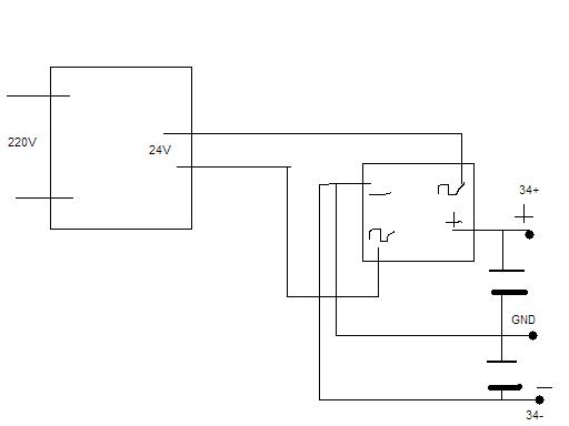
Sziasztok. Megint itt vagyok és kérdezek. Tehát a probléma maradt a régi kellene +-GND. De nincs ilyen trafóm. DE! Van 4 tök egyforma 24V AC -s. Ha kettőt összekötöm akkor onnan lehet GND szálat hozni? A 24 az marad 24? Egyenirányítva pufferelve durván 34V DC?
Valahogy így gondoltam.
Lehet ilyen módon összekötni a transzformátorokat, bár egy fokkal elegánsabb megoldást nyújtana kettős Graetz-híd használata, a GND jelenlegi, közösített - középmegcsapolás elvű - használatával. Egyébként a jelenlegi rajzod szerint a kimeneti DC feszültség durván 68 V lesz, hiszen a transzformátorok szekunder oldala soros kötésű.
Vagy benéztem és DC ben durván 68V lessz?
Nem vagyok nagy mágus. A két greatz-t így gondoltad?
![]() Vagy így is 68V lessz? Ha igen akkor rajzolnál egyet ahol marad a 34V de van GND. ![]() Vagy akkor ez nem kivitelezhető?
Igen, ez így már szimpatikusabb rajz.
Egyébként ez most hasonlít ehhez, és ez nem egy rossz konstrukció. Az előbb a 68V DC-t én úgy értettem, hogy a mínusz és plusz között lesz ennyi mérhető, tehát a GND-hez képest kb. plusz 34V és mínusz 34V lesz mérhető a tápegység kimenetén. Ez az újabb rajzodnál is így van.
Az összekötést én az első ábra szerint csinálnám, de a másodiknak is látom az előnyét.
Az elsőnél az áram kevesebb diódán megy keresztül, kisebb veszteség, továbbá csak egy darab egyenirányító hidat igényel. Itt arra kell odafigyelni, hogy a két trafó teljesen azonos tipusú legyen, illetve a szekunder oldalon a fázisok stimmeljenek, mert különben nulla fesz jön ki. ![]() A második eset annyiból előnyösebb, hogy nem kell feltétlenül egyformának lenniük a trafóknak, bár ekkor a táp sem lesz feltétlenül szimmetrikus. A rajzaidon nem látszódik, de ugye a két primer oldalt párhuzamosan kötnéd össze?
Ehhez mit szólsz? Vagy baromság? Itt van +,-,GND.
Bocsi de szerintem ez nem annyira durva kifejezés. De h gond akkor nem használom többé legalábbis itt. De nekem nincs szimmetrikus tápom tehát a tápból itt sima két vezeték jön ki. Ahol hasonlót látok ott 2 dióda van az nem igazán szimpatikus, de azt hiszem ott sokkal nagyobb puffer kell. De ha az a megoldás jobb mint az enyém akkor légyszi áruld el milyen dióda kell kondinak elég 2x 2200u40V-os (jelenleg ez van raktáron )
Nincs baj csak ha jó lenne ez az utobbi megoldás akkor nem kellene két tápot lefoglalnom elég lenne egy.
Ha picit végiggondolod, akkor magad is láthatod, hogy nem jó a hármas megoldásod.
A diódahíd egyik lábát osztod ketté. Mitől lenne így a vezetékek végei között 34V feszültségkülönbség? Ha csak egy trafót akarsz felhasználni, akkor köbzoli rajzáról a bal alsó változatot használd! Ezzel üresjáratban GND-re szimmetrikusan +/- feszültséget kapsz. Ez akkor jó megoldás, ha az áramkör, amit ezzel táplálsz nem érzékeny a BRUMM-ra. Az első megoldásodat szebben megrajzoltam - a két transzformátoros kivitelt. Ez simább egyenfeszt ad, mint a két diódás megoldás.
Sziasztok Na ugye toldani akartam a trafót de az a plusz 18menet szimmetrikus oldalanént éphogy nem fért fel, de volt rajt még pluszba 2x5 v azt letekertem hátha elég lett volna a hej , de ez a szekeunder 2x23 kimenetek alatt volt , kérdésem hogyan tudnám szépen visszatekerni a 2x23 v os részt egymás mellé spirálisan úgy hogy ismét elférjen . Tudnátok adni tippet hogyan tudnák szép meneteket csinálni?
most pont nem tudok mert nemjó a telóm , de lemérem a méreteket és paintbe megrajzolom sorry..
igen igen plusz egy keveset amivel emelkedik a feszültség de az már ki is van számítva mennyi..szóval nem tudom egyszerűen úgy gyűrögetni hogy szépen egymás mellé kerüljenek a menetek....
Én egy darab ronggyal szoktam kiegyenesíteni, a kezemet betekerem vele jó vastagon, aztán a markomba fogom a rezet, és egy kicsit csavarok rajta, úgy, hogy a vezeték és az öklöm kb 90fokot zárjon be egymással, majd húzom a kezemet, a vezeték másik fele meg persze ki van kötve valahol. A rongy meg biztos nem sérti meg a zománcot.
Sziasztok!
Van egy 220/30 feliratú transzformátorom, és 2x2 vezetékem. Eléggé egyértelműnek tűnt, 220V primer, 30V szekunder trafó, és az egyik vezetékpár a 220V a másik a 30V. A vezetékek méretéből az is eléggé egyértelműnek tűnt, hogy a jóval vastagabb a 220-as. Rákapcsoltam a 220-at, de levágta a villanyórát. Jobb későn mint soha, utána megnéztem a 220-asnak tűnő vezetékpár közti ellenállást, és a műszer 0-át mutatott. Ez azt jelenti hogy valahol zárlatos, esetleg én magam nyúvasztottam ki és mehet kukába? Köszi a válaszokat előre is!
Tévedésben vagy !
Vastagabb vezeték a szekunder , vékony a 230V .
:$
OK, akkor mégegy hasonlóan értelmes kérdés; az miért van hogy az egyik (vékonyabb) vezetéken tudok kb 2-300 ohm ellenállást mérni, a másikon (amelyikre a 220 ment) 0 az ellenállás?
2 eset lehetséges:
1. gyengécske a műszered és 1-2 Ohmot nem tud mérni 2. nagy teljesítményű a trafó és tizedohmokat valóban nem sok kéziműszerrel lehet mérni. Egy fénykép vagy vasmagméretek sokat segítenének.
A 220V~ os trafók 98% nak,a primer tekercs része,van vékonyabb huzalból.
Kivételek ez alól,az olyan középfeszültségű trafók,amelyek feltranszformálnak,pl.mikrosütő tr.2000V~ állit elő szekunder oldalon. Kisebb teljesítményű 5-10-100W-os trafók primerjét,olcsóbb multiméterrel is kilehet mérni. 1-2ohm eltérés nem mérvadó,ettől ugyan nem ég le. |
Bejelentkezés
Hirdetés |
















