Fórum témák
» Több friss téma |
Szia!
Köszi. Mindenfajta OPA-n gondolkoztam, de a TL071 valahogy kimaradt. Pedig elég lett volna megnézni az adatlapját..
Nem túl jó az angolom de mintha az "absolute maximum ratings" alatt azt olvasnám hogy a bemenet nem haladhatja meg a tápfeszt vagy a 15v-ot.
Persze lehet hogy rosszul értem!
Kipróbáltam a TL071! Teljes siker! Tökéletesen stabil!
Össze vissza rövidrezárom , de iszonyat stabil. Köszi a segítséget!!
A Skori féle szabályozható áramgenerátor utánépítői közül segíthetne valaki azzal, hogy mivel lehet helyettesíteni az IRL 350-et. Nekem 200-250mA kell egyetlen ledre. Hirtelen kellene helyette valami, mert pontosan ezt a típust egy héten belül lehetetlen beszerezni, kísérletezni pedig nem akarok. Méret nem probléma. Előre is köszi!
Szia!
Biztosan jól írtad a típust? Melyik kapcsolásról van szó?
Logikai szinten kapcsoló fet kell,-gondolom én, a tápfesz miatt.
Hello!
A tápfeszt el is felejtettem kérdezni, pedig bennem is felmerült. De ha így van, akkor az LR024N-el lehet a legjobb eredményt elérni szerintem. üdv! proli007
A szóbeszédben tényleg van robbanómotor. A valóságban azonban van belső és külső égésű motor. Belső égésű motornak nevezik a szaknyelvek az összes dugattyús motort és a wankelt is.
Külső égésü motor a gázturbina [quote] Öngyulladásos égés: ellenőrizhetetlenül a sűrítés végén a felső holtpont előtt megy végbe. A folyamat során fellépő hosszabb ideig ható magasabb hőmérsékletet és az ezzel járó magasabb nyomást az alkatrészek nem képesek elviselni és elolvadhatnak vagy összetörhetnek. Ha a dugattyútető átég, a keletkező lyuk szélei legömbölyítettek, olvadt kinézetűek. A kox lerakódás mellett gyújtó felületként számításba jöhet még a kipufogószelep vagy egy túl alacsony hőértékű gyújtógyertya is. Kopogásos égés : az előzőekben tárgyalt öngyulladásos égéstől az különbözteti meg, hogy mindíg a gyújtószikra keletkezése után jön létre. Ilyenkor a benzin az égőtérben nem elég, hanem a töltet egésze vagy egy része gyakorlatilag felrobban. Hatására a motor teljesítménye csökken, csörgés, csilingelés hallatszik a dugattyútető és a hengerfej szélei pedig homokfúváshoz hasonló kinézetet kapnak. A gyertya porcelán részei összetörhetnek, súlyosabb esetben a dugattyútető beszakadhat. Az így keletkező lyuk szélei az öngyulladásnál tapasztalhatóval ellentétben élesek, repedezettek. A sorozatos robbanások a dugattyú szélét a dugattyúgyűrűre görbíthetik, amely hornyában megszorul, tömítő képességét elveszti. Ezután az éppen elégett gáz akadálytalanul tör utat magának a forgattyúház felé, miközben a dugattyú szoknyáját jelentősen felmelegíti, amely a hirtelen hőtágulás miatt beszorul a furatba. Az alkatrészek tönkremenetele előtt észlelve a tüneteket, a súlyosabb károsodás megakadályozható. A hengerfej és a dugattyú korommentesítése, az előgyújtás csökkentése, vastagabb hengerfej vagy hengertalp tömítés beszerelése, dúsabb benzin/levegő keverék beállítása, magasabb oktánszámú tüzelőanyag használata mind ezt a célt szolgálhatja. Ezt az idézetet egy olyan tankönyvből írtam ki ami az utcán futó versenytechnikák szerkezeti felépítését és javítását taglalja nagy részletességgel. Robbanómotor
7805-öt próbált már valaki áramgenerátorként használni?
elvileg hogyha egy 330 Ohmos ellenállással visszacsatolom a földjére a kimenetet (és nem kötöm a földet a földre), az kb 20 mA lesz mert 5V/330 +3.valamennyi mA namost a ledet sikerült így tönkretenni (bemenet 12V-os szabályozatlan táp volt) mi lehetett a probléma szerintetek? (ja azért 7805 mert ez van itthon, ebből szerettem volna építkezni)
Szia!
Van itt egy rajz. Ez alapján készítsd el az áramköröd.
Hello!
Elvileg működik, de azért elég béna vállalkozás, egy 1A-es stabit 20mA-es Led-hez használni. Ha gerjed az IC, vagy megszakad a GND vezeték, akkor már repül is a Led.. üdv! proli007
nem 1db ledhez lenne, hanem 60 mA-es ledsorhoz...
(tesztelni meg a 20mA-es óccsóleddel tesztelem) csak nem akartam költekezni feleslegesen, hanem abból akartam építkezni ami van... a 7805 adatlapján pedig megláttam, hogy lehet áramgenerátorként is használni. az egész kb 10-20 percet fog működni, mert egy modelt kell megvilágítania. --- közben találtam itthon LM337-et, azzal sikerült megcsinálni tisztességesen, szintén áramgenerátorosan. szerintem hagyom ezt a változatot.
ezt imádom: jött az újabb peremfeltétel, legyen elemről üzemeltethető...
adott 2V, 3.2V, 3.3V nyitófeszültségekkel rendelkező 6db RGB led, 60mA nyitóirányú áram. az első verzióm: step-up converter 21V-ra, és 3db áramgenerátoros feszstabbal biztosítani a 60mA-t csatornánként, és 3 potival még szabályozható is a fényerejük (ami elég gány megoldás) második: csak létezik erre valami agyonintegrált vacak, és itt jön a kérdés: ki találkozott ilyennel? (és ami beszerezhetó itthon 1-2 héten belül, és esetleg van valami egyszerű uC interfésze, és akkor még egy gonddal kevesebb)köszi előre is!
Hello!
Erre gondoltál? (Ha nem találod a Shift billentyűt, adok kölcsön. Az enyémen kettő is van..) üdv! proli007
Szia!
Sikerült-e megoldani a feszültségszabályzást a szélgenerátornál? Most én is evvel a problémával küszködöm. Van egy 200W-os szélgenerátorom (FD 200) ami gyári töltésszabályzón keresztül 24V-os akkumulátort tölt. Evvel nincs is semmi probléma. Rákötötöttem egy hálózatra termelő invertert a generátorra egyenirányítás után. Ez is így kiválóan működik. Az inverter 14-28V között működik, és termel a hálózatra. Innentől fogva, az akkumulátorba nagyon kevés jut, ez nem is probléma. Gondoltam, hogy eltávolítom az akkumulátorokat, mert már nincs ebben a megoldásban létjogosultsága, de nagyobb szélnél amikor a feszültség 28V fölé megy, (amit eddig az akkumulátor emésztett fel) az inverter lezár, és a generátor üresjáratban marat, ami szétpörgést eredményezne. Vagyis olyan kapcsolási rajz kellene, ami 27V-nál kinyit egy műterhelésre, és leterhelné a generátort. Erre áramkimaradáskor is szükség van, mert az inverter ekkor is leáll. Talán tudsz segíteni, vagy ha valaki más is olvassa, akkor tudtok segíteni. A megépítéssel nincs gondom. Pali
De akkor miért nem jó, ha benne hagyod az akkut?
Hello mindenkinek...
Tudna nekem valaki segíteni abban, hogy a mellékelt kapcsolás (bár ez egy akkutöltő, végsősoron áramgenerátorról van szó) miért nem tökéletes? Probléma: A megépített kapcsolás mindössze maximum 1A körüli áramot tud leadni, úgy, hogy a T3 nagyon melegszik (valszeg nagy a bemenő fesz, a kondin mérve 23V--). Ennek szabályozása is lomha alig reagál. ((Egy ilyet már megépítettem vagy 8 éve az jól működik bár az előirányzott 5,5A helyett ez is csak max 3A-t tudott leadni de ez nem zavart mert ennél nagyobb árammal soha nem töltöttem)) Egyébként a felhasznált alkatrészek az alkatrész listában látható típosokkal egyeznek. (Nem vagyok szakértő, csak hobby szinten foglalkozom a témával, és már néhány éve azt is csak a pálya széléről......) Segítségeteket előre is köszönöm! Petike
Hello!
Nem tudom, erre gondoltál-e, vagy valami analóg dologra. Ez 27V-nál kapcsol be és 24V körül ki. (hiszterézis, az R5-el állítható) De ha egy "párhuzamos stabilizátorra" gondoltál, az is megvalósítható, a relé helyett alkalmazott tranyóval és R5 kiemelésével. De analóg üzemben, a tranyó fűteni fog, kb. fele annyit, mint a terhelés maga. (mert azt nem írtad, mekkora) Vagy, bent marad az R5 és kapcsolgatni fogja a terhelést. Akkor viszont valamekkora kondi kell, az aksi helyett. üdv! proli007
Hello!
- Ha a T3 melegszik nagyon, akkor a 2N3055-nél van valahol hiba. Legfőképpen a kollektor (vagy kollektor kör) szakadása jöhet szóba. - Egyébiránt a töltő maximális kimenő áramát, a P1 poti felső állásában éri el. A korlátozás akkor jön létre, mikor az R3 ellenálláson a feszültségesés eléri a T1 bázis-emitter nyitófeszültségét. A töltőáram ilyenkor Ube/R3=0,65V/0,2ohm=3,25A. üdv! proli007 Idézet: „- Egyébiránt a töltő maximális kimenő áramát, a P1 poti felső állásában éri el.” Nem értem. Minél negativabb a T1 bázisa, annál nagyobb meghajtást biztosít a további fokozatoknak. Ha a bázist a pozitív táp irányába viszem, akkor zárni igyekszik. Az áramkorlátozás tiszta, csak az előzőek nem.
Köszi proli007
Megnézem a jövőhéten mindenképp.... (Holnaptól egy tanfolyásra kell mennem sajnos....) Üdv etike
Hello!
Bizony teljesen igazad van! Mivel olvasni nem szoktam, így ezt jól elnéztem.. üdv! proli007
Hello!
Mex felhívta rá a figyelmemet, hogy amit az áramkorlátozásról írtam, nem valós! Sajnos igaz is, bocsánat érte. üdv! proli007
hello
Megépítettem Skori áramgenerátorát de olyan jelenséget csinál osram power led-el hogy csak 30-50mA-t küld rá poti max állásában, de egy sima ledre meg engedi följebb is mitől lehet ez a jelenség?
Hello!
Nem ismerem az ominózus Led-et. De a következő a tippem: Lehet, a dióda(ák) nyitófeszültsége magas. Ugyan is ez egy feszültség csökkentő SteDown kapcsolás. Ha a Led nyitófeszültsége magasabb mint a tápfeszültség, nem működik jól a dolog.. üdv! proli007
Sziasztok!
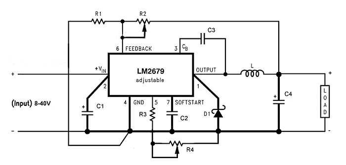
Kellene nekem SSC p7 LED-hez áramgenerátor, és ehhez egy LM2679-adj tűnt a legjobb megoldásnak. Működik is rendesen, stabil, nem melegszik, mondhatni tökéletes. Egy dolgot kivéve. Terheléssel nem indul el. A kimenő feszültség beáll 1,4V környékére, semmi nagy bemenő áram, nem gerjed, nem melegszik, csak simán leszabályoz. Mi tud ilyet okozni? Kapcsolás mellékelve. C1: 1000uF C4: 47µF (próbáltam 1000µF-et is, de az ár nem egy jó áramgenerátor lenne..) C2:100nF c3:10nF R1:2,5K R3:8,2K potik 100K a tekercs pedig gyári, 27uH 5A, toroid magra mi lehet a bibi? köszönöm!
Sziasztok megint!
Próbáltam rájönni, mi okozza, de nem tudom. Tettem bele 7uH, 14uH, 22uH, 47uH, és 220uH-t is, teljesen azonos a viselkedés, csak a feszültség más. Próbáltam nagyobb kondival, és 100nF-fel is a kimeneten. Azonos jelenség. Próbáltam más fajta diódákkal is, illetve próbáltam akkuról is, nehogy a labortáp áramkorlátja szóljon bele (pedig 15A) de nem, akkuval is azonos a jelenség. Mi okozhatja?
Hello!
Nem ismerem az IC-t. De mivel gondolom Te áramgenerátor üzemben járatod, előfordulhat, hogy induláskor letiltódik (reteszelődik) benne valami. Esetleg próbáld meg a softstart kondit növelni, hátha megoldás.Vagy az R2-őre kondit tenni, hogy bekapcsoláskor a dióda nyitófeszültsége alatt, tehát "terheletlenül" induljon el. Aztán ha feltöltődött, jön az áramhatárolás. üdv! proli007 |
Bejelentkezés
Hirdetés |




(és ami beszerezhetó itthon 1-2 héten belül, és esetleg van valami egyszerű uC interfésze, és akkor még egy gonddal kevesebb)
etike




