Fórum témák
» Több friss téma |
Fórum » Crystal radio - detektoros rádió
Kiegészítés:A készülék négy az egyben nevet viseli, mert két darab két áramkörös és két állású kapcsoló segítségével mind a négy kapcsolás -amit a rajzok ábrázolnak-megvalósítható.
Üdvözlettel:Gőzgépész.
Lakhatnál közelebb, átszaladnék egy kis forgóval.
Ha nem találnál, megnézem, én hogy állok vele. Úgy emlékszem, hogy csak egy ilyen kicsim van, de ha lenne kettő, akkor küldök egyet. De... Leírok egy módszert, amivel további alkatrész(ek) nélkül is össze tudod hangolni a két kört. A lényag az, hogy a két rezgőkör azonos frekin rezegjen. Ezt úgy is elérheted, hogy a tekercsen változtatsz. Tedd hozzáférhetővé a két (L2 és L3) tekercs belsejét. Ha útban van, ideiglenesen vedd le a T idomot, vagyis a szívókört. (Mindezt akkor, amikor szünetel a helyi adó!) Fogj egy vastagabb rézdarabot, (rud, csavar stb) olyat, ami befér a tekercsedbe. (Ha jól látom olyan 30-40 mm az átmérőd.) Hangolj egy állomásra! Közelítsd az egyik tekercshez a rézrudat! (Kezd beletolni a csévébe!) Figyeld, hogy halkul, vagy erősödik a vett adó! Ha mindegyikbe betolva halkul, akkor össze van hangolva a két kör. Ha az 1. -be betolva erősödik, a 2. -be betolva halkul, akkor az 1. -es tekercset vissza kell bontani addig, amíg a rezet a tekercsbe tolva nem tudsz vétel javulást előidézni. A tekercset menetenként bontsd, közben mindig újra ráhangolva az adóra, utána kezd ismét a "rézpróbát"! Szerk.: A rézpróbához jó egy réz vízcsap is!
Köszönöm a tippet.Rezem az van mindenféle, mert abból gyártom a gőzgépeket.Ma éjszaka ki próbálom.
Gőzgépész.
A kacatok között találtam egy miniatűr forgót.Mért értéke:0,095 és 0,104 nF.Mit szólsz hozzá, megfelel a célnak.Ez a forgó olyan pici(21x30x30 mm),hogy nem is néztem forgókondenzátornak.Nem is emlékezem rá mikor és honnan került hozzám.
Gőzgépész.
Vales! Nekem tetszik! Ezt a feszültségkétszerező trükköt ki kell próbáljam a hullámvadászon. A diódák utáni kondenzátor kapacitása mitől függ? Azért kérdem, mert a hatvanasjocó-féle rajzon 1 nF, de ő 2000 ohm-os fejhallgatót használt. Az impedenciától függne, talán?
Ez teljesen jó, - 10 től 100 pF-ig. Biztosan valami zsebrádió forgója lehetett.
Szerbusz! A kondenzátorod 104 pF ha nem elírás nF, segédforgónak tökéletesen megfelel.
Szia! Impedanciától is függ . Gyakorlatilag 500-2000pF bármelyik érték megfelel. Ha ettől az értéktől nagyobbat teszünk be akkor a magashangok szintje fog csökkenni.
Köszönöm a segítséget! Most már értem.
A kis forgó nem hiszem, hogy zsebrádióból való, inkább katonai (pláne orosz) eredetű, mert annyira masszív fel építésű.
Az éjszaka végre hajtottam a réz próbát.A réz rúd 22 mm.átmérőjű és 30 cm hosszú.Mindkét tekercsen áttolva, minden variációban,sem okozott semmi változást. A hangerő nem csökkent és nem is emelkedett.Érdekes számomra, hogy a rendelkezésemre álló két antenna mennyire más.Az udvaron átívelő antennával jó hangerővel szól a szolnoki adó, de szinte semmi más, csak nagyon halk bejelentkezések.A padlástéri antenna ( az a bizonyos U alakú) nem hozza be szolnokot, de bejön rajta elég jó hangerővel német és orosz adó és halkabban kínai és arab nak vélhető adók.A két antenna iránya között kb. 20 fok eltérés van. Jó rádiózást kíván mindenkinek:Gőzgépész. Érdekelne a véleményed a varió méhsejt szerkezetű tekerccsel szerelt rádióról.
Nem értem, hogy a tekercseid miért nem romlanak, ha a rezet beletolod. Ezen most megakadtam...
A két egymásmellet elhelyezett tekercsbe először jobbról és balról csak félig,a tekercseket elválasztó vonalig toltam be a rezet, még arra is ügyelve,hogy lehetőleg központosan helyezkedjen el a réz rúd.Ezután jobbról és balról is teljesen áttoltam a rezet. A hallgatóba semmi változást nem észleltem.Ha lesz időm és energiám megpróbálom a kis forgóval megismételni az ellenőrzést.
Nem arra gondoltam, hogy Te csináltál valamit rosszul.
Rendes Tőled,hogy így gondolod, pedig tőlem még az is kitelik, hogy nem jól csinálok valamit, elvégre a tanulóidőm első évét töltöm.Azért írtam le a műveletet, mert nem voltam biztos, hogy így kell csinálni.
Új oldal honlapomon detektoros témában.Bővebben: Link
Köszi!
Üdv...
Köszönöm a küldeményt. Sajnos a programot megpróbáltam letölteni-mert nekem nincs meg-de valamiért nem működik. A hétvégén jönnek a gyerekeim és majd rendbe teszik,és akkor megnézem.Kíváncsi vagyok rá!.
Én sem mondhatok mást, - gratula!
Valóban megy, most már,mert az én gépemet kellett megigazítani, mert nem fogadta be ezt a programot.Végül összejött a dolog. Futólag átnéztem, tényleg érdekes és első átnézésre is érthető.Azért még egy kicsi átrágom,hogy alkalmazható(alkotó képes) tudáshoz jussak.
Köszönöm:M.Tibor.
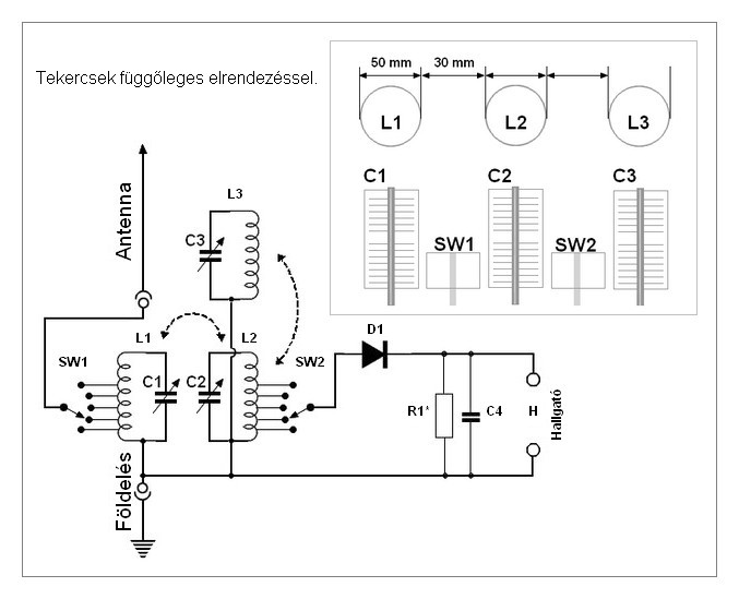
A mellékelt képek szerint készítettem el egy etektorost. A készüléket kipróbáltam. A mellékletek, most a végső összeszerelés előtti állapotot mutatják. A tekercsek iduktív csatolásban vannak egymással. A három tekercs egyforma minőségben ill. méretben készült el. A hullámcspda (L3) tekercse is fontos hogy jó minőségű legyen. Elsősorban az alkatrész, főleg a tekercsek elrendezésében szeretnék tippet adni.
Tekercsek: Mind a három tekercs egyforma. Csévetest 50mm átmérőjű pvc cső, egymástól való távolsága 30mm. Ezt célszerű úgy szerelni, hogy az egymástól való távolságuk +- 1-2 cm-rel változtatható legyen. Tekercselési hossz 60mm, huzalátmérő 0.65, induktivitás kb. 220 uH. Forgókondi 360pf A kondenzátornál számoltam a kezdő kapacitással is, ez kb 40pf, így a forgo behajtott állapotában kb. 400pf, kiforgatott állapotban kb. 40-44pf. A sáv átfogás megközelítőleg háromszoros. A vételi tartomány 540kHz-1600kHz. ezt berajzoltam a mellékelt nomogramba, melynek segítségével te is átszámolhatod a rendelkezésedre álló alkatrészekkel a rezgőkörödet. Az eredmény meglepően jó. A hullámcspda a egerősebb zavaro állomást is jól kiszűri, ezáltal megélénkül a sáv. Főleg este, 10-11 óra után. Ez is azt mutatja hogy a 'Detektoros' nem csak helyi állomások vételére alkalmas és szelektívebb tud lenni mint gondolnánk. Komplett készüléket és leírást tervezek készíteni.
Leágazások: első a tekercs végétől 5 menet, a többi 10 menetenként. A kapcsoló 6 állású, ezért a rajzal ellentétben 6 leágazást használtam fel.
üdv. szf
Elnézést kérek, ha a nyilvánvalóra is rákérdezek,de miért van a leágazásoknál 4 szál vezeték egy csoportba.Talán bifiláris tekercseléssel készült? Ha igen, akkor a leágazásnál hogyan kell eljárni, hogy a két tekercs ág ne záródjon és a továbbiakban csak monofiláris tekercsként működjön.
Köszönöm a hozzászólásokat.
Két szál van egy csoportban, menet vége-folytatása. Valószínű a kép csalóka, az utolsó képen két tekercs részlete látszik.
Üdv!
Ez valami gyönyörűséges és nagyon profi!
Egy réges-régi hullámcsapda a Muzeális alkatrészek oldalon. Bővebben: Link
de ez eredeti, és egy cikk, ha sikerül feltegyem...
Bocs! Az a kérdésem hozzád, hogy htm doksit,fel lehet tenni?
Tegnapelőtt találtam egy elég rossz állapotban lévő átalakított Süss Nándor féle ROD 4 tip detektoros rádiót. A fa doboz nem eredeti és forgókondenzátor sincs benne. Ehelyett nagyobb menetszámú leágazásos tekercs és külön antennatekercs van benne. A képeken a fellelt állapot látszik és az, hogy milyen kéne legyen. Keresem az eredeti forgatógombot(átm.50 mm) és a forgókondenzátort. Ha valaki tud segíteni kérem jelezze! Köszönettel várom válaszotokat.
|
Bejelentkezés
Hirdetés |














