Fórum témák

» Több friss téma
Fórum » Elektronikában kezdők kérdései
- Ez a felület kizárólag, az elektronikában kezdők kérdéseinek van fenntartva és nem elfelejtve, hogy hobbielektronika a fórumunk!
- Ami tehát azt jelenti, hogy a nagymama bevásárlását nem itt beszéljük meg, ill. ez nem üzenőfal!
- Kerülendő az olyan kérdés, amit egy másik meglévő (több mint 17000 van), témában kellene kitárgyalni!
- És végül büntetés terhe mellett kerülendő az MSN és egyéb szleng, a magyar helyesírás mellőzése, beleértve a mondateleji nagybetűket is!
Lapozás: OK   905 / 4057
(#) proli007 válasza hackerfish hozzászólására (») Jún 18, 2010 /
 
Hello!
- Nem PNP, hanem NPN. De ha ULN2804-et alkalmazol, abban a bázis ellenállás is benne van.
- Igen, a "GND-t" fogja kapcsolni, de szigorúan a Led előtét ellenállásán keresztül, mert az korlátozza az áramot.
- Természetesen meg lehet csinálni. Amúgy vannak még ott ki-bemeneti porták, a kézfogásos üzemmód és a jelzések miatt. pld. a Strobe kimenet...
üdv! proli007
(#) hackerfish válasza proli007 hozzászólására (») Jún 18, 2010 /
 
Ok, azt hiszem megértettem a lényeget.
Ma vagy holnap összedobom a multiplex részt is, és majd megírom, hogy mi lett belőle.
Köszönöm a segítségeteket!
(#) hackerfish válasza hackerfish hozzászólására (») Jún 18, 2010 /
 
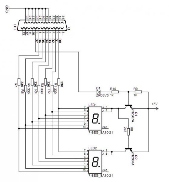
Még pár apróság a rajzzal kapcsolatban:
Mi az az A3, A8 a katódoknál?
(nekem 1 digithez csak 1 láb van)
A D1-nek mi a szerepe?
Ha a tranyók helyett másik fajtát használok (szintén PNP) akkor a bázis ellenállás méretét is módosítani kell?
(#) vilmosd válasza hackerfish hozzászólására (») Jún 18, 2010 /
 
Hali
Szoval problema a szek es a szamitogep kozott van . Meg kellene ismerni az alap elektronikat! A rajzon en egy altalanos 7 szegmenses kijelzot rajzoltam aminek 2 anodja van, megpedig a 3. es a 8. labon (kozonseges es altalanos bekotes) . Termeszetesen ha a tied nem ilyen, at kell alakitani a kapcsrajzot annak megfeleloen. A tranyok vegul is barmilyenek lehetnek, ha elbirjak a kijelzok aramat. A bazisellenallas erteke nem valtozik termeszetesen, mert a tranyokat kapcsolo uzemmodban hasznaljuk. Ajanlom hogy olvass sokat az alap elektronikarol, ha ezzel akarsz foglalkozni. Utana sok mindent meg fogsz erteni.
Udv Vili
(#) dudzsi hozzászólása Jún 18, 2010 /
 
Sziasztok.
Van nekem a melléklet relém. Az lenne a kérdés menyire neces ha PIC plusz BC182-vel kapcsolom be illetva ki? Elméletileg csak kisidöre kell hogy áramot kapjon. Azért kérdezem ezt mert a BC182 csak 100mA elméletileg a relé meg 120mA vesz fel.
A rellé a 6. oldalon található. RT424F05 tipusu

datasheet.pdf
    
(#) kormoran hozzászólása Jún 18, 2010 /
 
Üdv!
Erre a kivezérlésjelzőre szeretnék rakni egy trimmer potenciométert, hogy tudjam szabályozni hogy a legfelső piros led-ek mekkora hangtartománynál gyulladjanak ki. Annyi problémám van vele hogy még soha nem kötöttem be potmétert. Szerintetek milyen értékűt és hova érdemes rakni?
(#) bankimajki válasza kormoran hozzászólására (») Jún 18, 2010 / 1
 
Tessék itt van: Bővebben: Link A kivezérlésjelző bemenete a rajzon értelemszerűen az erősítő bemenetének felel meg. (De jó dolog a kereső.) Az értéke pedig 10k ohm vagy annál több legyen.
(#) kormoran válasza bankimajki hozzászólására (») Jún 18, 2010 /
 
Köszönöm az ábrát. Próbáltam utána keresni, de amit találtam azt nem igazán értettem. Mondjuk ezt se nagyon értem, de majd valahogy megoldom.
(#) nagy_david1 hozzászólása Jún 18, 2010 /
 
Üdv!
Hirtelen összegabajodtam, mivel egy jelölésmodot nem szoktam meg opamp-oknál. Ha az opamp-nál nincsenek feltüntetve az "invertáló" illetve "nem invertáló" bemenetek csak egy karika van az egyik bemeneten akkor az most az "invertáló" vagy a "nem invertáló" bemenet? Én az invertálóra tippelek.
(#) storm válasza nagy_david1 hozzászólására (») Jún 18, 2010 /
 
Szerintem nézd meg az adatlapon és rájössz
(#) proli007 válasza nagy_david1 hozzászólására (») Jún 18, 2010 /
 
Hello!
Karika, mindig az invertálást jelenti. (Mint ahogy az inverterek kimenetén is karika van..)
üdv! proli007
(#) bankimajki hozzászólása Jún 18, 2010 /
 
Na szóval már tegnap óta küzdök ezzel az általam tervezett kapcsolással, de az offszet beállítást nem tudom értelmesen megtervezni. (Ilyenkor a program is megkattan, ha benne van.) Na szóval csatoltam egy kapcsolást ott az elején található egy LM6172-es, ő lenne az offset olyan módon hogy a második LM6172-es nem invertáló bemenetére lenne kötve pl. egy 10kohm-os ellenállással. Ez így jó lehet? Illetve elsőnek úgy terveztem hogy teljes visszacsatolás lesz az áramkörben, de elég nagy fázistolása van 10MHz felett az IC-nek. Tehát maradtam a sima negatív visszacsatolásnál. Valakinek valami egyéb ötlete. (Gyorsabb IC-t nem találtam, tudom hogy van de az sokba kerül.) Csupán a lényeget felejtettem el, az offszetet szeretném +-tápig kihasználni. (Mivel ez egy jelgenerátor végfoknak indul.)

TELJES~2.jpg
    
(#) spyker hozzászólása Jún 18, 2010 /
 
Sziasztok!

Epiteni akarok egy egyszeru tapot egy mini furogepnek, van egy 2x12v-os trafom, az egyeniranyito hidat is megepitem semmi gond, milyen errteku kondit rakjak ra, szuresnek es puffernek? A furonak 1A es 12v kell?
Elore is koszi!
(#) spyker válasza spyker hozzászólására (») Jún 18, 2010 /
 
Amikor irtam a furorol, hogy 1A es 12v kell neki, veletlenul kerdojelt tettem a mondat vegere. Nem kerdeztem, hanem allitottam.
(#) kopaszs hozzászólása Jún 18, 2010 /
 
Sziasztok töltöttem le rajzot az elektrótanyárol de nem tudom meg nyítani nem tudja valaki hogy bin kiterjeztést mivel lehetne?
(#) spyker válasza (Felhasználó 13571) hozzászólására (») Jún 18, 2010 /
 
Koszi, majd egy megfelelo ellenallassal megoldom a magasabb feszkot.
(#) Krisz03 válasza spyker hozzászólására (») Jún 18, 2010 /
 
Akkor már inkább egy izzó, hogy valami haszna is legyen, ne pazarold el a felesleges energiát, hanem világítsd meg a munkaterületet.
(#) spyker válasza Krisz03 hozzászólására (») Jún 18, 2010 /
 
Hmmm... erre nem is gondoltam. Jol hangzik. Azt hiszem ebben a formaban epitem meg. Koszi.
(#) hackerfish válasza vilmosd hozzászólására (») Jún 18, 2010 /
 
Hali!
Most nekiálltam és összeszedtem az építéshez szükséges alkatrészeket, és jobban megnézegettem a rajzot.
A fölső tranyó a +5V miatt alaphelyzetben nyitva van, és miután átfolyik rajta az áram, bekapcsolja az alsó tranyót is, vagy nem?
Elméletileg egyszerre csak az egyiknek kéne nyitva lennie.
Vagy ez most hogy van?
(#) vilmosd válasza hackerfish hozzászólására (») Jún 18, 2010 /
 
Hali
Mondtam mar hogy a kapcsolas jo. Nekem mukodik. Viszont ajanlanam ezt: A tranzisztor mukodese.
Udv Vili
Ps: keress ra a neten a "TRANZISZTOR " szora, es olvasd el mit irnak.
(#) bankimajki hozzászólása Jún 18, 2010 /
 
Érdeklődnék, hogy műveleti erősítős fokozatnál a túllövést szeretném kompenzálni. Mivel az LM6172-nek 30MHz-től elég jelentős túllövése van. És 1 kohm-os negatív visszacsatolás van. Ezzel párhuzamosan kötöttem egy 1,5pF-os kondit. Ez jelentősen csökkentette a túllövést. Csak nem tudom hogy a NYÁK-ot amikor megtervezem, akkor ugyebár ott is lesznek szórt kapacitások. Ezt hogy lehet kiküszöbölni? Van erre valami ökölszabály? pl. GND-vel vegyem körül, vagy valami hasonló? (Fém árnyékolódoboz amúgy is lesz, a külső mágneses terek ellen.)
(#) nagy_david1 válasza proli007 hozzászólására (») Jún 18, 2010 /
 
Szia!
Köszönöm a megerősítést.
(#) djhua válasza kadarist hozzászólására (») Jún 18, 2010 /
 
Koszonom szepen !
(#) bankimajki hozzászólása Jún 19, 2010 /
 
Sikeresen befejeztem a végfokozatomat. De azért ha proli007 írna róla egy véleményt az jó lenne. Mert nem szeretném elkészíteni és utána meg szidni magam hogy mégsem stimmel valami. (Volt már ilyen a jó tervezőprogramommal.) Csatoltam a kapcsolási rajzot. A képen minden megtalálható.
(#) SKY válasza spyker hozzászólására (») Jún 19, 2010 /
 
Azért üzem közben nem lesz 17V, mert leterheli a fúró. Először mérd meg, hogy mekkora fesz van ténylegesen használat közben és majd ahhoz kalkuláld ha kell ellenállás.
(#) hackerfish válasza vilmosd hozzászólására (») Jún 19, 2010 /
 
Oké, én természetesen elhiszem, hogy működik, és elolvastam a tranzisztoros alapkapcsolásokat, csak ebben az esetben nem értem, hogy hogy működhet külön ez a két tranyó, amikor az alsó bázisa akkor kap áramot, ha a fölső bekapcsol...
(#) hackerfish válasza hackerfish hozzászólására (») Jún 19, 2010 /
 
Hali!
Elkészítettem az mpx vezérlőt.
De mielőtt összeraknám az áramkört, ki szeretném próbálni, mert csupa kiforrasztott alkatrészből van.
Hol kell mérni, és minek kell kijönnie?

mpx_png.png
    
(#) proli007 válasza bankimajki hozzászólására (») Jún 19, 2010 /
 
Hello!
Kicsit nem egészen látom át, mi a gondod.
- Jelenleg az erősítő invertáló üzemmódban dolgozik, ahol az erősítést, az R3 2.2kohm és a 100ohm határozza meg. Tehát ez 22, ha a generátor fokozat forrásellenállása zéró. Az invertáló lábról, a GND felé menő 1kohm meg felesleges. Az invertáló láb jelenleg virtuális földpont, míg túl nem vezéreled a fokozatot, az mindig GND-n van. (Lehet, hogy Te a 100ohm-ot a 10MHz-es meghajtó generátor kimenő ellenállásnak modellezésére szántad, de akkor is ez a helyzet.)
- A neminvertáló bement egy 1kohm-on keresztül, a GND-re csatlakozik. De ha az erősítő fokozatod 0..10Mhz-ig erősít, akkor az 1kohm nem jó, hiszen annak a 100ohm és 2.2kohm párhuzamos eredőjének kellene lenni.
- Az offset feszültséget, viszont be lehet vezetni akár a neminvertáló bemenete (mert az szabad), vagy az invertáló bemenetre egy ellenálláson keresztül. Mert így áramösszegző kapcsolásban dolgozik az invertáló erősítő. (invertáló bement jobb, mert neminvertáló esetén, az erősítő fokozat, egyenáramilag is fogja terhelni a generátor egységet)
- De az IC adatlap szerint az erősítő +-15V tápfesz melletti CMRR elnyomása, +-10V-ig van biztosítva. Tehát az első offset fokozat, már is tól van vezérelve a 10kohm/1kohm-okkal. Egyszeres erősítés mellett, a potiról jövő feszültség így nem haladhatja meg, a +-10V feszültséget.
- Tekintve, hogy az erősítő maximális kimeneti feszültsége (Output Swing) +-15V táp és 1kohm terhelés mellett, +-13V. 2,2kohm-os visszacsatoló ellenállás esetén, ez Iv=Umax/Rv=5,9mA. Ezt az áramot kell biztosítani az invertáló bemenetre, a +-10V offdet feszültségből. Ibe=Ube/Iv=1,69kohm. Tehát, hogy az erősítő fokozat ki legyen vezérelve, az offset fokozat kimenetéről, az erősítő invertáló bemenetére, egy 1,69kohm-os ellenállást kell kötni.
- Az erősítő generátor felőli erősítése mint említettem 22szeres, tehát a meghajtó generátor jelének, +-590mV-nak kell lenni, és a generátort az erősítő 100ohm impedanciával fogja terhelni. (parazita és bemenő kapacitásokat figyelmen kívül hagyva..)
(Bocs, most láttam, hogy már továbbléptél, de most már mindegy, nem törlöm.)
üdv! proli007
(#) davidovics hozzászólása Jún 19, 2010 /
 
Ha egy témát nyitottam és az egyik választ elfogadom megoldásnak akkor megszünik a téma vagy nem?
(#) bankimajki válasza proli007 hozzászólására (») Jún 19, 2010 /
 
Már elkészült a teljes, ez így működőképes is. 3 fokozatban van megoldva az erősítés. A legelső fokozat erősítése kb. 1X-es. Ez csak bufferként szolgál. A második fokozat erősítése kb. 5X-ös. (Itt oldottam meg az offset állítást is, a nem invertáló bemenet értékét +- 0,6V tartományban lehet állítani. (Ez a kimeneten kb. +-3V-os eltérítést eredményez) Majd következik a legutolsó fokozat, ami pedig egy sima tranzisztorokból felépített végfok. Erre lennék inkább kíváncsi, hogy valamit módosítsak még a kapcsolástechnikán, vagy megfelel így is? Ez szimulálva színusz jelnél 0-30MHz-között szépen működik. A négyszögjelnél 2MHz-től felfelé eléggé torz a jel. (De sebaj.) És itt a kész kapcsolás: Bővebben: Link
Következő: »»   905 / 4057
Bejelentkezés

Belépés

Hirdetés
XDT.hu
Az oldalon sütiket használunk a helyes működéshez. Bővebb információt az adatvédelmi szabályzatban olvashatsz. Megértettem