Fórum témák
» Több friss téma |
Szeretnék építeni a gépembe egy 2db 7 szegmentes LED kijelzőből egy hőmérőt.
ha tudtok segíteni írjatok.
Jól gondolom, hogy ezt 7 szegmenses kijelzőhöz is lehetne használni, csak ICL7107 (vagy a takarékosabb ICL7137) kell hozzá?
Ez jó, ez tetszik. Lehet, mindjárt összedobom, de remélem nem lesz kudarcra ítélve, mint az ugyanezzel az IC-vel üzemelő feszmérő.
Uhh, mégse dobom össze, mert hiányzik 1-2 alkatrész.
Maxim oldalán nézem az ICL8069-et, és ilyenek vannak helyette, amiket ingyen lehet rendelni: MAX8069ESA MAX8069ESA+ MAX8069CCZQ Melyiket kellene rendelni? Gondolom az első megfelelő lenne. Jól gondolom? Ja és a termisztorok azok 10k-ak akarnak lenni? Vagy ez valami elvont jelölés, és valami teljesen más értékű?
Most nézem, hogy a 3 típus közül csak a +-os van raktáron. Ilyen tokozásúval még nem is foglalkoztam, de hát itt az idő nekikezdeni...
ha megnézed a lap alját , ott van apró betűkkel, hogy mit jelentenek a különböző jelzések
pl a + azt hiszem azt jelenti, hogy környezetbarát, vagy legalább is nem kapsz tőle ólommérgezést
Heló !
MIt gondoltok megoldható néhány led-el egy egyszerű hőmérő 40- 140 Celsius-ig mérés 10 es léptekben valami kapcsolással? pl: LM3914 es IC vel valahogy beklibrálni? Jó lenne ha tudnátok pár kapcsolást, mert "gugli" ba nem találtam. Előre is köszönöm!
Esetleg PTK vagy NTK ellenállással meg lehetne oldani a dolgot valahogy ???
Igen megoldható. Az icket kaszkádba is kötheted. Sajna ezek a hőfokfüggő ell.-sok nem lineárisak, ezért csak indikálásra (saccométernek) lesz alkalmas a hőmérőd.
Köszi a választ háát, találtam LM35 el kapcsolást de az ic ára 1000 ft azt hidtem dobok egy hátast.
Megcsinálhatod diódával vagy egy tranya pn átmenetével is.
Sziasztok. Van egy Conrad-os LCD panelmérőm, aminek sajnos elkeveredett az útmutatója. Ebből a panelmérőből szeretnék egy volt/hőmérséklet mérőt készíteni a motoromra. A panelmérő táplálása egy 9V-os elemről működne. Egy kapcsolóval szeretnék váltani a mérések között. Hogyan lehetne a legegyszerűbben megoldani? A voltmérő méréshatára kb 9 - 14V, a hőmérő pedig 0- 120C.
A mellékelt képen a panelmérő látható. A segítséget előre is köszönöm.
Szia!
Itt a fórumon, a "kapcsolások" között mind a két problémádra gyógyírt találsz. Mindössze, még egy kétáramkörös kapcsolóra lesz szükséged, amivel ide-oda váltogatsz. A feszültségmérőt 20V-ra állítod be egy 1:100-as osztóval. (1.999) De ezért nem kellett vona új topikot nyitni! üdv! proli007
Köszi az infót.
A kereséssel keresgéltem az oldalon, valószínőleg átsiklottam felette.
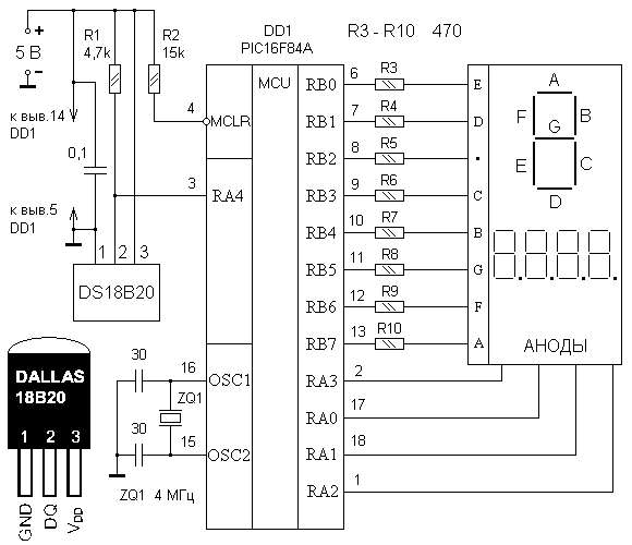
Helló.Nekem volna szükségem egy hőmérőre...LED-es és a verdába kellene,aminek a gyári számlapon 40-60-80-120fok ig van.No nekem csak az lenne a gondom hogy max8-9 led kellene.Vagy egy 3x7szegmenses kijelzős hőmérö kellene ami mér 40-120fok ig (persze a 120fok az kicsit sok egy autónál
de na...)valami IC-s vagy PIC-es (16f84,16f628)Előre is kösz!
No senki semit?
... nem baj volna akor más van ez a mellékelt rajz és csak azt akarom kérdezni hogy nem e lehet átalakitani hogy ne DS18B20-al hanem hőellenállásal működjon anélkül hogy a soft-ot át kellesen alakitani várom a hozzászólásokat.
Ha a hőellenállás alatt NTK-t vagy PTK-t értesz, akkor nem.
Sziasztok,
egy régi-régi hômérôhöz lenne pár kérdésem. Errôl a kapcsolásról van szó, amit Topi tett közzé jó 3 évvel ezelôtt: Link Az 1. kérdésem az lenne: Ki tudom-e cserélni a bent lévô IC-t ICL7107-re. Ami bent van elvileg ugyanaz mint a 7106, csak az lcd meghajtására való. Ha kicserélem, kell-e valamit változtatnom a kapcsoláson. 2. kérdés: Ha igen, eldöcög-e a 7107 5 V-tal? Mert ha jol tudom 6V kell neki, de én egy 7805-tel adnék neki feszt, mert az már van az autóban. És a 7107 IC 26-os lába -5V, vagy GDN? 3. kérdés: tudna nekem valaki linkelni egy ábrát, hogyan lehet az lcd panelt ledekkel helyettesiteni. Ugyanis a kapcsolásban szereplô SP521PR-t ki szeretném váltani !!KÉK!! ledekkel, csak épp azt nem tudom hogyan kell. Hogyan kell bekötni a 7 szegmenses kijelzôket? Elôre is köszi az összes szakinak a válaszát...
Szia!
Az IC-t ki lehet cserélni 7107-esre, de azzal nem fog működni a hőmérőd. Én személy szerint nem próbáltam, de pár évvel ezelőtt egy ismerősöm prübálkozott vele, sikerélmény nélkül. Ez a akpcsolás, ahogyan ki van találva, így a LEDes változathoz nem jó. Esetleg nézd meg a 7107 adatlapját, abban van példa hőmérőre is. A másik pedig, hogy 6 V-ról nem érsz sokat... a 7107-nek + és - 5 V (valamint GND) is szükséges a működéshez. De ha jól emlékszem, akkor az adatlapban az asszimetrikus táplálásra is van példa, tényleg érdemes lenne áttanulmányoznod! Szükség esetén pedig ICL7660 (emlékeim szerint) ott van, hogy előállítsa neked a +5 V-ból a mínuszt!
Szia!
Az eredeti kapcsolásnál a szegmensek helyére tranyóval illesztve teheted szerintem. Példának: Link (ezért nem kellet volna új topik)
Hello!
Hát ez jó volt! - Nem nyitott új topikot - A belinkelt kapcsolásodnak köze nincs a témához A többi stimmel! üdv! proli007
sziasztok! találtam egy képet egy egyszerű felépítésű hőmérőről, de nem találtam olyan kapcsolást, ahol csak ennyi alkatrész szükséges. ez egy cél-íc? tudjátok hogy milyen típusú lehet?
Szia!
A hőmérő kapcsolási rajza LM 3915-re
köszi a segítséget, az NTC azonkívül hogy a termisztorra vonatkozik, jelent valami mást is? vagy csak elég vennem egy 22k-s termisztort?
Most találtam meg hogy az lm3915 logaritmikus, és a 14 lineáris. Ez persze az ic-re vonatkozik, és gondolom a termisztoron is múlik a dolog. Azt szeretném, hogy a kijelzés lineáris legyen, akkor most 15-öst, vagy 14-est használjak hozzá. Simsonra raknám, a henger hőmérsékletét mérném vele.
|
Bejelentkezés
Hirdetés |





de na...)valami IC-s vagy PIC-es (16f84,16f628)Előre is kösz!
... nem baj volna akor más van ez a mellékelt rajz és csak azt akarom kérdezni hogy nem e lehet átalakitani hogy ne 





