Fórum témák
» Több friss téma |
gyártott keltetőgépeimet szeretném egy elektronikus hőmérővel tesztelni ,a mérési értékeket a gépemen megjeleníteni akár mérési értékek, akár grafikon formában. Viszonylag olcsó megoldást keresek, akár kész, akár építhető formában.
Ezzel egy a gond mokus. Nincs úgy kiépítve, hogy egyből számítógéphez lehessen kötni...
Valahogy úgy kéne megbuherálni, hogy a PIC belső EEPROM-jába írja az eredményeket bizonyos időközönként...mondjuk egy óránként, stb. (nem tudom, milyen időközönként kellene mérni :no: )
Szerintem kezdésnek viszont nem rossz alap, mivel az összes olyan dolog benne van ami csak kellhet. Bár PIC programozásban még igen csak kezdő vagyok.
Igazából az lenne kívánatos, hogy 1-30 min közötti intervallumokban mérjen és lehetőleg 24 óra eredményeit tárolni tudja. Mérési tartomány 35-40 fok között. Köszi, hogy foglalkoztok az ügyemmel, mindenki kap egy-egy kiscsibét!
Az Urbánelektronikánál / www.urbanelektronika.hu / kapható egy 8 csatornás mérésadatgyűjtő.
Megfelelő kiegészítéssel alkalmazható hőmérséklet mérésére, megfelelő programmal természetesen az értékek tárolhatók is. PC printerportján kommunikál a PC-vel, DOS alatt biztosan működik.. Maga az alapHW tulajdonképpen mV-ot mér, egy 5Ft-os dióda 1N4148 használható érzékelőnek ca. -50..+100 C tartományban, ezek nyitófeszültségváltozása ca. 2mV/Celsius. Fenti HW-el, megfelelő programmal, /amit hozzáadnak demoként TurboPascalban iródott és mV-ot mér +-2048mV értékek között/, 0,25C felbontás érhető el. Dióhéjban, ötletadónak..
Helo! Most csinálok egy keltetőgépet, és kellene hozzá valami hőkapcsoló! Itt a honlapon is van egy v.milyen szenzorral, de nekem ez nem jó. Mechanikus is jó lenne, ami a villanybojlerben van nemtudom, hogy jó lenne e? Vagy lehet kapni valami egyszerű cuccot ami megoldaná a dolgot, persze olcsón.
Boyler hőfokszabályzóban annak túl nagy hiszterézise miatt nem érdemes gondolkodnod. nem jó a szobatermosztát sem, az nem is tud 40 fokot.Kontakthőmérő-tizedes osztású jó, de drága. Én az első gépeket mechanikus szabályzóval csináltam, amibe az étermembránt magam készitettem, Dietil-étert némi magyarázkodás után kaphatsz a gyógyszertárakban.A membrán vékony rézlemezből készült, két félből forrasztva. Elég macerás de érzékeny mikrokapcsolóval jó, ezekből még ma is működik sok.
most már elektronikus hőfokszabályzóval készül, aminek az alapja a Conradnál kapható hőfokkapcsoló modul 3900 ft-os áron. Ezt őmlesztve kapod, neked kell beforrasztani, és stabil tápot csinálni hozzá. Ez egy trigger ptc-vel.A nagykatalógusban megtalálod, Én ezt ajánlanám. hello
hali én is mcload-hoz hasonlóan.....
Addíg okés h. Conradnál kapható hőfokkapcsoló modul +kell táp , de milyen trigger ptc és mit tudnál"fűtőtestnek"ajánlani (a villanykörte használható?)
Én javítottam egy gyári keltetőt. Abban egy u217b típusú IC végezte a hőfokszabályozást (2-3 tizedfok pontossággal). Az adatlapjában megvan a kapcsrajz is.
Boo-nak, és Mcload-nak.
A kapcsolás egy trigger, a ptc az KTY-10-es elem, de ez benne van a csomagban. fűtésnek elvileg az izzólámpa is megfelelne, de több szempont miatt sem ajánlott. Túl forró felület, kis hőtehetetlenség, baleset, és tűzveszély.Én az 50-100 férőhelyes gépeket 45w-al fűtőm, ahl a fűtőszál nem melegszik 60 fok fölé.Több ilyen frűtőbetét van, csak arra kell ügyelni, hogy ne aránytalanul nagy legyen a teljesíténye, mert azt nehéz stabilan szabályozni.Az enyém egy levédett cucc.
Köszi az infót,bár ezt még fel kell dolgoznom (agyilag).
Kérdezzél bátran, szívesen segítek.Mekkora gépben gondolkodsz?
Köszönöm a lehetőséget és élnék is vele.
Kis gépen gondolkozom max 100 tojásra mondjuk. A kérdéseim : Milyen anyagból lehet épiteni a házat? A párásitást hogy lehet szabályozni? Mekkora távolságot kell hagyni a fűtőszál és a legközelebbi tojások között? Ha a Conrad-nál veszek egy olyan modult akkor mi alapján tudom összerakni és kell-e még valami mást is venni hozzá? A forgatásra is van valami automatizált megoldás? Válaszaid előre is köszönöm! /küdheted emailra is/
Helló!
A keltetőgépre táttam egy megoldást, egy nagyobbacska hungarocel dobozból kialakítva. a tojások egy fémrácson voltak elfektetve. A fűtést a dobozban felül elhelyezett elektromos fűtőszál biztosította. Valami olyan okos elekrtonikát kellene összerakni ami a DS 18S20 szenzort használja és elektronikusan lehetne beállítani a kívánt hőfokot, esetleg egy LCD-n mutatná az aktuális és max min hőmérsékteteket is. A páratartalom mérésére is vannak szenzok úgy tudom, de annak szabályzásáról nem sokat. Beleépíthetnénk azt is. A tojások forgatását is meg legetne oldani valamiféle mechanikus módszerrel. Nagyon érdekes kis ketyere lenne. Amit tudok hozzáteszek én is.
Jó a hungarocell doboz, ha tudtál a célnak megfelelőt találni, én megpróbáltam saját dobozt gyártatni, csak a szerszám lett volna 800 rugó.Találtam jobb megoldást.
Az ötveneshez csináltam automatikus, és mechanikus forgatótálcát, de az automatáról lemondtam, nincs akkora haszna, mint amennyibe kerül. A mechanikus (kézi) forgatásu tálcára 48 tojás fér, és az egészet egy mozdulattal meg lehet forgatni 45-45 fokkal. rendesen elég naponta 2x 3x forgatni.
Hogyan kell forgatni a tojásokat?
Elfektetve és alsó felső, vagy állítva és úgy? Hogyan működik egy automata forgató?
Ha kézzel forgatod a tojásokat, akkor rendesen fektetve teszed be a gépbe, és a két átellenes oldalát meg célszerű jelölni, hogy tudd, már forgattad. R-reggel E-este
Ha tálcán forgatod, akkor a tojások állítva vannak a helyükön, és tompábbik végükkel a fűtőbetét felé. Kétféle vezérlésü aut.forgatót csináltam, egy impulzus üzeműt , és egy állandóan forgóst. Az imp üzemű egy ablaktörlő motort forgatott, 2 óránként egyszer körbe, ami a tojásokat egyik irányban 45 fokkal elfordította, majd a következő fordulatnál 45-el a másik irányba. A másikat egy áttételes műszermotor hajtotta ami 1 óra alatt fordult körbe egyszer, tehát a tojások állandóan forgatva voltak. Az a baj, hogy ilyen motorhoz ár ne tudok hozzájutni, maradt a kézi-tálcás forgató. az fogy. napokban kell csinálnom belőlük, akkor lefotózom, és felteszem ide, jobban el lehet képzelni. hi jung
Sziasztok.
Én is építettem haverom megrendelésére egy keltetőt, egész pontosan a HE 2001-es számában megjelentet. Maga a vezérlés tökéletesen működik, viszont a fűtéssel akadt egy kis gondom; a srác egy nem használt hajszárítót talált fűtésnek, ami ugye 220V-ról megy. A kapcsolásban a J1-es relé szolgálja azt a célt, hogy nagyfeszt kapcsolgasson. Ez ment is az első pár teszt során, ám rövid időn belül megadta magát. Eleinte nem értettem a dolgot, aztán rájöttem, hogy a nagyfesz miatt áthúzások voltak és bekokszolódtak a relé érintkezői. Arra gondoltam, hogy optocsatolót rakok a helyére, de egyelőre nem találok olyat, amit 5V vezérel és 220V-ot kapcsol. Az lenne a kérdésem, hogy ki hogy oldotta meg ezt a fűtéses problémát, és az, hogy tudna-e nekem vki mondani egy ilyen optocsatolót? (esetleg, ha valaki másképp oldaná meg a problémát, az ötleteket is várom) Előre is köszi
Az optocsatoló nem igazán jó választás!
Ami neked kell azt úgy hívják, hogy szilárdtest relé. Akár 5 Volt lehet a bemenete (4...32 V) és 230-at kapcsol mozgó érintkező nélkül.
Mindig tanul valamit az ember...
erről még nem hallottam, de gyorsan utánakerestem. Most már tudom, mi az, és teccene is, de ahol én néztem, ott elég drága egy ilyen. Had kérdezzem meg, hogy mi szól az opto ellen? Persze nem ragaszkodom hozzá, de találtam egy kisebb kapcsolást, ami talán segít nekem. Igaz, nem közvetlen vezérli az opto a hajszárítót - ahogy eleinte terveztem -, de ha ez szerinted is megteszi, akkor még mindig jóval olcsóbb, mint egy relé... (mondom, nem ragaszkodom én ehhez, csak spórolnék, ahol lehet ) (egyébként a HQ-ban néztem a relét, amit elég olcsónak ismerek, bár bolt téren még nincs vmi nagy tapasztalatom) Köszi a gyors reagálást, meg a segítséget is és várom a további ötleteket
Az opto ellen annyi szól, hogy relatív kis feszültséget és áramot kapcsol.
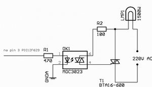
Ha nem akarsz kész SSR-t venni, akkor magad is megcsinálhatod, az *Image2.jpg* alapján. Ha fix 5 Volttal hajtod, akkor a bemeneti tranzisztort el is hagyhatod, elég egy soros ellenállás. (kb. 100...120 Ohm) A másik oldalon az R3-R4 értelemszerüen nő a 230 Voltnak megfelelően.
Értem. Viszont találtam egy egyszerűbbet. Nagyon tetszik is, mert pl ha a HQ-ban veszem az alkatrészeket, kemény 500 Ft.-ból megvagyok.
Egy kérdésem lenne hozzá: a z opto elé keveslem azt a 100 ohm-os ellenállást... Sajnos elég rossz minőségű a kép, de én 100-nak nézem. (még a lámpa 1500W-jában sem vagyok egészen biztos) Tudsz ebben segíteni? (esetleg leellenőrizni) Hálás lennék...
Nekem is kevésnek tűnik, de itt egy korrekt rajz hozzá:
Nagyon köszönöm!
A triak típúsa mindegy?
Annyi követelmény van, hogy bírja az áramot és a feszt.
Pl: BT137 600V 8A.
Jaja, azt én is úgy gondoltam.
Ez a típus még olcsóbb is, mint a másik képen a BAT16. (mondjuk 100 Ft nem oszt, nem szoroz) :crazya: Köszönöm a segítséget, be fogok számolni a fejleményekről...
Én egy Tárnokon forgalmazott keltetőgép dobozába készítettem elektronikát. (Az eredeti meghíbásodott.)
A hőmérséklet érzékelő egy termisztor volt, és egy komparátor relével kapcsolta a fűtést (741 IC). A fűtőelem 3 db 3,6 Kohm 6W huzalellenállás két alumínium lap között, amiken furatok voltak. Az alsó alumínium alapra egy számítógép ventillátorát tettem, ami a levegő keringetését végezte. Kiválóan működött, 80% feletti kelést értünk el vele. :yes: De építettem már keltetőt fadobozba, ahol 4db 40W izzó volt a fűtés. Az izzókat egy diódán keresztül kötöttem a hálózatra. Így félhullámmal kicsit "hunyorgott", de fütött.
Sziasztok!
Egy 500db-os gépet akarok építeni, önfordítósat, ami a napi hűtést is elvégzi. Egy fagyasztóláda dobozába gondoltam betenni.Nem akarom kilzggatni a légzőnyíllások miatt, hanem egy nyílláson egy ventillátor szabályozná a co2 és az oxigént. Bármilyen ötlet érdekelne Hogyan mérhetünk co2-t legegyszerűbben, és mi a helyes érték? |
Bejelentkezés
Hirdetés |




) (egyébként a HQ-ban néztem a relét, amit elég olcsónak ismerek, bár bolt téren még nincs vmi nagy tapasztalatom) Köszi a gyors reagálást, meg a segítséget is és várom a további ötleteket 







