Fórum témák
» Több friss téma |
- Ez a felület kizárólag, az elektronikában kezdők kérdéseinek van fenntartva és nem elfelejtve, hogy hobbielektronika a fórumunk!
- Ami tehát azt jelenti, hogy a nagymama bevásárlását nem itt beszéljük meg, ill. ez nem üzenőfal! - Kerülendő az olyan kérdés, amit egy másik meglévő (több mint 17000 van), témában kellene kitárgyalni! - És végül büntetés terhe mellett kerülendő az MSN és egyéb szleng, a magyar helyesírás mellőzése, beleértve a mondateleji nagybetűket is!
Sziasztok! Volna egy kérdésem. Létezik olyan dióda híd vagy nem tudom minek hívjam, amiben több darab dióda kapott helyet? Pl. mint egy IC, és a katód közös, az anód pedig külön lábakon található. Csak azért szeretnék ilyet hogy ne kelljen 20 dióda helyett, csak mondjuk 2 db valamit beépíteni.
Megkeresed a katalógusát a neten, és abból kinézed a bekötést.
Mellékelek példának egy-két bekötést mintának.
Szia! Úgy keress rá, hogy diode array.
Köszöntem.Az adatlapján mikor mentem rá a képre csak annyit láttam hogy 2x14W erősítő. Igaz nekem elég lenne egy kb 5W is-mert nem akarok itt ebből 7.1-100W-ot kihozni
(tehát hangosabb legyen a laptop hangjánál-mint ahogy írtam hogy baj van a laptop saját hangszórójának).Igaz ilyen kb 5W körüli rajzot nem találtam.Tud valaki? A másik kérdés:van egy kábel nélküli egerem.Szerintem az adórésze(amit rakok be a laptopba USB-szerintem ez ment tönkre).Nem lehetne valahogy legalább kábelesre megcsinálni? Az USB-s töltő kábele is megvan(ezt gondoltam felhasználnám hozzá de kitudja mit hova kellene kötni). Idézet: „Igaz ilyen kb 5W körüli rajzot nem találtam.” A TDA2030 szimpla 12V-ról is éppen működik, de ekkor nem is ad le többet kb. 4W-nál.
Köszönöm.(akkor lehet marad ez).Olyan erősítőt nem találok ugye hogy 5V-rol működjön? Vagyis arra gondoltam hogy az USB-ről kapna áramot.
Lapose és Kadarist köszönöm szépen!
De jó Diode Networks néven is, most már ezt is tudom, a nagy keresgélés közepedte.
Köszi.Na jó de milyen kapcsolási rajz kell hozzá?
Idézet: „Na jó de milyen kapcsolási rajz kell hozzá?” Van interneted?
Van.Köszi,
Most keresem.Csak kérdeztem hogy,van e ilyen hogy fölöslegesen ne keresgessek(akkor inkább úgy csinálom hogy az adapter is legyen benne a dobozba)
Minden rendben van.Az én b********m miatt nem ment.Mégis csak a hangerő poti mind 2 véga testen volt.MEgzavart a dupla bemenet.
Hello!
Hol tudok szerezni LM3909-es ICT? Mert a közelbe lévő boltba nem kaptam! Valaki tud segíteni egy linkel? KÖszi!
Hello!
Én sajnos nem foglalkoztam erősáramú tervezéssel, de láttam a cégnél CAD alapú tervezőt. De ezen programoknak nem a rajz készítés a legfontosabb feladatuk, hanem az adatbázis készítés és kezelés. Tehát megmondja hány érintkező van használatban, mennyi a szabad, és hol helyezkedik el a terven az adott érintkező.. Ez a téma, kőkemény ipari alkalmazás, ahol van pénz, tehát kérnek is érte rendesen. Ingyen nem adnak semmit, de demóhoz természetesen hozzájuthatsz, ha felveszed a kapcsolatot a készítővel. De a könyvtárak aktualizálása, amúgy is csak úgy működik, ha legális verziód van. (gondolom én a tapasztalataim alapján) De ha csak egyszerűen rajzolgatni akarsz, akkor tudom ajánlani az általam is használt CIRCAD demó programot, ha adatbázist nem akarsz kezelni. Ahol a könyvtárelemeket magadnak kell megtervezni. Ez grafikailag korlátozott lehetőségű, de viszonylag egyszerű művelet. üdv! proli007
Sziasztok!
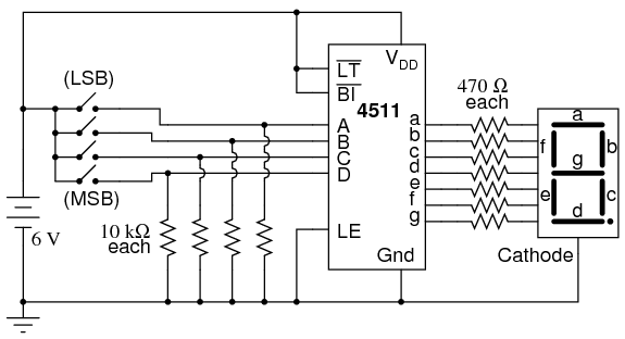
Ismét kérdeznék. Egy 7 szegmenses LED kijelzővel szeretném kijelezni egy jaxley kapcsoló állását. Ha jobbra tekerem, akkor felfelé számol, ha balra, akkor lefelé egyesével. Mindezt egyen 12V működtetné. Segítenétek valami egyszerű megvalósításban, kapcsolási rajzban? Mellékelek egy Móricka rajzot, nagyjából mit szeretnék. Köszönöm!
A kapcsolóval milyen mennyiséget szeretnél kapcsolni?
Ha 4,5V feletti feszt akkor vagy logikai IC-vel, vagy egyszerűen diódákkal megvalósítható.
Ahogy elnézegetem én is délután észrevettem, hogy ami komoly annak tényleg szép ára van.
Találtam, s töltöttem is le demókat, már csak tesztelgetni, ismerkedni kell. ![]() Köszönöm szépen! További minden jót!
Hello!
Tolmácsolnám akkor Mammut gondolatát.. A kijelző itt közös anódos, és a Led-ek áramát az ellenállással állítod be (itt kb. 10mA). Diódaként bármi megfelel. üdv! proli007
6 kapcsolás. Valami ilyen jó lenne azt hiszem, csak nem 4 kapcsolási lehetőséggel. Ha persze ez a kapcsolás erre való.
Hello!
Ez a kapcsolás, egy BCD kódolású kapcsolóhoz készült. Ha neked Jaxley kapcsolód van, az decimális kódolásnak felel meg. De ugyan úgy átalakítható diódákkal. Kevesebb dióda, több ellenállás + IC. (Természetesen ha több állás is van az is könnyedén megvalósítható.) üdv! proli007
Én ezt egy egyszerű PIC-kel oldalán meg, de másik megoldás a képen található diódatemető.
Sziasztok. Van egy rajzom abban van 2 dióda de nincs megadva hogy milyen csak ezt írja:"A két dióda bármilyen AA típusú dióda lehet, szerepük a túlvezérlés megakadályozása." Ez milyen? Pl:
Köszöntem a választ.
Sziasztok!
Egy nagyon alap szintű kérdésem lenne. Hozzájutottam pici izzókhoz (orosz) Ez van rájuk írva: 26B 0,12A-80 Ugye ez azt jelenti, hogy 26Voltos és 0,12A-es izzók. Ugyanakkor az izzón csak 20 ohm ellenállást mérek. Ezzel számolva és a 0,12A-el a feszültség 2,4V-ra adódik. Hány voltosak az izzók?
Szia. B betü az ororszoknál V-t jelent és igy 26 V-os. Az izzók hideg ellenállása kissebb mint bekapcsolt állapotban.
Hello!
A fémek hőegyütthatója pozitív. Ha a lámpa ég, akkor az izzó szál 2000..3000K körül van, de Te csak szoba hőmérsékleten méred. Ezért a mért érték, akár a tizede is lehet, mint működés közben. Az izzó vélhetően 24V feszültségre készült, de mivel a gépjárműben az aksi töltésekor a töltési végfeszültség magasabb, az élettartam megőrzése céljából az izzókat is magasabb feszültségre tervezik. üdv! proli007
Köszönöm a válaszokat!
|
Bejelentkezés
Hirdetés |







(tehát hangosabb legyen a laptop hangjánál-mint ahogy írtam hogy baj van a laptop saját hangszórójának).Igaz ilyen kb 5W körüli rajzot nem találtam.Tud valaki? A másik kérdés:van egy kábel nélküli egerem.Szerintem az adórésze(amit rakok be a laptopba USB-szerintem ez ment tönkre).Nem lehetne valahogy legalább kábelesre megcsinálni? Az USB-s töltő kábele is megvan(ezt gondoltam felhasználnám hozzá de kitudja mit hova kellene kötni).
De jó Diode Networks néven is, most már ezt is tudom, a nagy keresgélés közepedte. 








