Fórum témák
» Több friss téma |
Az áramváltó legjobb nagy permeabilitású ferrit vagy amorf (nanokristályos) toroidból.
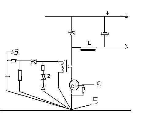
Tekerj rá sok menetet. A minimális menetszámot az elvárt kimenőfeszültség-impulzus területe adja meg, a keresztmetszet és a B-max függvényében. Az áramváltót a drain-re kösd, csak a drain áram legyen rajta, a szabadonfutó dióda az egymenetes primer drain-nel ellentétes végére legyen kötve. A drain felőli sokmenetes tekercsvég megy a földre, a source szintén. A fennmaradó végre jöjjön a kis schottki,(1n5817..19) annak "csíkos" fele és a föld közé az áramfigyelő ellenállás. A fet kikapcsolásakor az áramváltó mágnesezőárama meg kellene szakadjon, ez a schottky-t átütheti. Ezért kell a lemágnesezéshez még egy pl 12V-os ZD, és mert ez nyitóirányban pont elvezetné a figyelendő áramot, kell egy a ZD-vel antisoros dióda is, a föld és a sokmenetes vég közé. (rajzot nem tudok feltölteni, rossz a net, pedig egyszerűbb lenne )
Áramváltó
A számok az UC 8lábú kivitelének lábszámai. Egy kis firka, talán így fel tudom tölteni.
A hozzászólásod és a rajzot megtalálltam és ez alapján próbáltam megcsinálni.Bár a visszamágnesező tekercs lett vagy 10 menet és nem kötöttem a tápra hanem csak simán egy diódával összezártam.
A célom az lenne hogy a shönt ellenállást kiváltsam a kapcsolásbol.Lehet hogy fölösleges molyolás de nekem most nagyon bejön ez a kisérletezgetés az új ketyerémmel (szkóp) A baj ott kezdődik hogy az UC áramkomparátora 1V-nál billen.A két jel hasonlit,csak a V/div kapcsoló tér el nagyban.A shöntjel alsó és felső értéke 0-1V között mozog.(ez rendben is van),az áramválltó jele pedig 2-2.05V között.Ha ez mongyuk 0-2V lenne akkor le tudnám osztani és ráköthetném az UC 3-as lábára. A kérdésem hogy a fet kikapcsolt állapotában miért van az áramváltón 2V és bekapcsolva csak 50mV-al több? Gondolom a maggal és a visszamágnesezéssel van a baj. Te milyen magot használsz az áramválltóknál?Mennyi az AL értékük? Gergő.: Köszönöm a tippeket.Kipróbálom őket.Meg vadászok másik magot is.Viszont ahoz hogy áttegyem az áramváltót a drain körbe,nagyon szétkéne faragni a nyákot.Miért nem lehet a source körben? És rajzrol tényleg egyszerűbb.
Az a baj, hogy egy dióda feszültségesése kevés a visszamágnesezéshez. Ez alatt azt kell érteni, hogy ha pl a FET bekapcsolása alatt a szekunder tekercsen 1 V feszültség volt 5 us ideig, akkor az összes feszültség-idő terület ( kettő szorzata ) 5Vus. Ahhoz, hogy a vasmag vissza tudjon mágneseződni, vagyis, hogy a mágnesező árama nullára csökkenjen, ugyanekkora, de negatív feszültség-idő területet kell rajta biztosítani. Ha ez a feltétel nincs meg, akkor a vasmag egyre jobban elmágneseződik, néhány periódus után betelít, stb. Tehát, a két feszültség-idő területnek kell egyformának lennie, vagy, a visszamágnesezés alatt biztosítani kell, hogy legyen elég ideje visszállni a mágnesezőáramnak.( sokkal hosszabb idő kell kikapcsolt helyzetben ) Ez csak annyit jelent, hogy a mágnesezőáram egy adott meredekséggel csökken és legyen elég idő arra, hogy lecsökkenhessen zérusra. Ha utánna nem következik bekapcsolás, akkor nem történik semmi, a kimeneti feszültség zérus.
Tehát, ez egy áramváltó. A primere 1 menet, ezt át kell fűzni a ferritgyűrűn, a szekunder meg legyen mondjuk 30 menet. Így a szekunderen nagyjából a 30-ad része folyik a primeráramnak. Ebből következik, hogy ha a drain-en 12 A folyik, akkor a szekunderen 0,4 A. Ha 1 V kell az ic áramérzékelő bemenetére, akkor oda 1/0,4 értékű, azaz 2,5 ohmos ellenállás kell lezárásnak. Gergő rajzán ez a schottky utáni ellenállás, ami az 5-ös pontra megy. Ebből az is látszik, hogy viszonylag még így is nagy a veszteség, mert 0,4 A elég nagy áram. ( 0,4 W lesz ) Ahhoz, hogy ez csökkenjen, kisebb áram kell a szekunderen, vagyis nagyobb menetszám. Nyilván a schottky dióda feszültségesése beleszól a kimeneti feszültségbe, tehát ezt az ellenállást kisérletezgetéssel kell megállapítani. Ez a bekapcsolás alatt, az áramjel előállítása. A visszamágnesezést a maradék ellenállás, zener, meg adióda végzi. ( ez utóbbi nem kell, megy anélkül is ) Amikor a FET kikapcsol, akkor megszűnik a drain áram, a vasmag fel van mágnesezve és ez a mágneses energia valahol le akar épülni. Megfordul a feszültség iránya a szekunderen és addig nő, míg valahogyan áram fog tudni folyni, vagyis megnyit a dióda, meg a zener és a feszültségükön rögzítik a szekunder tekercs feszültségét. Ez a feszültség kb 13 V, tehát sokkal kevesebb idő szükséges a visszamágnesezéshez, - vagyis az ugyanakkora feszültség-idő terület eléréséhez, mint a bekapcsoláskor ( felmágnesezéskor ) Látszólag ez az elrendezés olyan, mintha egyenáramot vinne át az áramváltó, de azért azt tudni kell, hogy csak az ilyen impulzus áramokra igaz, tehát egy felmágnesezés után ( ami lehet akár többször egymás után is ) kell biztosítani a vasnak a lemágnesezést is, különben betelít. Ebből következik, hogy pl. a kimeneti fojtóval nem kötheted sorba, mert ott tiszta egyenáram folyik ( némi hullámossággal ) A drain körbe azért célszerű kötni, mert a FET árama biztosan megszűnik és zérus lesz. ( azért lesz egy kis túlfeszültség a drain-en, hiszen be lett építve egy kis szórási induktivitás a körbe ) Az is látszik, hogy akármekkora kitöltésre nem használható, mert ha nagyon csökken a FET kikapcsolt helyzetű ideje, akkor már egyre nagyobb feszültség kell a visszamágnesezés alatt az ugyanakkora feszültség-idő terület eléréséhez, tehát, egyre nagyobb feszültségű zener kell bele. A ferrit anyaga nem kritikus, de azért ne az antennáknál használt ballun trafóból csináld, mert az nagyon kicsi indukciót tud elviselni. Végül is beteheted a source körébe, de az a baj, hogy akkor az áramváltón át fog látszani a gate töltő/kisütő árama is. Aztán ezt vagy megeszi eléggé a végére kötött RC, vagy nem. Próbáld ki. Nyilván, csak akkor kösd be a sönt helyére ezt a feszültséget, ha a szkópon megmérve ugyanazt látod. A szkóphoz: amit belinkeltél fotót, azon az látszik, hogy van nagyon sok keskeny impulzus, meg egy majdnem normális a közepe táján. Ha ezt az impulzust akarod megnézni, akkor kell használni a kettős időalapból a "B" időalapot. A szkópon a "B" időalap indítását tedd autóba, nyomd be az "A itten" kapcsolót. Az "A" időalap fogja meghatározni, hogy milyen hosszú sorozatot látsz az ernyőn, legyen az előbbi ábra. A "B" időalap kapcsoló a Time/Div kapcsolón legyen kisebb időosztásba állítva ( ha jól emlékszem, úgy tudod tekergetni, hogy kihúzod egy picit és akkor a "B" időalapot változtatod. Ezzel egy másik fűrészgenerátor fog menni a szkópon belül, a helyét látod a képernyőn, mert az a szakasz világosabb lesz. A helyét tudod változtatni azzal a nagy fényes gommbbal, amit vagy tízszer meg lehet tekerni. Ezzel állítsd be, hogy az egész impulzus világosabban látszódjon. Így kijelölted azt az időszakaszt, amire kiváncsi vagy közelebbről. Most nyomd be a B'dly gombot, ekkor csak a korábban kivilágosított időszakasz fog látszódni a képernyő, tehát, meg tudsz nézni egy ilyen össze-vissza, de periódikus jelben egy részt, míg e nélkül nem biztos, hogy tudsz erre az impulzusra szinkronizálni. Ha a "Mix" gombot nyomod be, akkor a kivilágosítás kezdetétől rajzol a szkóp, de úgy, hogy a kivilágosítás előtt még az "A" időalap megy, utánna meg a "B" időalap, tehát egyszerre látod mindkettőt az ernyőn. ( Mixelt, vagy kevert üzemmód ) A helyzetét az előbbi nagy gombbal ugyanúgy tudod állítani. Lehet ezt az egészet még fűszerezni azzal, ha nem autó állásban vannak a fűrészek indítóáramkörei, mert akkor csak egy adott feszültségszinttől indul a folyamat. Ezekre már magadtól is rájössz. Az a helyzet, hogy nem találtam a szkópról egy olyan fotót, ahol minden felirat jól látszik, ezért csak az emlékeimre hagyatkozva írtam ezeket. Ha nagyon nem akar menni a dolog, akkor tegyél fel a szkóp előlapjáról egy nagyobb fotót, ahol minden felirat jól látszik, aztán majd kitaláljuk.
katt-al majdnem mindenben egyetértek, válaszolt helyettem.
A különbség: A ZD vel sorban kell az ellentétes dióda, mert a kis schottky és az áramfigyelő ellenállás feszültségesése 1,5 V körüli, és a ZD ekkor nyitóirányban vezetne, meghamisítva a pontos átvitelt. Ide elég az 1N4148 is. Ha a 4148 bent van, a schottky feszültségesése nem befolyásolja az átvitelt, addig ameddig a vasmag mágnesezőárama elhanyagolható, de a kisebb szükséges vaskeresztmetszet és a gyorsabb működés miatt jobb, ha alacsony a maradékfeszültség. A félreértés abból származhatott, hogy a D-ZD-R sorban az R szinte fölösleges, csak a lemágnesezés végén néha fellépő rezgések csillapítására tettem oda. A tényleges sönt az 1N5818 bal oldalán lévő ellenállás. Vasmagnak (ferrit toroid) a számos készülékben (Pl jobbfajta PC táp, TV, monitor...) megtalálható közösmódusú zavarszűrő jó, és már meg is tekerték jó sok menettel... A két egyforma tekercset kösd sorba, (polaritáshelyesen!) és dugd át a vezetéket a közepén. A rajzról a soros gate ellenállás lemaradt, ami az IC melegedését, és a zavarkibocsátást hivatott csökkenteni. Pl uc3845-höz 5,6...15 ohm jó, de függ a FET gate töltésétől, és a működési frekvenciától is.
Még egy ok, ami miatt jobb a drain-körbe tenni a váltót:
Az áramváltó primerjében mindig olyan feszültség indukálódik, ami ha a source-hoz rakod, akkor a kapcsolás ellen hat. (negatív visszacsatolás, ami ott káros) Ha az áramváltó igen sok szekunder menetű, (Pl. legalább 100) ez a hatás enyhe. Az áramváltó szekunder körétét soha ne szakítsd meg, mert nagy feszültségek indukálódnának, ami a tekercselést átütheti, és utat találva mást is tönkretehet (gate, IC, bőr az ujjadon, stb)
A sok kis tüskét a nagy szórt induktivitások,+ a gate töltőáram impulzusa miatt azonnal a bekapcsolás után letiltó IC okozza (ezért is jobb a drain-hez az áramváltó).
Nézd meg a 4-es lábat (Rt, Ct) és ha igazam van, a tüskéid az oszcillátorral szinkronban vannak. (kétcsatornás szkóp, használd ki!) A gate-en láthatod a sikertelen bekapcsolások kb 50...200 ns hosszú pozitív impulzusait is, a tüskékkel egyidőben, a 3-as lábon meg magát a tüskét, amit az UC túláramként érzékel, és azonnal kikapcsolja a fet-et. A szkópot az 5-ös lábhoz a lehető legközelebb földeld. Ahogy írtam, az áramváltóval vigyázz, a szkópodnak is "megrázó élmény" lehet a terheletlen szekunder. Ezt előbb is neked szántam a katt-nak is címzett válaszban. A kapcsolóüzemű technikában a jó huzalozás majdnem olyan fontos, mint a helyes kapcsolási rajz. A rossz nyákterv több %-ot ronthat a hatásfokon, vagy tönkreteheti a működést, szélsőséges esetben magukat az alkatrészeket is, és irreális zavarkibocsátást eredményezhet.
Ha az induktivitásod tekercselési kapacitásai nagyok,
(nagyobb feszültségeken, vagy lemeztekercselés esetén) Vagy/és A folyamatos vezetési tartományban van az induktivítás, és a szabadonfutó dióda záróirányú feléledési töltése nagy (schottky-ra nem jellemző) Vagy/és Az áramfigyelő (huzal)ellenállás erősen induktív (speciális induktivitásszegény kivitel kell) Vagy/és A nyákon nagy területű áramhurkok vannak, vagy/és rossz a földterv (új jól tervezett nyák, vagy kiegészítő vezetékek oldják meg) Vagy/és A tápfeszültségek, referenciák nagyfrekvenciásan szűretlenek (fóliakondik, kerámiakondik hiánya, jobb nyákterv) Akkor is jelentkezhet a bekapcsolás pillanatában nagy feszültségtüske az áramérzékelésben. Az első kettő nagy feszültségeken (hálózati táp) Az utolsó három nagy áramoknál (talán nálad is) jellemző hibaok.
Azt bánom a legjobban hogy nem ruháztam be előbb egy normális szkópra.
Most látom csak igazán hogy mennyira fontos jelentősége van a nyáktervnek és a hejesen megválogatott allkatrészeknek.Még az sem mindegy hogy az áramválltóban a primert csak simán átdugom vagy egy kicsit hurokban visszahajtom. Átraktam a drain körbe és teljesen stabil lett a táp.Bár nem néztem meg az RT/CT lábat de valószinűleg igazad van ugyanis sokkal kissebb frekin ment a táp. Találtam egy pici zöld toroidot és most azzal próbálkozom.A képeken látszik hogy hol tartok.Már majdnem jó csak forditva kellene hogy legyen a teteje. Én azt szűröm le ebböl hogy a shönt jelen (felső jel,1V/div) a fet nyitásánál egy nagy tüske van ami megrúgja az áramváltót és ezért látszik forditva a jel teteje.Ezt jól gondolom? De ez a tüske a shöntön feszültséglökés vagy a fet nyitásánál akkora áramok rohangálnak hogy ennyi feszültség esik a shöntön egy rövid ideig?Mert ha igy van akkor a 44mOHM-os shöntön 110A-os rúgások vannak. Eltüntetni úgysem lehet teljesen de érdemes volna egy snubberral próbálkozni a feten? Vagy hogyan lehet az áramválltót belassitani hogy ne reagáljon a nyitáskor fellépő fesztüskére? Vagy egész egyszerűen forditva mérem a dolgokat? Katt.: Egész jól nyomod fejböl. A másik kép a shöntröl készült,kinagyitva.Köszönöm a rögtönzött használati utasitást.
Most az én áramváltó-kapcsolásommal mérsz?
Ha igen, akkor: A jel tetőesetét (valószínűleg) az okozza, hogy a zöld toroidod kis permeabilitású, kis AL értékű porvasmag. (esetleg zöld-kék??, vagy zöld-sárga?? mert akkor biztos porvas.) Mindenképp ferritet használj, legalább AL>1000 értékkel. A mágnesezőáram az impulzus alatt folyamatosan nő, és levonódik a primer áramból, ezért elhanyagolhatóan kis értéken kell tartani, különben tetőeséses lesz a kimenő jel, ezért kell a nagy AL, permeabilitás. A nagy tüske okát a tegnap leírtak között keresd. Valószínű a szórt induktivitások szerepe, mert azonnal van negatív túllövés is. A söntöd is erősen induktív, ilyen helyre lemezből kivágott "kígyót" szoktak használni ellenállásnak. A gate-töltő-kisütő árama is megjelenik a source-hoz kötött söntön, ezért a 100A szerintem mérési hiba. Ha nem, ellenőrizd, hogy honnan jön. (lassú a dióda? nem schottky?). Szerintem ha kb 500ns/cm eltérítéssel nézed, a tüske egy gyorsan csillapodó szinuszos jellegű több MHz-es rezgés, (ha jól sejtem). A szórt induktivitások, és a tekercselési és egyéb (dióda) kapacitások alkotnak kis jóságú rezgőkört. A lehető legkisebb áramhurkokra törekedj. Snubber ezen ront, csak a zavarkibocsátás csökkentésére való,és a csillapítást növeli, az első csúcsot nem csökkenti, sőt. Túllövések ellen az első a jó nyákterv. Az áramváltó ha nagy permeabilitású, és nem telít be, akkor 1-2%- os hibával több MHz-ig pontos, alakhű és nem ijed meg a tüskéktől.
"Azt bánom a legjobban hogy nem ruháztam be előbb egy normális szkópra."
Naugyebizonynemmegmondtuk? Nem késtél le semmiről... Az a zöld toroid biztosan nem jó. Nekem is van olyan, jó nagy hulladék, biztos, hogy porvas. ( iron powder, ha ilyet ajánlgatnak, az ide nem jó ) Ferrit kell bele... Nem emlékszem, milyen dióda van benne? ( Ami a FET drain körébe, meg a plusz tápon van) Ha annak nagy a tárolt töltése, akkor ott lesz az a nagy áramtüske a FET bekapcsolásakor, ugyanis a dióda visszafelé is vezet, tulajdonképpen addig rövidrezárja a betápot a FET-tel együtt, míg ki nem ürül belőle a tárolt töltés. Ezért lenne jó a schottky, mert abban ez jóval kisebb hatású. Tedd be ide megint ennek a tápnak a rajzát, mert már nem találom. A másik, ha szkóp fotót teszel ide be, akkor írd le, hogy mekkorák a kockánkénti jellemzők. ( Time/div, amplitudó ) Meg csinálj egy képet a bekapcsolási áramról a söntön, meg az áramváltón, de nyújtsd ki jobban időben az ábrát. Tehát mondjuk 100 ns/div-re.
Mmmegcsinállltam.
Egy monitorban találtam egy szintén pici és sárga toroidot.Semmit nem tudok róla.Még a menetszámot sem. Mellékeltem a jelenlegi kapcsolási rajzot a pontos alkatrész értékekkel.Tudom hogy a 3-as lábon az 1nF fölösleges de még nem szedtem ki a panelböl.Igy van ez a shöntel is.A 10ohm-os potival szépen tudom állitani a kimeneti áramot.Shotky is csak ilyen 3A-os volt itthon. A 30CPQ100-at cimo ajánlotta még annakidején.Ha jól nézem akkor ennek 500pF az össz tárolt töltése?Ez sok vagy kevés? Most a dióda és a fet egy régi procihűtőre van felfogatva,ventillátorostol.Azt nem mondom hogy hideg a hűtő de közel nem forró.Simán birja az újjam,bár ezt tudom hogy relativ.A shöntök azok sütöttég az újjaim de mostmár kivannak irtva belőle. Guberálok mégegy toroidot és kitalálok a két tápnak (gerjesztésé és a 12V-osé) valami remek kis elrendezést.Majd felteszem véleményezésre. Az időkkel még bajban vagyok.Furcsa us és ns-os időkben gondolkodni. Mégegy kérdés.Hogyan kell kiszámolni az AL értéket a menetszámbol és az induktivitásbol? (kerestem de nem találltam sehol a képletet)
Alakul, már egész jó. Az az 1 nF-os az ic lábán nem felesleges. Az, meg az előtte levő 100 ohmos ellenállás hivatott arra, hogy valamelyest csökkentse a tüskéket az áramjelen. Tehát, tedd a szkópot a 3-as lábra és nézd meg milyen a jel. Addig növeszd ezt az 1 nF-ot, míg a tüskék le nem csökkennek egész kicsire. Közben azért nézd az áramjel oldalmeredekségét, ez azért nem lehet nagyon lassú. Elvileg, azt kellene nézned, hogy a kimenetet rövidrezárod úgy, hogy azért legyen rajta mondjuk 3..5 V feszültség, tehát ekkora ellenállást tegyél oda. Ha jól működik a szabályozó, akkor tovább csökkentheted ezt az ellenállást a rövidzár felé. Azt fogod tapasztalni, hogy elkezd nőni az áram, pedig még szabályoz az egész. Hogy ez miért van, egyenlőre hagyjuk, most nincs jelentősége. Ha ezt az 1 nF-ost túl nagyra vetted, akkor az igaz, hogy szép lesz a jel a 3-as bemeneten, de ez az áramnövekedés már nagyobb kimeneti feszültségen létrejön. Tehát, valahogy úgy kellene beállítani, hogy ez az áramnövekedés ne legyen túl nagy, jól is szabályozzon a közepes tartományokban, az áramjel is szép legyen, stb.
Kifelejtetted a kondit a betápról. Kell ott lennie egy elkónak... Hát, azt az 500 pF-ot tölti, illetve kisüti a FET, ezért vannak a nagy áramtüskék. Annyi, amennyi, nem rossz ez így. Az AL-t? AL=L/Nnégyzet. Ami rá van írva a vasakra, az azt jelenti, hogy 1 menettel ennyi nanohenryben az induktivitás.
Az áramjelet komolyabb aluláteresztő szűrő nélkül illik kivitelezni. Ha ez sikerül, akkor az UC elég gyors ahhoz, hogy akár pl. a szabadonfutó dióda, vagy az induktivitás zárlata esetén se durranjon minden. Ez a feltétele annak is, hogy az esetleges kimeneti rövidzár esetén se legyen nagy az áram, elfogadhatóan áramgenerátoros jellegű legyen a tápod túláramvédelem alatt is. Most a 100 ns időállandó, 12 db/oktáv meredekséggel határeset. (10 nF, 10ohm majd 1nF 100 ohm, utána a 3-as láb)
(ha jól emlékszem az akkutöltőm 35-40V DC-ről szinte teljesen azonos kapcsolás, 1:100 -as váltóval, max 15A terhelhetőséggel 1-14,5V ig, 40 kHz-en, és a szűrő 470pF 47ohm~20ns) Az áramváltót, ha teheted, tedd a drain körbe. A bekapcsolási tüskét a drain és az áramváltó kimenete közé kötött néhány pF is kompenzálhatja, de a gyors áramhatárolásnak ez is árt. A vasmagról: A kapcsolásomban az áramváltó mágnesezőárama a fet kikapcsolása után a D-ZD-R soron átfolyva csökken. Ha az R-t a földre kötöd, (a 4148-al felcserélve) akkor ott szkóppal nézheted az áramváltó lemágnesezési folyamatát, mágnesezőáramának leépülését. Az oda való áramváltó mágnesezőárama a mérendő áram 1%-a alatt marad. Példa a jó működésre: Ha a drain körben 10A folyik, ez a tervezett maximum. Az áramváltó áttétele pl 1:100 Akkor a szekunder áram 100 mA lesz, ami az UC 1V-os komparálási szintje körül kell legyen. Ezért a sönt 10 ohm-os. A mágnesezőáram ekkor 100mA alatti, (Im<1%) de a primer oldalon (egy menet). Az 1:100-as áttétel miatt a szekunderen jó esetben 1 mA alatti. A FET kikapcsolásakor ez az 1 mA fog az R-ZD-D soron átfolyva 0-ra csökkenni. Ha az ellenállás ott 100 ohm (ha jól látom nálad annyi) akkor azon (a földhöz képest)a feszültségnek -1 V-ról indulva (jóval) a fet bekapcsolása elött 0,0 V-ra kell lineáris csökkenéssel (abszolútértékben) beállni, ekkor a vas lemágneseződött (pontosan a 0V és 0mA elérésekor). Ha Az áram nem lineárisan csökken, (R-ZD-D) az az áramváltó telítését jelzi, nagyobb menetszám, vagy vaskeresztmetszet kell (vagy a működési frekvenciát kell növelni). Ha az áram kezdőértéke 1mA -nél nagyobb, de lineárisan szűnik meg, akkor a vasmag kis permeabilitású, nem oda való. Ekkor talán a ZD és a 100 ohm is melegszik, ez egyértelmű jel a rossz vasmag esetén.>
Sziasztok!
Szükségem lenne egy olyan pwm motor szabályzóra ami 12 Volton max 30A tud. Én erre a szabályzóra gondoltam de Gergő81 szerint ez nem tud 30 Ampert. Lényeg hogy minimum olyan egyszerű és olcsó legyen mint a linkelt kapcsolás.
Igaza van. De azt is elmondta mit kell(ene) tenned...
( nem kell mindent elhinni, amit találsz a neten... )
Az oké de nekem egy kapcsolási rajza lenne szükségem vagy cikkre vagy amiből összetudok hozni egy 30A-es motor szabályzót. Nekem mindegy hogy minek nevezik, a lényeg, hogy tudjon 30Ampert és nem muszáj de lehetőleg egyszerű és természetesen olcsó legyen.
ui: Azért kérdezősködök és érdeklődöm itt hogy biztos legyek abban amit találtam
Szerintem, próbálj megegyezni Gergővel. Ez a dolog nem olyan egyszerű és ha te akarod megcsinálni, nagyon sokat kell vele foglalkoznod. Ez nem megy úgy, hogy kapsz egy kapcsolási rajzot. .. Ez a topic ilyesmiről szól, olvasd végig, aztán dönts.
Nem egyszerű? Az nem a legjobb mert nekem holnapra kellene de maximum ezen a héten. Az az igazság, hogy nem nagyon értek a pwm-hez csak megkért egy ismerős hogy tervezzem meg és csináljam meg a linkelt kapcsolási rajzot holnapra mert ha alapszinten is de értek a nyáktervezéshez. Mikor írtam a topikba akkor már félig kész volt a terv csak nem tudtam eldönteni, hogy kell-e hűtés a diódának illetve a FET-nek. Megkérdezem holnap az illetőt hogy télleg szükség van-e arra a 30A-re és ha igen akkor majd konzultálok Gergővel ha nincs akkor megcsinálom neki az 555-ös kapcsolást. Maximum hány Ampert bír az említett kapcsolás mit mondjak neki?
Ha csak egy kicsivel volna több időm mint amennyi nincs...
A rajzot megint nem sikerült normálisan megcsinálni.Igen a betápon van két 4700µF-os kondi és az új panelon 4db lessz mert ilyen van itthon.És az áramválltó is a drain körön van (csak a rajzon nem). Én már észrevettem rajtad hogy mániád a rövidrezárás. Játszottam egy kicsit az alulátersztő szűrő értékeivel de érdemi javulás nem történt,a tüskék nem csökkentek. (lehet hogy ennyit tud a nyákterv,ami már egy kicsit össze is van pókozva) Egyszer Gulyi mondta hogy fölösleges a kimenetre a két 470µF-os kondi mert ez egy áramgenerátor.Próbaképp kivettem őket.Működik a táp igy is rendes frekin de az áramjelet nemtudom normálisan megnézni a szkóppal és nagyon melegszik a fet és dióda hűtőbordája.És kattogó hangot ad ki a motor gerjesztése.Viszont a fojtó hideg maradt. Kifejtenéd nekem hogy mit is csinál ez a kondi pontosan?Előre is köszönöm. Gergő.: Az időállandós részt értem csak azt nem hogy hogyan érted azt a 12 db/oktáv meredekséget.Ha meredekség akkor le és felfutás?Ezt melyik szkópábrán nézted?Vagy az időállandót mivel kell összevetni? A áramválltós mérést még nem csinálltam meg de mindenképpen sort keritek rá.Addig is tanulom és szokom a dolgokat. Leadtek.: A gyors kapkodód munkábol még nem származott előnyöm soha. De ha gyorsan kell akkor inkább csináld meg ezt .Én már egyszer összedoptam és működik.Mondjuk két fettel és diódával. De Epityunak is voltak csuda ötletei PWM-re.Állitólag neki ezzel a kapcsolással ment a trabantja 200m-ert.
A kimeneti kondikra gondolsz?
A kimeneti soros fojtón az áram hullámosága olyasmi, mint a főkörben az integrátor kimenete. Vagyis, valamilyen fűrészjel-szerű. Ennek a középértéke a terhelőáram. Amikor ez az áram nagyobb mint a terhelőáram, akkor a felesleges áram a kondiba folyik befelé. Amikor kisebb mint a terhelőáram, akkor meg a kondiból folyik kifelé. Azt azért könnyű belátni, hogy a kondi áramának középértéke zérus. Ha nem így lenne, akkor a kondi vagy a végtelenségig töltődne, vagyis nőne a feszültsége, vagy folyamatosan csökkenne a feszültsége, vagyis kisűlne, aztán ha az áram továbbra is ugyanolyan irányú, akkor még ellenkező irányba is átpolarizálódik. Ha így nézzük a dolgot, akkor a kondi azért kell, hogy többé-kevésbé sima egyenáramot kapjon a fogyasztó. vagyis, a terhelés. Az áram attól lesz sima, hogy sima feszültséget kap a fogyasztó, már ha az egy rezsó, különben nem olyan egyértelmű a dolog. A kondira ugyanaz vonatkozik, mint a főköri kondikra. Kapacitásra jóval kisebb is elég lenne ( általában ), de mivel elkót teszünk az ilyen helyekre, muszáj valami termetesebbet választani, mert különben nem bírja ki az áram effektív értékét. Ugyanaz, mint a főköri kondiknál, inkább legyen több kondi, mint kevesebb. Az, hogy az áram középértéke e kondin zérus, ne zavarjon meg, mert ettől még van effektív értéke, ami melegíti, hiszen ohmos veszteséget okoz. Tehát, tudni kell, hogy mekkora a táp kimeneti fojtóján a hullámossága az áramnak, abból ki kell számolni az effektív értéket és arra kell választani egy kondit annak adatlapja alapján, ami ezt az áramot, azon a frekvencián kibírja. Hagyd ott azt a két kondit, ártani nem használ... "Játszottam egy kicsit az alulátersztő szűrő értékeivel de érdemi javulás nem történt,a tüskék nem csökkentek" Mi az, hogy nem csökkentek? Jó helyen nézted szkóppal? Az ic árambemenetét nézted? Ezt nem értem. A betápon 4 db 4700 µF lesz? Kettő bőven elég. Drága a nyáklemez... meg a kondi is.
Köszönöm a leirást.
Értem már hogy Gulyi miért mondta hogy a kondi nem engedi át a hullámos áramot és miért adódik össze a fojtó és a gerjesztés induktivitása.Igy kondi nélkül az iduktivitás olyan nagy hogy a bekapcsolási idő szerintem van vagy 90%.És az áramválltó ne m tud ilyen kitöltésnél rendesen visszamágneseződni és ezért volt értelmezhetetlen számomra az áramjel (idáig) És a hosszú vezetési idő miatt melegedhet jobban a fet. Nem akarok az agyadra menni ezért inkább nem variálok tovább.Kondik nélkül lényegesebben nagyobb a gerjesztés áramának hullámossága. (gondolom ez hallatszik ki a gerjesztésböl) És a fene tudja hogy milyen hatással volna ez a forgórészre és az egész motor működésére.Tehát nem kavarok.Eddig is jó volt és most hogy nincs benne a shönt mégjobban megvagyok elégedve vele.Ráadásul kondi nélkül megint rámszakadna egy rakás megoldandó probléma. A két 4700µF-os megmelegszik egy kicsit.És darabja tud 3.5A-ert.Mivel van még itthon több is belőle és a dobozában is van hej igy berakok négyet.Egy NTC remélem megoldja bekapcsolásnál az ésszerű feltöltést. Természetesen közvetlen az UC 3-as lábát néztem de majd még bibelődők vele.Lehet hogy érdemes volna áttekerni a mérőfojtót is mert a gyári menetek vannak rajta ami a fene tudja mennyi.Az probléma ha a menetek egymás tetején is mennek.Vagyis ha kétsoros a tekerés?De csak félig. Aztán már a vezérlőt kéne már befejezni mert nagyon Ekocsikázhatnákom van.A gázpedál már a hején és nem kézzel kell csavargatni.
Nagyon köszönöm a tippet! Igazából bármikor elkészíthetem csak mára ígértem és szerettem volna betartani
Az első kapcsolás nagyon szimpatikus de egy dolgot nem értek. Van a P1 amivel szerintem a motor sebességét lehet állítani és van a P2 amivel a frekvenciát. Nincs oszcilloszkópom ezért nem tudok frekvenciát mérni. Hogy állítsam be a potit, milyen állásban legyen? Esetleg rakjak egy fesz. osztót a helyére?
A bemeneti kondik a kritikusabbak, azok melegszenek nem? Ha a kimeneten lévők is, akkor a kimeneti fojtó kis induktivitású. Azt úgy szokás méretezni, hogy a tervezett csúcsáram 10-25%-a legyen a hullámosság, ha van kimeneti kondi.
Ha csak motor van többnyire a motor induktivitása elég nagy ahoz, hogy az ekkor kívánatos 1-5% hullámosság ésszerű frekvencián tartható legyen.. A kimeneti kondenzátor kapacitása nem befolyásolja a kitöltést, ha csak motor van rákötve a tápra szinte fölösleges, azonban a feszültség-visszacsatolás jelét ekkor simítani kell.
Kivettem a shöntöket is a panelröl.Ez rendesen felmelegitett mindent a környezetében,beleértve a pufferkondikat is.
Viszont ez az áramváltó összekavar egy kicsit.Megmértem az eddig próbált kis toroidok AL értékét és mindegyiknek 100 alatt volt.Annak is amivel rendesen működik.Bár azon 74 menet van mig a többin lényegesen kevesebb.Aztán találtam mégegyet ami AL 3000.Tekertem rá 66 menetet.A táp működik vele de az áramjel inkább egy fűrészre hasonlit aminek a csúcsa 5V.Nem is értem hogyan lehet ennyi.Talán megpróbáljam 20-30 menettel? Végül is van egy mag amivel működik rendesen.Viszont azt vettem észre hogy bekapcsolás után a kimeneti feszültség szép lassan megemelkedik 1.5-2V-ot.Hibakeresővel be akartam fújni (de elfogyott) hogy melyik alkatrész langyosodása okozhatja ezt.Gondolom a mérőfojtó körül kell kerezsgélnem. Leadtek.: Igen a P2-vel állitod a kapcsolófrekvenciát.Nem fontos oda poti sem.Kitalálsz magadnak egy frekit.Megnézed a TL494 adatlapját ahol találsz egy táblázatot hogy milyen Rt-Ct értékhez mekkora freki tartozik.Van egy képlet is amivel pontosan ki lehet számolni de bőven elég a táblázat is mert nem lőnek vele nyulat.Azt hogy hova válazd a frekit fogalmam sincs.Semmi adatot nemtudunk a motorrol és a felhasználási területet sem emlitetted.Epityunak a vezérlője 500Hz-en ment.A gyáriak 16.5KHz-en.Az enyém folyamatosan válltozik kb 1-20KHz között.De tudok olyat is aki a vezérlőjét 100KHz-en járatja.Mondjuk az már nem egyszerű de a technika sem amiben benne van. Vidékiek (mint én is) hallásra is szoktak frekit állitani.Ne legyen túl magas de a fület se bántsa.
Az áramváltó csak az áramhatárolásos üzemmódban tud feszültségingadozást okozni.
Az Al= 3000 tökéletesnek tűnik. Az eddigiekben az ellenállást feltételezem tapasztalati úton határoztad meg, most az Al=3000 viszont annyira kis mágnesezőáramot igényel, hogy pontosan mér, ameddig nem telít. A telítés pillanatától lecsökken Al<<3000-re, a mágnesezőáram megnő, és a kimenőáram ettől lecsökken. A mérendő (primer) áram fedezi a mágnesező- és a szekunder- áramot is, a mágnesezőáram nem lehet nagy, mert nem lesz kimenőáramod. A túl nagy mérőellenálláson eső 5V sok,(miért nem tilt le az IC?!?)! Gyors telítést okozhat, ekkor az áramjel a telítés pillanatától kezdve csökken, a primer áram növekedése ellenére. Ha az áramváltó vasmagja a fet kikapcsolása előtt telít, a bekapcsolási idők egyenletlenné válnak, rossz esetben az IC "nem tud" a növekvő áramról, és durrannak a félvezetők. Számítsd ki pontosan az értékeket. A jó működésről a korábban leírt lemágnesezőáram vizsgálat és a számítások is megbízható eredményt adnak. Ferritre B max<0,3T, de jobb ha Bmax<0,2T. Ha kifejezetten pontos működést szeretnél Bmax<0,1T Minnél nagyobb a menetszám, annál jobb, kb 250 menet környékéig.(Fölötte hajlamos rezonálni a tekercselési kapacitással, romlik a nagyfrekvenciás átvitel.) Ne csökkentsd a menetszámot, ha a telítés gyanús, inkább növeld! Példa: A frekvencia legyen 10 kHz A max impulzushossz ekkor 1/10k=100us Az áramváltó kimenőfeszültségét tekintsük 2V-nak. A menetszám legyen 1/100 A kimenő feszültségimpulzus maximális területe 2V*100us= 200uVs 200uVs/100 menet=2uVs ot kell elviselni a vasmagnak telítés nélkül. 1Vs=1mˇ2*1T 1mmˇ2=1u (mˇ2) Vagyis ha Bmax= 1T akkor 2 mmˇ2 elég lenne, de ferritre Bmax=0,2T, ezért a keresztmetszet ekkor 2mmˇ2/0,2T=10mmˇ2 Vagyis minimum 0,1 cmˇ2 keresztmetszet kell a példámban, ha akár sokkal nagyobb a keresztmetszet, az nem baj, a pontosságot még kissé növeli is, ha Bmax<0,1T. Egy 5*4 mm -es ferrit keresztmetszetű toroid kell a 66~=50 menethez 10kHz mellett. Pl 1 kHz-en 10*20 mm-es kell 50 menettel, vagy az 5*4=20mmˇ2 mellett 500 menet kellene.>>>>>>
Még egy fontos dolog:
Az áramváltó helyes működéséhez nem szabad a kitöltésnek 80% fölé menni. Ha Uki < Ube / 2,5 akkor erre a legjobb a T flip-flop- al max 50%-os maximális kitöltést tudó UC3844/3845 választása. Más megoldások: -A lemágnesezéshez szükséges holtidő megnövelése nagy kapacitású Ct és kis értékű Rt választásával. Nézd az adatlapot, Ct kisütési ideje a holtidő, így annak minimális értéke Ct növelésével növekszik, a frekvencia tartásához Rt-t viszont csökkenteni kell. -Az Rt-Ct (4)-es lábra NPN tranzisztor bázisa, a +5V ref.(8) lábra kollektora, szinteltoló diódákkal emittere az áramérzékelő (3) lábra kötve, úgy, hogy a kitöltés ne lehessen 80% fölötti. -Ha a lemágnesező ZD feszültségét 30V-osra választod, fel mehet a kitöltés 90-92%-ig. Az áramváltó telítése a bekapcsolás után jelentkezhet, ugyanis a kimeneti kondik töltetlenek, a 10%-os hullámosságra méretezett kimeneti fojtó árama lassan nő, több közel 100%-os kitöltésű impulzus után éri el a határolási áramot, de az áramváltónak ekkor nincs ideje lemágneseződni, addigra betelíthet. Telítés után nem viszi át az áramjelet, és az UC nem csökkenti a kitöltést, nem határolja az áramot a kimeneti feszültség eléréséig. Ekkor az áram megengedhetetlenül nagy értékűre nőhet, A FET, (a "rozsda" és talán a schottky) legnagyobb bánatára . Ha jól érzem, te úgy gondoltad, hogy a söntön mért 5V-os feszültségek csökkennének az áramváltó menetszámának csökkentésével. Pont fordítva van, mert itt az áramváltó trafó primer köre nem a szokásos feszültséggenerátoros, hanem áramgenerátoros táplálást kap. Az 5V akkor is az UC letiltását okozta volna. Nincs bekapcsolva a szkópon az 5* -ös függőleges nyújtás?? Ha az IC 3-as lába 1V fölé megy, 100ns- on belül a 6-os láb igyekszik a fet gate kapacitását kisütni, az áramnak esélye sem lenne tovább nőni az 5V-nak megfelelő szintig. Vagy meghalt az IC?>
Az időállandó, és átviteli meredekség:
Egy RC-kör időállandója R*C. Itt az RC kör aluláteresztő szűrőt alkot, aminek a határfrekvenciája fölött 6dB/oktáv a vágási meredeksége, ami annyit jelent, hogy afölött a frekvencia kétszerezésére a kimenőjel amplitúdója feleződik. Ha ebből a tagból 2db-ot sorba kötsz, a meredekség a kisebbik határfreki alatt ~0dB/okt. a két hat.F. között -6dB/okt, mindkettő hat.F fölött -12dB/oktáv. (törtvonalas közelítést alkalmazva, ami legtöbbször elfogadható) A kapcsolásod kimeneti kondi nélkül valószínűleg pont az előző hozzászólásomban leírt módon bekövetkező, az áramváltó telítése miatt létrejövő rossz működés miatt kattog és melegszik. Mire a nagy motorinduktivitás árama annyira megnő, hogy az UC kb 99%-ról csökkentené a kitöltést, az áramváltó már rég nem működik, telített ezért az UC nem tud az áramról, a kitöltés nem csökken, az áram tovább nő. Egyszer csak akkora lesz, hogy a telített vasmagon is átjut a jel, az 1%-os kikapcsolás utáni pillanatban, az UC csökkenti a kitöltést, az áramváltó le tud mágneseződni, a kitöltés ekkor 0% körüli lesz, az áram lecsökken. Eléri a névleges értéket, a kitöltés nő, de a rendszer nem stabil, ujra telít az áramváltó, és így tovább.. Egy ilyen ciklus egy kattanó hang.
Szia!
Már majdnem kész a nyákterv de azért még lenne 3 gyors kérdésem Van a kapcsoláson két kondi a C1 és C3 amit nem muszáj bekötni. Te javasolod hogy bekössem? Az La3 nevű alkatrész mi akar lenni, mit kössek oda? Egyébként a felhasználási terület az etetőhajóba lesz 6 vagy 12 voltról. Mivel max. 30A kell elviselnie ezért én 3 mm-es vezetősávra gondoltam vastagon beónozva. Mit szólsz elég lesz?
hátha itt jobb helyen járok
lenne egy komoly gondom egy gépünkben volt egy szabályzott motor. motor 220V DC ! külön az állórész gerjesztés és a forgórész kivezetve ez egy szabályzott toroiddal táplálva (reovar ggtl rrtw tipus) mégpedig úgy, hogy az állórész (1600 Ω) fix dc-t kap, a forgórész pedig 30-200V dc a toroid állása szerint, toroid leégett egy baleset miatt, ezt a típust nem gyártják, újragyártása 640eur hasonló termék meg 50eur, de nem fér be keresek a fenti motorhoz valami pwm elektronikát elég sürgősen vagy egy 3 kivezetéses 200VA toroidot, vagy bármi megoldást, ami a fenti motorhoz jó lenne |
Bejelentkezés
Hirdetés |




) 









