Fórum témák
» Több friss téma |
Fórum » Ki mit épített?
Ez a téma ha úgy tetszik a mi "kiállítótermünk", nem pedig a ki mit csinált volna másképpen, mások helyett, és legfőképpen nem javítós téma.
Minden készüléknek van saját témája, ott kell kitárgyalni a részleteket!
FONTOS! A kapcsolási rajzok keresésére is van saját téma, ott keressetek rajzokat!
Az a fölötte lévő tétel, ami viszont sajnos nem I2C-s.
Én mostanság a TC77-tel szemezek, az 120 Ft +ÁFA jelenleg.
Azért, mert ha már szeretnék tizedes számot is kiírni, akkor nem csak fél fokos felbontást akarok látni.
Legyen meg szépen 0-9-ig!
Szia!
Bocsánat, elnéztem egy sorral, de a 0,0625 fok felbotás 290 Ft + Áfá -ért sem rossz...
Köszönöm a tippet! Kár, hogy a 32 Ft-os nem I2C buszos...
Értem, bár szerintem fél fokos kijelzés elég általános célú helyekre. Maga a szenzor se tud sokkal nagyobb pontosságot, így a finomabb kijelzés is csak parasztvakítás. Precíz mérésre használj mondjuk PT100-at ADC-vel.
Egyébként szép munka!
Még tavaly készült ez a berendezés, mely ugyan nem mikroelektronika, de nagyon sok munkám van benne. A vezérlőegység 8db 3 fázisú motor irányítására készült, forgásirányváltással.( Színpadfedés emelő láncmotorok.) A bolti ára ha meg kellene venni ca. 2500 EUR.
Főbb jellemzői: - 3x32A bemenet, EV relével, kismegszakítókkal, 24pólusú HARTING ipari gyorscsatlakozó kimenet. - Fázis sorrend figyelés-fordított sorrendnél a bekapcsolás tiltása - Fázissorrendváltás mágneskapcsolóval - Többkörös vészleállító kapcsoló - Mind a 8 motornak külön mágneskapcsoló mindkét irányba, ill. motorvédő, melyek állapotát az előlapon visszajelzi. - 24V DC vezérlés - Lézervágott és gravírozott előlap rozsdamentes lemezből, professzionális szállítókonténer, ipari kapcsolók és kezelőszervek. Érdekesség, hogy bár több száz méter kábel van benne, kapcsolási rajz nem készült ( Lustaságom okán ) és csak egy elkötés volt benne, a segédrelé ami a mágneskapcsolókat húzza, na az volt elkötve.( 2 db van benne, hogy ne lehessen egyszerre a le és fel irányokat aktiválni, így szembeküldeni a fázisokat a két mágneskapcsolóra.)
Ez igen! Nagyon profi! Szívből gratulálok.
Látom, nem veted meg a diétás kólát!
A LIGHT az nem az enyém volt. Erről az jut az eszembe, mikor ember bemegy a kocsmába:
-Alkoholmentes söröd van? -Természetesen uram! -Akkor dobd el a francba, aztán hozz egy rendeset... Ez egy ilyen buli volt. Telibevert a vihar minden cuccunkkal együtt. Ellenségemnek sem kívánom. Kárunk tetemes volt.
Az alkoholmentes sör (és a light kóla) az első lépés a guminő felé... :hehe:
Sajnálom a károtokat!
Ahh, hogy imádom az ilyen szekrényeket :pirul: Van az elejükön egy csomó lámpa meg kapcsoló, belül meg dugig az egész, lábszárnyi vastag kábelkötegek, stbstb. (Én amit először építettem magamnak a műhelybe, kis tábla elég egyszerű lett, de azóta is ez van… Majd szerintem építek még mellé egyet egy ampermérővel meg még 4 csatival - arra a kis kék csapófedelesre kéne őket cserélni mind) Ezért is szerettem a terepasztalomat, de ott csak riasztókábellel mentek a dolgok…
Mi a gond a light kólával?
A munka: Idézet: „Érdekesség, hogy bár több száz méter kábel van benne, kapcsolási rajz nem készült” :eek2:
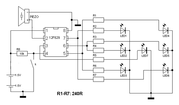
Van róla kapcsolási rajz? Nem megépíteni akarom, csak kíváncsi vagyok, hogy hoztad össze ezzel a Pic-el ezt a sok ledet + nyomógomb + piezzo. Üdv
Sziasztok!
Nemrég készült el ez a kis tápegységem. Nekem csak egy szabályozható, kettős táp kellett, a komoly terhelhetőség nem volt fontos. Elsősorban egyszerűbb, műveleti erősítős, kisfogyasztású áramkörök építgetéséhez kell. Maga az áramkör egyszerű, mint egy ék. Egy LM317-337 páros dolgozik benne, feszültségeik külön-külön állíthatók. sztereó potenciométerrel gondok voltak, nem igazán futnak együtt a feszültségek, ezért lehet külön-külön állítani a kimeneteket egy-egy potival A műszer talán 100Ft volt az ócskapiacon, valami Unitra készülékből származik. Csak egy új skálát kellett hozzá készíteni. A műszerdobozt még a bátyám "kukázta" és tartogatta, hogy majd épít bele valamit, végül hely hiányában ő is kidobta. Én is nézegettem vagy egy évet, míg végre belegyömöszöltem ezt a tápot. Egyébként nem gyári doboz. A belsejéről csak igény esetén készítek képet, mert nem is szép, meg a fedelet se bírom leszedni könnyedén. (nem voltam körültekintő a tervezés során, így csak "cipőkanállal" lehet a burkolatot a helyére tenni.
Nekem is tetszik, (szinte) mindegy hogy néz ki belülről, nem kell azt mutogatni
Hosszú-hosszú évekig szolgáljon, és annyi! A külseje szép, a bele se lehet katasztrófa
Sziasztok!
Legújabb erősítőm, 2db lm3875-el épített gainclone. 3 A osztályos után ez vált be eddig a legjobban. Se búgás, se gerjedés és nekem nagyon tetsző hang, bár még járatósak a kábelek.
Csatoltam a kapcsolási rajzot.
Fúúú ez nagyon szép lett
A kapcsolási rajzot az adatlapján nézted?
A szépségtől azért messze van, de köszi.
A kapcsolás nem teljesen gyári, mert nekem pl. nem jött a 10K-s poti, 50K-val finomabban szabályozhatom és hamarabb beállt a dc szint is. Bemenetre nem rakhattam kondit, mert úgy kiküldte a negatív tápfeszt a kimenetre. A visszacsatolásba tettem egy 10µF-os remix fóliakondit. 2*24V 200VA trafó, dupla graetz SB560 diódákból, mindegyik szűrve 47 nanós kerámiákkal, mindkét szekunder biztosítva. 2,2K-s kisütő ellenállások. Az erősítés 1K/20K--val beállítva, 1%-os fémréteg ellenállások, az indukciójuk olyan kicsi, h nem bírtam megmérni. Kicsit szellős a doboz, de legalább a későbbiekben bezsúfolhatok még 1 csatornát a mélynek vagy bármi mást
Szia! Igényesen kivitelezett erősítőt alkottál.
Köszi, a belseje olyan amilyen, de a többi részébe én nem tudok belekötni
Sziasztok
Éppen most fejeztem be egy a 8 csatornás rádios távezérlőt ami Manchester-kódolással működik, És építettem hozzá egy pickit2-t is. Köszönet azoknak akik ezeket kitalálták!
A sorban a következő ami már majdnem elkészült , de már fotozható . Még a hangzását nem hallottam , ez majd csak ha véglegesnek itélem a szerelés állapotát
Szóval ez egy hibrid erősítő amit szintén a tavalyi évben elkezdtem de már csak kerülgettem az alkatrészeit ezért összeraktam .
STK vég csövekkel hajtva - na ez a nem mindegy
Így igaz STK6153 vég csatornánként E88CC -vel meghajtva.
Ez már megint a tőled megszokott magas minőség.
Azt a hét meg a nyóccát neki.....
A dobozolása nagyon tetszik!
Jól néz ki, szép munka! Grat! Sokat kell még gyakorolnom, hogy ilyenet tudjak csinálni.
Sajnos én csak a szomszédban tudok ilyet csináltatni, pénzt nem fogad el, a vackait meg idehordja nekem megcsinálni. |
Bejelentkezés
Hirdetés |




Legyen meg szépen 0-9-ig!













A kapcsolási rajzot az adatlapján nézted? 



A dobozolása nagyon tetszik!





