Fórum témák
» Több friss téma |
Szia!
Elkezdtem összeírni az alkatrészlistát. És a boltokat nézegetvén az ICL8069-et sehol nem tudtam beszerezni ( legalábbis lomex=0db ; tme ; hqvideo -nál nincs). Esetleg ötlet,hogy hol tudom beszerezni,vagy mivel lehetne helyettesíteni. 2.kérdés: Írtad,hogy az LM35-nek termikus kapcsolatba kell lenni a hőelem becsatlakozó pontjával. Ezt úgy értetted,hogy a nyák tervezésénél az LM35-nek ( TO-220-as tokozásúra gondoltál?) készítsek egy kis "szigetet",ami a termó kivezetés pozitív pontjához csatlakozik? Előre is köszi a segítséget. Üdv. Peti
Sziasztok!
Ehhez a kapcsoláshoz melyik LED kijelző használható innen? http://www.hestore.hu/kat_80.html Előre is köszi.
Hello!
- Referenciának használhatsz ICL helyett LM385-öt, vagy LT1004-1.2 -őt. (Vagy akár TL431-et is, csak akkor a referencia osztót meg kell változtatni, hogy 1V-ot adjon, ne 2,5V-ot.) - A termikus kapcsolatra inkább rajzoltam egy semetikus ábrát (nem műszaki rajz). Ez tulajdonképpen egy csavaros kötéspont, ahova a kompenz vezetékek csatlakoznak. A kötés alatti ponton, van egy rugalmas foszforbronz lap, ami a hőérzékelőhöz vezeti a kötés hőmérsékletét. - Fekete: sorkapocs leszorító csavar - Lila: alátét - Zöld: kompenz vezeték ere. - Barna: foszforbronz hővezető. - Kék: csavaranya (Ez néha egy réztömb, ami galvanikusan nem de termikusan érintkezik a másik csatlakozási pont réztömbjével, hogy a két sorkapocs pont hőmérséklete azonos legyen. Ugyan is a kompenz vezeték és a sorkapocs között is termoelem keletkezik. a két kötéspont eleme, csak akkor oltja ki egymást, ha hőmérsékletük azonos. De ez csak fokozott pontosság esetén, vagy 50 fokra fűtött konstans hőmérsékletű CJC esetén lényeges.) - A foszforbronz lemez arra is használható, hogy a nyomtatott áramkörbe vezesse a feszültséget. - A foszforbronz lemezke, és az anya között, lehet még a nyomtatott áramköri lap is. Ilyenkor ez az összeállítás maga a sorkapocs és az anyát, célszerű a nyákra forrasztani. - Az LM35 háza villamosan szigetelt, de a két lemez, átadja a kötéspontok hőmérsékletét neki. Általában a hőérzékelőnek nem TO92-es tokja, hanem lapos téglatest pontja van. üdv! proli007
Hello!
Azt neked kell kiválasztani! (méret szín..) A lényeg, hogy 4 digit legyen, és közös anódos típusú.. (Common Anode.) üdv! proli007
Szia!
A rajz nem jött át ( legalábbis nem látom). Üdv. Peti
Köszi.
Tehát pl 4 db ebből megfelelő? Az adatlap szerint ez közös anódú. http://www.hestore.hu/termek_10021807.html
Hello!
Ha nem csatolom, akkor tényleg nem láthatod.. üdv! proli007
Sziasztok!
Megépítette már valaki ezt a hőmérőt?Bővebben: LinkMert én igen, de valami érdekes dolgot művel.Először -166,6 ot mutatott, utána minden ötödik bekapcsolás után más értéket.Többfordulatú potmétereket raktam bele a könnyebb beállítás végett.122 kiloohmos ellenállás van az r4- es helyett, mert nem volt itthon 120 kOhm -os.Ez szerintem nem okozhat problémát.Mit ronthattam el? Előre is köszönöm a segítségeteket!
Az nem ez a rajz.De attól fügetlenül jó lehet.Az baj, ha kerámia kondi van oda bekötve?
Hello!
A rajz teljesen mellékes, a 7106/7107 a lényeg. A kerámia teljesen jó, csak tényleg jó legyen, mint ahogy az alkatrészek és a nyák is ezen a területen.. üdv! proli007
Szerintem léghuzaloznom kell majd, a nyákot elrontottam, a panel aljára van beforrasztva a kondi.de arra mit mondasz, hogy minden ötödik bekapcsoláskor mást mutat?
Szia!
Ma átalakítottam egy kicsit az oszcillátornál a panelt.Igazad volt! Működik! Csak úgy véletlen vettem észre, hogy ha megfogom a 7805 hűtőzászlaját, amin van egy picike borda(nem szigeteltem le, mert nem bír semmihez sem hozzáérni a borda) akkor nem ugrál a tizedesjegy.Gyorsan fogtam egy műszerzsinórt a két végére feltűztem a mérőcsúcsot, meg egy csipeszt, a csipeszt rácsipeszeltem a konektor védőföldjére a mérőcsúcsot hozzáérintettem a zászlóhoz, nem történt semmi, csak annyi, hogy nem ugrál a tizedes. Juhéjj, gondoltam, énis jó vagyok valamire.Nagy baj lenne, ha leföldelném a készülék testjét?Szerintem nem, mert más nem lesz hozzá csatlakoztatva, a hálózati trafója is a saját panelján van, tehát egy különálló készülék.Köszönöm hogy segítettél megtalálni a hibát!
Hello!
Semmi gond, ha leföldeled. De ha messze van az érzékelő a készüléktől, akkor érdemes, az érzékelőt egy kéteres árnyékolt kábellel odavezetni, és az árnyékoló harisnyát a GND-re kötni. Esetleg fém doboz (vagy árnyékolás) is segíthet. A mérést egyébként az egyenfeszültségre ráült hálózati feszültség is zavarhatja. Erre van kitalálva az integrátorban a zavarelnyomás. Tehát, az átalakító mérési idejének a hálózat periódusidejének a többszörösének kell lenni. Ekkor a zavarjelet az integrátor átlagolja, és legkisebb az utolsó digit ugrálása. Ezt, az oszcillátor frekvenciával lehet beállítani. 50Hz esetén az optimális freki adatlap szerint 50kHz környékén van. üdv! proli007
Köszi mégeyszer a segítséget, összerakom a párját is, ami majd a kinti hőmérsékletet méri majd.Majd teszek fel róla képet.Mégegyszer köszi!
Sziasztok!
Ha jól értelmezem, a megadott kapcsoláson egy 8V-os csengőtrafóból állít elő a Graetz 8V egyenáramot, amit a 7805 stabilizál 5V-ra(javítsatok ha tévedek). Ha a trafót és a Graetz-et kihagyom, akkor elmegy a kapcsolás egy szimpla 9V-os elemről? Előre is köszi.
Hello!
Természetesen elmegy, csak a Led kijelző miatt van fogyasztás is, így a 9V-os elem nem lesz hosszú életű.. üdv! proli007
Ne cseréld ki.Az a MBR10100 az shottky dióda, ha jól tudom.Oda bármilyen egyszerű szilíciumdióda kell.esetleg tranzisztorti is használhatsz, ha hűtőbordára kell, de erről pontosat nem tudok mondani, nem emlékszek pontosan, hogy hogyan volt bekötve.
Helló. Köszönöm az infót. Igen, hűtőbordára szeretném tenni. Gondolom a tranzisztornál B-E-re kell kötni. Majd még utánanézek.
Szia! Az előző kapcsoláson, az első kijelzőnél a "-", ami az IC 20-as lábára megy, melyik láb a kijelzőn?
A másik oldala a kijelzőnek, ahonnan a 470R ellenállás van, az a közös anód? A BC az első kijelzőnél azt jelenti, hogy a két lábat össze kell kötni? A 4 különálló kijelző közös anódjait össze kell kötni? Előre is köszi a választ.
Hello!
- Az előjel, tulajdonképpen jobb híján az első digit "G" szegmense. - Nem, a kijelző bekötése "elég csámpásan" van lerajzolva. A két (négy) közös anód, arra a pontra megy, ahova a dióda katódja csatlakozik. A 470ohm, a tizedespont Led katódjának fix bekötése. (Hogy az állandóan világítson) - Igen, hiszen az első digit vagy semmit, vagy 1-et jelez ki. Tehát a B és C szegmenst egyszerre kell (lehet) kapcsolni. - Így van, minden anódot össze kell kapcsolni, és a diódákon keresztül kapnak tápot. üdv! proli007
Szia!
Megépítettem a hőmérőt, csak azt nem tudom, hogyan kellene kalibrálni, leírást pedig nem láttam hozzá. Én úgy értelmezem, hogy forrásban lévő vízbe kell tenni a diódát(zárlat?), és a P1-el beállítani a skálát 100 C°-ra, majd ugyanezt megcsinálni fagyponti hőmérséklet mellett a P2-vel. Így kell? Előre is köszi.
Hello!
Így kell, csak fordítva értelmes. Először a fagypontit. A diódát szigetelni kell a víztől, a jeges vizet keverni, a hőfokot meg mérni, mert nem biztos, hogy a nulla nulla, a 100 meg 100 lesz.. üdv! proli007
Szia!
Sikerült beállítani a 0 és a 100 C°-ot is tizedes pontossággal(2 analóg hőmérővel ellenőrizve), de amikor normál mérésre kerül sor, több fokkal téved(28 helyett 24). Ugyancsak gond, hogy néha ugrálnak a tizedesek, de ezt a 9V-os elemnek tudom be, ami elég gyorsan merül is(ahogy írtad korábban). Most értetlenül állok, mert ha fagyponti vagy forrásban lévő vízbe teszem a szenzort, halálpontosan mér, de a levegő hőmérsékletét nem tudja pontosan mérni. Mit tehetek?
Hello!
Nem vetted figyelembe, hogy ezt csak diódának hívják, nem hőmérőnek.. Ha többet mérne, azt mondanám, fűti az áram a diódát, és ne tudja leadni a környezetének. De mivel kevesebbet mér.. Pontatlanság, minden analóg hőmérőben van. Ha csak a szoba hőmérsékletét méred vele, akkor állítsd be ott, ahol a legfontosabb számodra. Esetleg próbálj meg egy tranyót használni a dióda helyett. Bázisát a kollektorához kötöd, és már kész is a dióda. üdv! proli007
Sziasztok!
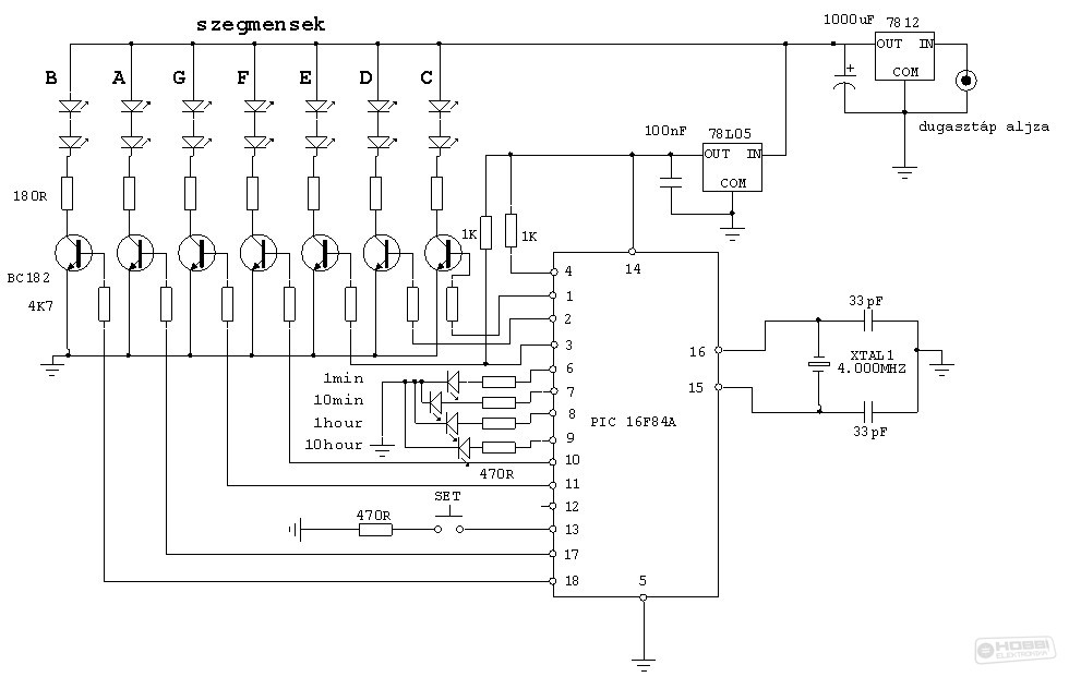
Megépítettem a mellékel kapcsoláson látható hőmérőt. A hőmérővel nincs gond, kipróbáltam sima 7 szegmenses kijelzővel. Azonban építettem hozzá egy óriáskijelzőt, ami úgy épül fel, hogy szegmensenként 5db ledet tartalmaz, és 12v-ról működik. Ennek meghajtására a mellékelt módot választottam, csakhogy mikor összekötöttem, akkor kiderült, hogy minden szegmens világít az óriáskijelzőn, azaz minden tranzisztor kinyit. Tehát az óriáskijelző folyamatosan -188.8-at mutat, pedig ha ezzel a kijelzővel párhuzamosan rákötöm a kis kijelzőt is, azon a -1, azaz a túlcsordulás jelenik meg, mivel annak is kell, mert a hőmérő még nincs kalibrálva. És még azt is furcsálom hogy a tranzisztorok akkor is teljesen nyitnak, ha csak az ujjamat érintem hozzá a bázishoz. Szerintetek milyen meghajtást alkalmazzak?
Helló!
Én ugyanehhez a rajzhoz csináltam ugyanígy nagy kijelzős megjelenítőt és a rajzon látható módon megy, tökéletesen.
Na én bc 182-t használtam ami NPN, te meg PNP-t használtál, akkor ez a problémám!
|
Bejelentkezés
Hirdetés |






Juhéjj, gondoltam, énis jó vagyok valamire.Nagy baj lenne, ha leföldelném a készülék testjét?Szerintem nem, mert más nem lesz hozzá csatlakoztatva, a hálózati trafója is a saját panelján van, tehát egy különálló készülék.









