Fórum témák
» Több friss téma |
Fórum » LM1036 sztereo hangszínszabályzó áramkör
Témaindító: Krajcsooo, idő: Máj 29, 2006
Témakörök:
heló azt kérdezném megint hogy a B50k potméter jó lene e a hangszinszabájzoba mert ez van itthon ingyen meg ehhez vannak ilyen potméter gombjaim is de nem egészen 50k csak a neve az mert méréseim szerint 48k körül mozognak egyébként ha segít egy szará ment erősítőből buheráltam
Hangszinszabalyzohoz inkabb linearis (A) potit hasznalnak. Logaritmikus (B), hangero szabalyzashoz kell.
A 48k egesz jo (4% tures), kerdes mennyire celszeru egy uj aramkorbe, hasznalt, kitudja milyen eredetu/eloeletu potit beletenni...
hogy tudom kimérni hogy lineáris vagy logaritmusos e a potméter mert most néztem hogy néhány helyen a B a lineáris egyébiránt egy jó minőségű gitárerősítőből való
Ezt a mondatodat nem egeszen ertem:
Idézet: „néhány helyen a B a lineáris” Tudomasom szerint az "A" a linearist jeloli, a "B" a logaritmikust, a "C" a forditott logaritmikust (ennek is van biztos rendes neve, csak en nem tudom).
Gondolom neked pont ilyen van.
En ugy tanultam/tudom a szabvany az amit irtam. De az alapkerdesre a valasz, meg mindig: hangero szabalyzasnak logaritmikus, hangszin szabalyzasnak, linearis potmetert illik hasznalni. Kimerni pedig ugy tudod, ahogy az adatlap abraja is mutatja. (Tengely elfordulas, ellenallasertek)
vagyis ha 50k és a felére tekerem akor 25 k kellene lenie és akor lineáris mert nekem a fele pont 25 k
Ha negyedenel 12k, felenel 24k, haromnegyedenel 36k, akkor biztos linearis (ha az egesz ugye 48k)
így van akor lineáris köszi a segítséget
Ha nem használsz továbbra sem írásjeleket, és shift billentyűt, annak halmozott következménye lesz! szamóca
Üdv!
Én is találkoztam már B jelzésű lineáris potméterrel. Egyik ismerősöm rendelt nekem az lm1036-hoz 4db ilyet a Lomextől. Ezekkel a B50K jelzésű potikkal tökéletesen működik az egész hangszínszabályzó áramkör. Egyébként az lm1036-nál a potikkal nem hangerőt vagy hangszínt szabályozunk, hanem feszültségszintet, a hangszínt az IC szabályozza, ezért kellnek a lineáris potenciométerek.
Ok, nyilvan nekem van kevesebb uj tapasztalatom ez ugyben.
Nem azert kellenek a linearis potenciometerek, mert "feszultseget" szabalyzol, hanem azert, hogy maga a (frekvencia) szabalyzas egyenletes (linearis) legyen. A ket karakterisztikabol lathato a kulonbseg. Ha B jelzesu linearis potmetered van, akkor termeszetes, hogy jol mukodik az aramkor (a nemlinearissal is jol mukodne, csak az erdemi szabalyzasi tartomany csokkenne le)
Sziasztok. Szeretném kérdezni a tapasztaltabbakat ,miért hagyjátok ki a kapcsolásból a több rajzon is szereplő NE 5532 ÍC-t ? Válaszokat előre is köszönöm.
Sziasztok
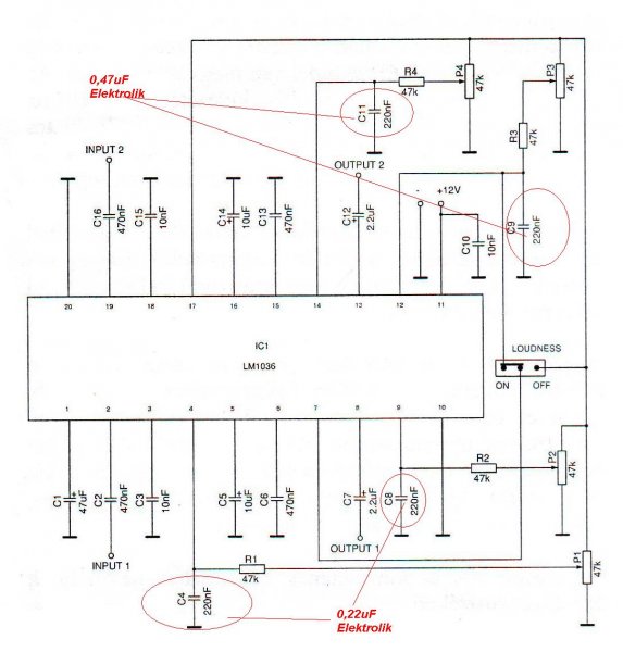
Lenne egy újabb kérdésem . Most 1036N ic- kaptam és érdekelne hogy a lábkiosztása és az alkatrészek egyeznek-e a sima LM1036-al ? És a 220nF -os kondit lehet-e helyettesíteni 0,22µF elektrolik-al ? utoljára pedig a magas hangerő potit kiszeretném váltani fix ellenállásra úgy hogy ne legyen magas hang. Mekkora ellenálást tegyek be a poti helyére? köszönöm
Hali!
Nyugodtan használhatod, a kettő ugyanaz. Most nincs előttem a rajz, hogy hová kell az a kondi, de szerintem ne elkót használj. Azt viszont nem értem, miért akarod a magas szabályozást elhagyni. Lassan mindegy lenne, ha nem is használnád ezt az IC-t, hanem valami műv.erősítős kapcsolást néznél. De ha mindenképp ki akarod hagyni, akkor állítsd be a potit úgy, ahogy neked megfelel a hangja, majd ekkor mérd ki a poti középső lábához képest a két szélsőt, hogy mekkora ellenállást mutat, és a ballance-hoz hasonlóan helyettesítsd a potit két ellenállással, olyan értékűekkel, amiket mértél a potin. Ja, és a méréshez természetesen vedd ki a potit a kapcsolásból, csak figyelj, hogy közben már ne állítsd el.
Idézet: „helyettesíteni 0,22ľF elektrolik-al ?” nem lehet mivel polaritásfüggetlen kondi kell oda , az elektrolit kondi pedig polaritás függő .
Köszönöm válaszod de már kipróbáltam és éppenségel működik de vannak gondjaim vele.
Szóval csatolom a változást a LM1036- ban és az alkalmazott tápegységet amit használok hozzá. a hiba a hangszínszabályzónál szerintem a sima mély és a lodnes között kicsi a változás. Ennek az oka lehet-e az alkatrész változás végett ? A másik pedig a tápegység felöl van (búgás) Ennek a kiküszöbölését hogyan oldjam meg? köszönöm.
Jó lenne, ha normális alkatrészekből építkeznél, mert "abból" se lehet várat építeni.
Már lassan az egész kapcsolást megváltoztatod és közben azt várod, hogy ugyanazt produkálja mint az eredeti. Mondhatnám lassan egy trabant motort építesz be a Ferrari-ba és azt várod, hogy ennek ellenére menjen 300-al. A tápod felőli zúgás is simán lehet azért, mert spórolsz a trafón, és emiatt csak két utas egyenirányítást használsz. Javaslom olvass utána a különböző egyenirányítások közötti különbségeknek!
Jo értem én hogy ti csak jót akartok de nekem csak ilyen trafóm van . Tudom jobb lenne szimetrikus tápegységgel.
Egyébként az erősítő az nem búg egyutas irányítással. De azért remélem az edig kialakított kapcsoláson lehet még azért finomítani. A 0,47µF kondikat kicseréltem 2A224 kerámia kondira, kicsit lágyabb lett a mély hang, De a búgás az maradt, a hangerő növelésével nő a búgás is. Kérlek segítsetek !
Cseréld le a D1 zenert olyan 10.....11V közöttire.
Cseréld le a táp C3-as 470µF-os kondit nagyobbra, pl. 4700-ra.
De sokat segíthet a dolgon, ha jó az alkatrészek elrendezése. Pl. a tápszűrő kondik a lehető legközelebb legyenek az IC táplábához.
Az biztosan közel van alig férnek el egymás mellet . Valami Brrrum féle búgás halható . Legutolsó megoldáskét kérdezném tőletek ha a pc táppal hajtanám meg az lm1036-ot az ic nem fog tölkremeni (pc táp-al biztosan nem búgna)
Miért cserélje le? Hogy garantáltan tönkremenjen bekapcsoláskor a BD239? Vigyázz, az csupán 2A-t bír ki. A 4G7 kondi pedig bekapcsolásnál egy pillanatra, amikor nincs benne töltés, ennek a többszörösét venné fel. Az a kondi oda megfelel, nem kell nagyobb, kisebb is elég lenne. A tranzisztornak kell levágni, simítani a feszültséget. Az R1-et pedig lecserélném 47-100ohm közöttire.
Nem kötekedni akarok de megkérdezhetem, hogy eggyátalán miért zener diódával és tranyóval csinálsz 15V-ot? MIértnem jobb egy sima 7812-vel? Vagy ha anyira stabil tápot akarsz neki akkor 7806 és 7906-ot teszel be neki és úgy állítod elő a stabil tápot szerintem sokkal jobb megoldás lenne mint ez és kevesebb alkatrészből állna
A búgás nem csak a táp hibája lehet és minek hajtanád meg közel 10A-es táppal mikor a legtöbb boltba lehet kapni 1-2K-ért 12V-os kapcsitápot?
Mivel sajnos nem nagyon értek az ilyesmikhez ezért amit az Lm1036 kapcsolás mellett találtam táp rajzott azt építettem meg. Pc táppal meghajtható ? az is jó lenne csak ez a búgás szünne meg.
Pedig azt az IC-t sokkal egyszerűbb bekötni és lehet hogy épp eza búgásodnak az oka hogy valamit elnéztél és nem azt csinálja amit kéne neki. És szerintem az a 4700uF+még 470µF szűrés teljesen felesleges mivel akkora áramokat nem vesz fel hogy leszívja a kondit javaslom googlézz rá a 7812-re mert sokkal jobb megoldás szerintem
Kicseréltem a R1 50k-ra a búgás halkabb lett de löketszerűen ingadozik (halkabb hangosabb és pukkan egyet közben )
Köszönöm de szerintem nem fog menni a dolog . A PC táp-ról való üzemeltetés lehetséges ? Mivel ez általam eszkábált zenegépbe tenném, amiben adott a pc táp 12v-ja is .
természetesen megoldható arról is de felesleges
Nem 50K! Hanem 50 ohm! A zenert is cseréld le 10... 11V körülire.
És nem szabad ilyen hamar feladni!
Köszi a biztatást de azért tisztába vagyok a korlátaimmal . Na most 50Ω azt hiszem ezt még tán a gagyi műszerrel ki lehet mérni ,de a zener dióda az már gondot jellent mivel eddig ezt az egyet mindig vettem . A jelzését tudom de ha bevan építve (használt) akkor az már gondot jelent . Igy az ha van is itt valamiben ki tudja melyik az. De azért köszönöm!
|
Bejelentkezés
Hirdetés |




(a nemlinearissal is jol mukodne, csak az erdemi szabalyzasi tartomany csokkenne le)
nem lehet mivel polaritásfüggetlen kondi kell oda , az elektrolit kondi pedig polaritás függő . 






