Fórum témák

» Több friss téma
Fórum » Crystal radio - detektoros rádió
Lapozás: OK   44 / 157
(#) hatvanasjocó válasza Abukodonozo hozzászólására (») Júl 8, 2010 /
 
Most látom, hogy 200 millihenryt írtál. Valóban annyit akarsz mérni, nem 200 mikrohenryt?
(#) Abukodonozo válasza hatvanasjocó hozzászólására (») Júl 8, 2010 /
 
Elnézést, mikrohenry, persze! Ne haragudj! :wilting:
(#) qbit válasza Abukodonozo hozzászólására (») Júl 10, 2010 /
 
Sziasztok!

Na én is a millihenry miatt írtam a bonyolult mérést. Mikrohenryt úgy mérek, hogy van egy oszcim egy fix kondival és párhuzamosan vele a mérendő tekercs. Berezgetem és frekimérővel megmérem a rezgés frekvenciáját, majd beteszem az értéket egy alkalmas előre elkészített Excel táblába és kiadja az induktivitás értékét. Az otthoni használatra megfelelő a pontosság. <10%...>
(#) qbit válasza hatvanasjocó hozzászólására (») Júl 10, 2010 /
 
Természetesen igazad van, az a rajz is jó amit küldtél.

Az Obiban volt 400Ft-ért ilyen napelemes lámpa és ott vásároltam be belőle. Az a baj, hogy több fajta ilyen lámpa is van, ezért a kapcsolást az adott napelemhez (feszültség alapján) kell méretezni... De pl. helyette egy 10000µF-os kondi feltöltve is tud egy ideig működtetni egy ilyen kis erősítőt. Próbálkoztam azzal is, hogy a keretantennáról kinyerem a vivőt (700mV, 14uA) és valahogyan nagyobb feszt csinálok belőle, hogy meghajthassam az erőlködőt. Nem sikerült a blocking-oszcillátor vesztesége miatt. Több keretantenna párhuzamosan (vagy sorosan) kellene, de az meg már túlzás lenne...
(#) Abukodonozo válasza qbit hozzászólására (») Júl 11, 2010 /
 
Értem!
(#) sz_ferko válasza qbit hozzászólására (») Júl 11, 2010 / 1
 
Gondoltatok-e arra, hogy a tekercs induktivitását számítással határozzátok meg. Az induktivitás meghatározásához ugyanis pontosan kell ismerni a frekit, kapacitást és hát pontos műszer is kell, pld frekimérő, pontos ismert frekvenciájú oszci, ez pedig nem mindig van egyűtt. Talán, elfogadható értéket lehet kapni számítással is. A mellékelt képeken mutatom be az elképzelésem. A legtöbb online kalkulátor is hasonló képleteket használ. Ettől még egyszerűbb: pld. detektoros készülékben, pontos frekit az adóállomás szolgáltat pld Kossuth r. 539 kHz ismert a hangolókondenzátorom értéke pld beforgatva 500pf beleszámítva a kezdő és szerelési kapacitást is. L=25330/f^C. (L uH-ben C pfban f Mhz-ben) példa: 25330/0.539^*500=174.3uH
üdv. sz_f
(#) pucuka válasza sz_ferko hozzászólására (») Júl 11, 2010 /
 
Apróka helyesbítés: Kossuth 540 kHz már jó ideje. Igaz az 1 kHz nem sok, csak a nézzük a kisugárzott vivő 10 - 15 Hz pontosságát.
(#) sz_ferko válasza pucuka hozzászólására (») Júl 11, 2010 /
 
Ok, kösz, így van. nem figyeltem oda, de talán a példa szempontjából elnézhető.
üdv. szf
(#) Abukodonozo hozzászólása Júl 17, 2010 /
 
Találtam itt egy nagyon érdekes megoldást. Bipol antennát használva, földelésre sincs szükség. A kérdésem az, hogy hogyan lehetséges ez? És miért kell a 150k értékű párhuzamosan kötött ellenállás a kimenetre? Talán, hogy a rezgőkört ne terhelje a meghajtott áramkör?
(#) Abukodonozo válasza Abukodonozo hozzászólására (») Júl 17, 2010 /
 
Pontosítok: az ultrarövid hullámok vétele hogyan lehetséges?
(#) kadarist válasza Abukodonozo hozzászólására (») Júl 17, 2010 / 1
 
Ez a diódás megoldás éppen URH-frekvencián működik. Az FM-demodulációt a "félrahangolt rezgőkör" elve alapján végzi.
(#) hatvanasjocó válasza Abukodonozo hozzászólására (») Júl 17, 2010 / 1
 
A 150 kohm a detektálás munkaellenállása. Erre azért van szükség mert nem tekercses fejhallgatót használnak hanem piezzo, azaz kristályhallgatót. A meghajtott áramkör többé-kevésbé mindig terhelést jelent a diódának és azon keresztül a rezgőkörnek.
A dipol antenna eleve két pólus ( itt ezen a linken ultra rövid hullámú rádió van) A Tv antennák is két vezetéket használnak , ott se kell külön még földelés.
(#) hatvanasjocó válasza kadarist hozzászólására (») Júl 17, 2010 /
 
Lejtő detektor cimszó szerint lehet erről több infót találni....
(#) Abukodonozo válasza kadarist hozzászólására (») Júl 17, 2010 /
 
Köszönöm, kadarist, hogy válaszoltál!

Itt találtam valamit róla. Kérlek ne haragudj, ha bután hangzik a kérdésem, de a "félrahangolt rezgőkört" hogyan képzeljem el?

Idézet:
„Egy rezonáns kör rezonanciagörbéjének oldala kis frekvenciatartományban a frekvenciával lineáris változást mutat.”


...mondja az irodalom. Itt lehet a kutya elásva, csak épp nem értem. A többi világos:

Idézet:
„Az erre a tartományra eső FM jelből egy idejűleg amplitúdó-modulált jelet is képez.

Ezt az AM összetevőt ezután egy AM demodulátor, (burkoló-demodulátor) demodulálja.”


Előre is köszönöm!
(#) Abukodonozo válasza hatvanasjocó hozzászólására (») Júl 17, 2010 /
 
Köszönöm a válaszodat, hatvanasjocó, most a dipol kérdése is világos! A kétpólus a kulcsszó tehát. Ezért nem kell földelés, értem... :whatever:
(#) kadarist válasza Abukodonozo hozzászólására (») Júl 17, 2010 / 1
 
A frekvenciamodulációnál a moduláló jel (hangfrekvenciás jel) nagyságával (amplitúdójával) arányosan változik a vivő frekvenciája. Tehát ha azt el tudjuk érni, hogy a nagyobb frekvenciájú vivő kisebb amplitúdóval kerüljön a diódára, mint a kisebb frekvenciájú, akkor így az FM-jelből máris AM-jelet készítettünk. Ezt a konverziót egy enyhe rezgőkör-félrehangolással meg tudjuk tenni, és máris szól a Neo FM a fülesünkben
(#) Abukodonozo válasza kadarist hozzászólására (») Júl 17, 2010 /
 
Nagyjából világos, de a frekvenciamodulációs ismereteimet fell kell frissítenem.

Köszönöm, és repülnek a ''pontok''!
(#) kadarist válasza Abukodonozo hozzászólására (») Júl 17, 2010 /
 
Egy szakmai hangvételű, de azért nem túl száraz értekezés FM-témában: Frekvenciamoduláció (FM)
(#) Abukodonozo válasza kadarist hozzászólására (») Júl 17, 2010 /
 
Elolvasom!
(#) kadarist válasza Abukodonozo hozzászólására (») Júl 17, 2010 /
 
Jó olvasást!
(#) pucuka válasza Abukodonozo hozzászólására (») Júl 17, 2010 / 1
 
Azt azért tudnod kell, hogy az URH vételnél már hullámhosszra méretezett antennát kell használni, szemben a KH antennákkal, (ott is jó lenne, de a méretek miatt nem(nagyon) megy.
A dipól antenna a helyes méret, és illesztés esetén adja a legnagyobb talpponti teljesítményt (feszültséget). Mivel a leadott teljesítmény függ az antenna hatásos fellületétől, minél magasabb a frekvencia, annál kisebb a hatásos fellület, annál kisebb a leadott teljesítmény. Ezért sajnos az "URH detektoros" elég érzéketlen. A hatásos fellületet lehet növelni hurokdipól alkalmazásával, esetleg több dipól fázishelyes összekapcsolásával
(#) Abukodonozo válasza pucuka hozzászólására (») Júl 17, 2010 /
 
Értettem, pucuka, köszi!
(#) gg630504 válasza kadarist hozzászólására (») Júl 18, 2010 /
 
Idézet:
„nem túl száraz”

A "Röviden és tömören" sorozatban jelent meg ( Moduláció a híradástechnikában ).
(#) hatvanasjocó hozzászólása Júl 21, 2010 /
 
Egy most elkészült detektorosom, már régebben félkészen a honlapomon volt de a belsejével és a beüzemeléssel ma lettem készen. Kosárfonású 200 mikrohenry-s tekercse leágazásokkal készült, így a két kapcsolóval az antennát és a diódát(detektort) külön illeszteni lehet a rezgőkörhöz. A fokozatkapcsolók e célra feláldozott huzalpotencióméterek tengelyéből és csuszkájából készültek. Az érintkezők 4 mm-es sárgaréz szegecsek az 5 mm-es bakelitlapba szoros furatba ragasztva pillanatragasztóval. A képeket az építés fázisairól több részletben töltöm,hogy biztosan feltöltődjön.
(#) hatvanasjocó válasza hatvanasjocó hozzászólására (») Júl 21, 2010 /
 
A folytatás:
(#) hatvanasjocó válasza hatvanasjocó hozzászólására (») Júl 21, 2010 /
 
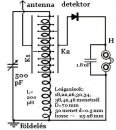
A képeket a számozás növekvő sorrendjében nézzétek! Végül a kapcsolási rajz:
(#) Gőzgépész válasza hatvanasjocó hozzászólására (») Júl 23, 2010 /
 
Minden tiszteletem a Tiéd!
Ebben a melegben rádiót építeni és közzé tenni nem rossz teljesítmény.Szerintem sikerült egy régi típusú, korhű készüléket összehoznod.Gratulálok! A teljesítményéről, működésének minőségéről tájékoztass minket, légy szíves.
(#) hatvanasjocó válasza Gőzgépész hozzászólására (») Júl 23, 2010 / 1
 
A kosárfonású tekercsnek köszönhetően a sáv rövidebbik részén a Kossuth áthallása az éppencsak hallhatóság határán van ( már nem zavaró). A nálam helyinek számító, erős fejhallgatóvételt biztosító Kossuthon kivül 2 helyen fogom a Katholikus rádiót ezen kívül szláv, szerb és román nyelvű adást is hallottam nappal érthető hangerővel egyáltalán nem ideális antennával.
És egy kép kollekciómról, 2 gyári és a "saját kezüleg " projekt:
(#) Gőzgépész válasza hatvanasjocó hozzászólására (») Júl 23, 2010 /
 
Ahogy elnézem ezek mind befejezett készülékek és gondos munkáról tanúskodnak. Sajnos az én készülékeim egy kivételével csak vágódeszka technikával éppen csak hogy szóljon módszerrel készültek. A jobban kidolgozottak-2 készülék-még nincsenek készen.Várom az idő jobbra fordulását, pedig mint írtam a pince műhelyemben 20-22 fok van, de a meleg front kiveszi minden erőmet és nincs erőm dolgozni, pl: nem jól látok.
Kosártekercset még nem csináltam, ki fogom próbálni.Kíváncsi vagyok még a kosárfenék tekercsre is. Lehet, hogy ezek szelektívebbek a hagyományos tekercsnél? Majd meg látom, habár itt fenn a "sarokban"nem sok reményem van.
(#) Gőzgépész válasza Gőzgépész hozzászólására (») Júl 23, 2010 /
 
Elrettentő példaként álljon itt a legutóbbi tákolmányom.Ennek kapcsolási rajzát közöltem május 25 én,azzal a kéréssel: mondjatok véleményt róla. Mivel egyetlen egy vélemény sem hangzott el, ezért megépítettem ebben a formában. Izgalmas volt a méhsejt tekercs elkészítése,mivel még én ilyet nem csináltam, de jól sikerült, egyben maradt, nem esett szét.Ez a készülékem a leghangosabb.Antenna és föld nélkül is szól, elég ha az antenna hüvelyt megérintem, vagy a tekercs felé nyúlok.Szelektivitásról nem lehet szó a helyi adó miatt.Mind a 4 kapcsolás egyforma hangerőt produkál.
A harmadik képen látható forgó egy régi amerikai gyártmány. Én még ilyen formájút nem láttam. A múlt héten kaptam. Méltó felhasználása végett tervbe van egy 1915 évi replika elkészítése. Gombhoz a kabátot!
Következő: »»   44 / 157
Bejelentkezés

Belépés

Hirdetés
XDT.hu
Az oldalon sütiket használunk a helyes működéshez. Bővebb információt az adatvédelmi szabályzatban olvashatsz. Megértettem