Fórum témák
» Több friss téma |
Fórum » LM1036 sztereo hangszínszabályzó áramkör
Témaindító: Krajcsooo, idő: Máj 29, 2006
Témakörök:
Pedig a zener fontos lenne. Azért búg, mert nincs rendesen megszűrve a táp. Pulzáló egyenfeszültség jön ki belőle. A zenert is ki lehet mérni. Én mielőtt használok valamilyen alkatrészt, mindig kimérem, nem hiszek a vonalkódnak, sem a katalógus adatnak. Volt már úgy, hogy egy katalógus szerinti 6v8-as zener 8V-t produkált, és tranzisztorom is volt olyan, hogy 80V helyett nem sokkal többet mint 50V-ot tudott.
Köszönöm a hozzászólásokat és a segítséget. De egyenlőre megpróbálom a pc-tápal meghajtani hát ha nem fog búgni. A jelenlegi 15V-os tápkapcsolást kihagynám és közvetlen a LM1036- ot kötném a PC 12V -os tápjára. Ez ebben a formában jó megoldás lenne ? Vagy pedig PC táp aztán 15v-os kapcsoláson keresztűl táplájam az Lm1036-ot ?
Nyugodtan ráteheted a PC táp 12V-os kimenetére. De azért mondjuk egy lomha kivitelű 100mA biztosítékot én beraknék. A földvezetéket pedig ne felejtsd el összekötni, de vigyázz, mert ha sikerül földhurkot csinálni, akkor újra búgni fog.
(A földvezetéket pedig ne felejtsd el összekötni) ezt egy kicsit bővebben leírnád mit is hova kössek ? melyik az a földvezeték és hova kössem.
köszönöm
A kondik kapacitása ha változik akkor változik vele együtt a frekvencia vágási meredeksége is tehát nem mindegy milyen értékűt teszel oda mert vagy alig lesz baszusod vagy recsegni ropogni fognak a hangfalaid , a búgást én úgy oldottam meg hogy körülbelül 8db 1000µF-2200µF kondit párhuztamosan kötöttem az egyenirányító után plusz a kondik kivezeteéseihez tettem pár fóliakondenzátort ezzel teljesen megszűnt a búgás .
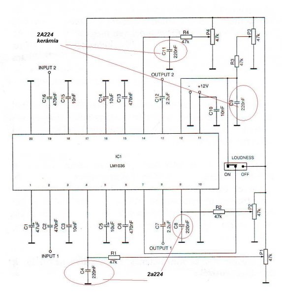
köszönöm válaszod lehet kipróbálom. Most jelenleg NINCS búgás megoldottam egy 12V-os 500mA -es (igaz 17V-ot da le) adapterrel amit a 15V-os tápegység stabilizátora kötöttem az egyutas irányítást kihagyva. elég szép hangja van. Igaz max hangerőnél azért (üresen) van rendesen sustorgás. Az alkatrészek egyeznek kivéve 4Db 220nf- os , helyetük 2A224 jelzésű (zöld téglalap) azt hiszem kerámia kondi van fólia helyett. Ez befolyásolja a mélyhangot ? Mivel pont a Loudnes- el ezek a kondenzátorok kapcsolatban vannak. (nem nagy különbséget érzek a loudnes használatánál.)
Ha originál az IC, maxon sem kellene susognia.. jó.. nekem is sziszegett picit.. alig észrevehetően. Persze az is kérdés, mekkora az erősítése a végfoknak.
Sziasztok
Ismét értetlenkednék egy kicsit . És egy kis tanács is kellene. Össze raktam a tda7294 és a lm1036 hangszinszabályzót ami a ti tanácsotokra és segítségeitek után jól működik. Ma be is építettem aránylag jól szól. Ismét nektek lett igazatok hogy az lm1036 nem volt valami jó választás az én felhasználásomra. (De nekem kellet egy előerősítő és egy hangszín szabályzó is ezért gondoltam ez jó lesz nekem. ) Most már van mély hang, de csak szükségem lenne egy jelszint erősítőre. Indoklom : A zenegépben van két kisebb hangszóró ami külön erősítőről megy. Ez magast és a mélyközép egyben. A 30cm -es az pedig a tda7294-ről működik. Szóval a pc audió kimenetét lehet szabályozni a vezérlőpúlton (mastert és hanghullám-ot ) A kishangszórókat előre beállítom hogy max bemeneti jelnél se legyen torzítás aztán az fixen marad. A tda LM1036 nak a mély és a hangerő potiát kivezettem a zenegép hátúljára,hogy lehessen szabályozni . A jelszinterősítő azért kellene mert kis hangerőnél lehessen a tda7294-et jobban meghajtani mert akkor kisebb hangerőnél is szép basszust lehetne kihozni. (ilyenkor a pc-ből jövő jel is nagyon kicsi). Tudom én vállasztottam rossz kapcsolást de a jelenlegi lm1036-ot kilehetne bővíteni egy jelszinterősítővel még ? egy kapcsolási rajz is jó lenne ha tudna valaki csatolni ,de ha lehet akkor ne szimetrikus táp keljen neki. Köszönböm. Csatolok pár képet mihez is kellet a segítség.
A TDA7294 visszacsatoló ellenállását lehetne esetleg kicserélni 22k-ról 33...47k-ra, amely a 2-es és a 14-es (kimenet) lábak között van. Így nő a zárthurkú erősítés, érzékenyebb lesz a 7294 bemenete, kisebb jelszintről is jobban ki lesz vezérelve.
Sajnos ez már megtörtént 47K-ra lett cserélve. mivel a tesztelésnél Mp3-ról hajtottam meg aminek igen kicsi a jelszintje. Próbaként építettem az Lm1036 után egy jelszinterősítőt de ez sem vált be mivel a mélyhang-ot levágta rendesen. Igaz meg lehetett hajtani az erősítőt kis jelszintnél is rendesen, de közép hangja volt az egésznek. Az LM -elé pedig nem lehet betenni a túlvezérlés miatt . Lehet igy marad az egész LM1036 és a végfok mert igen csak jó hangja van.
Mutatnál nekem egy kapcsolási rajzot a jelszinterősítődről? A mélyhangok vágását okozhatta a nem megfelelő méretű csatolókondi is.. mind a ki- ill. a bemeneti oldalon.
Szia csatoltam a jelszinterősítő rajzot ( ha az egyáltalán) Mindenesetre a pici bemenet jelet jó pár szorosára emeli .
Nos, mint ahogy előre gondoltam is, semmi nem indokolja a mélyhangok vágását, leszimuláltam az áramkört. Mint azt az ábra is mutatja, belekalkulálva a kimeneti kondenzátorhoz a TDA7294 bemeneti 220nF csatolókondenzátorát, valamint a 22k bemeneti ellenállást, 16,7Hz környékén van az alsó határfrekvencia (-3dB). Mondjuk én 2N2222-t használtam BC547 helyett.. az volt kéznél PSpice-ban. Egyébként két hagyományos közös emitteres van egymás után, az első munkapontbeállítása bázisárammal történik, a második munkapontját az első állítja be. Mindkét fokozat külön-külön negatív feszültségvisszacsatolást tartalmaz, az első fokozatnál az egyen-és a váltóáramú visszacsat. értéke megegyezik, a másodiknál nem. Pontosan nem számoltam mindezeknek utána, mi mekkora. Tartalmaz még egy átfogó visszacsatolást is, amit az 1 megás potival állítassz. 100k-s visszacsatoló-ellenállás értéknél úgy 27dB-t erősít.. ami azért nem kicsi.
Köszönöm válaszod. Igaz a nem nagyon értek a szakkifejezésekhez,de a lényeget kivettem belőle. Akkor a készülék jó az LM1036 kimeneti jelét egy az egyben feltudja erősíteni . Akkor ismét én rontottam el valamit. Szóval mindenhol elkot használtam ,de kiegészítésnek a bemenetre és a negatívra tettem egy 22k trimmer-t hogy a bemeneti jelszintett tudjam szabályozni. Mikor az alap kapcsolást használtam az erősítés (nagy és torz) volt és a 1M- poti az nem sokat szabályzott , maradt a torz hang. Miután betettem a bemeneti trimmert a bemeneti jelszintet letudtam szabályozni igy lehetett csak beállítani a normális erősítést úgy hogy ne torzítson. De az 1M poti igy sem csinál nagy változtatást (tán mint ha teljesebb lennének a hangok).
Na és az ellenállásoknál is volt egy kis gubancom 680R,470R milyen mértékhatárnál kel mérni (1M) ? Idézet: „680R,470R milyen mértékhatárnál kel mérni (1M) ?” 2k (ha olyan a muszered) mereshatarban. 680ohm, es 470ohm
Köszi átnéztem de jól lettek behelyezve az alkatrészek. Egyedül a bemeneti trimmer amivel eltér az eredeti kapcsolástól.
Sziasztok
Még mindig kilódom ezzel a kapcsolással.Az Lm1036 után tettem egy jelszinterősítőt ami a TDA7294-et hajtja meg. A gond az volt vele hogy a mélyhangokat levágta a jelszinterősítő. Zupp87 volt oly kedves és letesztelte hogy a jelszinterősítőnek jónak kell lennie (nem lehet hogy levágja a mély hangokat ). Én ezért a tápra gondoltam hogy rossz hozzá vagy ismét rosszul kötöttem be. Az lm1036 egy 500mA -es adapterről megy az alábbi kapcsoláson keresztül 15V-ot kap . Lm1036 leírás szerint max 50mA-t vesz fel. A jelszinterősítő pedig (3 Bis. 7mA -t) ezért gondoltam az LM tápjáról az is mehet . Viszont igy egy kis alap búgás lett az eredmény és a mély hangok levágása. Lehet hogy a táp nem bírja el a kettőt?
Kellemesen csalódtam ebben az IC benn annyi rossz véleményt olvastam róla. Két hónapot pihent a fiókban most készültem el vele. Tökéletesen működik minden funkciója . Igaz minden alkatrész rajz szerinti, de úgy látszik meghálálta. Annyira nem bíztam benne, hogy szinte csak össze drótoztam a többi egységgel, de minden várakozásomat felülmúlta.
Megoldódott a táp ellátás de a jelszinterősítőt az lm1036 elé tettem be. (Igy óriásit szól a tda7294) Végleges jelszint beállítás után , újabb probléma lépet fel az lm1036-al . A loudness ki be kapcsolgatása között semmi különbség sincs. És a mély hang az nem tiszta, hanem inkább közép mély.
Mit lehetne tenni ez ellen? Vagy lelehet vágni valahogy a középhangokból?
Hiába gondlkodom, nem tudok ésszerű magyarázatot adni a dologra. Én a helyedben kihagynám az előerősítőt, ha úgy tetszett. Ha az kellene, hogy a mély szóljon jobban, akkor a kis hangszórókat venném visszább. PC hangkártyáról hajtva, és megemelve a mélyet előerősítő nélkül is kihozod max hangerőn a 7294-ből a maximum szuflát, főleg 47k-s visszacsatolással. Nem érdemes ennél jobban kínozni. Ennyit tud.
Köszönöm válaszodat. Igazad van ennyit lehet kihozni az alap kapcsolásból és ez így sima hangfalaknál tökéletesen szól. Én még azért kísérleteztem kicsit vele hogy lágyabb és tisztább mély hang legyen. Ezért megtartottam a lm1036-ot, J-erősítőt, és közzé tettem egy filtert ami leválassza a közép hangokat. Hát meglett az eredménye így már tökéletes .
Egyébként nagyon szép lett a zenemasina kivitelezése
Sziasztok! Van 1 olyan problémám, hogy mikor bekapcsolom az erősítőt hatalmasat pukkan. Lekötöttem az lm1036 előerősítőt és akkor nem pukkan az erősítő. Miként lehetne ezt a pukkanást megoldani?
Késleltető, un. koppanásgátló áramkörrel.
Üdv!
Ha a potmétereket a melléklet szerint kötöm be az úgy működne? Mert így annyival vagyok előrébb hogy 12 vezeték helyett csak 6 kell a potméterek bekötésére! Ha rossz akkor javítsatok ki légyszíves ha jó akkor erősítsétek meg hogy neki merjek kezdeni! :worship:
Szia !
Szerintem működne a dolog. Akár hány LM1036-os kapcsolási rajzot láttam a potik mind párhuzamba voltak kötve. Végül is te ugyazezt próbálod megoldani csak kevesebb vezetékkel. elmés és ügyes dolognak tűnik.
Kösz a választ működik!
Most csak annyi bajom van hogy: normális ha a kapcsolást 14 voltról üzemeltetem akkor eléggé felmelegszik a 1036 rövid időn belül 5-6 volt körül meg rendesen megy éppen hogy csak melegedik megmértem 10A es állásban 0.02 fogyaszt 6 volton, 14volton meg 0.04 ,a táp egy mezei adapter (ilyen kapcsolóval lehet beállítani a feszt 1000 mA bír)
Bocs ,hogy beleszólok . Ha jóll emlékszem 100mA az áram felvétele. A leírásokban is benne van ,hogy melegszik, persze ez nem tűzforrót jelent. Az enyém ugyan így viselkedik, elér egy bizonyos hőfokot onnan már nem melegszik tovább.
Ok köszönöm hogy "Beleszóltál"
Hozzászólásom első sorát küldtem csak Kutyulinak Szerk: Mi okozhatja akkor a magasabb áramfelvételt rövidzár?
A magasabb áram felvételt nem tudom mi okozhatja. Tudni kellene melyik kapcsolást készíteted el, melyik nyákot ,milyen alkatrészekkel és hol mérted az áramfelvételt. Stabilizátor előtt, vagy után. Az enyém áram felvétele LM 7812 stabilizátor után mérve 100mA.
|
Bejelentkezés
Hirdetés |

















