Fórum témák
» Több friss téma |
Mielőtt kérdezel, a következő két dolgot ellenőrizd!
I. A helyes tápfeszültségek megléte.
II. A kimeneten van-e egyenfeszültség.
Élesztés.
Üdv!
Az egyamperes táp kb. 15 V ad le. Igen akkor is csattog ha nincs beledugva semmi bement csak a hangot tekerem fel, de ha be van dugva a bemenet és a hangerő potméter a leghalkabb állásban van akkor halkan de aránylag tisztán lehet hallani a hangszóróból a zenét mihelyt feljebb tekerem megint ez a szakaszos recsegés brummogás! Most az lesz hogy labortápról kipróbálom hogy úgy mit mutat mondjuk az is csak 2.5 3 A bír de talán elég!
Köszönöm a választ.
Ez a trafó egy E vasmagos sajna nem tudok belőle letekerni. Lenne még egy problémám a mutéhoz kellene ellenállás (kettőt) kötnöm, nem baj ha én ezt az ellenállásokat többől építem meg?
Nem hát, a soros ellenállás teljesen mindegy mennyi darabból van összerakva, ha együttesen mérve annyi az érték.
Ki próbáltam labortápról és működik nem recseg olyan 12 V ig jó utána 17 voltnál már hallom a 50hz-es brummot de ez akkor is nagy előre lépés! Meg még annyi van hogy az lm1036 melegszik (még mindig, ezen esetleg segítene egy 100n kerámia). És az erősítő a 10k ellenállás miatt halkabb a kelleténél de ez ellenállás cserével orvosolható.
Sziasztok.
Elkészült az erősítő azzal a trafóval amit írtam de olyan gondom lenne hogy amikor bekapcsolom az erősítőt akkor a hangszórók puffannak egyet. Az összes kábel árnyékolt (kivéve a hangszínszabályzónál a poti kábelek) a GND-t is rákötöttem az erősítő házára Mit kellene vele csinálnom hogy ne puffanjon bekapcsoláskor? Köszi
Az LM1036 12V körül érzi jól magát, max 16V-ig használható. Szerintem építs be neki egy 10-12V közötti, stabilizált tápforrást, akkor jó lesz. Persze a kerámiakondik hasznosak, a stabilizált tápegységeknél is fel szokták tüntetni őket.
A hangerő szabályzó poti nincs feltekerve ?
Ez kell neked. Sok sikert!
Szia.
Nincs a hangerőpoti feltekerve Koppanásgátlón kívül nincs valami egyszerűbb(nem kapcsolásra gondolok)
Sziasztok!
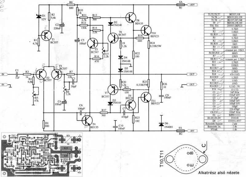
Megépítettem a hestore -ban kapható kit j035-t 100W-os teljesítményerősítőt, összeraktam és működött, aztán kicsit félretettem mert dobozolásra vártam stb. Aztán mielőtt betettem volna a dobozba összeraktam és kipróbáltam de ekkor már recsegett, kis bemeneti jelre szépen szól de még a felét sem értem el a hangerőnek, már recsegett. Köszi a segítséget előre is! Kapcsolási rajzot csatolok.
Ha összerakás után rendesen ment, csupán félre lett téve egy-két hónapig, akkor én a helyedben először is formáznám a c2, c4, c5 kondenzátorokat. Más abban nincs, ami magától tönkre tudna menni vagy megváltozni, ha csak nem kapott valamilyen impulzust valamitől, mondjuk egy kis sztatikus elektromosságot.
Fogsz egy kétáramkörös kapcsolót, és egyszerűen csak akkor kapcsolod fel a hangszórókat, ha már be van kapcsolva a végfok, viszafelé meg előbb leválasztod a végről ezzel a kapcsolóval a hangszórót. Ennél egyszerűbb nincs, ez egy ilyen erősítő, hogy pattan.
Szia!
1 hét volt a várakozás, de lehet kaphatott egy kis sztatikus elektromosságot mikor nagyobb hűtést adtam a 2n3055-ös tranyóknak. (Nagyobb hűtőbordára tettem) Ez esetben hogyan tudnám leellenőrizni hogy mit kell kicserélni? Köszi a választ!
Attól még nem megy tönkre, ez nem fet. A hozzáadott szerelési rajzon nem volt egy táblázat a munkaponti adatokkal? Mellesleg mit jelent az hogy "recseg"? A tápfeszültség meg van? Próbáld meg bemeneti jel nélkül egy negyed órát bekapcsolva hagyni. Ellenőrizd, hogy nem-e melegszik valami, és ha nem, akkor adj neki úgy 50Hz szinuszt a hangerő legyen úgy 75%, válaszd le a hangszórókat, és így menjen 5 percig. Állandóan ellenőrizd, hogy nem e melegszik túlzottan.
Ezután ellenőrizd a trimerek beállítását, hogy nem e kell újraállítani.
Nincs munkaponti adat megadva. A tápfesz meg + 37V -37V ez szerintem nem gond mivel ezelőtt is ment. A recsegést meg úgy értem hogy ha veszem fel a hangerőt akkor torzítja a hangot. A trimmerek meg félig voltak állítva eddig.
És nagyobb kimenő hangerőnél is megvan mindkét feszültség 30V felett?
Igen megvan a feszültség.
Azt vettem észre mikor kikapcsoltam hogy ugye a tápfesz csökken folyamatosan de a negatív megáll 8V körül ez normális? De nem melegszik semmi, valamint amikor bekapcsolom van egy kis búgás míg be nem dugom a laptopba a jack-et. De aztán megszűnik.
Eszembe jutott még az, hogy leválasztott hangszórónál, földelt bemenetnél biztos hogy nulla volt (max.+/-2mV) van a kimeneten? Nézd át még egyszer, hogy nincs-e valahol egy elcsöppent forrasztóón. Hát ha ez is negatív, akkor nincs más hátra, egyenként ellenőrizni a félvezetőket, a T6/7-tel kezd.
Sziasztok az lenne a kérdésem hogy a TDA2030A alapú erösitöm tápjában a trafó olyan fura keregö hangot ad ki 2*12V 35VA segítségeteket előre is köszönöm.
Köszi a segítséget megtaláltam a hibát. Az egyik 2n3055-ösnek a kollektorát mikor vezetékeztem be akkor megszakadt a nyákon a vezeték de már orvosoltam a problémát.
Még egyszer köszi!
Szia!
Az adatlapon van rajz:Bővebben: Link
Helló. Adatlap 4. oldalán van. 12V-ról is működik, plusz nyákterv is van. Sok sikert!
Kösz mindhármotoknak a(z egységes) választ.
De ezt már néztem és nem tudom mi az az SW1 a negyedik oldalon a beűltetésnél.
Az a stand-by (készenlét) kapcsoló. A működéséről sajnos nincs infóm. Majd valaki szakavatottabb ember segít a működésében. (De ha jól rémlik akkor úgy működik hogy hogy ha az R1-en tápfeszültség (+Vs) folyik akkor szól, ha a GND-re van kötve akkor néma az erősítő. De sajnos nem vagyok benne biztos. Különben ez egy egy áramkörös kapcsoló, aminek a középső kivezetése megy az R1 felé, a két szélső kivezetésből az egyik a C5 felé, a másik kivezetés a +Vs felé megy)
Azt nem tudod, mivel lehet helyettesíteni,vagy hol lehet beszerezni?
Üdv mindenkinek. Hozzám került egy BDT65C és egy BDT64C tranzisztor. Találtam rá a neten kapcsolási rajzot végfoknak. Az a kérdésem ,hogy valakinek ismerős -e a mellékelt kapcsolás. Teljesítményben mire számíthatok? Aktív mélyládába raknám ,van egy 100W fölötti 41 váltóáramú trafóm is hozzá az egyenirányítva közel 60V. A segítséget köszönöm.
Külön topik is van ehhez az erősítőhöz:Bővebben: Link
Tessék, itt van egy. Szinte minden elektrós boltban be lehet szerezni. De tényleg egyszerűbb átkötni.
Elnézést figyelmetlen voltam. Nem gondoltam ,hogy ilyen népszerű kapcsolás. Köszönöm a segítséget!
|
Bejelentkezés
Hirdetés |











