Fórum témák
» Több friss téma |
Fórum » Oszcilloszkóp számítógépre
Sziasztok!
Lenne egy kérdésem. Használok egy RIGOL DS1102D típusú oszcilloszkópot. A számítógépre telepíthető szoftvere képes arra, hogy az adatokat egy excel táblázatba kiírja, de sajnos ez nem működik valami miatt, mert csupa 0-t ír ki. Elolvastam a help-et is és neten is keresgéltem, de nem találtam rá semmi megoldást. Ha esetleg valaki ilyet használ és tudja a megoldást, az kérem ossza meg velem! Köszönöm szépen! Üdv!
Szia!
Ha még nem tetted meg, akkor állítsd ba a port fajtáját (GPIB, soros). A soros portnél be kell állítani a portsebességet is a számítógéped soros portjának sebességéhez.
Szia!
Köszönöm a választ, meg is próbáltam a beállításokat, de sikertelen. Az az érdekes, hogy viszont a PC-n a Virtual Panel megjelenítés tökéletesen működik, automatikusan frissül ha úgy van beállítva, stb... Csak ez az egy rész van, ahol a kommunikáció nem működik és nem tudom, hogy mi okozza. Valószínűleg valami kis apró pici beállítás, de sejtelmem sincs, hogy ezt hol keressem. Üdv
Sziasztok!
Azt szeretném megkérdezni, hogy a Baxi által megépített szkópnak mekkora lehet a maximális bemenő feszültsége és frekvenciája.
Hi
Nem tudom pontosan, de azt hiszem az eredeti kapcsolás szerint max 150V. Most építek majd egy 2.0 mert ez a műveleti erősítős szinkron tápos megoldás nem az igazi (szerintem).Mert a bemenet GND-je össze van kötve a kapcsolás tápjának a gnd-vel. És amint kiderült ez más tápok GND-vel nem nagyon egyezik azaz vagy fentéb vagy lentebb van és így végül is terhelést ad a mérendő kapcsolásokra, nem is kicsit. Így jártam a minap is, azaz zárlatot csinált nekem egy 555-es kapcsolásnál. Így csinálok egy sima fesz osztott aminek a felső méréshatára bőven belefér a hálózati fesz230V. Nagyjából lesz egy 1000, 100, 10, osztó bemenet ezt külön-külön kapcsolva ez rámegy sorosan kapcsolt kondi erre pedig diodás védelem. Elvileg menni fog. Majd szolok hogy mire haladtam vele.
Hello!
Köszönöm a választ, várom a fejleményeket. Ez is szépen sikerült, gratula.
Nekem amúgynagyon érzékeli a gép rezgését az összes szkópos program....
Ha most csinálok hozzá szkóp kártyát, meg fog szűnni ez valószínűleg? válaszotok előre is köszönöm
melyik kapcsolást készítetted el amúgy ha nem titok?...............
mert eddig úgyláttam hogy nem akartad el árulni, vagy csak nem láttad hogy kérdezték?
Szia!
Nézd meg a 709992-es hozzászólást ott található a kapcsolás.
TE jóég, hogy én mennyire hülyevagyok...
középen volt a kapcsolás Elnézést kérek
hűha, én már csak azt nem tudom, hogy ez melyik portra kapcsolódik a számítógépen.
Te hogyan tudod Sound?
A mikrofon bemenetre rakd rá, de állítsd át a gépen vonalszintűre a bemenetet.
Én a line in bemenetet ajánlanám. Tökéletesen megy azzal is és nem is annyira érzékeny mint a miki bemenet.Én ezt használtam.
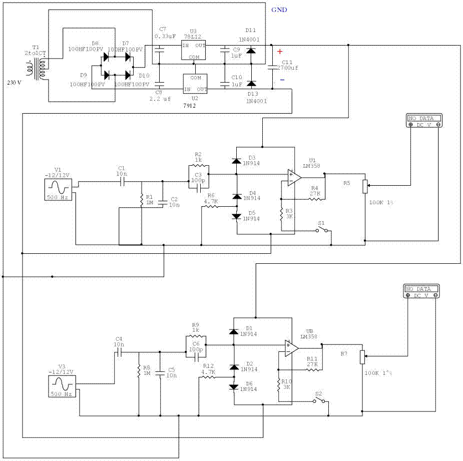
már csak azt szeretném megkérdezni, hogy fennt a földelésnél, hogy a d6, d7, d9, d10, azok 1A-100V-s diódák?
még hogy az U2, az is ugyanaz mint az U3? Vagy milyenek lennének? mert olvastam az előző hszekben is, ez egy külföldi oldalon volt (ha arról) , és ottsem voltak leírva a fajtái. Köszönöm előre is
Szerintem te inkább a D7, D8,D9,D10 diódát kérdezed. Igen azok helyére jó az 1A és 100V-os (pl.:1N4001).
És az U2 és U3 nem ugyanaz. Az U3 pozitív és az U2 negatív feszültségstabilizátor. Az U2 : 7912 Az U3 pedig : 7812 És így kapja meg majd a +/--os tápot amit igényel.
Bővebben: Link
besorszámoztam csatlakozási pontokat. köszi a segítséget előre is ismét Üdv: huligoon
Szerintem : -1. a táp test
-2. és 3. az egy kapcsoló az 1:1 vagy 1:10 osztó -4. és 5. a kimenet (4=test 5=pozitív) -6. és 7. a bemenet (6=test 7=pozitív)
Hello!
7: a mérendő jel 6: a mérendő jel, a mérendő berendezés testje 1: a tápegység testje (középnullája, nem a negatív pólusa!) 2: az osztás kapcsolójának egyik pólusa 3: az osztás kapcsolójának másik pólusa 4: A számítógép testje, pontosabban a Line In csatlakozó testje 5: a Line In egyik melegpontja, a bal, vagy jobb csatorna bemenete A nyákot érdemes lenne módosítani, mégpedig a testfóliát vastagabbra venni, esetleg teleföldet alkalmazni. Kis tömörítés sem ártana!
huligoon kérésére, a kitartó támogatás köszöneteként, némi extra pont kiosztva
Hello!
Az lenne a kérdésem hogy mi változik atol a kapcsolótol az áramkörben? Azzal lehet változtatni az osztás mártákét? Ennek a kapcsolásnak mekkora lehet a maxinmum bemenő feszültsége?
Szia!
A kapcsoló erősítést változtat. Kikapcsolt állapotban a műveleti erősítő feszültségkövetőként működik, bekapcsolva a 27k és a 3k ellenállások 10-szeres erősítést állítanak be. A max bemeneti feszültség elméletileg! bármekkora lehet, mivel az 1N914-es diódák megvédik a bemenetet. Mérni csak +- 12V körüli feszültséget lehet. (12V mínusz a dióda maradékfeszültsége) Mondjuk a védődiódák 'csak' 100V-ot bírnak. A kimeneten a potenciométereket célszerű lenne trimmerel helyettesíteni, és úgy beállítani őket, hogy a maximális bemeneti jel még épp ne vezérelje túl a hangkártyát.
Sziasztok!
Nem tudja véletven valaki, hogy hogy kell használni az 'APS230 - advanced personal scope for windows nevű programot? A külső beviteli ezközt linkelemBővebben: Link
Amit adtak hozzá porgit (pclab) azzal az a bajom, hogy a csatornákat egybefésüli és semmit se lehet látni, pedig van neki egy olyan hOGY test mode, ott pedig teljesen külön vannak szedve a csatornák. És nem tudom, hogy pl. 12V-on 50Hz-et hogy_mérjek vele? Mert csak a felső részét mutatja, az alsót eltŰnteti. Tud ebbeN valaki segiteni nekem?
Csatolok 2 képet
Üdv m.Remélem nem csináltam hülyeséget hogy új témát nyitottam.Térjünk a lényegre..A Condrad tól rendeltem egy 40Mhz oszciloszkópot ami rendben meg is érkezett a gond ott kezdődik hogy a windows 7 -em nem ism fel a szkópot az usb porton magyarán nem tudja az eszköz illesztő szofvert telepiteni .Mi lehet ilyenkor a megoldás? Googlet már atnyálaztam drivert keresve de sajnos semmi. Nem e tudna valaki segiteni aki ugyan ezt a szkópot használja vagy többet konyit a win7 hez .A válaszokat előre is köszönöm.
A gyártó honlapján mit írnak?
Nézted, van driver WIN7 alá?
Esetleg próbáld meg, hogy a windows bootolása közben vadul nyomogatod az F8-at, és amikor bejön az idítási módok képernyő, akkor a "Az illesztőprogram-aláírás megkövetelésének letiltása" módban indítod el. Ha így működik, akkor hurrá, de sajnos minden indításnál el kell játszani, ha szkópozni akarsz.
VOLTCRAFT DSO-2090 USB a tipusa az előbb kifelejtettem
|
Bejelentkezés
Hirdetés |





mert ez a műveleti erősítős szinkron tápos megoldás nem az igazi (szerintem).

Csatolok 2 képet 






