Fórum témák
» Több friss téma |
Hali
Joystick komplett : Novoparts.
ezek nagyok ! nem ipari méretü és játékgépekbe használatos hanem ami a pc játékokvezérlöhoz használt joystickba belemegy max 2cm átméröben és hüvelyk ujjal mozgatható.
mint itt a coolie HAT kapcsolok.
Hali
Lehet hogy nagyok, de birjak a kikepzest. Ezek nem fognak egy par honap alatt tonkremenni. Napi 12-14 ora durva hasznalat eseten is kibirnak 2-3 evet (tapasztalat). Es ezek a joystick-ek azert nem olyan dragak. Amit Te linkeltel az szerintem nem sokaig birja a gyurodest. Udv Vili
Kérem szépen van egy tranziszotorom, F445. Egykoron ráírtam a zacskóra, hogy NPN 1500V 2Ohm, de most kéne egy adatlap. Tud valaki segíteni, rosszul keresem, mert nem találom. A tokon még látni az ST márkajelet, és egy kódsorozatot: 28814
Köszönettel. Jutalmul pontot adok
gondolom, de nem arra valo amire nekem kell én nem joystiknek szeretném hasnálni mint a játékgépeknél én csak annak az egyik gombjának. ugy mint a mellékelt videoban a fehér gomb is ilyen 4 állásu amit a huvelyk ujjával mozgat.
ilyen kell
Nincs mit szívesen.
Juhéjj van már pontom is :worship:
Na, itt is lehet pontot kapni?
Ma túrtam egy szám jelző szerűséget, de meg volt belül már buherálva, más is volt vele a célom, meg kellett belőle a 4 db B9A(noval) foglalat, és a csatlakozójáról érdeklődnék, hogy mi ennek a neve, és hogy esetleg hol tudnék beszerezni ilyet? (aljzat kellene, nem dugó, mert az már van a dobozon) Képek mellékelve! U.i.: elnézést a képek minőségéért, de csak telefon áll rendelkezésemre fényképezés céljából!
:hide:
Szia Rokkersrác!
A képek minősége tényleg kritikán aluliak, mert semmit sem látni!
Bocsi, lemaradtak a képek!
Szia!
Keresd őket a DIN 41 618 szabvány alapján. Például: Bővebben: Link Adatlap: Plug connectors RP 618 and RP 622
Ahha, ezt nem tudtam. Köszi!
sziasztok lenne kerdesem a hosszabik alkatresz irant az vajon IC v PIC es van ket rovidebb az is megint miaz valaszaitokat koszonom!
Szevasz Levente.
Egyrészt nem is lehet látni mi van ráírva a másik meg az,hogy beütöd a gugliba és csak kidob valamit nem??
Hat az a baj hogy nem es azert folyamodtam ide
Akkor ha megkérhetünk, írd le mi van az IC-k tetejére írva. Látatlanban nem tudunk mondani semmit. :no:
EM78P156EP0029M BCA7E1..............SL 167-276D 0019
Szia!
Ez egy 8 bites mikrokontroller. Bővebben: Link
Ez az IC mire jó?
HAMLIN HE721A5-00 7934
Ez egy 5V-os behúzófeszültségű Reed-relé.
köszi
az én gondomhoz senki nem tud reagálni?
Vagy még senki sem jabvitott vagy szedett szét játékvezérlö joystikot vagy kontrollert? Sehol nem találok a neten egy darabot sem .
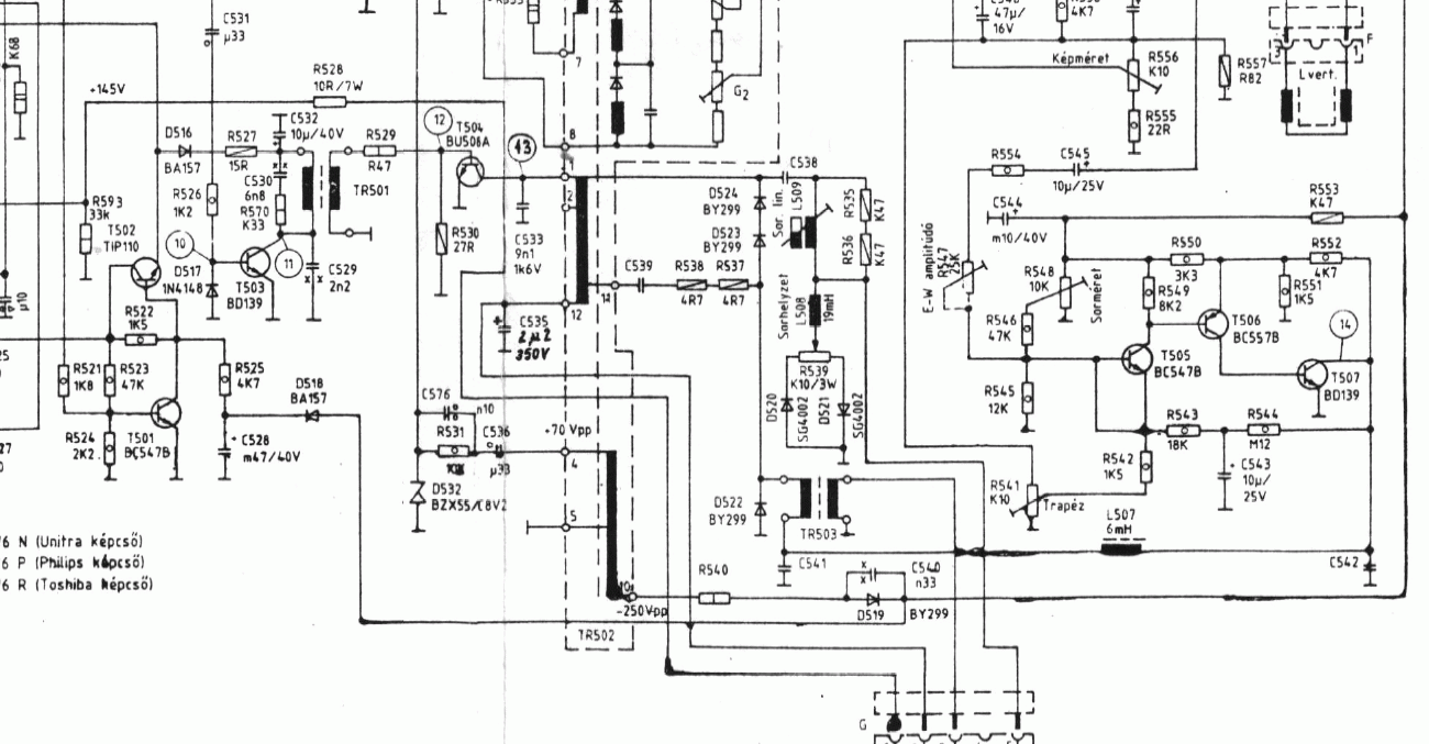
Sziasztok! A mai nap guberáltam egy két motyót. Találtam egy ilyet feltételezem csak két soros dióda, középleágazással.. De mi az a Damper, és a Modul? Előre is köszönöm.
Szia!
TV, monitor sorvégfokában szokott lenni ez a dióda. A mellékelt rajzon a damper dióda a D523-D524, A modulátor dióda pedig a D522.
Sziasztok!
Nem fűt a noname kávéfőzőm, és mint megállapítottam, egy hőmérsékletfüggő (érzékelő?) ellenállás mehetett tönkre benne, mert sorba van kötve a fűtőszállal, és végtelen az ellenállása. Minden kábel ép, megvizsgáltam őket. A fűtőszál sajnos bele van ragasztva egy alu csőbe, mert ilyen átfolyós rendszerű a cucc. Ami rá van írva az alkatrészre: RY01E XTDQ Tf192°C 250V 10A Más alkatrész nincs is benne, úgyhogy vagy tényleg ez a hibás - vagy ha az a normális h végtelen az ellenállása, akkor a fűtőszál ment kaputt.. ez nem lenne annyira jó.. köszi!
Az egy hőbiztosíték, lehet kapni az elektronikai boltokban.
|
Bejelentkezés
Hirdetés |




:hide:




