Fórum témák
» Több friss téma |
Mielőtt kérdezel, a következő két dolgot ellenőrizd!
I. A helyes tápfeszültségek megléte.
II. A kimeneten van-e egyenfeszültség.
Élesztés.
A sorrend mehet úgy ahogy írtam, egész nyugodtan, a kiskondik nem életbevágóak, de azért jó ha van, ártani nem árt,nagyobb frekvenciás zavarok szűrésére szolgál, esetleg a legvégére bebiggyeszthetsz még egy 10µF-ot is. Természetesen használhatsz sima 7812,7912 párost, mindössze a méret miatt javasoltam az L tipust, a 28V nem gond neki, sőt még a 35 sem, ha nincs túlterhelve, arra gondolok, hogy nem fogod leterhelni 1Amperral, azaz nem kell neki eldisszipálnia teljesítményt, így nem fog melegedni sem, még borda sem kell rá véleményem szerint.
Használj inkább 7812-7912 párost, esetleg ami jobb LM317-337 páros "jó brum elnyomás" a tápot stabilizálni. A 0-ával ne kerüld ki a stab részt azon át kapja meg a szubfilter panel a tápot, az IC-ket nem kell hűtened bőven elbírják.
Mellékelek képet ha LM3xx párost választod valakinek most csináltam illusztrációnak, a poti helyére fixen ellenálással is beállíthatod a feszültséget. Mélyládáról lévén szó, a lehető legnagyobb pufferelést használd a tápnál ne legyen vérszegény.
Elnézést "bancsi15"-nek szántam a választ.
Köszönöm a választ!
Reméltem, hogy jó a bekötési tervem, mert nagyon tartok a földhurkoktól, meg hasonlóktól. Nem szeretném elszúrni. 130W-os tápnak elég a 10000µF negatív és pozitív oldalanként? ( Ha mondjuk 2db 4700µF-ot teszem +- oldalanként, az baj/kevés?)
Elég lehet c4-c5 4700µF is táp áganként, de ha 2-2db-ot tennél az még jobb + 100n hidegítés a végére.
Hello!
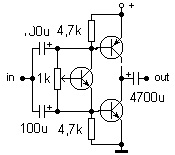
Nem akarlak elkeseríteni, de ez már egy közös kollektoros kapcsolás.. :yes: Vagy nem tudod mit jelent üdv! proli007
Így most én is elképzeltem. Vagy 10 percig fogott a röhögőgörcs :taps:
Viszonylag dilletáns kérdésem van (megint):
Egy nem interváló módban működő műveleti erősítő kimenetére szeretnék egy szintillesztő (vagy buffer?) NPN tranzisztort illeszteni, hogy egy nagyobb, mondjuk 4 ohmos, 1 wattos hangszórót vezérelhessek. A kérdésem az, hogy az R1-R2 erősítést beállító ellenállások helye változik-e, ha igen hogyan? És a szintillesztő tranzisztornak még milyen külső alkatrészre van szüksége? Illetve, hogy a bemenetem meg a kimenetem hol lesz, ezeknek a helye változik-e? Mellékelek egy rajzot, abban az esetben ha valaki ki tudja egészíteni a hiányosságokat a jobb oldalán! Köszönöm!
Ok, akkor majd idővel beszerzek egy ilyesmi kondenzátort.
Ahhoz a megoldáshoz mit szólsz, amit már sok helyen láttam, hogy a kicsatoló kondival párhuzamosan egy kisebb kapacítású fóliakondit tesznek, például egy 1µF-osat? Potméterből 10k vagy 50k-sat vegyek?
Hali! Bocsi én értettem félre
. Én arra gondoltam, hogy a tranzisztorok kollektora legyen a hangkimenet. A PNP tranzisztor emittere menjen a +V-ra, az NPN tranzisztor emittere pedig a GND-re. Mellékelem ahogy gondoltam, vagy ez csak szimmetrikus tápról oldható meg?
Amúgy eléggé kezdő vagyok elektronikai téren, néha összekeverek ezt azt, de azért próbálom magamba szívni az igét.
Szerintetek érdemes megépíteni az NMOS-400 at IRF-452 helyett, IRF 740 fetekkel?
Erről lenne szó.
Az nem TO3-as tokozású, irf250et probld meg, de ezek hatalmas vagyonban vannak. Bővebben: Link De ha megnézed az adatlapját ott ajánl helyettesítöket irf 250 pl.
Hali!
Nem is a tokozás miatt volna érdekes, terveznék neki saját nyákot. Az érdekelne, hogy mennyire kényes a kapcsolás a végfetekre. Most rendeltem egy marék IRF 740 -et kapcsolótápokhoz és arra gondoltam, hogy kiválogatnék néhányat egy ilyen Nmos végfokhoz. Basszusgitár kombó lenne belőle (ha jó lesz) egy ilyen hangszóróval.
Üdv!
Van egy videoton ea6383s erősítőm,és a bal felén a hangszóró "halkan" recseg ...mi lehet a baj? Válaszokat előre is köszönöm!
Szia, megnéztem az adatlapját, meg a kapcsolási rajzon a bemeneti fokozatot és a FETeket. Teljesítményben is van letérés igaz nem sok, de inkábbb a csatorna ellenállása a más a két fetnek, ezek késöbb szerintem problémákat okozhatnak, akár gerjedés .Bár mondjuk én ne mvagyok olyan okos, mivel én csak 4 éve foglalkozom az elektronikával, bár ez volt az érettségi tárgyam is, van nállam okosabb is
aki ezt meg tudja válaszolni, ha nem helyes a válaszom, . Lehet hogya fet ellenállásain is mdositani kéne .üdv
Hali ennél a kapcsolásnál mi alapján kell a munkapontot beállítani?
Semmi ötlet?
Udv,
Epitsd meg EZT az erositot. 4ohmos hangszorot is lehet hozza csatlakoztatni, de a tranzisztorokon legyen mindenkepp hutes, sot lehet h. nagyobb teljesitmenyu tranyokat is lehetne hozza hasznalni.
Szia lamalas!
Köszönöm, hogy válaszoltál! A négy ohmos hangszórót csak azért írtam, hogy érthetőbbé tegyem a kérdésemet. A helyzet az, hogy igazából nem építeni akarok. Amint látom a rajzon amit kuldtél a műveleti erősítő egy ellenütemű végfokot hajt meg. Ez sajnos még magas egy kicsit nekem... Sok helyen láttam, hogy a feszültségerősítést egy műveleti erősítővel oldják meg, mint az általam mellékelt rajzon is. Ez a része világos. Ami egy kicsit nehezebb az a tranzisztoros rész amit a műveleti erősítő meghajt. Ami nem világos: a mellékelt rajzon az R4 (100ohm, 5W) a munkellenállás? Mire jó az R5? És az R3 ellenállás (ami az R2-vel párban az a feszültségerősítés hivatott beállítani, gondolom) miért nem rögtön az ic kimenete és a tranzisztor bázisa köze csatlakozik, mint az én rajzomon itt? Kérlek ne haragudj a sok kérdésért, remélem nem írtam nagy marhaságokat.
Az R5 a kimenet rövidrezárásakor megóvja a tranzisztort.
A rajzon vázolt megoldással a visszacsatolásba minden olyan alkatrész be lett vonva, ami a műveleti erősítő után a jelalakot, átvitelt torzítaná, így a tranzisztor nonlinearitása és a fejhallgató impedanciájából adódó átviteli torzulások ki lesznek küszöbölve. Az sem utolsó szempont, hogy ha csak a műveleti erősítő lenne a visszacsatolásba bevonva, akkor az emitterkövetőn kb. 0.6V potenciálkülönbség alakulna ki a kimenet felé, és a kimeneten -0.6V offset lenne, ami mindenképpen kerülendő. A kimeneti fokozatot is magába foglaló visszacsatolás hatására ez az offset is megszűnik.
Értem már, hogy az R3 miért a kimenethez csatlakozik! Nagyon köszönöm a segítséged! Még csak annyi, hogy mennyire jó ez a konstrukció?
Szilva meg is valaszolta a kerdest
Idézet: „Még csak annyi, hogy mennyire jó ez a konstrukció?” Hmmm, erre nehez mit mondani. Mihez kepest mennyire jo? Milyen szempontbol mennyire jo? En amondo vagyok, hogy ilyen es ehhez hasonlo minimalista kapcsolasokkal nem erdemes komolyan foglalkozni. Tanulo erositonek viszont tokeletesen megfelel!
Idézet: „Tanulo erositonek viszont tokeletesen megfelel!” Erre gondoltam én is, köszönöm a segítségeteket!
Tanuló erősítőnek ? Ez egy best buy ( hifi choice 2008 dec.) audiofil fejhallgató erősítő...
Nem tudom miért pont erre esett a választásod de szerintem ne vágj bele, IRF740-el meg pláne. Ekkora végfokot kvázikomplementerben építeni ráadásul védelem nélkül csak pénzkidobás. A párhuzamos fetek meghajtására sem jó ez a megoldás (ha nagy impedanciáról van meghajtva nagyobb frekire nem lesz jó).
Aki ilyen rajzokat közöl a neten előtte gondolkodhatna egy kicsit, vagy vehetné a fáradtságot hogy berajzolja egy szimulátorba és csodálkozik a látottakon
Sziasztok!
Ma lettem kész a 2x30W os erősítőmmel.Doboza már meg van de még nem építettem be, egy régi orosz music centernek volt a trafója abból van a táp kb 2x22V ad le pufferolás után, 2db 10000µF es elkó van bent. Megosztok veletek 1-2 képet, majd ha bedobozoltam akkor is teszek fel képeket.Remélem szívesen fogadjátok. Üdv Tibi
Hali!
Még nem esett rá a választásom. A feteket kapcsolótápokhoz rendeltem (arra pont jók) Milyen kapcsolást ajánlanál 3-400W/8Ohm-ra? Fontos hogy ne legyen egy alkatrésztemető A Baji féle végfokkal és a KD féle 270 -essel milyenek a tapasztalatok?
Ha elég lenne 200W akkor azt mondanám hogy Vf2. 3-400W-ra én egyetlen kapcsolást építenék, a rajza itt is fent van több formában is valahol. Talán PA-300 néven fut de ebben nem vagyok biztos. Mindjárt megkeresem. Találtam 3 verziót, nem teljesen ugyanaz. A 180W-osat építeném magasabb tápfesszel és 4-4db végtranyóval. Elvileg csak a 2db 15k-t kell növelni ha emeled a tápfeszt.
A 200W nem biztos hogy mindig elég lenne. 15"-os bassgitár hangszóróhoz kéne végfok, hogy szabadtéri színpadon is dübörögjön a kombó. Ezért kéne inkább a duplája.
Egy kis 150W-ost már csináltam 10"-os hangszóróval (TDA 7294 híd) és majd építenék egy nagyot is, komolyabb végfokkal és persze szintén kapcsolótáppal. |
Bejelentkezés
Hirdetés |







. Én arra gondoltam, hogy a tranzisztorok kollektora legyen a hangkimenet. A PNP tranzisztor emittere menjen a +V-ra, az NPN tranzisztor emittere pedig a GND-re. Mellékelem ahogy gondoltam, vagy ez csak szimmetrikus tápról oldható meg? 













