Fórum témák
» Több friss téma |
Mielőtt kérdezel, a következő két dolgot ellenőrizd!
I. A helyes tápfeszültségek megléte.
II. A kimeneten van-e egyenfeszültség.
Élesztés.
Hello! Életem kb. második erősítőjét építem tda2052es ic vel, és egy nagyon kezdő kérdésem lenne. Mégpedig az, hogy a rajzon látható comun feliratú pontot az on pontal összekötve szól az erősítő, sby-nál pedig némítva van? Csak azért mert most készülök kipróbálni és nem akarom, hogy füstbement terv legyen.
sziasztok
Megint lenne egy problémám, olyan gondom lenne hogy kiéget nálam egy LT1511-es ic. Nem tudná valaki megmondani a helyettesítőjét. Előre is köszönöm
Itt kapsz másikat. Nem olcsó. De ez miért erősítő?
Bocs.
Nem tudtam pontosan hol lehet ilyet találni hát gondoltam itt valaki biztos tudja
Szia.
Szerintem neked egy autórádiókban használatos végfok ic kell. Ebből van sok. Nézz szét a hestore.hu-n. TDA 1516 Q (BQ) jó lenne neked vagy TDA 1557 Q ez erősebb. Az ic amit írtál nem ismerem, de ha digitális potméter (esetleg) csak bekötöd a sima hangerő poti helyére. A szükséges alkatrészek pedig szerepelnek az adatlapon. Ha nem tudod mi az használd a guglit :gumicsirke:
Üdv.
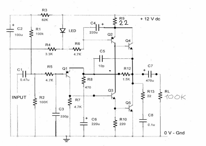
Nekem egy olyan problémám van, hogy vettem egy külső DAC-t a PC-hez, és azt összekötöttem a saját készítésű erősítőmmel. Az erősítőnek szinte semmi alapzaja nincs, még nyitott bemenettel sem, ha pedig rövidre zárom, végképp síri csend. De ha a DAC kimenetére kötöm, megjelenik egy alapzaj, sistergés. A DAC állítólag egyáltalán nem zajos, azok írták, akiknek szintén van. Tehát arra gondolok, hogy az illesztéssel lehet a probléma. Az erősítőm bemenetén nincs pótméter, ez lehet a baj forrása? Marha hangos is a cucc így, még úgy is majd kiszakítja a dobhártyámat, ha a zenelejátszóban 10%-ra csökkentem a hangerőt. Csatolom a kapcsolási rajzát is az erősítőnek, hátha ez segít. S
Udv,
Erdemes lenne egy hangeroszabalyzot tenni a DAC kimenete es az erosito bemenete koze es azzal szabalyozni a hangerot nem pedig a lejatszoban (amit egyebkent erdemes max. kozeli hangerore allitani). Egyebkent a rajzon lathato erosito fejhallgatohoz keszult? Ha igen, es 32ohmos fejhallgatoval hasznalod akkor a kicsatolo ellenallast erdemes lehet novelni, 680µF-1000µF kornyekere. Ha a fejhallgato nevleges impedanciaja nagyobb 32ohmnal akkor maradhat a 470µF-os kicsatolo kondi. Az alapzajt egyebkent valszeg a DAC okozza, de biztosat nem mondhatok latatlanban, elkepzelheto h. valami mas problema van.
Üdv,
én is gondoltam már a kicsatoló kondi értékének a növelésére, mivel valóban 32ohmos fejhallgatót használok. Az a baj, hogy nincs jóminőségű pótméterem, így azon gondolkozok, vajon nem lenne-e jó fix ellenállással terhelni a bemenetet. Belőni úgy, hogy a zaj is jelentősen lecsökkenjen (mert talán ezzel csökkenne), és nem is lenne olyan hangos. Arra gondoltam, hogy egy 2,2k és egy 10k ellenállást sorba kötni, a két szélére rákötni a bemenő jelet, a két ellenállás találkozására pedig menne az erősítő bemenete. Így a DAC kimenő impedanciája (10k) is passzolna ehhez, és a hangerő is jelentősen csökkenne. Ráadásul a poti sem zavarna bele a hangminőségbe. Mi a véleményed erről?
A trafót néztem az leadja az előirt 11voltot. A diódák is rendben vannak. A TDA +Vs és -Vs lábain van feszültség. Amit mondtatok hogy mérjem meg a bemeneti jelet meg ezeket azt nem tudom hogy kell.
Helló, segítenék, de nem találom mi az alaprobléma, a válaszod, meg egy teljesen más hozzászólásra mutat. Szerintem arra gondoltak a fiuk, hogy szkóppal ellenőrizd az IC lábánál, hogy kap e bemenő jelet.
Idézet: „Még anyit lehet hülyeség de ugye be kell lenie kapcsolva az erősítőnek?” Szerinted? Hát persze. Írtam korábban mely lábakon kellene lenni tápfesznek, azokat ellenőrizd, ne mást, ha az megvan lehet tovább menni.
Sajnos nincs szkópom így ezt nem tudom megnézni.
Hozzáigazítottam a számítógépes környezethez az egyik műterhelésemet. Ebben 4 db 24ohm/50W-os huzalellenállás van, amiből 3 fixen párhuzamos, a negyedik pedig hozzá kapcsolom (ha akarom). A fixen párhuzamosaknak a közepe is ki van vezetve, mert ez kell a 4 ohmhoz.
Így "valós" oszcilloszkóp nélkül, egy számítógépes "szkóp-program"-ot használva, az összes itthon lévő erősítőnek megmértem a kimenetén azt a feszültséget, ahol éppen el kezd vágni a színuszjel alja/teteje, és persze mindezt 4-6-8 ohmon. Most már számszerűleg is tudni fogom a tényleges teljesítmény adatokat (igaz csak a tisztán szinuszosat, de viszonyításnak az nagyon jó alap)
Nekem a végfokban 2-2 10k-s ellenállásból van kialakítva feszosztó. Ez feles osztás.
Itthon van 1000µF 10v elko. Az elég oda, vagy inkább nagyobb feszültségűt keressek? 5 volt körül van DC-ben a kimeneten a kondi előtt.
Nem csak viszonyítás képp, ez lenne a normális, mint ahogy régen, DIN.
Idézet: „...a DAC kimenő impedanciája (10k)...” Ez eleg magas ertek, milyen DAC-rol van szo? Ha tenyleg ekkora a kimeno impedanciaja a DAC-nak akkor mindenkepp javasolnek egy egysegnyi erositesu erosito fokozatot (celszeruen muveleti erositovel) aminek nagy a bemeno- es alacsony a kimeno impedanciaja. Ezutan egy hangeroszabalyzo potmetert javaslok ahogy korabban is irtam. A fix ellenallasos leosztas kevesbe jo megoldas mert akkor a lejatszo hangeroszabalyzojat hasznalod pedig annak fix, magas erteken kellene lennie es egy hagyomanyos potmeterrel szabalyozni a hangerot. Ez biztositaná a legjobb hangminoseget. Szerintem vasarolj egy jo minosegu potmetert es azzal old meg a hangeroszabalyzast. Idézet: „Itthon van 1000ľF 10v elko. Az elég oda, vagy inkább nagyobb feszültségűt keressek?” Elvileg eleg, de a tuti biztonsag erdekeben jobb lenne nagyobb feszultsegu, mondjuk 25V-os.
Értem, köszi. Hol kezdődik egy jó minőségű potméter?
A bemeneti jelehez nem kell szkóp.
Úgy sem a jel alakot méred, hanem csak azt, hogy van e jel vagy nincs. Fogsz egy hangszórót lekapcsolsz minden zajforrást a szobában és oda érinted a hangszóró vezetékeit a bemeneti jelre. Ott fog szólni akkor mész tovább és tovább még nem éred el a végfokot. De nagyon kell majd fülelni mivel főleg a bemeneti kondik után már elég halk... Szóval nem kell betojni. :hide:
Hello! Köszönöm érdeklődésedet, szép erőteljes a hangja. A kapcsolást ebben a fórumban találtam 2 verziót is, én már régebbi építő vagyok de ő sikerült a leg profibbra. Van benne DC figyelés, pukkanás védelem, a vegtranyó hűtés 2 lépcsőben az első 40°c nál kapcsol de ha ez nem indulna a második lépcső 50°c nál biztos hogy indít. A vegfetből egy, egy hiányzik belölle egy részt áruk miatt más részt a kétszer 51V nak elég három, három végfet. A kapcsolás nem a KD féle, hiszen nincs benne IC. Hellboy
Kellene egy kis segítség nekem is.
Akarok csinálni egy dudát(ez mellékes) Ehhez egy végerősítőt. 2 telefon akku áll a rendelkezésre azaz 7V töltéssel 8V. Keresgetek az ick közt eddig ezeket néztem ki: TDA1904 / TDA1905 / TDA2822 / TDA2822m / TDA7052. Szerintetek melyik lenne a nyerő egy piezo hangszórónak? Esetleg, ha tudtok hasonló és jobb ict javasolni, akkor szívesen várom. A cél a minél nagyobb hangerő természetesen. :violent: :eeknoes: Kösz.
Erre jó, a kis impedanciás fülhallgató.
Fülhallgató???
Nem azt akarom hogy nekem legyen hangos hanem mindenkinek a környéken legnagyobb hatótávon. (duda révén)
Nem ártana megnézni mire válaszoltam, akkor még értenéd is.
Igen így már értem
![]() Kicsit még fog a másnaposság bocsesz... :banplz:
Sziasztok!
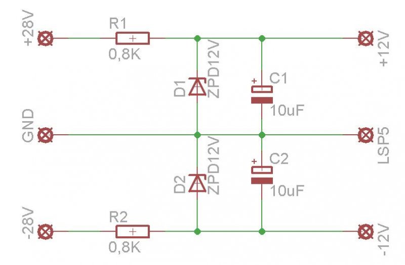
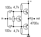
Megnézné valaki, hogy így jó-e ez a bekötés(mélynyomóba lenne)? Csatoltam egy zener diódás stabilizátort. Az lenne a kérdésem még, hogy ez megfelelő lenne a TL072-es szubszűrő kapcsoláshoz(csatoltam ezt is)? Köszi szépen!
Van ez így nálam is. :idiota: nincs azzal gond. Vizuálisan elképzeltem, hogy fülhallgatón nyomatod a dudát magadnak.
Ha úgy is jó, akkor 7812-7912 párral csinálom, csak olvastam olyanokat, hogy ezeknek az IC-knek sok a 28V amit kapnának. A kondikat, amiket írtál azokat ilyen sorrendbe kell tenni az IC-k után?
Bocsi a sok kérdésért, de szeretném jól megcsinálni. |
Bejelentkezés
Hirdetés |











:hide:







