Fórum témák
» Több friss téma |
- Ez a felület kizárólag, az elektronikában kezdők kérdéseinek van fenntartva és nem elfelejtve, hogy hobbielektronika a fórumunk!
- Ami tehát azt jelenti, hogy a nagymama bevásárlását nem itt beszéljük meg, ill. ez nem üzenőfal! - Kerülendő az olyan kérdés, amit egy másik meglévő (több mint 17000 van), témában kellene kitárgyalni! - És végül büntetés terhe mellett kerülendő az MSN és egyéb szleng, a magyar helyesírás mellőzése, beleértve a mondateleji nagybetűket is!
Köszi! MÉg egy kérdés és kapod a pontot, ugye az 1000 uf és a 100uf az fóliakondi a 100nm az is vagy az mi ?
Szívesen.Valójában a 1000µF és a 100µF elektrolyt,a 100nF(nanofarád) az fólia.(Oldalasan van írva...)
Máté.
Köszi nagyon bocsi elnéztem.
Szívesen.Köszönöm a pontot! Még valami:Használd a "Válasz" gombot,ha nem új kérdést teszel fel!
Máté.
Sziasztok.
Valaki el tudná nekem magyarázni hogy hogyan kel értelmezni a kapcsolási rajzokat.(még kezdő vagyok)
Üdv.
Ez egy kicsit tág fogalom...Milyen kapcsolási rajzot? Máté.
Hello mi a küldömbség az smd és a sima ellenállás között ? előre is köszi a vállaszt.
Hali!
Akkor kezdjük:SMD és a sima ellenállás között gyakorlatilag a méret a különbség.A HF erősítő:Aranyos kapcsolás,nekem is ez volt az első erősítőm.Javaslom nézd meg az IC adatlapját,az sokat segít.De a lényeg:Van két bemenet(6,7),a felőső(sztereo) ezt ki is használja.A másik egy mono,ez hídba van kapcsolva.A harmadik dolog...Ez egy mikrofon erősítő?Ha igen,akkor a transzisztorok erősítésére alapul,van cikk itt az oldalon is. Remélem tudtam valamit segíteni:Máté.
biztos megértem egyszer. mivel még csak 12 éves vagyok nem sokat értek belőle
csak van egy volki tolkiból kiszedett mikrofonom és ahoz akartam 1 erősítőt építeni
http://www.hobbielektronika.hu/forum/topic_1644.html?pg=8&pcount=30...er=ASC
itt vannak képek a mikrofonról
Akár hiszed,akár nem,én 2 évvel vagyok idősebb és minden tudásom innen szereztem
Durván fél éve foglalkozom a dologgal,de ne csüggedj el,majd belejössz.Egyébként javaslom az általad másodjára linkelt kapcsolást.első látásra jónak tűnik...Máté.
sziasztok.azt szeretném kérdezni hogy, van 1légpárnás csónakom ami 27mhz de nincs saját távirányitója meg.viszont van 1 carson tip. 4csatornás 35mhz távirányitóm.össze lehetne hangolni? ha igen akkor hogyan? válaszotokat előre is köszönöm.
Üdv.
Én csak 1 évvel vagyok időssebb nállad de már régóta érdekel a téma(mármint az elektronika)! Bár még nem építettem jelentőset de értem mi micsoda! Haveroktol és apámtol tanultam mindent de most hogy ugy egy hónapja itt böngészgetek kétszeresére nőtt a tudásom! Azt ajánlom olvasgass és próbálgass! És sok sikert a mikrofonerősítőhöz!
Szia!
Vegyél egy 27 MHz-es kristályt, és cseréld ki a 35 MHz-est. Remélhetőleg, így működni fog. Üdv.: mate_x
Üdv.
Én már próbálkoztam ilyennel és nem volt teljes a siker(nem azt csinálta amit kellett volna)!
Ez így nem fog menni. Az adó és vevő hangolt köreit is át kell hangolni (cserélni)
De miért nem a modellezős topikok egyikében tetted fel a kérdésed, ez amúgy sem kezdőknek való feladat.
Köszi. most már a mikrofont is máshogy csinálom 1 kapcsolási rajz alapján
Sziasztok van egy Orion Vestel 2602 típusú DVD lejátszóm ,melyben kicseréltem a táprészben a tny 267p típusú IC-t ,mert el volt szállva ,a probléma következő: az IC már megint meghalt(elfüstölt), és nem értem miért.
Nem én tettem fel a kérdést csak válaszoltam!
Bocs, gondolom mindenki elolvassa akit érint.
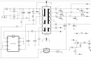
[OFF]Brutál egy kapcsolási rajz! Kissé zavaros.De nem annyira,mint az orosz.
Csak a táprészt nézd az 5. oldalon.
Szia!
Valameddig jó volt az új IC-vel, vagy rögtön elpusztult a TNY? Az optocsatoló, a diódák , kondenzátorok is rosszak lehetnek az IC-n kívül. Az érdekes rész a csatolt képen. De talán valamelyik DVD-s topicban kellene folytatni
Ment úgy öt percig ,aztán elfüstölt.
U.I.:Hogy jöhetek rá ,hogy mi a rossz?
Az optót mérés nélkül cseréld, a többit általában méréssel kiszűrheted. A szekunder oldali elkók is lehetnek rosszak!
Ok köszi a segítséget.
|
Bejelentkezés
Hirdetés |





Durván fél éve foglalkozom a dologgal,de ne csüggedj el,majd belejössz.Egyébként javaslom az általad másodjára linkelt kapcsolást.első látásra jónak tűnik...

