Fórum témák
» Több friss téma |
Fórum » Központi fűtés (vezérlés)
Témaindító: farago_bme, idő: Aug 29, 2010
Témakörök:
Sziasztok,
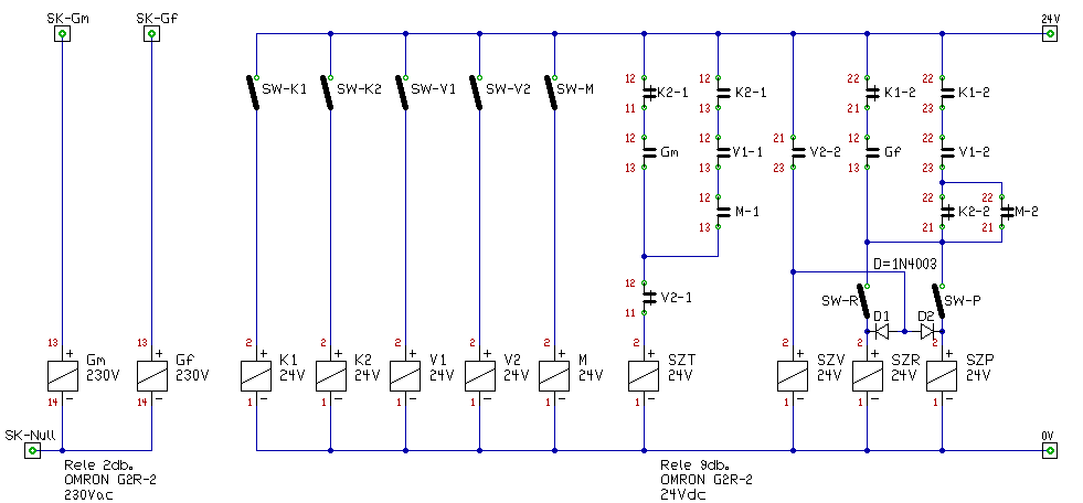
Segítségeteket illetve tanácsotokat szeretném kérni az alábbiakhoz: Egy központi fűtés vezérlést szeretném összeállítani. Van egy gázkazán, egy vegyes tüzelésű kazán és egy indirekt tároló. A cél az lenne, hogy a gázkazán vezérlését kiegészítsem egy olyan vezérléssel, ami a vegyes tüzelésű kazán jelenlétét is figyelembe veszi. A gépészeti részét a szakik megoldották, most már "csak" arra lenne szükségem, hogy a különböző érzékelőkből származó bemeneti jelekből előállítsam a kimeneti jeleket, amik gyakorlatilag a fűtési rendszer szivattyúinak indítását/leállítását jelentik. A bementek szobatermosztátok, csőtermosztátok és egyszerű kapcsolók feszültségmentes kontaktus jelei + a gázkazántól érkezik 2db 220V-os feszültség jel (Gf, Gm). A kimeneti jelek 4db 220V-os szivattyú indítását/leállítását kell hogy ellássák (SZt, SZv, SZr, SZp). Eredetileg arra gondoltam, hogy relékkel oldom meg a problémát, de a bemenetek leképzése kimenetekre relék segítségével már túlzottan kacifántos kapcsolást eredményezne. A logikai szabályok: 1. SZt=( (K2 && M && V1) || (Gm && !K2) ) && !V2 2. SZv=V2 3. SZr=(Gf && R && !K1) || (K1 && V1 && (!K2 || !M) && R) || V2 4. SZp=(Gf && P && !K1) || (K1 && V1 && (!K2 || !M) && P) || V2 ,ahol ÉS: && VAGY: || Negálás: ! Az lenne a kérdésem, hogy tudnátok-e ajánlani valamit a fenti problémára? Minden ötletet szívesen veszek. Előre is köszönöm!
PIC vagy ATMEL, kimenetek SSR-el, bemenetek optóval leválasztva.
Vagy felhasználsz egy marék logikai IC-t. Minden műveletre van típus. Kicsit a panelt meg kell tervezni ennyi dolognak de nem vészes főleg, hogy egy olcsó logikai IC-ben nem csak 1 kapu van.
De ha megy a programozás akkor egyszerűbb azzal mint az előbb felvázolt favágó módszerrel. Viszont mindkettő működőképes.
Sajnos nem tudok mikrovezérlőt programozni és a nyáktervezéshez sem értek.
Hallottam már programozható reléről...azzal nem lehet mindezt megoldani? Ha lehet akkor tudnátok ajánlani valamit?
Az a baj szerintem te is látod, hogy itt logikai összefüggések vannak, mivel még te írtad fel őket. Meg is kérhetsz valakit, hogy elkészítse. Viszont szerintem az én megoldásom kezdőnek egyszerűbb mint programozni, főleg, hogy ahoz még kell pár eszköz is. Persze teljesen primitív elemekre is le lehet bontani de ez már tényleng értelmetlen. Nem nehéz logikai ic-vel dolgozni. Megnézed a lábkiosztást és ugyan azt létrehozod mint amit felvázoltál. CMOS és TTL-be is kapsz nekedvaló kapukat.
Itt van minden ami kell és adatlapok is
Hali,
Jól hangzik az amit írtál. Annó digitális technikából tanultam a kapukról, karnaugh táblás egyszerűsítésekről...stb. De a baj az, hogy mindent csak elméletben. Tudom nagyon primitív kérdések, de a következők merültek fel bennem: - az IC-ket katalógus alapján kiválasztom és megveszem, ez ok - az IC-ket gondolom valamilyen nyák panelre kellene illeszteni. Még sosem készítettem ilyet, hogyan kezdjek hozzá? Van erről leírás? - és végül a legnagyobb problémám: hogyan alakítsam át a logikai áramkör kimenetét a szivattyúk működéséhez szükséges 220V-os értékké? Köszi!
Szia!
Nyákkal kapcsolatos kérdésekhez itt van ez a topik. Biztos sok helyen van az oldalon az utolsó gondodra is megoldás de most kapásból erre nem tudok topikot úgy, hogy egy elvet elmondok és majd bővebben rákereshetsz. Na szóval a logikai áramkörök kimenetére illesztesz egy tranzisztort majd ezzel egy relét működtetsz. Nagyon tömören így. Majd biztos még itt okosabbak fognak véleményeket mondani.
Ha PIC vagy ATMEL ill NYÁK tervezés nem megy akkor az általad kért programozható relék: Telemechanique-Zelio SR2 sorozat, van belőle 230V-os relés kimenet, kb 35e Ft.
Siemens-LOGO, Möller-Easy, Omron ??, most többet nem tudok. Bármelyikkel meg tudod oldani. Én a Zeliot javaslom, rengeteget használtam már gond nélkül. Kézzel is be tudod pötyögni a progit, meg letölthető szimulátor is van hozzá. Schneider honlaopn megtalálod mint ZelioSoft2 v4.3. Ezekkel szinte mindent meg lehet oldani. A legkisebb Zelionak pont 4 kimenete van. Cos fi 1 esetén 8A tud kapcsolni a relés változat.
Bővebben: Link Szerintem az egyik legolcsóbb. Igaz lassú, buta egy omronhoz, siemenshez képest, de ilyen pofonegyszerű dologra nem is kell több. És csak a felébe, harmadába kerül azoknak. A mostani árat nem tudom, de ha kijelző nélkülit veszel tizenvalahány ezer volt csak. A programozása is grafikus felületen történik, csak le ell rakosgatni a kapukat,számlálókat, stb és összekötögetni.
A ZELIO programozható PLC-k áttekintése után azt hiszem ezt a vonalat szeretném továbbvinni.
Találtam is egyet, ami árban is és tudásban is megfelelő: ZELIO SR1 B201 FU. A probléma az, hogy nincs hozzá leírás és a neten sem találtam róla bővebb infokat (pl.: programozható-e PC-ről...stb). Ha esetleg ebben még tudnál segíteni azt megköszönném.
Azt hiszem sikerült választani.
Valóban a DialComp-os mini PLC-k a legkedvezőbb árúak és úgy tűnik, hogy a programozásukhoz is bőven elegendőnek bizonyulnak a régi digitális technika emlékeim ![]() Konkrétan a FAB AF-20-MRA típust szeretném megvenni. Ennek tápellátása AC 100V-240V, 12 digitális AC bemenettel és 8 relés kimenettel van felvértezve. Így még némi tartalék is lesz a későbbi bővítésekhez (napkollektor...stb). Már csak 1 dolog van amit nem értek: A használati útmutató egyszer azt mondja, hogy a kimenetekre max 10A terhelés helyezhető, egyszer pedig azt mondja, hogy max 0.24mA. Mellékelem az útmutató 10-11. oldaláról kivágott ábrákat. Legyen szíves valaki hozzáértő nézze meg, hogy mit értek félre! A kimenetekre a fűtési rendszer szivattyúit szeretném csatlakoztatni. Remélem ezeket közvetlenül lehet csatlakoztatni? Köszönöm!
Hello!
Kissé félreérthető a leírás (jó szakszerű fordítás..) De amit írsz, (ha megnézed a táblázat tetejét), a bemenetről szól. Kissé bénán, de szerintem a bemenet terhelőárama van megadva, különböző feszültségnemű bemeneti típus esetén. Tehát ha váltakozó feszültségű a bemenet, akkor ez kisebb mint 0,24mA @80Vac, ha egyenáramú a bemenet, akkor kisebb mint 3mA @10V. A meghajtó kimenet terhelése, amennyiben a kimeneti meghajtó tranzisztor, akkor nem lehet több mint 2A, ha relés a kimenet, akkor ohm-os terhelésnél 10A, induktívnál 2A. üdv! proli007
Bővebben: Link
Ezen a linken ott van minden. Olvass!!! PC-ről programozható természetesen (pl a funkcióblokkos megoldás csak ugy él, a létra pedig programozó kábel nélkül is). A programozó szoftver ingyenes, csak a kábelt kell megvenned vagy elkészítened adott esetben. Ha létra diagramban programozod akkor kábel sem kell, előlapról beírhatod a programot.
A végleges választás a DialComp FAB PLC-re esett!
Köszönöm szépen mindenkinek a segítséget!
Hello!
Csak megnyugtatás képen, hogy relével is megoldható a probléma.. :yes: Ha másra nem, funkció ellenőrzés gyanánt megfelelő, hogy tényleg ezt a logikai hálózatot szeretted volna vagy sem. (Természetesen kissé átrendeztem az "egyenletet". Nem tudom mi micsoda, de nekem V2 működése kissé gyanús..) üdv! proli007
Hali!
A V2 egy csőtermosztát, ami akkor jelez, ha a vegyes tüzelésű kazánban lévő víz hőmérséklete elért egy kritikus pontot (100 celsius). Ilyenkor minden fűtési kör szivattyúja elindul (padlófűtés + radiátoros fűtés) és a HMV kör leáll. Egyébként a jelek feloldása: SZt : HMV tároló szivattyú SZv: "vész" szivattyú SZr: radiátor kör szivattyú SZp: padlófűtés kör szivattyú Gf: gázkazán fűtővíz elkészült Gm: gázkazán HMV fűtő víz elkészült R: radiátor kör szobatermosztát P: padló kör szobatermosztát V1: vegyes kazán fűtési hőmérséklet kész V2: vegyes kazán túlfűtés K1: kapcsoló, a fűtést a vegyes kazán végzi K2: kapcsoló, az indirekt tárolót a vegyes kazán fűti M: indirekt tároló jelzi a hőigényt a vegyes kazánnak Továbbra is félek attól, hogy a keringető szivattyúkat ráköthetem-e közvetlenül a kimenetre. A forgalmazó az alábbi tájékoztatást adta: "A kimeneti relék terhelhetőség 10A, de csak ohmos terhelés esetén. Induktív (motoros) terhelés esetén javasolt mágneskapcsoló használata. Kis teljesítményű (1-2A) szivattyút ugyan kapcsol a kimenet, de esetleges meghibásodás esetén a PLC-t kell cserélni, nem csak a kapcsoló elemet." Azt tippelem, hogy egy cca. 30W-os keringető szivattyú elég kicsi teljesítményű ahhoz, hogy ráköthessem közvetlenül a kimenetre. Ha ezt megerősítené valaki, azt nagyon megköszönném.
Hello!
"Kis teljesítményű (1-2A) szivattyút ugyan kapcsol a kimenet, de esetleges meghibásodás esetén a PLC-t kell cserélni, nem csak a kapcsoló elemet." " Nem kell a forgalmazót olyan komolyan venni. Ez a kijelentés, csak rá vonatkozik. (Ami számukra tényleg egyszerűbb és ráadásul költségkímélőbb is.) Mert ez csak akkor lenne igaz, ha az egész ki lenne öntve valami löttyel. De szerintem nincs. Ha megkérdezted volna, milyen típusú relé van a kimeneten (amit szerintem elég helytelenül, nem tudnak kapásból megmondani, de ne legyen igazam..), akkor lehetne volna normálisan tájékozódni a kapcsolóeszköz műszaki paramétereiről.. De nézd meg ezt az OMRON relé adatlapját, mit mond a kontaktusról. Ohm-os terhelés esetén 5A, induktív esetén 2A. De a cosfi 0,4-re van megadva, mely hellyel közzel a legrosszabb helyzet. Ha megnézed a motor adatlapját, ettől biztos nagyobb. És lehet (érdemes is) "zavarszűrő" RC elemet alkalmazni párhuzamosan a kontaktussal, ami egyben növeli is a kontaktus élettartamát . Ami egyébiránt 10,000-re van garantálva. De mit mond erről a PLC gépkönyve?.. Úgy hogy én nyugodt szívvel rákötném a szivattyúkat. Nem tudom megnézted-e a relés tervet, a fizikai megvalósítás, még egyszerűbb is mint a logikai terv volt.. üdv! proli007
Hali!
Nyugodtan rákötheted, csak rakj mellé ívoltó RC tagot. Egyébként a legtöbben relé van, amit lehet cserélni. Éppen ma hoztak hozzám egy Zeliot ami már 8 éve napi szinten megy(még régi SR1-es). Présgép vezérlés lett vele megoldva. 1 relé ment tönkre, de kicseréltem az összeset + maradt tartalék, 4500Ft volt, és megy tovább. (több mint 4 milla kapcsolás) A forgalmazónak persze, hogy az az érdeke hogy eldobd, de ha lehet én is olcsóbban megcsinálom, és mindenki jól jár, kivéve a forgalmazót.
Bocs az OMRON link helyett az előző idézet szövegét raktam be.
ha mini PLC veszel, akkor előtte kérdezz rá a programozó vezetékre is: mennyibe kerül és hogy esetleg HW kulcsot vagy valami turpisságot nem raktak-e bele. Én egy Zeliot programoztam anno, a kábelt egy havertól kaptam, aki a Schneidernél dolgozik, ő úgy mondta, hogy nem egyszerű a koppintása. Azt tudom, hogy a megszerkesztett program (FB be csináltam) paramétereit tudom változtatni a kijelzőn keresztül, de arra nem emlékszek, hogy a kijelzőn keresztül új elemeket is fel tudok-e venni.
Kábelt is vettem hozzá. Már ki is próbáltam és a PC-n megtervezett logikát gond nélkül át tudtam vinni a PLC-re. Frankón működik.
Köszi!
Hello!
Érdeklődnék, hogy valaki tud-e felvilágosítani egy Danfoss ECL 9600 időjárásfüggő vezérléssel kapcsolatban? A magyar Danfoss oldalon nincs is ilyen típus.
Sziasztok!
Egy fütésvezérlés megoldására kérem a segítségeteket. Adott egy Viessmann gyártmányú Vitopend 100-as kazán, valamint két (emeleti és földszinti) radiátoros fütésű kör, külön-külön termosztáttal. Emelett három (két konyhai, valamint egy fürdői) padlófütéses kör, ugyancsak két termosztáttal(értelemszerüen egy-egy). Ez az elképzelés. De: 1. A radiátorköröket jobb volna-e megoldani időjárásfüggő előremenő-hőmérsékletszabályozással? 2. A padlófűtést pedig állandó hőmérsékletre? 3. Milyen típusú szelepek váltak be ilyen esetben a padlófűtéshez, vagy mi az ajánlott? 4. A padlófűtés két körére hogyan lehet bekötni a padlófűtéstermosztátot? (valamint az ehez tartozó termohidraulikus szelepmozgatókat, ami egyelőre nekem zulu-ul van, azt sem tudom mit tudnak pluszban . Nagyon köszönöm, ha veszitek a fáradságot, és adtok ötleteket. üdv. peterka
Szia!
Itt is fűtéssel kapcsolatos dolgokról van szó. Amit kérdezel nem elég világos mit is szeretnél valójában. A padló csak temperáljon, vagy azzal is fűteni akarsz, mert a teljesítmények úgy vannak kiszámítva? A vezérléssel nem biztos, hogy megoldódik a szabályozás a körök nagyságának ismerete nélkül.
Szeretnék tervezni egy olyan szabályzást ami: külső és belső hőmérséklet alapján kapcsol be/ki egy fűtőegységet.
Egy ház kiegészítő fűtés szabályzója lenne ez az egység. A ház alapból fatűzelésű vízmelegítős radiátoros megoldással van fűtve, ez csak kiegészítésként kellene, ha pl.:nincs otthon senki v. este kialszik a tűz, vagy marhára hideg van és kell egy kis plusz hő. Fűtőegységnek egy olajradiátort vagy hősugárzót tudok elképzelni. A külső és belső hőmérséklet mérését egy-egy I2C-s hőmérő IC-vel oldom meg. A segítségeteket a szabályzástechnikai meggondolásoknál kérném. Hogyan kell leírni, modellezni ebből a szempontból egy problémát? Gondolom valamilyen időzítéseket kell kiszámolni 2 változó alapján (külső, belső hőmérséklet), hogy a hőntartásnál mennyi ideig legyen ki-, bekapcsolva a fűtés; mikor kell kikapcsolni a fűtést, hogy a hőmérséklet ne fusson túl az előre beállítotton, ha a pl.:olajradiátor kikapcsolás után még leadja a maradék hőt. Azért szeretném mérni a külső hőmérsékletet is, mert ezt szűkségesnek gondolom a ház hővesztése szempontjából, vagy ha pl.:szellőztetés miatt leesik a belső hőmérséklet, akkor nehezebb újra bemelegíteni ha kint hideg van. PIC-el szeretném megoldani a feladatot és azt hiszem nagy fába vágtam a fejszét, ezért kérem a hozzáértők segítségét.
Ha jól értem te egy olyat akarsz hogy ha a szobában teszem aszt 20C°alá esik a hömérséklet akkor bekapcsoljon az olajradiátor és ha 25C°-ot eléri akkor kapcsoljon ki?
Olyat szeretnék, hogy állandó hőmérsékletet tartok a rendelkezésemre álló adatok figyelembevételével
Egyrészt teljesen felesleges a külső hőmérsékletet figyelni, mivel egy olajradiátornak amúgy is elég nagy a hiszterézise, bőven elegendő lenne, szerintem, neked egy mezei termosztátra rátenni, egy 15 Amperes relét és az kapcsolgatná az olajradiátort. Mivel ez csak egy készenléti megoldás, nem kel feltétlenül processzor hozzá. Másrészt a külső hőmérséklet kompenzáció sem egy egyszerű dolog, tartalék rendszerhez meg azért nem érdemes használni, mert ahhoz, hogy lassabban vagy gyorsabban fűtsön föl, ahhoz PWM-el kellene szilárd test relét vagy nagyáramú triakot vezérelni, ami itt felesleges pénzkidobásnak tűnik.
|
Bejelentkezés
Hirdetés |








