Fórum témák
» Több friss téma |
Miért? Ott nincs GND? Milyen rajzot néztél?
De van ottis gnd a 2db 10000mikros kondi között
Szia elküldtem arajzot ,csak nem rajzoltam rá astabilizált áramköröket ez egyszerübb kapcsolás.erre gondoltam ha jo .légyszives a stabilizált részt rjzold rá .légyszives 1 ldet is beletervezni a kapcsolásba köszönöm
A stabilizált tápokhoz inkább használj kisebb szekunder-feszültségű trafókat, mert a stab. IC-k számára túl nagy ez a bemenő feszültség.
sziasztok,ha valaki tud segitsen,2db gpa 300-m végerősitő modult szeretnék hidba kötni.a gyárto szerint birja,ugy van megtervezve.ha valaki tud küljön rajzol.pzitiv és negativ jelekkel,és alkatrészek értékeivel. köszi sziasztok
Vagy elkezded használni a nagybetűket, szóközöket, írásjeleket, vagy hideg lesz egy darabig!
Nem először van rád szólva! Használj írásellenőrzőt, ha máshogy nem megy.
Ha van pl. egy 2x12v/5A trafóm az egyenirányításhoz hogyan kell válasszak diódahidat és szürőkondenzátort? Mit kell figyelembe vegyek?
Lehetőleg nagyobbat válassz, minimum 8 Ampert ajánlok most így fejből... az nem fog melegedni, de érdemes rácsavarni legalább a dobozra amibe készül (ha fémből lesz)
Ez a diódahíd jó lenne neked szerintem KBU805 Szűrőkondenzátornak legalább +30-50% magasabb feszültség bírással. Adott esetben oldalanként 12V*1.414=16.9V lesz. Ajánlom ezt:2db ilyen kondi 25V-10000uF Ezzel jó dinamikus hangzást érsz el
Sziasztok.
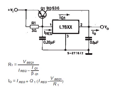
A TDA2030-as, 2x15W végfokhoz szeretnék tápegységet csinálni.Arra gondoltam, hogy 7812-essel oldanám meg, de legalább 3A re lenne szükségem.Meglehetne ezt oldani? A katalógusban találtam rá kapcsolást.Csatoltam a képet a kapcsolásról.Segítene valaki a szükséges adatok kiszámításában? Egy másik kérdés 12VAC egyenirányitva elég lesz neki? Köszönöm
Szia!
Próbáld meg stabilizátor nélkül megcsinálni. Jobb lesz, ha közvetlenül a pufferkondiról táplálod, ennek az IC-nek nem kell stabilizált áramforrás.
Sziasztok!
A segítségeteket szeretném kérni, mégpedig egy kapcsolási rajzra lenne szükségem; ha valaki eltudná nekem küldeni mail-ben, nagyon megköszönném. Azért kérem mail-ben, mert sajna nekem jelenleg nincs netem, és ritkán jutok netközelbe. Erre lenne szükségem: Philips 22AH682 típusú rádiós erősítő/22 Nagyon szépen köszönöm! És ide várnám: Email
Ennyit találtam róla. Bővebben: Link
Köszönöm Doncsonak, és mindenkinek, aki segíteni tud.
A pontokra, vesszőkre, tagolásra is picit jobban figyelj légy szíves, legközelebb!
Az e-mail címet pedig nem célszerű közvetlenül megadni, mert rengeteg spam-et fogsz kapni. Erre célszerű az E-mail gombot használni a hozzászólás-író ablakban.
Sziasztok!
Mélynyomót építek és ahhoz terveztem a kapcsolást. A K1 és K2 -be lesz vezetékkel forrasztva két 34000µF/55V-os Siemens kondenzátor. Az egyenirányítót 25A-esre terveztem. Szerintetek ez így jó? Köszi
A kapcsolási rajzot nézve jónak tünik.
Ja és a trafó az egy 130W-os sokkivezetéses trafó, de én a szimmetrikus 20V~ kivezetéseit használom.
Sziazstok.Megfelelő,65-vos tápegységhez,a 80v-os kondi.Mennyi szürés kell,2db 10000uf-s jo.Sajnos mindenki,2x60000uf-st javasol.Kérlek segitsetk.Kjdjetek rajzot.A schmied3@freemail.hu cimre.KÖSZÖNÖM.
Hali.
Milyen erölködőhöz lesz a táp? Ha +/-65V -os lesz (kb 200W/8 Ohm / csatorna), akkor szerintem elég a 2x 10.000 uF. A gyári cuccokban sincs több puffer, pl Dynacord PAA 880-ban (2x400W/8 Ohm R.M.S.) 2x10.000 µF/100V van és +/-85V-ról megy. A trafó a lényegesebb, nem árt túlméretezni :yes:
Szia.2x200w-os 8 ommos erősitőbe.600VA-s trafo megfelel.Vagy negyobb.Mekora,jo a 80v-os kondi.2x45v-os trafo kell.
Sziasztok.Valaki tud valamit.A GPSWS 1-M tápegység modulról.4 db 10000uf-s kondi van rajta 80v-os.Birja a 2x45voltot.Mert semmi müszaki leirása nincs.A gigasound forgalmazza. :nezze:
Az erősítők mennyire szeretik az akkumulátorokat? Elméletben azok a legjobbak mert 0 zavar zaj, és hatalmas áramot is felvehet ugye?
Itt már korábban elindítottam egy gondolatot, ami akkor meg is oldódott.
De most ismét tápegységre lesz szükségem, ami funkcionalitását illetően túlmutat az előfokozatokon, ezért választottam ezt a fórumtémát. Itt a HE-n nem találtam külön témát (talán érdemes lenne nyitni "Kis-zajú és kis-impedanciás tápegységek, előfokozatokhoz" címen), de más fórumokon szintén felmerült a kérdés sokszínűsége. Olyan tápegységet keresek, ami +-15V-os kimenő feszültséget tud produkálni. Senki ne legyintsen, mondván erre számos megoldás van, mert itt most egy kimondottan kisáramú, hangfrekvenciás célra készült kapcsolásokat (phono előfok, RIAA, előerősítő, hangszín, EQ, hangváltó stb.) kiszolgáló egység létrehozása a cél. Ez biztosan túlmutat a 78xx lehetőségein. Ez a két link ébresztette bennem a kétségeket, nagyon tanulságos belenézni. Link1lLink2 Adódik a kérdés. Műszakilag melyik megoldástól várható a legjobb eredmény. A kapcsolások látszólagos bonyolultsága itt nem számít, mert filléres alkatrészekről van szó, de mindenképpen érdekes, hogy a különböző elemek (alkáli, NiCd, Savas aksi) rosszabbak mint a tápegységek. Tahát mit javasoltok nekem? a. LM317/337 páros, hidegített ADJ lábbal b. ugyanez, csak kiegészítve egy söntszabályzóval c..TL431+söntszabályzó a kimeneten d. sima zéner+áteresztőtranyó e. és amit én tettem hozzá, a jó öreg (de nagyon kis ügyes) LM723-as stabilizátor f. esetleg valami egészen más, már kipróbált, jól bevált kapcsolás
kihagytam a felsorolásból a diszkrét elemes szabályozást, mondjuk valamilyen diferenciálerősítővel vezérelt áteresztőelemmel.
Mint tudod, nem egy ász vagyok ebben a témában, csak építek, és nem mindig értem azt amit megépítek.
Tapasztalatomat tudom leírni, méghozzá az LM317 javára. Anno készítettem a HFM 1. RIAA korrektorhoz tápegységet. Első körben egy zener stabilizált tápot, természetesen azzal zúgott, búgott, minden baja volt, aztán jött 78XX csak az IC, azzal is búgott, majd LM317, meghozta a várva várt eredményt. Mellesleg ezzel az IC-vel épített tápjaim mind kivétel nélkül atom és bolondbiztosak voltak. Semmi tápból eredő zaj és csak teszi a dolgát. Ha jól emlékszem egy kutya közönséges LM317 kapcsolásról volt szó akkor, semmi extra benne, és az úgy ahogy van megfelelő volt mindenre. Már ha egyáltalán erre vagy kíváncsi.
Szerintem nem biztos, hogy a diszkrét elemes szabályzáshoz kell a diff erősítő, a BEAG (professzionális) erösítőiben volt a tápágban az előfokozatok felé haladva 1 - 1 ilyen áteresztőtranzisztoros fokozat, csak mint szűrőnek használva. A tranzisztor erősítése elég nagy hogy 10 - 20 dB -t csillapítson váltóáramúlag.
Nagyon kényes helyekre lehet (szoktak) használni 2-2db stabilizátort egymás után, az elsőt magasabb feszültségre állítva!
Köszönöm a válaszokat.
Az LM317 valóban ígéretesebb mint a 78xx széria, de azért nem alapvető a különbség. Itt beszúrtam két linket, amikben elég sok érdekesség van (többoldalasak, amit én is csak másodszorra vettem észre), és megjelenik a stabilizátorok után egy "söntszabályzó". Ez állítólag további 20db-t jelen pl. a zajelnyomás szempontjából. Aztán az már egy más kérdés, hogy szükség van-e erre, de mivel 1db tranyó (kb. 20Ft), nem hinném, hogy érdemes vele spórolni, főleg ha tényleg jó. Nem bírom az angol nyelvet, ezért csak találgatok a cikket illetően. Nem világos nekem, hogy milyenek a feszültségviszonyok a két "fokozat" között. Úgy tűnik, hogy a söntszabályzónak a bemenetén azonos a feszültség a kimenetén lévővel. Jól gondolom ezt?
Megtaláltam azt a linket, amit kerestem a témához, csak nem emlékeztem hol olvastam. Bővebben: Link
Ebben van a "söntszabályzó" ötlete. Mi a véleményetek erről. (Ha lesz egy kis időm, akkor összerajzolom nekem mi jött le az egészből). |
Bejelentkezés
Hirdetés |




Ez a diódahíd jó lenne neked szerintem









