Fórum témák
» Több friss téma |
- Ez a felület kizárólag, az elektronikában kezdők kérdéseinek van fenntartva és nem elfelejtve, hogy hobbielektronika a fórumunk!
- Ami tehát azt jelenti, hogy a nagymama bevásárlását nem itt beszéljük meg, ill. ez nem üzenőfal! - Kerülendő az olyan kérdés, amit egy másik meglévő (több mint 17000 van), témában kellene kitárgyalni! - És végül büntetés terhe mellett kerülendő az MSN és egyéb szleng, a magyar helyesírás mellőzése, beleértve a mondateleji nagybetűket is!
Sziasztok!
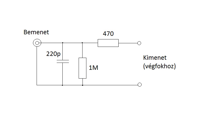
Van egy régi erősítőm, melynek bemenete még 150mv-ra van tervezve. Milyen értékeket kell módosítanom hogy kb 0,75v-ot tudjon kezelni? Mert most jelenleg túlvezérli az erősítőt magasabb hangerőn, ha visszaveszek a bemenő jelből (számítógépről megy a zene), akkor jó. Csatolom a bemeneti részt.
Sziasztok.
Tudja e valaki,hogy az autóriasztónak a távirányítóját ami rádiófrekis miként lehet meg nézni,hogy ad e jelet kifele vagy nem. A ledje világít dehogy jelet ad e azt nem tudom,mert nem reagál rá a riasztó így lehet hogy az halt meg,ezért lenne jó tudni,hogy a táv működik e. Előre is köszi.
Hello! Kicsit alakítsd át. üdv! proli007
ok. Az javaslatot az új témára még meggondolom
Köszönöm, megpróbálom így. Esetleg nemlehetne hogy az ellenállások értékét kelljen csak módosítani? Mert a 22k ellenállást nemtudom elé tenni, nincs hely, de megoldható végül is. Az meg egyszerűbb lenne ha csak ellenállásokat kéne cserélnem.
Hello!
Nem. Ez a két ellenállás egy feszültség osztó, az eredeti, pedig egy soros gerjedésgátló (470), és egy bemenet lezáró ellenállás (1M). De mi a gond? A 470ohm-ot kicseréled 22kohm-ra, a kondi meg az 5,6kohm egyik fele a GND-re megy. Az elfér szerintem bárhol a nyákon. Csak átrakod a volt 1MOhm lábát, a volt 470kohm után.. Egyszerű ez mint a faék! üdv! proli007
Ó, tényleg
. Köszönöm, így lesz megoldva.
Sziasztok. Milyen hangszóróval lenne érdemes hi-fi hangfalat építeni? Az erősítő 100W-ot tud 8Ohm-on, tehát a mélynyomónak legalább olyan 120-150W-ot kell bírnia. Olyan mélynyomó kellene aminek jó az életartama, nagyobb hangerőn sem torzít és az elfogadható árkategóriába tartózik. Tudtok ilyet? Köszi előre is!
Köszi. Érdekes a keresésnél nem is dobta ki ezt a topikot.
Sziasztok! Múltkor kérdeztem, hogy mért nem jó az alábbi kapcsolásom: http://www.hobbielektronika.hu/kapcsolasok/files/467/pingpong-tr-sch.png
Én nem tettem oda a 2 db 4.7 KOhm-os ellenállást, és ez egy végzetes hiba volt, tudom. Na de mi szerepe van annak az ellenállásnak? Annyi bizonyos, hogy a rövidzár illetve a túl nagy feszültségtől megvédi a tranzisztort. Olyan szempontból mért van jelentősége, hogy a kapcsolás működjön, tehát a feszültséget és az áramot miként befolyásolja? Bocsi a primitív kérdésért. :/
Hello!
A kérdés nem primitív, hanem utána kellene nézni a tranzisztor működésének. De naivnak semmi képen nem szabad lenni. Ha valahol egy alkatrész van, az nem ötletszerűen ok nélkül kerül oda. Tehát amíg nem ismerjük pontosan mit miért teszünk, addig azt kell elkövetni, ami a rajzon van. Ha még nem látunk át valamit, akkor józan paraszti ésszel kell gondolkodni, nem ötletszerűen spekulatív úton. (De ez bármely esetben is célravezető.) A kérdés teljes elemzése meghaladná a topik terjedelem határait (és türelmünket, sőt a tudásomat is) De megpróbálok néhány mondatban válaszolni, így segítve az egyszerű megértést. - A tranzisztor egy erősítő elem, mégpedig áramot erősít. Az erősítésére jellemző mérték a béta, mely a kollektoráram és a bázisáram hányadosa. Beta=Ic/Ib - A tranzisztort a bázisában vezéreljük, és a jelet a kollektorából vesszük le. A kollektorban lévő ellenállásnak az a szerepe, hogy a bázis áram által létrehozott (bétászor nagyobb) kollektoráram változást feszültséggé alakítsa. Ezt OHM törvénye alapján teszi. Ahol U=I*R. Ha az R értéke nulla, akkor a feszültség változás értéke is nulla. Tehát nem erősít semmit. Kivét áramot, de nekünk a feszültségre van szükségünk. De az egész háromlábú működése nem ilyen egyszerű, kéretik utána nézni. Akár itt a fórumon, akár a hálón. Alapszinttől a profi szintig minden rendelkezésre áll.. üdv! proli007
Köszönöm a választ. Meglepődtem, amit mondtál, tehát hogy sokak képeségét felülmúlná a részletes megválaszolása a kérdésemnek. De a válasz nekem bőven segített, amit köszönök is. Egy kérdés még: nem jártam elektronikai képzésre, és egy ideig nem is fogok, de érdekel az elektronika. Érdekelne a PIC is..stb. Hogy fejlesszem magam? Muszáj mindent kiveséznem, megértenem, hogy mi miatt van, vagy elég ha elfogadom a tényeket?
üdv.: sromi
Szerintem érdemes lenne átlátnod, mert ha csak betanulod a dolgokat, akkor lehet hogy tudni fogsz valamennyit, de ha egy kapcsolásban egy alkatrész nem olyan pozícióban van -mint ahogy te azt tanultad- , akkor borul az egész.
Hasonló a szitu, mint a fizikaórán bemagolt képleteknél. Aki nem érti a feladatot, az lapozza a fejében a füzetet, hogy hol , és milyen képlet volt. Végül belepaszírozza a példát egy szimpatikus képletbe, és persze nem lesz jó a megoldása, amire amúgy sokkal több időt és energiát használt fel, mint ha "csak" megértette volna az összefüggéseket.
Hello!(tudom nem ide kell írni a de a másik fórumba nem válaszolnak)
Hol tudok szerezni LM3909-es ICT? Mert a közelbe lévő boltba nem kaptam! Előre is kösz!
Üdv Mindenkinek! Kértem segítséget már itt ezzel kapcsolatban a fórumon de szeretném tisztázni. A mellékelt kapcsolásba ha bekötök egy 32Vos transzformátort akkor az hálóból 45V egyenáramot csinál?
Köszönöm előre is a segítséget!
Szia!
Számold ki! A pufferelés hatására gyök kettővel nő a feszültség(32V*1.41).
Elnézést a tudatlanságomért de jó érzés hogy mostis tanultam valami újat
Köszönöm!
Üdv!
Az LM339 komparátor IC kimenete egy tranzisztor kollektora. Lehetséges az, hogy ezen a tranzisztoron nem 0,7V esik hanem jóval kevesebb? Azt feltételeztem volna, hogy mikor kinyit a tranzisztor és testre húzza a kimenetre kötött kapcsolást akkor is 0,7V körüli érték megmarad. Errefel kipróbáltam és 0,07V körüli feszültség esik csak rajta. Valyon típusfüggő vagy a katalógusban van rá utalás? Jártam meg azt is, hogy egyikben volt rövidzárvédelem míg másikban nem.
Nem lehet igaz megint a multim viccelt meg
A programtárcsa nem érintkezett jól és a tizedes pont elcsúszott. Csodálkoztam is, hogy lehet. Elnézést de mióta megébredtem ezen vakarom a fejem és nem tudtam hova tegyem.Esetleg egy moderátort ha megkérnék szépen akkor törölje ki ezeket a hozzászólásaim. Elnézést.
Hello!
Ha valaminek a kimenetén egy nyitott kollektoros tranyó van, (és tényleg az, mert egy IC-nél soha nem tudni..) akkor egyáltalán nem törvényszerű, hogy ott 700mV legyen. A feszültséget elsősorban a terhelő (kollektor) áram határozza meg. Ha kicsi, akár mV-okra is lemehet a kimenet. Ha az adatlapot megnézed, akkor látható, hogy (VOL) 4mA terhelés és 25°C mellet, 150..400mV-ot, és teljes működési tartományban garantálja a maximum 700mV-ot. De szó nincs arról, hogy ez nem lehet kevesebb. (A 600..700mV akkor jellemző, ha a kimeneten egy Darlington tranzisztor van.) üdv! proli007
Sziasztok! Nem tudom, hogy hol, de olvastam, hogy valaki épített egy mágneses "ágyút", ami (ha jól tudom) egy menetes szárat lő ki nagy erővel...
Egy ilyet építenék Bláthy napra a suliba... A leírását azt megköszönném... Ha jól emlékszem, akkor egy fórumtárs oldalán volt fent
Itt találod: Omegalabs.eu
Szép estét!
Lenne egy kis elméleti kérdésem.Szóval egy csengőt 5 V-ről szeretnék meghajtani,de nem tudom milyen ellenállást használjak.Ohm bácsi törvényénél minusz számot kaptam.Szóval az adatok:Tápellátás:5V 500mA Szükséges:4,5V 100mA.Lehet csak én számoltam el,de megköszönném ha segítenétek! Máté.
Az a vicc, hogy létezik negatív ellenállás, persze nem itt.
A Te esetedben az 5V-ból kell 4,5V-ot "csinálni", tehát az ellenálláson el kell "veszíteni" 0,5V-ot. A terhelés - mint írod - 100mA. Ez az ellenálláson mind átfolyik. Tehát 0,5V/0,1A=5 Ohm . A legközelebbi érték az 5,1 Ohm , de jó lenne a 4,7 Ohm is. Teljesítményben elég a 0,5W-os (nem szó szerint).
Köszönöm a választ.Az volt a hiba,hogy milliamperrel számoltam nem pedig 0,1A-el.
Egyszerűbb lenne egy szilícium dióda, mondjuk 1N4001 vagy hasonló. Nem hinném, hogy szükséges az áramkorlát, egyszerűen csak 0.5V-ot kell elpazarolni.
Szia!
Kizárásos elven néztem ezt az adatot, de amúgy mint olvashattad utólag megint a műszer viccelt meg. Köszönöm.
Sziasztok!
A következő kapcsolás felkelt érdeklődésemet, és mivel kezdő vagyok ezért a kapcsolási rajzot nem tudom elkészíteni. http://www.youtube.com/watch?v=glHi4m3FFxM&feature=related segítségeteket előre is köszönöm |
Bejelentkezés
Hirdetés |






. Köszönöm, így lesz megoldva. 
Köszönöm! 
A programtárcsa nem érintkezett jól és a tizedes pont elcsúszott. Csodálkoztam is, hogy lehet. Elnézést de mióta megébredtem ezen vakarom a fejem és nem tudtam hova tegyem.




