Fórum témák
» Több friss téma |
Fórum » Transzformátor készítés, méretezés
Ha kérdésed van, az alábbiak segítenek a hatékony választ megadni:
Mag típusa: M, EI, UU/LL esetleg I-kből összerakott, tekercselt, toroid. Lehetőség szerint képpel.
Méretek: magkeresztmetszet a*b (amit a tekercs körbeölel) ablakméret, lánc és toroidnál, belső-külső méretek.
Primer-szekunder feszültség(ek), teljesítmény igény.
Méretei alapján a trafó vígan elbírja a 2 kályhát sorbakapcsolva. Egyenirányítani kell hozzá. !!!
Méretei alapján 400-630 VA lehet. Nem tudom, a begyújtás hogyan működik, a nagy teljesítményt akkor veszi fel. Ha ég, akkor már csak a ventillátor megy. Ilyen jellegű fogyasztó teljesítményfelvétele sokmindentől függ. A 180 W (kettőnél) csak közelítő érték. Ha ez a teljesítmény teljes egészében a ventillátorok felvétele, az függ a megmozgatott levegő hőmérsékletétől, a bemeneti és kimeneti fojtástól (szűrő, légterelő, elosztó, szállítócsövek...). Lehet kevesebb, több általában csak induláskor.
sziasztok
Én azt szeretném megtudni, hogyan lehet megállapítani egy trafóról, hogy kb. mekkora árammal terhelhető? A méretei: 7*8 cm a vas, 0,65 mm-es drót a sec. tekercs, és 38,3 V-ot ad le. Számításból nem vagyok jeles, de ha adtok egy képletet az is jó. A pri. tekercsről nincs infóm, mert a kivezetése sodrott rézvezeték, és a menetszámokról sem természetesen.
Szia!
Kb. 1A-el terhelhető a szekunder.
Kiszámolod a huzal keresztmetszetét, majd szorzod 3-mal (3 A / mm2).
Esetedben ~1A.
köszi mindenkinek
Hali !Van egy kisebb trafom sajnos most nem tok hozza kept tenni de eleg kicsi kb2x3cm koruli lehet !A secunderen 3 leagazas van na most az a kerdesem hogy bedughatom e a halozati feszultsegbe es ha igen akkor a secunderbol eleg csak 2 szalat hasznalni?
Ja elnezest hogy elfelejtetttm odairni hogy ezt a kerdest azert tetem fel mert a trafon nem ir erteket
(
Sziasztok!
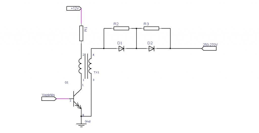
Egy kis segítséget szeretnék kérni: a képen látható villanypásztor inverter része halott a rossz trafó miatt, valószínű menetzárlatos lett, kellene tekernem egy újat és a méretezéshez kérném a segítségetek! Maga az inverter része elég egyszerű: lásd séma.jpg. Találtam itthon egy HAGY fazékmagot, ezt kellene (amennyiben ez lehetséges) felhasználnom. A mag adatai: HAGY M2 anyag Al=5400 , külső átm:27,5mm, a cséve 16mm magas, 5mm a cséve vastagsága, átmérője 22mm. 12V-ból kellene 250-270V-ot előállítani, az eredeti trafón 0.2 mm-es huzalt használtak, vagy is nem egy nagy áram kell. Ha valaki volna kedves és mondana menetszámokat vagy egy oldalt vagy valami segítséget hogy hogyan lehet ezt méretezni azt megköszönném.
Mit ne mondjak, ez a 250Volt, nagyon kevésnek tűnik nekem.
Villanypásztornak 3-4KV, impulzusok kellenek a kimenetére. Amennyiben meg tudod mérni, milyen frekvencián működött, /megméred multival a meghajtó tr.bázisát, akkor én tekerni is tudok neked.
Szia!
Természetesen igazad van : ez kevés oda, de ez nem az a trafó Van mögötte egy 20µF-os kondi és egy kimeneti trafó is. A freki 4 KHz körüli, a menetszámok ismeretében magam is megtekerem. Ebben, ha tudnál segíteni az nagyszerű volna! Köszönöm!
Hát ha nem ez a trafó, ami működteti a cuccot, akkor nem hiszem hogy le van égve, vagy zárlatos lenne.
Akkor ez impulzus tekercs, féle lehet. Ki kellene mérned. induktívitás mérővel.
Ez az inverter része a cuccnak,
fly-back fajta. Simán előfordulhat menetzárlat, de én először a 20µF kondin mérnék feszültséget, egyáltalán van-e rajta, ellenőrizném a tranyót, stb... Egy ilyen fazekat nem lehet hasraütésszerűen tekerni, ha lehetséges, az eredeti menetszámokkal, az eredeti magon kellene megvalósítani. Vagy pontos AL érték, és menetszám ismeretében lehetne hozzá méretezni. Az induktivitásmérés becsapós, ha valóban menetzárlatos a tekercs.
Szia!
Egyértelműen ez a trafó a rossz, ez már tuti! Nem is hasraütésszerűen szeretném megtekerni, ehhez kérnék segítséget. Feljebb ott vannak az adatok, mire van még szükség ?
Szevasz.
Sajna el kell, hogy szomorítsalak, egy-az egyben nem tudod felhasználni a vasmagodat, mert túlzottan nagy az AL értéke. Ha szétszedted az eredeti trafót, nézd meg a középső oszlopot, a kettő felet egymással szembefordítva láthatod a légrést, ami előfeltétele a helyes működésnek. Okkal feltételezem a fly-back működést, aholis az energia nem kerül át egyből a szekunder tekercsre, hanem csak akkor, ha a tranzisztor kikapcsol, addig pedig a légrés tárolja. Azért a légrés, mert a ferritmag betelítődne, és az áramnak csak a primer huzal ellenállása szabna határt, magyarul rövid úton leégne. Ha van induktivitásmérőd meg lehetne csinálni, lehetne számolni egy célszerű AL-el, és a fazékvasmagon kisérletezve akkora légrést beállítani, hogy normális menetszámok jöjjenek ki. De legjobb lenne, ahogy már írtam is az eredeti vasat felhasználva újratekerni a cuccot. Jó lenne egy részletesebb rajz is a tranyó vezérléséről, hátha tévedek...
Szia!
Köszönöm hogy foglalkozol velem! Sajnos az egész panelt belemártották valami lakk féleségbe, ezért nem hinném, hogy roncsolás mentesen szét tudnám szerelni, marad egy új trafó tekerés. Van egy épített LCM3-om
Nem akarlak kioktatni,de az az igazság hogy ezeket a tekercseket ki lehet mérni,csakúgy mint egy fénycső inverter impulzus trafóját, vagy egy színes tv.sormeghajtó trafó tekercseit.
A fénycső inverter trafót,28KHz működik én magam tekertem át, és jó pár régi Funai tv.kis trafót is. Melyek azóta is mennek,gond nélkül. Egy hozzáértő szaki,pl.müszerész ki tud mérni bármilyen tekercset,multival,lásd ohmérés,induktivítás mérés. Az sem mellékes,amennyiben tényleg zárlatos az a tekercs,egész más feszültség impupluzokat mérünk rajta,mint normál esetben.
Mellesleg a frekvencia,valamint a szekunder,/leadott feszültség ismeretében ki lehet számolni a menetszámokat egész pontosan,de kétlem hogy néhány menet eltérés gondot okozna, ilyen alacsony frekin.
A zárlatos tekercs ohmos fogyasztóként,ellenállásként viselkedik, míg a jó tekercs induktív reaktanciaként.
A kioktatást is elfogadom, ha igaz....
Továbbra is fenntartom, hogy ismeretlen menetszámú, áttételű, induktivitású trafón az induktivitásmérés csak akkor ad pontos eredményt, ha tökéletes állapotú a cucc. Menetzárlat esetén teljesen más eredmény jön ki, amire nem lehet alapozni, csak saccolni. Más kérdés, hogy ennek ellenére lehet újat készíteni helyette, a kívánt feszültségáttétel, teljesítmény, frekvencia,stb ismeretében. De, ha visszaolvasol, az volt a kérdés milyen menetszámokkal lehetne realizálni egy új trafót a régi helyére. Erre írtad válaszként, hogy ki kellene mérni induktivitásmérővel. Erre pedig az én válaszom az volt, hogy zárlatos tekercs esetén nem sokra megy a kapott értékekkel.... Tapasztaltam párszor, kisméretű ferrittrafós gyújtások meghibásodott trafójánál teljesen hibás eredményt kaptam. Maradt az újraszámolás, más minőségű vasra. Ennél többet nem is szeretnék a dologról polemizálni, megoldást már javasoltam, de először mindenféleképp szétfőzném azt a vasat, és leszámolnám a meneteket.
Heló!
Tudna valaki segíteni, hogy milyen trafót lehet kihozni olyen vasmagból, ami a cséve közepébe belemegy? mérete: 21mmX37mm
Sziasztok!
számomra kikéne számolni egy transzformátort? elöre is köszi! E I-mag 20x20 mm nekem kéne 50 hz p-220v s- 15 v
Fenykepezd le legyszives es segetek kimerni ha a primert meghataroztuk. Kb300 Watt igy magaban, de alu huzal van rajta. Varom valaszod Joe
Üdv mindenkinek!
Egy nagyon kezdő kérdés, mivel az vagyok: Van egy azaz 1 méter Teflonozott Holmium ellenálláshuzalom. Ennek a hossznak fel kellene forrósodni ~270-290°c-ra. Folyamatosan, kb 10 percig kellene ezen a hőfokon működnie! Hány voltot, és milyen áramerősséget adjak neki? A huzal ellenállása: 2,73 Ω/m, a vastagsága 0,8. Segítségeteket előre is köszönöm!
Üdv mindenkinek!
Egy nagyon kezdő kérdés, mivel az vagyok: Van egy azaz 1 méter Teflonozott Holmium ellenálláshuzalom. Ennek a hossznak fel kellene forrósodni ~270-290°c-ra. Folyamatosan, kb 10 percig kellene ezen a hőfokon működnie! Hány voltot, és milyen áramerősséget adjak neki? A huzal ellenállása: 2,73 Ω/m, a vastagsága 0,8. Segítségeteket előre is köszönöm!
Sziasztok.
Van egy trafóm, de sajnos nemtudom, hogy melyik lehet a 230V-os tekercse. A primer oldalon van 4 vezeték. Megmértem dióda vizsgálóval, és a narancs-fehér=rövidzár, piros-fekete=rövidzár. Ebből arra gondolok, hogy külön lehet rajta a kettő primer? Volt hozzá egy feszültség választó, 120-220-240 V állásokkal, de ahogy pakolásztam. sajna leszakadtak a szálak és nemtudom, hogy most mi micsoda. A narancs-fehér vezetéket ha megmérem ellenállásra akkor az 3.3 Ohm, a piros-fekete 4.5 Ohm. De viszont tudok mérni ellenállást a fehér-fekete vezetéken is és a igy kombinálva. Ha valaki segitene kideriteni, hogy melyik a 230as bemenet annak nagyon örülnék. Előre is köszönöm.
A 110-220-240 váltás az valószinűleg úgy van megoldva, hogy a 220-as tekercs középpen meg van csapolva. Igy keress egy olyan kivezetést ami másik kettőhöz képest gyakorlatilag egyforma ellenállást mutat. Ez lesz a 110 V-os kivezetés, a másik kettő a 0 V és a 220 V (de még ne tudjuk hogy melyik-melyik. Ami viszont biztos, hogy a negyedik a 240 V-os). Most megméred a 240 V-os kivezetéshez képest a 0 és 220 V-os, de még nem azonositott kivezetéseket. Az lesz a 240 V-os, amelyiken sokkal kisebb ellállást mérsz, amelyiken meg sokkal nagyobbat az pedig a 0 V-os.
Én a helyedben a 240 V-os kivezetést használnám a mostani 230 V-ra... Valamint első alkalommal egy (mondjuk 60 W-os) izzók keresztül kötném a hálózatra.
Akkor ha bíztos vagy benne,hogy ez a fazékmagos tekercs a rossz,melegitsd fel,és szedd szét, számold meg.
Azért ne melegitsd túl, ha széttörik a vas, nem gond,nagyobb fazékmagra is tekerheted, lényeg hogy ráférjen. Ha megvan az új tekercs,az összerakásnál,vasmaggal tudsz korrigálni, légréssel optimálisra hangolni az egészet.
Közben megtaláltam a kapcsolót. Az biztos, hogy a fekete vezeték az mindenképpen fix mert az van a kapcsoló közepén és a másik hármat lehetett hozzá csatlakoztatni a kapcsolóval. Ha igy mérem, hogy a feketéhez képest, akkor a fekete-fehér kombináció mutatja a legnagyobb ellenálást.
Fekete-fehér= 20 Ohm Fekete-narancs= 17 Ohm Fekete-piros= 4.5 Ohm
Ami a kapcsoló közepén van az szerintem az "elmenő", mondjuk pech hogy az is fekete
![]() Amit még elfelejtettem mondani, hogy kis szerencsével látod hogy honnan (milyen magasságból) jönnek ki a kivezetések és valószinűleg vasmagtól kezdve 0 - 110 - 220 - 240 a sorrend, de ha látszik akkor sok ü sok ü kevés menet mindenképpen útba igazit.
A fekete vezeték az a trafóról ment a kapcsoló közepére. Az tuti, hogy a trafóra ment.
Az a baj, hogy azt nemlátni milyen távolságban vannak a kivezetések, mert ha alulról nézem akkor egy sorban van az összes vezeték. |
Bejelentkezés
Hirdetés |




( 


