Fórum témák
» Több friss téma |
Mielőtt kérdezel, a következő két dolgot ellenőrizd!
I. A helyes tápfeszültségek megléte.
II. A kimeneten van-e egyenfeszültség.
Élesztés.
Bocs igen csak nekem a régi Hi-Fi magazinban a trafót egy szórással körbe vett "R" térrel ábrázolták, és ez maradt meg bennem, ezért mindig úgy ugrik be hogy az R vasmagos trafó, de a helyzeten nem változtat hogy igazán gyárthatná egy Magyar kis maszek és mindenki boldog lenne, egy olcsó henger alakú csévetestel, könnyen tekercselhető, jó minőségű trafó!
Megnéztem én is a Hapro linken lévő fotókat. A hiperszil az tekercselt és VÁGOTT vasmagot jelent, ahol a "feleket" valamivel utána össze kell szorítani.
Ellenben nekem úgy tűnik, hogy ez a vasmag nincs elvágva, olyan mint egy tororid, csak körgyűrű helyett lapított és a keresztmetszete nem téglalap, hanem egy körhöz közelítő forma. Viszont ha valóban nincs elvágva, akkor már egyáltalán nem tűnik egyszerűnek a tekercselés. MÁS! Ha a sarok okozza a problémát, akkor pl. hasonlóan jó hatást lehetne elérni, ha egy toroidgyűrű éleit, mondjuk esztergán megfarigcsálnánk? Sőt ezt akár nem is kellene a teljes kör eléréséig fokozni, csupán egy jelentős rádiuszt kialakítani. Végül óvatosan megjegyzem, hogy a toroid nem véletlenül kör alakú, és abban a "mágneses fluxus vonalai" éppen a lemeztekercselési iránnyal práhuzamosan futnak, tehát sehol sem találkoznak éllel. sehol sem kell hirtelen irányt váltaniuk, azaz egyáltalán nincs olyan hatás, ami szóródást tudna okozni. Ami képes zavart "szórni", az maga az árammal átjárt tekercs, ami viszont az "R" magnál is megvan.
Köszönöm a közreműködést.
Remélem nem hal el az egész a témája miatt. A választott fórum abszolút másról szól, mégha a címébe elvileg bele is férne. Ott szinte CSAK végfokokról, és viszonylagos alapdolgokról van szó. De bízzunk abban, hogy megtalálják páran itt is. A biztonság kedvéért, majd én is teszek egy "utaló linket" ide, ami átvezeti az érdeklődőket.
A csévét forgatják! Briliáns ötlet.
Széttörpöltem az agyam, miként lehetne egy ilyen R vasmagot megtekerni, de erre nem gondoltam. A vasmaggá tekert acélhuzalt hogyan rögzítik, miként lesz belőlük stabil tömb? A ragasztó bizonytalan megoldás ilyenkor.
Szia!
Idézet: „A vasmaggá tekert acélhuzalt hogyan rögzítik” Nem acélhuzalból készítik, hanem ugyanúgy mint a toroidokat, vagy a hiperszileket lemezből tekerik, csak itt a lemez eleje és vége keskenyebb. Nem a legjobb a kép, de a lényeg látható.
A Technics csak "ragaszkodik" ahhoz, hogy Ő a jó.
De tetszenek ezek a "pandamaci nyalta, meteoritport látott, Dalai láma is megáldotta különlegességek.
![]() "Audio és Asztrológia - érdekes, ugye? Hiraga cikke. Különböző japán és kínai táblázatokat tesz közzé ezek segítségével bárki kiszámíthatja, mikor tanácsos - mondjuk erősítőt vásárolnia, illetve hogy milyen égtájak irányában szerelje fel a hangdobozait." Na ez az ami már azért.....
Köbzoli szerint (itt) huzalból van. A képed szerint inkább lemez.
Ebben én nem tudok dönteni. De ha sima lemez, akkor nem indokolja semmi, hogy lényegesen jobb legyen mint a toroid. A huzal már érdekesebb, főleg ha valami magas permeabilitású anyagból van.
Szerintem is tekercselt lemez lesz ahogy nézem.
Átkerült ide egy nagyon lényeges alapkérdés, amiben jó lenne legalább nagyjából tisztán látni mindannyiunknak. Bővebben: Link
Akinek van ötlete, fűzze hozzá a gondolatait.
A lavinát indító R vasmagos ötletem melett meg sem mertem említeni a másik korszak alkotó ötletüket "TA-KEH II kondikat"
Panasonic erösítömből mentettem is ilyen kondit "széttörve kaptam az erősítőt"! De láttam és halottam is ezeket az R vasmagos táppal épített STK-kat és nagyon jól szólnak kis torzítással és kiegyenlített hangzásképpel. Szóval nagyon jók, itt azért érdemes megjegyezni az olcsó alapanyagból egyszerűen, lehet jó trafót építeni, szempontot is a Technics részéről.
A Technics (még mindig) a legjobb!
"Ezután egy másik hangerőszabályzóval 0 dB és végtelen között állítható az erősítés."
Mi jöhet még?!
[OFF]Mint a Toy-sztoriban. Irány a végtelen, és még azon is túl!!!
Ja! Amúgy szerintem az is ügyes aki hangerőszabályzóval tud erősítést állítani. Nekem még nem sikerült... Jaj, ez a marketing!
Ez a szöveg az átlag vásárlóknak szól.
Persze mi röhögünk rajta,d e ha leírja a képletet, emg az ellenállás értékét amit változtat, meg mondjuk a tápfeszt, akkor ez tökéletesen lényegtelen információ az átlag vásárlónak. Aki meg mélyrehatóan ismeri az erősítők lelki világát, az nem teknicset vesz, hanem vagy épít, vagy valami tényleg jót vesz.. szerintem
Szép marketingszövegek, csak kár hogy szinte kihaltak az audiócuccaik ezen a különleges fejlesztéseik ellenére is. Ezek szerint a nagyérdemű nem hallotta azt, amit a fejlesztők, és a piárosok.
Igazad van! Amúgy nincs bajom a 'tekniccsel', de nem halottam még ezeket az ötleteiket...
A kihalásnak egy oka van, a Kínai minőségi házimozik a "TDA" 5.1, 3-5W-os szuper satelit hangsugárzókkal 12 E kompletten, át vették a háztartásokban a helyüket.
A nagyközönség, a fogyasztópiacnak az igénye, és pénztárcája ezt kivánja meg az MP3-at és a 700Mb-os AVI-kat, erre futja. ennél már csak az MP4 lejátszók az igazi tovább a végtelenbe minőség.
Vitát nem nyitnék, mert van amiben igazad van, de akkora durranások nem voltak mint amilyennek a merketing szövegek beállították őket. Ezek a készülékek régebben sem a "pór népnek" készültek. Én mindig megmosolygom azokat akik hallani vélik, hogy a sima 5x20-as üvegcsöves védőbizti helyett rhodiumos 80$-os van a készülékben.
Használtba olcsón hozzájuk lehetne jutni, de még így sem kelendőek túlzottan a többi márka mellett. Nekem is volt belőle anno, és ár alatt ment el. Én nem véltem felfedezni semmi különlegeset a class AA hangjában.
Jó ez nem teljesen 100%-ig van így, de erre tartunk.
Van az unoka öcsémnek régi Tech... erősítője ami 2x80W kimenővel STK-felépítés MOS-FET-ekkel és AA meg minden, bulizni szokott néha PA hangfalakkal, otthon meg régi alukeretes AKAI hangfalakról halgatja, és meglepően jól szól! Szét is szedtem 2éve kb. kiváncsi voltam, és tényleg rendben volt 18Kg a súlya, 280W-os táppal 2x10000µF tápszűrés billenőkapcsolós elől, igazi klasszikus nem távlírányítós, dual MONO kialakítás. De vannak reklámmal felfúlytak is és 80W tápról nehezen hiszem el a 6.1 THX 6x100W-ot de ez nem újdonság. Mi építsünk normális végfokokat toroiddal ennyi.
Ráadásul a Technics erősítők jó részébe nem is STKxxx,hanem SVIxxx végfokok lettek beépítve,melyek nagyon nehezen vagy aranyárban szerezhetőek be,ha egyáltalán beszerezhetőek még.
Sziasztok
Olyan gondom van hogy hoztak egy vidi erősítőt amin a hangszóró kimenetken fesz jelenik meg. A végeket kicseréltem de akkor is. Van benne egy tranyó(BC137) ami melegszik ennek a helyére jó helyetesítőnek BD139-es? Mi lehet a gondja?
Rosszak a meghajtók, a nagyjelű, stb. hiábavaló fáradtság csak a végtranzisztorokat cserélni, a Vidi ki szokta "lőni" a meghajtókat is. A hiba fennállása is erre utal. A BD137 helyett jó a 139-es, de nem biztos, hogy a "melegedős" tranzisztor a hibás.
Vannak Videotonos topikok is.
Szia
Kössz a gyors választ Szóval szerinted a meghajtók? A végek cserélye után azok már nem melegedtek. A végeknél lévö tranzisztor párra gondolsz?(BD137,Bd138)
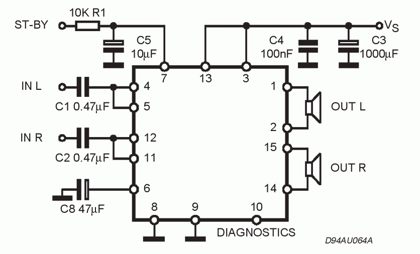
Itt a pontos kapcsolási rajza.
Tud vki olyan kapcsolást feltenni, aminek a bemenetére MP3 lejátszót tudok kötni és 12V-ról megy?
Szia!
Tessék.
A legegyszerűbb az egy kocsiakku, rákötöd az MP3 lejátszódat azt annyi. Még a lejátszónak is...
De ha végfokot szeretnél az MP3-után kötni, akkor próbálkozz a TDAxxxx sorozatú IC-kkel. Tudom ajánlani például a TDA7374 -et. kb 2X10W-od vagy 4X4-5W-od lesz 12V tápfesszel. Vagy 7375-öt az valamivel nagyobb teljesítményű. |
Bejelentkezés
Hirdetés |








Panasonic erösítömből mentettem is ilyen kondit "széttörve kaptam az erősítőt"! 

ennél már csak az MP4 lejátszók az igazi tovább a végtelenbe minőség.






